Крупнейшая бесплатная информационно-справочная система онлайн доступа к полному собранию технических нормативно-правовых актов РФ. Огромная база технических нормативов (более 150 тысяч документов) и полное собрание национальных стандартов, аутентичное официальной базе Госстандарта. GOSTRF.com - это более 1 Терабайта бесплатной технической информации для всех пользователей интернета. Все электронные копии представленных здесь документов могут распространяться без каких-либо ограничений. Поощряется распространение информации с этого сайта на любых других ресурсах. Каждый человек имеет право на неограниченный доступ к этим документам! Каждый человек имеет право на знание требований, изложенных в данных нормативно-правовых актах!

  


 

Правительство Москвы

СИСТЕМА НОРМАТИВНЫХ ДОКУМЕНТОВ В СТРОИТЕЛЬСТВЕ

МОСКОВСКИЕ ГОРОДСКИЕ СТРОИТЕЛЬНЫЕ НОРМЫ

ДОМА - ИНТЕРНАТЫ

ДЛЯ ДЕТЕЙ - ИНВАЛИДОВ

МГСН 4.02. - 94

ТСН 31 - 302 - 95

г. Москва 1994

ПРАВИТЕЛЬСТВО

МОСКВЫ

МОСКОВСКИЕ ГОРОДСКИЕ

СТРОИТЕЛЬНЫЕ НОРМЫ

МГСН 4.02 - 94

 

ДОМА - ИНТЕРНАТЫ

ДЛЯ ДЕТЕЙ - ИНВАЛИДОВ

Внесены

Москомархитектурой,

МНИИП объектов культуры,

отдыха, спорта и здравоохранения

Утверждены

Правительством Москвы

распоряжением

от 09.12.94

№ 2389 - РЗП

Срок

Введения

в действие

с 1 января 1995 г.

СОДЕРЖАНИЕ

Предисловие

1. РАЗРАБОТАНЫ МНИИП объектов культуры, отдыха, спорта и здравоохранения Москомархитектуры (канд. арх. Тхор Э.А., инженеры Герасина Л.А., Тихомирова И.Б.) при участии МГЦ Госсанэпиднадзора (санит. врач Пронина Л.И., зав. ЛПУ Храпунова И.А.)

2. ВНЕСЕНЫ Москомархитектурой, МНИИП объектов культуры, отдыха, спорта и здравоохранения

3. ПОДГОТОВЛЕНЫ к утверждению и изданию Архитектурно - техническим Управлением Москомархитектуры (архитекторы Гикало Г.П., Шалов Л.А.)

4. СОГЛАСОВАНЫ: УГПС ГУВД г. Москвы, МГЦ Госсанэпиднадзора, Комитетом социальной защиты населения Москвы, Департаментом образования Москвы

5. ПРИНЯТЫ И ВВЕДЕНЫ В ДЕЙСТВИЕ распоряжением первого заместителя премьера правительства Москвы от 09.12.94 № 2389 - РЗП

МОСКОВСКИЕ ГОРОДСКИЕ СТРОИТЕЛЬНЫЕ НОРМЫ

ДОМА - ИНТЕРНАТЫ ДЛЯ ДЕТЕЙ - ИНВАЛИДОВ

1. ОБЛАСТЬ ПРИМЕНЕНИЯ

1.1. Настоящие нормы разработаны в соответствии с требованиями СНиП 10-01-94 (см. раздел 2) для г. Москвы и Лесопаркового защитного пояса (ЛПЗП) как дополнение и уточнение к нормативным документам в строительстве, действующим на территории г. Москвы и ЛПЗП, в том числе по проектированию общественных зданий и среды жизнедеятельности инвалидов, и распространяются на проектирование новых и реконструкцию существующих домов-интернатов для детей - инвалидов.

1.2. Настоящие нормы устанавливают основные положения и требования к размещению, участку, территории, архитектурно-планировочным решениям и инженерному оборудованию домов - интернатов для детей - инвалидов.

1.3. Настоящие нормы содержат обязательные, рекомендательные и справочные положения.

Пункты настоящих норм, отмеченные знаком « * », являются обязательными.

2. НОРМАТИВНЫЕ ССЫЛКИ

В настоящих нормах приведены ссылки на следующие нормативные документы:

2.1. СНиП 10-01-94 "Система нормативных документов в строительстве. Основные положения".

2.2. СНиП 2.08.02-89 "Общественные здания и сооружения".

2.3. СНиП 2.01.02-85 "Противопожарные нормы".

2.4. ВСН 62-91 "Проектирование среды жизнедеятельности с учетом потребностей инвалидов и маломобильных групп населения".

2.5. Пособие "Дошкольные учреждения" к СНиП 2.08.02-89*.

3. ОСНОВНЫЕ ПОЛОЖЕНИЯ

3.1. Рекомендуемая номенклатура типов домов - интернатов, контингент и возраст воспитанников, а также требуемая площадь участка приводятся в таблице 3.1.

*3.2. Дома - интернаты (детские дома) для детей с недостатками физического или умственного развития должны обеспечивать воспитанникам следующие виды обслуживания:

- проживание;

- питание;

- санитарно - гигиеническое обслуживание;

- воспитание, обучение (для обучаемых детей);

- культурно - массовое обслуживание (для обучаемых детей);

- медицинское обслуживание (включая физическую реабилитацию);

- социальную адаптацию, профессиональную подготовку (в зависимости от индивидуальных возможностей);

-административно - бытовое обслуживание.

3.3. В домах - интернатах следует, как правило, предусматривать следующие варианты проживания детей:

- в одновозрастных группах, с комплектацией групп и групп - классов из детей одного уровня развития и учебной подготовки;

- в разновозрастных группах с комплектацией групп из детей разного возраста, по принципу совместимости (с образованием "семей" в 5  -8 человек).

Примечание

Не обучаемые дети, т.е. дети не воспринимающие действительность и не могущие себя обслуживать, размещаются в спальных помещениях в зависимости от возраста, тяжести заболевания, а также нормативных нагрузок на персонал обслуживания.

*3.4. Количество этажей в зданиях следует принимать:

 -во всех типах учреждений для дошкольников и в домах-интернатах для не обучаемых детей не более двух;

 -в остальных типах учреждений не более трех.

Таблица 3.1.

Рекомендуемые номенклатура типов домов - интернатов, контингент и возраст воспитанников, требуемая площадь участка

№ п.п.

Наименование учреждения

Контингент воспитанников

Возраст воспитанников, лет

Площадь участка на 1 место, кв. М

1

2

3

4

5

1

Детские дома для умственно отсталых детей

дебилы, легкие имбециллы

0 - 3

50 - 60

2

Детские дома для детей - дошкольников с недостатками физического развития:

- слепых и слабовидящих

- глухих и слабослышащих

слепые - с остротой зрения 0 - 0,05, слабовидящие - 0,06 - 0,4

глухие - с потерей слуха более 80 дб., слабослышащие - 30 - 80 дб

0 - 8

50 - 60

3

Дома - интернаты для умственно отсталых детей:

- необучаемых

- обучаемых

тяжелые имбецилы, идиоты

дебилы, легкие и средние имбецилы

0 - 18

4 - 18

50 - 60

100 - 120

4

Дома - интернаты для детей с недостатками физического развития:

- с поражением опорно-двигательного аппарата

- слепоглухонемых

с ДЦП, последствиями полиомиелита, антрогриппозом, хондродистрофией, миопатией

дети с полной потерей слуха и зрения

0 - 18

0 - 18

100 - 120

60 - 70

Примечания:

1. Состав и площадь помещений домов - интернатов для слепоглухонемых детей проектируются по особому заданию на проектирование.

2. На затесненных территориях площадь участка может быть сокращена на 15 - 20%.

Примечание.

На затесненных территориях в домах - интернатах для обучаемых умственно отсталых детей число этажей может быть увеличено до четырех при условии устройства в здании автоматического пожаротушения и противодымной защиты путей эвакуации (коридоров).

*3.5. При числе этажей более двух дома - интернаты должны быть оборудованы лифтами (по расчету), в том числе и кроватными. В двухэтажных зданиях наличие лифтов определяется в каждом конкретном случае заданием на проектирование. Во всех типах домов - интернатов вместо части лестниц допускается предусматривать пандусы шириной 1,8 м с уклоном не более 1:10. В случае, если лифты не предусматриваются, устройство пандусов обязательно. В специализированных домах - интернатах для детей и подростков с нарушениями функций опорно-двигательного аппарата следует предусматривать и лифты и пандусы.

Ширина лестничных маршей в домах - интернатах должна быть не менее 1,8 м.

*3.6. В зависимости от возраста и тяжести заболевания принципы размещения групп детей по этажам должны подчиняться следующим правилам:

- лежачих детей разрешается размещать не выше первого этажа;

- детей до 6 лет не выше второго этажа;

- семейные разновозрастные группы могут размещаться на любом этаже.

3.7. Вместимость домов - интернатов, состав и площади их помещений должны в каждом конкретном случае определяться утвержденным заданием на проектирование.

При общей вместимости более 150 мест учреждение должно состоять из отдельных блоков (отделений), включающих, кроме помещений проживания, помещения питания, а также первичного учебного и медицинского обслуживания.

3.8. Необходимость мероприятий гражданской обороны определяется в каждом конкретном случае заданием на проектирование.

*3.9. Во всех помещениях необходимо предусмотреть устройства и приспособления для облегчения физических усилий детей с ограниченными двигательными функциями, в том числе передвигающихся на колясках.

В учреждениях для детей с нарушениями слуха и зрения следует предусматривать предупреждающую информацию о приближении к препятствиям изменением качества поверхностного слоя покрытия дорожек, рельефными полосами, защитными ограждениями для облегчения ориентации детей в жилом пространстве.

*3.10. Высоту помещений, требования к инженерному оборудованию и другие общие требования, в том числе и противопожарные, следует принимать в соответствии с нормами проектирования "Общественные здания и сооружения", "Противопожарные нормы", "Проектирование среды жизнедеятельности с учетом потребности инвалидов и маломобильных групп населения", а также другими нормативными документами, действующими на территории г. Москвы и ЛПЗП.

4. ТРЕБОВАНИЯ К РАЗМЕЩЕНИЮ, УЧАСТКУ И ТЕРРИТОРИИ

4.1. Площадь участка следует определять заданием на проектирование с учетом рекомендуемых показателей, приведенных в таблице 4.1.

*4.2. В составе территории должны быть предусмотрены следующие функциональные зоны:

а) зона проживания детей с расположенными в ней игровыми площадками, теневыми навесами, аэросолярием, спортивными площадками, дорожкой для катания на велосипедах, игровым городком;

б) зона обслуживания, в которой размещаются площадка при кухне с мусоросборником и пожарным постом;

в) зона изолятора с площадкой для выздоравливающих детей;

г) зона огорода, ягодника, живого уголка;

д) хозяйственная зона, в которой в зависимости от конкретных условий располагаются гараж, котельная, прачечная, складские помещения, ремонтные мастерские, овощехранилище и т.д.;

е) зона проживания обслуживающего персонала.

Примечания:

1. Игровые площадки с теневыми навесами, спортивные площадки и прочее для не обучаемых детей не предусматриваются.

2. Зона проживания обслуживающего персонала предусматривается только при загородном размещении домов - интернатов.

3. На затесненных территориях для размещения хозяйственных, инженерных и подсобных помещений рекомендуется использовать подземное пространство, в том числе под зданиями домов - интернатов, при условии выполнения требований действующих нормативных документов.

*4.3. Число групповых площадок должно соответствовать числу групп в учреждении, их площадь принимается из расчета 8 - 10 кв. м на одного ребенка. Площадки должны иметь травянисто - песчаный покров. Теневые навесы площадью 2 кв. м на одно место должны примыкать к групповым площадкам и быть рассчитаны на проведение игр в плохую погоду. Теневые навесы должны иметь дощатый пол и должны быть закрыты с трех сторон, а открытой стороной ориентированы на солнечную сторону горизонта. Возможна организация общих на 2 - 4 группы детей игровых площадок и теневых навесов.

4.4. На групповых площадках рекомендуется предусматривать следующее оборудование:

- для детей дошкольного возраста - качели, качалки, грибки, домики, скамейки для отдыха, песочные дворики с ящиками для хранения песка, столами для игр с песком, а также физкультурное оборудование для развития всех основных видов движения;

- для детей школьного возраста - качели, сооружения для лазания, скатывания, пролезания, песочные дворики с ящиком для хранения песка, столами для игр с песком, скамейки для отдыха.

Примечания

1. Набор оборудования следует уточнять в каждом конкретном случае заданием на проектирование.

2. К песочным дворикам должен быть подведен летний водопровод для мойки игрушек после игр.

4.5. Необходимо избегать пересечения путей, связывающих помещения групповых ячеек с групповыми площадками на участке. Групповые площадки для детей ясельного возраста следует располагать не более, чем в 30 м от входа в помещения соответствующих детских групп.

4.6. В состав игрового городка рекомендуется включать карусель, уголок сказок, лабиринт.

4.7. На территории домов - интернатов для обучаемых детей школьного возраста необходимо предусматривать спортивные площадки для игр в настольный теннис, волейбол, бадминтон, футбол и т. д. Эти площадки должны располагаться вблизи групповых площадок для детей старшего школьного возраста.

Размеры спортивных площадок следует принимать: для настольного тенниса - 2,8 ´ 1,5 м; для волейбола - 9 ´ 18 м; для футбола - 40 ´ 60 м; для бадминтона - 13,5 ´ 6 м. Набор площадок определяется в каждом конкретном случае заданием на проектирование.

4.8. В домах - интернатах рекомендуется предусматривать аэросолярий из расчета 3,0 - 3,5 кв. м на 1 место, который следует располагать на хорошо озелененной площадке, открытой доступу прямых солнечных лучей, в зоне ветровой тени. Аэросолярий должен иметь зону сплошной тени и рассеянной солнечной радиации.

4.9. Огород - ягодник и площадку для живого уголка следует устраивать общими для всех групп обучаемых детей старшего дошкольного и школьного возраста из расчета: огород - ягодник - 0,3 - 0,6 кв. м на одного ребенка, площадка для живого уголка - 0,2 - 0,5 кв. м на одного ребенка.

4.10. Озеленение участка включает групповые и рядовые посадки деревьев и кустарников, декоративные растения, цветники и газоны. Площадь зеленых насаждений следует принимать из расчета не менее 60% площади участка.

*4.11. Территория домов - интернатов должна быть огорожена. На участок должно быть предусмотрено не менее двух въездов с устройством дорог с твердым покрытием из расчетной нагрузки от пожарных машин - 20 тонн на ось. Один из въездов должен быть хозяйственным. К зданию должны быть предусмотрены подъезды с двух противоположных сторон.

*4.12. Изолятор должен иметь подъездные пути для возможности эвакуации заболевших детей.

Таблица 4.1.

Вместимость

учреждения, мест

Площадь зон на 1 место, кв. м

хозяйственная зона

зона проживания персонала

100 - 150

151 - 300

свыше 300

12 - 15

9 - 12

9 и менее

10 - 15

9 - 12

9 и менее

4.13. В случае загородного размещения домов - интернатов площадь зоны проживания персонала следует принимать дополнительно к площади участка.

*4.14. Зону проживания персонала допускается размещать вблизи учреждения на обособленном участке с изолированным въездом. Расстояния между зданиями проживания персонала и зданиями проживания детей, а также изолятором и игровыми площадками должны быть не менее 50 м.

4.15. В зоне проживания персонала следует предусматривать площадки для отдыха, сушки белья, мусоросборников, а также спортивные площадки универсального назначения (для игр в волейбол, баскетбол, бадминтон) и столы для игры в настольный теннис из расчета одна спортивная площадка и 2 стола на каждые 150 - 200 проживающих.

Примечание:

При организации поселка персонала нормативы его проектирования принимаются в соответствии с требованиями главы СНиП "Планировка и застройка городов, поселков и сельских населенных пунктов".

*4.16. Норма расхода воды при пожаротушении, должна приниматься не менее 100 л/с при одновременном расходе воды на хозяйственно - питьевые нужды населения. Радиус обслуживания пожарных гидрантов не должен превышать 150 м. На стенах зданий и сооружений следует предусматривать установку светоуказателей пожарных гидрантов.

5. ТРЕБОВАНИЯ К ОБЪЕМНО - ПЛАНИРОВОЧНЫМ РЕШЕНИЯМ

*5.1. В состав домов - интернатов входят следующие основные группы помещений:

- помещения проживания детей;

- помещения обслуживания (включающие помещения учебного, культурно - массового, медицинского, административно - бытового обслуживания, помещения профессиональной подготовки и социальной адаптации, помещения, обеспечивающие питание детей и персонала);

- изолятор;

- хозяйственные учреждения;

- помещения проживания персонала (при загородном размещении дома - интерната).

*5.2. Помещения проживания детей и помещения обслуживания следует размещать в отдельных корпусах или блоках, либо непосредственно примыкающих друг к другу, либо соединенных отапливаемыми переходами.

Группы "семейного" типа допускается размещать в отдельно стоящих коттеджах, рассчитанных на несколько "семей". Изолятор допускается располагать или в отдельном корпусе, или в изолированном блоке, примыкающем к корпусу помещений обслуживания, с отдельным входом. Хозяйственные сооружения (котельная, гараж, прачечная и др.), а также помещения проживания персонала должны располагаться в отдельных корпусах, размещаемых в специальных зонах с отдельным въездом.

Независимо от вместимости учреждения, помещения обслуживания, изолятор, хозяйственные сооружения предусматриваются общими для всего учреждения.

*5.3. Здания домов - интернатов следует проектировать не ниже II степени огнестойкости.

Отдельные блоки проживания детей, непосредственно примыкающие друг к другу, следует отделять противопожарными стенами I типа.

*5.4. Помещения проживания следует проектировать в виде изолированных групп жилых помещений трех основных типов:

1 - по типу дошкольных учреждений, когда раздевальная, групповая, спальня и туалетная образуют единый блок помещений;

2 - по типу коридорной системы, когда спальни с другими помещениями жилой ячейки связаны через коридор (систему коридоров);

3 - по квартирному типу, когда жилые помещения проектируются для группы детей, образующих "семью" (одновозрастную или разновозрастную).

Примечания:

1. Принципы проектирования жилых помещений для групп детей младшего школьного возраста могут приниматься как по типу I.

2. Группы не обучаемых детей проектируются по типу I, при этом групповая и раздевальная комнаты в составе помещений не предусматриваются.

5.5. Численность детей в группах различных типов определяется в соответствии с таблицей 5.1. Жилые помещения могут образовывать секции или отделения на 2 - 4 и более групп в зависимости от возраста и тяжести заболевания.

*5.6. В помещении каждой жилой группы для дошкольников должен быть предусмотрен самостоятельный вход; в двухэтажном здании допускается предусматривать общий вход для двух групп детей старшего ясельного и четырех групп детей дошкольного или младшего школьного возраста при расположении их на разных этажах или на втором этаже.

Входы в помещения жилых групп для детей школьного возраста могут быть предусмотрены через лестничные клетки, ведущие непосредственно в группы, или через общий вестибюль.

Таблица 5.1.

Основные принципы проектирования жилых помещений детских групп с учетом организации учебного процесса и питания

Принципы проектирования жилых помещений

Численность группы, чел.

Планировка спальных комнат

Организация учебного процесса

Организация питания

Типы учреждений или отделений, для которых рекомендуются данные принципы

1

2

3

4

5

6

По типу

детского сада

6 - 8

Спальная комната, единая для всей группы

Обучение производится в групповой комнате

Питание происходит в групповой комнате

В детских домах для умственно отсталых детей и детей с недостатками физического развития, а также в дошкольных отделениях для обучаемых детей домов - интернатов

По типу коридорной системы

8 - 12

Спальни на 3 - 4 чел.

Повседневное обучение детей происходит в классах игровых; специальное обучение происходит в мастерских, кабинетах

Питание детей происходит в столовых, предусматриваемых общими или на учреждение, или на каждые 2 - 4 группы

Во всех типах домов - интернатов для обучаемых детей школьного возраста

По типу жилой квартиры

5 - 8

Спальни на 2 - 3 чел.

В одновозрастных "семьях" повседневное обучение происходит в учебных комнатах, специальное обучение происходит в мастерских, кабинетах; в разновозрастных "семьях»  -в школьных помещениях, размещаемых в едином блоке

Питание происходит в общей комнате семейной квартиры. Допускается организация питания, когда частично оно обеспечивается в общей столовой (завтрак или обед), а частично в общей комнате "семейного" блока (ужин или обед)

Во всех типах домов - интернатов для обучаемых детей

В целях противопожарной безопасности из каждой жилой группы должно быть предусмотрено не менее двух эвакуационных выходов. В зданиях не выше трех этажей второй эвакуационный выход может быть предусмотрен через наружную лестницу (или пандус).

5.7. Входы в помещения жилых групп всех типов, в том числе и "семейных", должны организовываться через раздевальные.

В случае, если входы в группы жилых помещений предусматриваются через общий вестибюль, раздевальные должны быть предусмотрены при нем. Они располагаются в открытых помещениях, выделенных оборудованием. Допускается предусматривать общие раздевальные на 2 - 4 группы.

В составе оборудования раздевальных необходимо предусматривать сушильные шкафы для одежды и обуви детей с подогревом и вытяжкой, а также секционные шкафы для хранения детской одежды и обуви.

5.8. Наружные входы в помещения жилых групп детей - дошкольников проектируются в соответствии с нормативными требованиями к дошкольным учреждениям (по пособию к нормам "Общественные здания и сооружения").

5.9. Санитарные узлы в жилых группах, проектируемых по принципу детского сада, размещаются в туалетной комнате, смежной с групповой.

Санитарные узлы в жилых группах при коридорной системе могут предусматриваться или при каждой спальной комнате, или общими в коридоре. Выбор варианта определяется заданием на проектирование.

В группах, комплектуемых по "семейному" принципу, санитарные узлы предусматриваются общими на квартиру. Размещение, состав помещений и санитарного оборудования санитарных узлов в различных типах жилых помещений следует принимать в соответствии с таблицей 5.2.

Таблица  5.2.

Размещение санитарных узлов, состав помещений и оборудования

Тип помещений проживания

Вместимость

Расположение санитарного узла

Тип санитарного узла

Состав санитарного оборудования

1

2

3

4

5

6

1.

Жилая группа помещений по типу детского сада

6 - 8

Располагаются в составе помещений групповой ячейки

Общая туалетная

1. Для детей ясельного возраста до 1 - 1,5 лет

2. Для дошкольников старше 1 -1,5 лет и детей младшего школьного возраста

Один унитаз, один слив для мойки горшков, ванна для мойки клеенок, два умывальника, одна детская ванна с душем.

Два унитаза в кабинках, огороженных экранами, один душевой рожок с поддоном, три умывальника две ногомойки.

2.

Жилая группа помещений по типу коридорной системы

8 - 12

1.Санитарные узлы для мальчиков и девочек, общие на 2 - 4 группы, располагаются в коридоре.

2. Санитарный узел размещается при каждой спальне на 3 - 4 места

1. Уборные для мальчиков и девочек

2. Кабина личной гигиены для девонек

3. Умывальные для мальчиков и девочек

4. Душевые кабины с раздевальными

Совмещенный санитарный узел

На каждые 15 - 20 мест: по два унитаза для мальчиков и для девочек, писсуар в уборной для мальчиков.

Умывальник, биде.

По три умывальника, по две ногомойки.

2 - 3 душевые кабины по одному рожку.

Душ, унитаз, умывальник

3.

Жилая группа помещений по типу квартиры

5 - 8

Санитарные узлы в составе каждой квартиры

1. Уборная с умывальником

2. Туалетная

Унитаз, умывальник.

Унитаз, умывальник, душ или ванна.

Примечания:

1. В групповых ячейках для не обучаемых детей в состав санитарного оборудования туалетной входят унитаз, биде, слив, душ, два умывальника. Кроме того, в состав оборудования должны входить стеллаж для горшков и суден, ванна для дезобработки клеенок, сушилка для клеенок; все оборудование должно размещаться в общем помещении без кабин и экранов.

2. Все помещения санитарных узлов должны иметь в полу трапы для спуска воды.

3. В умывальных, туалетных, в совмещенных санитарных узлах следует предусмотреть сушилки.

4. Планировка и оборудование санитарных узлов (за исключением ясельных групп) должны предусматривать возможность пользования инвалидами - колясочниками.

5.10. Спальные комнаты следует проектировать в расчете на проживание одного из детей инвалида - колясочника (за исключением спальных для детей ясельного возраста до 1 -- 1,5 лет).

5.11. Допускается принимать различные варианты организации питания: доставка пищи в бачках и термосах из кухни в жилые помещения детских групп или организация питания в общей столовой (см. табл. 5.1.). Выбор варианта уточняется заданием на проектирование.

Для не обучаемых детей питание организуется, как правило, в спальных комнатах.

*5.12. Повседневные учебные занятия детей школьного возраста должны, как правило, происходить в игровых, классах игровых или учебных комнатах, предусматриваемых в составе помещений проживания (см. табл. 5.3. 5.4.); для детей разновозрастных в блоке учебных помещений. Для этого предусматриваются: учебно-игровые комнаты из расчета 3,6 кв. м на 1 ребенка для дошкольников и младших школьников и классы из расчета 4,2 кв. м на 1 место для средних и старших школьников. При этом число мест в классах для умственно отсталых детей допускается предусматривать из расчета на одновременное размещение 50% обучаемых детей.

5.13. Площадь жилых помещений, проектируемых по типу дошкольных учреждений, следует принимать не менее указанных в табл. 5.3., а проектируемых по типу коридорной системы или квартирному типу - табл. 5.4.

Таблица 5.3.

Площади помещений проживания, проектируемых по типу дошкольных учреждений

№№

п.п.

Наименование помещений

Площадь помещений в кв. м для детей

до 1-1,5 лет

свыше 1-1,5 лет

на 1 место

всего

на 1 место

всего

1

2

3

4

5

6

1

2

3

4.

5.

6

7

8.

Раздевальная

Групповая

Спальная

Туалетная

Буфетная

Кладовая

Санитарный узел персонала с умывальником в шлюзе

Комната хранения уборочного инвентаря

-

6

6

-

-

-

-

-

10-12

-

-

12-14

5-6

6-8

3

4

-

3,6

3,6

-

-

-

-

-

14-16

-

-

16

5-6

6-8

3

4

Примечание.

В группах для не обучаемых детей раздевальная и групповая не предусматриваются, а площадь спален принимается из расчета 6 - 8 кв. м на одного ребенка.

Таблица  5.4.

Площади помещений проживания, проектируемых по типу коридорной системы или квартиры

п.п.

 

Наименование  помещений

Площадь помещений, кв. м

Примечания

 

при коридорной системе

в семейных квартирах

на 1 место

всего

на 1 место

всего

1

2

3

4

5

6

7

1.

Спальные комнаты на 3 - 4 места

6

-

-

-

 

2.

Спальные комнаты на 2 - 4 места

-

-

6-7

-

 

3.

Класс - игровая

4.2

-

-

-

 

4.

Учебная комната, комната приготовления уроков

-

-

4.2

-

 

5.

Инвентарная

-

6-8

-

6-8

 

6.

Общая комната, столовая, игровая

-

-

-

25

Предусмотреть возможность просмотра телевизора

7.

Столовая

2,3

-

-

-

Общая на 2 - 3 группы

8.

Кухня или буфетная

-

12

-

8

 

9.

Санитарные узлы:

а) при каждой спальной комнате

б) общие на группу: уборная с умывальником

умывальная с ногомойками,,

душевые с раздевальными,

кабина личной гигиены для девочек,

туалетная

-

-

-

-

-

6

8´2

10´2

8´2

5

-

 

3

-

-

-

6

При коридорной системе предусматриваются общими на 2 - 4 группы

то же

то же

то же

то же

10.

Санитарный узел персонала с умывальником в шлюзе

-

3

-

-

Может быть предусмотрен общим на 2-4 группы

11.

Комната хранения уборочного инвентаря

-

4

-

4

Оборудуется сливом, умывальником

12.

Комната воспитателей

-

12

-

16

 

13.

Раздевальная с сушильным шкафом

1,4

-

-

10-12

При коридорной системе предусматривается общей на 2-4 группы

14.

Бытовая комната

-

6-8

-

4

то же

15.

Кладовая чистого белья

-

6-8

-

3-4

то же

5.14. Кроме помещений, указанных в табл. 5.3. и 5.4., необходимо предусматривать кабинеты заведующих секциями и отделениями - один кабинет 12 - 14 кв. м на 2 - 4 группы.

5.15. Во всех классах, в том числе и классах игровых, следует предусматривать зону психологической разгрузки из расчета 15 - 20% от общей площади класса, в которой следует располагать кушетку, кресло, шведскую стенку.

5.16. Планировка и оборудование классов, классов игровых, учебных комнат, кабинетов учебной подготовки, учебно - производственных мастерских должны быть рассчитаны на детей, передвигающихся на колясках, из расчета 1 место для инвалида - колясочника на каждые 6 - 8 мест.

5.17. При помещениях классов, располагаемых в едином блоке помещений учебной и профессиональной подготовки, следует предусматривать рекреационные помещения из расчета 1,2 - 1,4 кв. м на одно место в классе.

5.18. Кабинеты для занятий физикой, химией, классы обучения машинописи следует предусматривать только для детей среднего и старшего школьного возраста с нормальным интеллектом из расчета 4,5 - 5 кв. м на одно место; при кабинетах следует размешать лаборантские или кладовые площадью 18 кв. м.

Примечание:

Кабинеты физики и химии в учреждениях малой вместимости могут быть совмещены в одном помещении.

5.19. Во всех типах учреждений для обучаемых детей и детей с нормальным интеллектом школьного возраста необходимо предусматривать:

-кабинет социально - бытовой адаптации, служащий также для приема гостей, площадью 60 - 70 кв. м с кладовой 18 кв. м;

-класс биологии - живой уголок 60 - 70 кв. м с лаборантской 18 кв. м;

-компьютерный класс 50 - 60 кв. м с кладовой 18 кв. м;

-комнату музыкальных занятий 36 - 54 кв. м с кладовой инструментов 18 кв. м;

-класс рисования 50 - 54 кв. м с кладовой 18 кв. м;

-библиотеку с книгохранилищем и читальным залом: 120 кв. м в учреждениях для детей с нормальным интеллектом и 60 кв. м для детей с недостатками умственного развития;

-кабинет заведующего учебной частью 16 - 18 кв. м;

-учительскую комнату 30 - 40 кв. м, которую можно совмещать с комнатой мастеров.

5.20. В домах - интернатах для детей с недостатками умственного развития рекомендуется предусматривать учебно - производственные мастерские площадью из расчета на 1 место:

-в швейной, электромонтажной, обувной, мастерской ручных ремесел, механической сборки, ремонта аппаратуры и бытовой техники - 4 - 4,5 кв. м;

-картонажно-переплетной, столярной, ткацкой, токарно-фрезерной, гончарной - 5 - 6 кв. м.

При учебно - производственных помещениях следует предусматривать кладовые для хранения материалов и готовых изделий.

Число мест в помещениях учебно - производственных мастерских следует принимать 6 - 8. Специализацию мастерских и их количество следует определять заданием на проектирование в зависимости от конкретных условий - вместимости учреждения, местных традиций, наличия специалистов, возможностей дальнейшего трудоустройства и т.п.

5.21. В домах - интернатах рекомендуется предусматривать специальный класс для подготовки медицинского и воспитательного персонала площадью 36 кв. м с кладовой учебных пособий, а также методический кабинет площадью 24 - 36 кв. м.

5.22. В составе учреждений необходимо предусматривать бассейны и физкультурно-спортивные залы. В домах для дошкольников:

-физкультурный зал 100 - 120 кв. м;

-бассейн с ванной 3 ´ 7 м, глубиной от 0,6 до 0,8 м.

В домах - интернатах:

-спортивный зал 12 ´ 24 м;

-бассейн с ванной 5 ´ 10 м или 6 ´ 12,5 м, глубиной от 0,8 до 1,1 м.

Примечания

1. Физкультурно-спортивные залы должны быть оборудованы в расчете на возможность использования для занятий лечебной физкультурой.

2. В домах для дошкольников физкультурный зал используется также для проведения музыкальных занятий. В домах для дошкольников вместимостью свыше 150 мест залы для физкультурных и музыкальных занятий предусматриваются раздельными.

3. В соответствии с заданием на проектирование допускается проектировать бассейны с большими размерами ванн и залы большей площади.

5.23. В домах - интернатах следует проектировать:

 -зрительные залы на 120% (учитывая персонал и гостей) обучаемых детей школьного возраста: не менее 1,8 кв. м на одно место в зале в домах - интернатах для детей с недостатками физического развития и 1,2 кв. м - для умственно отсталых детей. При этом в зале должны быть предусмотрены места для инвалидов - колясочников из расчета 10 - 15% в домах - интернатах для детей с недостатками физического развития и 5 - 10%

- для детей с недостатками умственного развития.

В состав комплекса помещений зрительного зала должны входить: эстрада площадью не менее 54 кв. м, кинопроекционная с перемоточной и радиоузлом (по заданию), фойе (используемое как выставочный зал, зал для танцев и игр) из расчета не менее 1,2 кв. м на 1 место в зале, помещение для артистов с санитарным узлом (30 - 35 кв. м), помещение пожарного поста (10 - 12 кв. м), фильмовидеотека (16 - 18 кв. м), кладовая мебели и реквизита (10 - 20 кв. м).

- кружковые помещения (кукольного театра, лепки, танцевальный класс с санузлом) с кладовыми для хранения материала и готовых изделий.

Примечание:

В домах - интернатах вместимостью свыше 200 мест одновременную вместимость зрительного зала допускается рассчитывать на 60% детей (обучаемых).

5.24. В домах - интернатах допускается предусматривать игровые автоматы, размещаемые или в вестибюле или в специальном зале.

5.25. В учреждениях для детей с недостатками физического развития рекомендуется предусматривать блок бани сухого жара (сауну) с подсобными помещениями. При проектировании помещений данного типа необходимо руководствоваться требованиями СНиП "Общественные здания и сооружения".

5.26. Состав медицинских помещений следует предусматривать в каждом конкретном случае согласно заданию на проектирование.

5.27. В домах - интернатах всех типов необходимо предусматривать кабинет логопеда площадью 18 - 20 кв. м: для детей с недостатками умственного развития - один кабинет на учреждение; для детей с недостатками физического развития - один кабинет на 20 - 25 мест.

5.28. Ориентировочное число мест в процедурных кабинетах следует принимать согласно данным таблицы 5.5.

Таблица 5.5.

Расчет числа мест в процедурных кабинетах различных типов

№ п.п.

Вид процедуры

Расчетное число детей в учреждениях на одно процедурное место

для умственно отсталых детей

для детей с нарушением опорно-двигательного аппарата

1.

2.

3.

4.

5.

6.

7.

8.

Электролечение

Светолечение

Водолечение

Подводный массаж

Ингаляторий

Теплолечение

Массаж:

-в отдельном кабинете

-в общем зале

Электросон

-

60 - 75

30 - 40

-

20  - 30

-

80 - 100

60 - 75

75 - 100

25 - 30

60 - 75

30 - 40

75 - 100

20 - 30

50 - 60

20 - 25

10 - 15

75 - 100

5.29. Площадь кабинетов следует принимать из расчета на одно процедурное место: в ингаляториях - 4 - 5 кв. м, в кабинетах подводного массажа - 18 - 20 кв. м, индивидуального массажа - 16 - 18 кв. м, в кабинетах остальных типов - 7 - 8 кв. м на одну ванну или кушетку.

*5.30. В состав медицинских помещений домов - интернатов всех типов должны входить кабинеты: педиатра - 15 - 16 кв. м, консультативного приема с темной комнатой (для возможности работы офтальмолога) – 20+8 кв. м, стоматолога - 16 - 18 кв. м, психоневропатолога - 14 - 16 кв. м, старшей медицинской сестры - 14 - 16 кв. м, помещения стерилизационной автоклавной, аптечная комната. В состав домов - интернатов для детей школьного возраста следует включать дополнительно кабинет гидропатии - 28 - 30 кв. м с раздевальной - 14 - 16 кв. м.

В состав домов - интернатов для детей школьного возраста с недостатками физического развития следует включать кабинеты механотерапии 28 - 54 кв. м и психологической

разгрузки 18 - 24 кв. м.

*5.31. Производственные помещения кухни во всех типах домов - интернатов следует рассчитывать на работу на сырье: кроме питания детей, помещения кухни должны обеспечивать питание персонала. Для всех типов учреждений питание детей организуется в одну смену.

5.32. В случае, если питание детей предусматривается в общей столовой при помещениях кухни, площадь обеденного зала принимается из расчета не менее 2,3 кв. м на одно место (10 - 15% мест для инвалидов - колясочников). При зале предусматривается раздаточная - 18 - 24 кв. м умывальная из расчета 3 кв. м (1 умывальник) на каждые 18 - 20 мест, сервизная - хлеборезка - 6 - 8 кв. м, а также моечная столовой посуды - 16 - 18 кв. м при ручной мойке и не менее 30 кв. м в расчете на механизированную мойку.

5.33. Для питания персонала необходимо предусматривать специальный обеденный зал самообслуживания из расчета не менее 1,8 кв. м на 1 место, либо располагаемый вблизи от входа в помещения кухни или администрации, либо имеющий отдельный вход с участка. Вместимость обеденного зала персонала следует рассчитывать исходя из конкретных условий (общего числа персонала, числа питающихся, продолжительности обеденного времени, пропускной способности места).

5.34. Для обслуживания изолятора при помещениях кухни следует предусматривать специальную раздаточную площадью 16 - 20 кв. м. Раздаточная должна иметь удобный доступ к внутренним коммуникационным связям (коридорам, лестницам, пандусам, лифтам), а также выход на участок.

*5.35. Изолятор следует проектировать вместимостью из расчета 4 - 5% от числа мест для детей школьного возраста и 6 - 8 % от числа мест для детей дошкольного возраста. Он должен включать мельцеровские боксы и служить одновременно приемным и карантинным отделением. При этом любой из мельцеровских боксов, представляющих собой одно - двух местные палаты с полным санитарным узлом (унитаз, умывальник, ванна) и выходом на участок через тамбур, может служить приемно-смотровым боксом.

*5.36. Мельцеровские боксы должны соединяться с помещениями изолятора, через переходные тамбур - шлюзы. Между боксами и коридором следует предусматривать глухое (не открывающееся) окно, которое служит для наблюдения персонала за детьми.

5.37. В случае, когда изолятор размещается в отдельном блоке, он может быть или полностью изолирован, или связан через специальный тамбур - шлюз с остальными помещениями, кроме спальных. В тамбуре - шлюзе следует размещать умывальник и вешалку для смены халатов.

Изоляторы свыше 10 мест рекомендуется размещать в отдельно стоящем корпусе.

*5.38. Помещения изолятора должны быть разделены на зоны, в каждую из которых должен быть предусмотрен отдельный вход. Зоны необходимо соединять друг с другом через переходные тамбуры - шлюзы. Центрально по отношению к помещениям изолятора следует располагать нейтральную зону, в которой размещаются комнаты персонала, процедурная, буфетная, а в изоляторах свыше 8 мест, кроме того - кабинет врача, выписная, помещение хранения аппаратуры (для физиотерапевтических процедур).

*5.39. Не менее 30% мест общей вместимости изолятора должны составлять мельцеровские боксы.

Допускается проектировать изоляторы, состоящие только из мельцеровских боксов. В этом случае ванную, горшечную, выписную комнату в составе помещений изолятора  предусматривать не следует.

*5.40. В палатах изолятора на 2 места койки должны быть отделены друг от друга стеклянными перегородками или экранами. В палатах изолятора следует предусматривать умывальники с подводкой горячей и холодной воды.

*5.41. При наружных входах в мельцеровские боксы следует предусматривать пандусы с уклоном не более 1:8.

*5.42. Площадь помещений изолятора следует принимать не менее показателей, приведенных в таблице 5.6.

Таблица 5.6.

Состав и площади помещений изолятора

№№ пп

Наименование помещений

Площадь помещений,

кв. м

Примечания

в изоляторе до 10 мест

в изоляторе свыше 10 мест

1

2

3

4

5

1.

Мельцеровский бокс на 1 место

24

24

Число боксов и палат определяется расчетом

2.

Мельцеровский бокс на 2 места

30

30

 

3.

Палата на 1 койку со шлюзом и санитарным узлом

14

14

то же

4.

Палата на 2 койки

18

18

то же

5.

Ванная с душем

6

6

С унитазом в кабине

6.

Горшечная

6

8

 

7.

Санитарная комната

6

8

 

8.

Процедурная

18

18

 

9.

Кабинет врача, медицинской сестры

12

14

 

10

Комната персонала с раздевальной и душем

8

10

 

11.

Буфетная

6

10

 

12.

Комната хранения переносной аппаратуры

 -

12

 

13.

Инвентарная

8

12

 

14.

Уборная с умывальником в шлюзе

3

3

 

15.

Выписная

 -

6

 

*5.43. Ориентацию окон помещений следует принимать согласно таблице 5.7.

Таблица 5.7.

Наименование помещений

Ориентация

оптимальная

допустимая

Спальни

Групповые

Классные

Учебно - игровые комнаты

Палаты изолятора
Мельцеровские боксы

Кухня

Ю, ЮВ

Ю, ЮВ, В

Ю, ЮВ

С, СВ

В

ЮЗ, З

В

любая, кроме западной

5.44. Освещение вторым светом допускается в помещениях туалетной и раздевальной детских групп, комнатах персонала, горшечной, ванной, санитарной комнате, выписной и буфетной изолятора, моечной кухонной посуды. Допускается не предусматривать естественного освещения в буфетных, кладовых, инвентарных, уборных и душевых персонала, уборных и душевых при бассейне и спортзале, комнате хранения переносной аппаратуры изолятора, санитарных узлах при спальных комнатах и в составе семейных квартир.

5.45. В помещениях, рассчитанных на инвалидов - колясочников ширину дверей принимать не менее 1 м; ширину коридоров принимать при расчете на двухстороннее движение - не менее 1,8 м, при расчете на одностороннее движение - не менее 1,3 м.

5.46. На путях эвакуации из здания должно быть предусмотрено аварийное освещение.

5.47. В зданиях домов - интернатов должна быть предусмотрена автоматическая пожарная сигнализация. Перечень помещений, в которых необходимо предусматривать автоматическую пожарную сигнализацию, определяется заданием на проектирование.

5.48. При загородном размещении домов - интернатов необходимо предусматривать отапливаемое помещение площадью 8 - 10 кв. м. для хранения мотопомпы и тобогтана.

5.49. Хозяйственные сооружения - котельная, дезкамера, гараж, прачечная (или постирочная), ремонтные мастерские, склады, холодильники, тепличные хозяйства и прочее - проектируются в зависимости от местных условий в соответствии с заданием на проектирование. Их мощность, состав и площадь помещений определяются техническими расчетами и требованиями специальных нормативов.

5.50. При разработке программ и заданий на проектирование домов - интернатов для определения состава и площади помещений рекомендуется пользоваться справочными приложениями 1 - 6.

5.51. При проектировании помещений домов - интернатов рекомендуется пользоваться габаритными схемами, приведенными в приложении 7.

ПРИЛОЖЕНИЕ 1

(справочное)

ОРИЕНТИРОВОЧНЫЕ СОСТАВ И ПЛОЩАДИ ПОМЕЩЕНИЙ ОБСЛУЖИВАНИЯ В ДЕТСКИХ ДОМАХ НА 100 - 150 МЕСТ ДЛЯ ДОШКОЛЬНИКОВ С НЕДОСТАТКАМИ УМСТВЕННОГО И ФИЗИЧЕСКОГО РАЗВИТИЯ

№№ пп

Наименование помещений

Площадь помещений, кв.

Примечания

1

2

3

4

Помещения культурно - массового обслуживания

1.

Зал гимнастических

и музыкальных занятий

100

Используется также как зал ЛФК смежно с залом гимнастических и музыкальных занятий

2.

Кладовая спортивных принадлежностей

10

 

3.

Бассейн с ванной 3 ´ 7 м

60

 

4.

Инвентарная

10

 

5.

Раздевальные для мальчиков и девочек

14 ´ 2

В раздевальной для девочек предусмотреть установку для сушки волос

6.

Душевые при раздевальных, включая ножную ванну

4 ´ 2

По две душевых сетки и одной ножной ванне на каждую душевую

7.

Уборные при раздевальных с умывальником в шлюзе

4 ´ 2

 

8.

Комната методиста с санитарным узлом

10 + 4

В состав санитарного узла входят унитаз, душ, умывальник

9.

Комната медсестры

10

Должны располагаться смежно и иметь выход на обходную дорожку

10.

Лаборатория анализа воды

8

11.

Узел управления

6

Помещения медицинского обслуживания

12

Кабинет врача

12

 

13

Кабинет медицинской сестры

10

 

14

Процедурная

14

 

15

Кабинет логопеда

12

 

16

Кабинет консультативного приема с темной комнатой

18+6

 

17

Зубоврачебный кабинет

15

 

18

Аптека

8+4

 

19

Кабинет электросветолечения

18

 

20

Кабинет водолечения

18

 

21

Ингаляторий

16

 

22

Подсобная комната

8

 

23

Кабинет оксигенотерапии

10

 

24

Кабинет массажа

24

По 5 - 6 м2 на 1 стол

25

Стерилизационная-автоклавная

8

 

26

Санитарный узел с умывальником в шлюзе

4

 

27

Санитарная комната

5

 

Помещения административно - бытового обслуживания

28

Вестибюль с гардеробом для посетителей

54

Используется как помещение для собраний персонала

29

Кабинет заведующего

16

 

30

Кабинет заместителя заведующего по медицинской части

12

Может располагаться в составе помещений медицинского обслуживания

31

Кабинет завхоза

10

 

32

Канцелярия и бухгалтерия

16

 

33

Библиотека персонала, методический кабинет

18

 

34

Комната персонала

10

 

35

Душевая при комнате персонала с уборной

6

В состав санитарного оборудования должно входить бидэ

36

Хозяйственная кладовая, инвентарная

10+10

 

37

Кладовые чистого и грязного белья

8+6

 

38

Комната кастелянши

10

 

39

Постирочная

8+18+6

 

40

Туалетные персонала с умывальником в шлюзе

3

Предусматривается в случае, если в составе помещений хозяйственного обслуживания прачечная не предусматривается

41

Помещение хранении колясок

 

Располагаются при вестибюле

Помещения кухни

42

Горячий цех

30

 

43

Заготовочные:

-рыбы и мяса

-овощей

10

 

44

Помещение первичной обработки овощей

8

 

45

Холодный цех

6

 

46

Моечная кухонной посуды

8

 

47

Охлаждаемые камеры:

-продуктов

-отходов

12

Не менее двух камер с выходом наружу

48

Кладовая сухих продуктов

4

 

49

Кладовая суточного запаса

6

 

50

Кладовая овощей

8

 

51

Загрузочная

12

 

52

Кладовая и моечная тары

10

 

53

Комната персонала с душевой и санузлом

12

 

54

Раздаточная

12

 

55

Столовая персонала с буфетной

24

С отдельным входом с участка

Примечания:

1. Требования к проектированию бассейна принимать в соответствии с Пособием "Дошкольные учреждения" к СНиП 2.08.02 - 89.

2. Для доставки пищи в изолятор в раздаточную возможно предусматривать дополнительный вход с участка.

ПРИЛОЖЕНИЕ 2

(справочное)

ОРИЕНТИРОВОЧНЫЕ СОСТАВ И ПЛОЩАДИ ПОМЕЩЕНИЙ УЧЕБНОЙ И ПРОФЕССИОНАЛЬНОЙ ПОДГОТОВКИ

№№

пп 

Наименование помещений

 

Площадь помещений, кв. м

примечание 

на 1 место

общая

1

2

3

4

5

1

Учебно - игровые комнаты для школьников и младших школьников на 8 -10 мест:

 -для умственно отсталых детей

 -для детей с недостатками физического развития

3,6

 

4,0

 

Для разновозрастных групп "семейного" проживания

2

Классы на 8 - 12 детей

4,2

 

В домах - интернатах для детей с недостатками умственного развития допускается принимать из расчета на 50% детей

3

Рекреационные помещения

1,2 - 1,4

 

то же

4

Кабинет для занятий физикой с лаборантской

 

54+18

Для средних и старших школьников с недостатками физического развития

5

Кабинет для занятий химией с лаборантской

 

54+18

то же

6

Класс машинописи с подсобным помещением

 

54+18

то же

7

Класс рисования - изостудия с кладовой

 

54+18

Для средних и старших школьников для домов - интернатов всех типов (для обучаемых детей)

8

Компьютерный класс с подсобным помещением

 

54+18

то же

9

Класс биологии - живой уголок с лаборантской

 

72+18

то же

10

Комната музыкальных занятий с кладовой инструментов

 

54+18

то же

11

Кинофотолаборатория с помещением для обработки пленки

 

21+10

Для средних и старших школьников для домов - интернатов всех типов (для обучаемых детей)

12

Кабинет социально - бытовой адаптации, помещение для приема гостей  

 

72+10

то же

13

Библиотека с книгохранилищем и читальным залом:

 -для детей с недостатками физического развития

-для детей с недостатками умственного развития

 

120

60

то же

14

Методический кабинет

 

36

то же

15

Кабинет заведующего учебной частью

 

18

 

16

Комната учителей, мастеров

 

 

 

17

Кладовая мебели, инвентаря

 

 

 

18

Санитарные узлы для мальчиков и девочек

 

 

Распределить поэтажно

19

Учебно - производственные мастерские с инвентарными и подсобными помещениями:

-швейная

 -картонажно - переплетная

 -столярная

 -ткацкая

 -механической сборки

 -электромонтажная

 -токарно - фрезерная

 -гончарная

 -обувная

 -ручных ремесел (вязания, лозоплетения и пр.)

 -ремонта аппаратуры и бытовой техники

 

36+12+10

72+18+10

54+18+10

54+18+10

36+18

36+18

72+18

54+18+10

36+12+10

36+12+10

36+18+10

 

 

Для средних и старших школьников с недостатками умственною развития

20

Класс подготовки младшего медицинского персонала с кладовой учебных пособий

 

36+10

Для средних и старших школьников с недостатками умственною развития

ПРИЛОЖЕНИЕ 3

(справочное)

ОРИЕНТИРОВОЧНЫЕ СОСТАВ И ПЛОЩАДИ ПОМЕЩЕНИЙ КУЛЬТУРНО - МАССОВОГО ОБСЛУЖИВАНИЯ

№№

пп

 

Наименование помещений

 

Площадь помещений, кв. м

Примечания 

на 1 место

общая

1

2

3

4

5

1.

Зрительный зал:

 -для умственно отсталых детей

 -для детей с недостатками физического развития

1,2

 

1,8

 

Во всех типах домов - интернатов на 120% обучаемых детей школьного возраста

2.

Эстрада при зале

 

54

 

3.

Кинопроекционная с перемоточной и радиоузлом

 

27

 

4.

Фойе

1,0 на 1 место в зрительном зале

 

Используется как выставочный зал, зал для танцев и игры в настольный теннис

5.

Помещения для артистов

 

15´2

 

6

Санитарный узел с умывальником в шлюзе

 

3

 

7

Радиоузел

 

12

 

8

Фильмовидеотека

 

18

 

9

Помещение пожарного поста

 

10

 

10ю

Студия кабельного телевидения

 

18

 

11.

Кладовая мебели и реквизита

 

24

 

12.

Кладовая аппаратуры

 

8

 

13.

Музей

 

54

 

14.

Комната художника

 

12

 

15.

Кружковые помещения:

 -кружок кукольного театра с подсобным помещением

 -танцевальный класс с помещением для переодевания и санитарным узлом

 -кружок лепки с кладовыми инвентаря и готовых изделий

 

 

54+18

 

72+18+3

 

36+8+10

 

16.

Зал игровых автоматов с подсобным помещением

 

54+12

 

17.

Инвентарные

 

36

 

18.

Санитарные узлы с умывальниками в шлюзе

 

18´2

 

19.

Уборные персонала

 

3´2

 

20.

Кабины личной гигиены

 

4´2

Разместить при женских уборных

21.

Спортивный зал 12´24 м

 

288

Используется также для занятий ЛФК

22.

Хранение спортивного инвентаря

 

16

 

23.

Раздевальные для девочек и мальчиков с душевыми и санитарными узлами:

 -для умственно отсталых

 -для детей с недостатками физического развития

 

36´2

 

42´2

По два душевых рожка и одному унитазу на каждую раздевальную

то же

24.

Комната инструктора - методиста

 

12

 

25.

Лечебно - оздоровительный бассейн с ванной 5´10 м

 

160

На 10 - 12 детей из расчета 4 - 5 на место

26.

Комната методиста с санитарным узлом

 

10+4

В состав санитарного узла входят унитаз, душ, умывальник

27.

Раздевальная с душевой и санитарным узлом

 

36

 

28.

Помещения уборочного инвентаря

 

6

 

29.

Узел управления

 

6

Должны располагаться смежно и иметь выход на обходную дорожку

30

Лаборатория анализа воды

 

8

 

31

Комната медсестры

 

10

 

32

Кладовая спортивного инвентаря

 

8

 

33

Блок бани сухого жара:

- камера сухого жара

- предбанник с душем

- уборная с умывальником в шлюзе

- раздевальная

- комната отдыха

- кладовая инвентаря

 

10

3

 

12

12

4

Предусматривается только в учреждениях для детей с недостатками физического развития, может располагаться в составе помещений медицинского обслуживания

ПРИЛОЖЕНИЕ 4

(справочное)

ОРИЕНТИРОВОЧНЫЕ СОСТАВ И ПЛОЩАДИ ПОМЕЩЕНИЙ МЕДИЦИНСКОГО ОБСЛУЖИВАНИЯ

№№

п.п.

Наименование

помещений

Площадь помещений, кв. м

Примечания

для умственно отсталых детей

для детей с недостатками физического развития

вместимость до 150

мест

вместимость свыше

150 мест

вместимость до

150 мест

вместимость свыше

150 мест

1

2

3

4

5

6

7

1.

Кабинет заместителя директора по медицинской работе

18

18

18

18

 

2.

Кабинет педиатра

15

15

15

15

 

3.

Кабинет консультативного приема с темной комнатой

20+8

20+8

20+8

20+8

 

4.

Кабинет старшей медицинской сестры

12

12

12

12

 

5.

Процедурная

18

18

18

18

 

6.

Аптечная комната

8+4

10+6

8+4

10+6

 

7.

Стерилизационно - автоклавная с помещением хранения и выдачи стерильных материалов

12+6

12+6

12+6

12+6

 

8.

Стоматологический кабинет

16

16

16

16

 

9.

Кабинет психоневролога

15

15

15

15

 

10.

Кабинет логопеда

18

18

один кабинет 18 кв. м на 20 - 25 мест

11.

Кабинет ЛФК

24

36

24

36

 

12.

Кабинет индивидуального массажа и занятий ЛФК

18

18х2

18х4

18х8

 

13.

Ингаляторий со стерилизационной

24

30

24

30

 

14.

Кабинет гидропатии

28

28

28

28

 

15.

Раздевальная

14

14

14

14

 

16.

Водолечение:

-ванный зал

-раздевальная

-кабинет подводного массажа

28

14

-

54

18

-

28

14

18

54

18

18х2

По 7 - 8 кв. м на 1 ванну в открытом помещении. Одна ванна должна быть приспособлена для обслуживания

детей - опорников

17.

Кабинет светолечения

12

16

12

16

 

18.

Кабинет электролечения

-

-

28

54

 

19.

Подсобная комната

-

-

10

12

 

20.

Аминозиновый кабинет с подсобным помещением

 

 

18+6

18+6

 

21.

Кабинет озокерито - парафино - лечения, горячих укутываний

-

-

16+6

22 - 8

 

22

Кабинет механотерапии

-

-

28

54

 

23

Кабинет электросна

18

28

18

28

 

24

Кабинет оксигенотерапии

14

20

14

20

 

25

Кабинет психологической разгрузки

-

-

18

24

 

26

Инвентарная

24

36

24

36

 

27

Комната персонала

12

12´2

12

12´2

 

28

Санитарные узлы для мальчиков и девочек с умывальниками в шлюзе

16´2

18´2

16´2

18´2

 

29

Комнаты хранения предметов уборки

4

4´4

4

4´4

 

30

Санузлы персонала с умывальниками в шлюзе

3

3´2

3

3´2

 

ПРИЛОЖЕНИЕ 5

(справочное)

ОРИЕНТИРОВОЧНЫЕ СОСТАВ И ПЛОЩАДИ ПОМЕЩЕНИЙ СТОЛОВОЙ И ПРОИЗВОДСТВЕННЫХ ПОМЕЩЕНИЙ КУХНИ

№№ п.п.

Наименование помещений

Площадь помещений, кв. м

Примечания

в учреждениях до 150 мест

в учреждениях свыше 150 мест

1

2

3

4

5

1.

Обеденный зал

2,4 кв. м на 1 место

Только в домах - интернатах для детей среднего и старшего возраста

2.

Умывальные

3 кв. м (1 умывальник) на каждые 18 - 20 мест

то же

3.

Раздаточная

18

24

то же

4.

Сервизная

6

8

то же

5.

Моечная столовой посуды

16 - 18

30 - 36

то же

6.

Горячий цех

54

70

 

7.

Хлеборезка, хранение хлеба

6

8

 

8.

Моечная кухонной посуды

8

10

 

9.

Холодный цех

10

14

 

10.

Цех мучных изделий

10

14

 

11.

Мясо - рыбный цех

18

24

 

12.

Овощной цех

15

18

 

13.

Комната заведующего производством

8

8

 

14.

Кладовая суточного запаса продуктов

8

10

 

15.

Кладовая сухих продуктов

10

14

 

16.

Охлаждаемые камеры:

 -продуктов

 -отходов

20

 

4

32

 

4

Не менее двух камер

 

С выходом наружу

17.

Помещение первичной обработки продуктов (овощей и птицы)

8+6

10+8

 

18.

Загрузочная, кладовая тары

14

18

 

19.

Кладовая белья:

 -чистого

 -грязного

 

6

4

 

8

6

 

20.

Кладовая и моечная тары

12

16

 

21.

Комната персонала с душевой и санитарным узлом

18

24

 

22.

Комната кладовщика

 -

6

 

23.

Кладовая овощей, солений

12+6

16+8

 

24.

Комната хранения предметов уборки

4

4

 

25.

Раздаточная

16

20

 

26.

Столовая персонала с подсобным помещением

16+6

18+8

С выходом на участок

ПРИЛОЖЕНИЕ 6

(справочное)

ОРИЕНТИРОВОЧНЫЕ СОСТАВ И ПЛОЩАДИ ПОМЕЩЕНИЙ АДМИНИСТРАТИВНО - БЫТОВОГО ОБСЛУЖИВАНИЯ

№№ пп

Наименование помещений

Площадь помещений, кв. м

Примечания

в домах - интернатах до 150 мест

в домах - интернатах свыше 150 мест

1

2

3

4

5

1.

Вестибюль с гардеробом для посетителей

74

90

 

2.

Санитарные узлы мужские и женские с умывальником в шлюзе

5´2

5´2

 

3.

Помещение дежурного

10

10

 

4.

Кабинет директора

18

24

 

5.

Канцелярия - приемная

12

14

 

6.

Кабинет заместителя директора по хозяйственной части

12

14

 

7.

Помещение дежурного персонала технического обслуживания

10

14

 

8.

Бухгалтерия с кассой

12+4

18+4

 

9.

Комната отдыха персонала

24

36

 

10.

Комната сестры - хозяйки с кладовой

10+6

12+8

 

11.

Кладовые грязного белья и чистого белья с починочной

10+12

12+8

 

12.

Помещение архива

8

12

Может располагаться в подвале

13.

АТС

18

24

то же

14.

Гардероб персонала с душевой и санитарным узлом

24

36

Может располагаться в подвале

15.

Кладовые, инвентарные

30

40

то же

16.

Помещение ремонта электроаппаратуры с подсобным помещением

12+4

14+6

то же

17.

Комната хранения предметов уборки

4´2

4´2

 

18.

Постирочная

8+18+6

8+22+8

В случае, если в составе помещений хозяйственного обслуживания прачечная не предусмотрена

19.

Дезкамера

-

по расчету

 

ПРИЛОЖЕНИЕ 7

(рекомендуемое)

ГАБАРИТНЫЕ СХЕМЫ ПОМЕЩЕНИЙ

Рис. 1. Планировочная схема спальной комнаты на 2 места. (Вариант при шаге 3,6 м). Экспликация оборудования: 1 - кровать 190´70, 2 - диван 200´75, 3 - тумбочка 40´80, 4 - тумбочка 40´40, 5 - стол 60´100, 6 - стул 40´40, 7 - кресло 50´50, 8 - торшер, 9 - банкетка, 10 - инвалидная коляска, 11 - комбинированный шкаф

Рис. 2. Планировочная схема спальной комнаты на 2 места (вариант при шаге 3,2 м). Экспликацию оборудования см. рис. 1

Рис. 3.  Планировочная схема спальной комнаты на 3 места (вариант 1). Экспликацию оборудования см. рис. 1

Рис. 4. Планировочная схема спальной комнаты на 3 места (вариант 2). Экспликацию оборудования см. рис. 1

Рис. 5. Планировочная схема спальной комнаты на 4 места. Экспликацию оборудования см. рис. 1

Рис. 6. Планировочные схемы санитарных узлов. Вариант 1 - уборная с умывальником. Вариант 2 - санитарный узел при спальной комнате, (а - вариант с душем, б - вариант с ванной). Экспликация оборудования: 1 - унитаз детский 30´50, 2 - унитаз для взрослых 40´60, 3 - умывальник детский 50´30, 4 - умывальник для взрослых 60´40, 5 - душевой поддон 80х80, 6 - поворотное кресло, 7 - ногомойка 40´60, 8 - банкетка 40´40, 9 - вешалка для полотенец, 10 - поручни - держатели, 11 - шкаф хозяйственный

Рис. 7. Планировочная схема санитарного узла для дошкольных групп (Вариант 1). Экспликация оборудования: 1 - унитаз детский 30´50, 2 - унитаз для взрослых 40´60, 3 - умывальник детский 50´30, 4 - умывальник для взрослых 60´40, 5 - душевой поддон 80´80, 6 - поворотное кресло, 7 - ногомойка  40´60, 8 - банкетка  40´40, 9 - вешалка для полотенец, 10 - поручни - держатели, 11 - шкаф хозяйственный

Рис. 8. Планировочная схема санитарного узла для дошкольных групп (вариант 2). Экспликацию оборудования см. рис. 7

Рис. 9.  Планировочные схемы класса на 10 чел. с зоной психологической разгрузки. Экспликация оборудования: 1 - стол ученический, 2 - стул ученический, 3 - стол учителя, 4 - стул учителя, 5 - стол ученический для инвалида - колясочника, 6 - инвалидная коляска, 7 - доска, 8 - шведская стенка, 9 - кресло, 10 - кинопроекционный аппарат, 11 - табурет, 12 - тумбочка, 13 - кушетка, 14 - экран, 15 - умывальник

2,25 м2/1 место

Рис. 10. Габаритная схема организации обеденного места в общей комнате при семейном проживании: вариант 1 - на 8 чел. Экспликация оборудования: 1 - стол, 2 - стул, 3 - инвалидная коляска

1,8 м2/1 место

Рис. 11. Схема организации обеденного места в общей комнате при семейном проживании. Вариант 1 на 8 чел. Экспликацию оборудования см. рис. 10

1,8 м2/1 место

Рис. 12. Схема организации обеденного места в общей комнате при семейном проживании. Вариант 2 на 6 чел. Экспликацию оборудования см. рис. 10

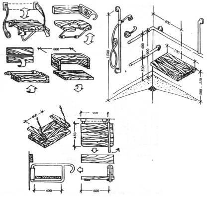
Рис. 13. Примеры оборудования санитарно - гигиенических помещений. Зарубежный опыт (Х.Ю. Калмет)

Рис. 14. Типы стационарных сидений в душевых. Зарубежный опыт (Х.Ю. Калмет)

 




ГОСТЫ, СТРОИТЕЛЬНЫЕ и ТЕХНИЧЕСКИЕ НОРМАТИВЫ.
Некоммерческая онлайн система, содержащая все Российские Госты, национальные Стандарты и нормативы.
В Системе содержится более 150000 файлов нормативно-технической документации, действующей на территории РФ.
Система предназначена для широкого круга инженерно-технических специалистов.

Рейтинг@Mail.ru Яндекс цитирования

Copyright © www.gostrf.com, 2008 - 2026