Крупнейшая бесплатная информационно-справочная система онлайн доступа к полному собранию технических нормативно-правовых актов РФ. Огромная база технических нормативов (более 150 тысяч документов) и полное собрание национальных стандартов, аутентичное официальной базе Госстандарта. GOSTRF.com - это более 1 Терабайта бесплатной технической информации для всех пользователей интернета. Все электронные копии представленных здесь документов могут распространяться без каких-либо ограничений. Поощряется распространение информации с этого сайта на любых других ресурсах. Каждый человек имеет право на неограниченный доступ к этим документам! Каждый человек имеет право на знание требований, изложенных в данных нормативно-правовых актах!

  


 

МИНИСТЕРСТВО ТРАНСПОРТА РОССИЙСКОЙ ФЕДЕРАЦИИ

ГОСУДАРСТВЕННАЯ СЛУЖБА ДОРОЖНОГО ХОЗЯЙСТВА
(РОСАВТОДОР)

ОТРАСЛЕВАЯ ДОРОЖНАЯ МЕТОДИКА

УТВЕРЖДЕНО

Распоряжением

Росавтодора

№ ОС-464-р от 20.05.2002 г.

 

ОЦЕНКА СВОЙСТВ АСФАЛЬТОБЕТОНА ПРИ
ДИНАМИЧЕСКОМ НАГРУЖЕНИИ.
МЕТОДЫ ИСПЫТАНИЙ

Москва 2002

МИНИСТЕРСТВО ТРАНСПОРТА РОССИЙСКОЙ ФЕДЕРАЦИИ

ГОСУДАРСТВЕННАЯ СЛУЖБА ДОРОЖНОГО ХОЗЯЙСТВА

(РОСАВТОДОР)

ОТРАСЛЕВАЯ ДОРОЖНАЯ МЕТОДИКА

УТВЕРЖДЕНО

Распоряжением

Росавтодора

№ ОС-464-р от 20.05.2002 г.

ОЦЕНКА СВОЙСТВ АСФАЛЬТОБЕТОНА ПРИ
ДИНАМИЧЕСКОМ НАГРУЖЕНИИ.
МЕТОДЫ ИСПЫТАНИЙ

Москва 2002

СОДЕРЖАНИЕ

 

Предисловие

1. РАЗРАБОТАНО Центром метрологии, испытаний и сертификации МАДИ (ГТУ) и специалистами ВИАМ Артамоновым Ю.В., Ханиным А.Г. при участии Рыбина А.А.

ВНЕСЕНО Управлением инноваций и технического нормирования в дорожном хозяйстве Государственной службы дорожного хозяйства Министерства транспорта Российской Федерации.

2. ПРИНЯТО И ВВЕДЕНО В ДЕЙСТВИЕ распоряжением Росавтодора от 20.05.2002 № ОС-464-р.

3. ВВЕДЕНО ВПЕРВЫЕ.

1. Область применения

Настоящий отраслевой дорожный методический документ (ОДМ) устанавливает методы определения механических характеристик асфальтобетона для дорожного строительства при ударном сжатии со скоростями относительной деформации образцов от 200 до 400 с-1.

2. Нормативные ссылки

В настоящем стандарте использованы ссылки на следующие стандарты:

ГОСТ 2789-73 Шероховатость поверхности. Параметры и характеристики.

ГОСТ 24104-88 Весы лабораторные общего назначения и образцовые. Общие технические условия.

ГОСТ 6616-74 Преобразователи термоэлектрические. Общие технические условия.

ГОСТ 9245-79 Потенциометры постоянного тока измерительные. Общие технические условия.

ГОСТ 12801-98 Материалы на основе органических вяжущих для дорожного и аэродромного строительства. Методы испытаний.

ГОСТ 14359-69 Пластмассы. Методы механических испытаний. Общие требования.

ГОСТ 12423-66 Пластмассы. Условия кондиционирования и испытания образцов (проб).

3. Обозначения и сокращения

В настоящем ОДМ применяются следующие сокращения:

АЦП - аналогово-цифровой преобразователь.

4. Оборудование для испытаний

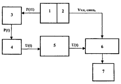
4.1 Испытания проводят на специальной лабораторной установке для ударного сжатия материалов, функциональная схема которой представлена на рис. 1. Установка должна состоять из нагружающего устройства, фотодатчика синхронизации, приспособления для сжатия образца и установленного в его основании датчика силы, коммутационно-усилительного блока и регистрирующей аппаратуры (аналогово-цифрового преобразователя и компьютера либо цифрового запоминающего осциллографа).

Примечание. Наличие аналогово-цифрового преобразователя и компьютера позволяет, в том числе, использовать программы автоматической обработки результатов испытаний, что исключает появление субъективных ошибок эксперимента.

Рис. 1. Функциональная схема установки
(условные обозначения приведены в п. 4.2):

1 - нагружающее устройство; 2 - датчик измерения скорости нагружения и синхронизации; 3 - образец с системой крепления; 4 - датчик силы; 5 - коммутационно - усилительный блок; 6 - аналогово-цифровой преобразователь (АЦП); 7 - компьютер

4.2. Нагружающее устройство должно обеспечивать при массе ударника от 0,5 до 1 кг получение скоростей удара в диапазоне от 2 до 8 м/с и иметь возможность фиксированной установки заданной скорости удара (не менее 5 фиксированных точек в диапазоне изменения скорости удара) от минимальных до максимальных значений.

Нагружающее устройство (1) прикладывает к образцу исследуемого материала (3) возбуждающее силовое воздействие в виде импульса силы P(t1). Датчик силы (4) регистрирует функцию отклика образца на приложенный импульс в виде импульса P(t) и преобразует его в пропорциональный электрический сигнал по напряжению U(t), который поступает в коммутационно-усилительный блок (5). Усиленный сигнал поступает на АЦП вместе с синхронизирующим сигналом датчика скорости (2). В АЦП происходят преобразование сигнала датчика силы в зависимости от деформации образца в цифровую форму и его передача для регистрации и обработки на компьютер (7).

4.3. Погрешность измерения текущих значений нагрузки импульса силы, приложенного к образцу, должна составлять не более 5 % от измеряемой величины.

4.4. Погрешность измерения скорости удара в момент приложения нагрузки к образцу должна составлять не более 2 % от измеряемой величины.

4.5. Погрешность измерения текущих значений деформации образца в процессе его деформирования должна составлять не более 5 % от предельного значения измеряемой величины.

4.6. Испытательная установка должна быть снабжена приспособлением для сжатия образца, состоящего из двух плоскопараллельных площадок.

4.7. Шероховатость рабочих поверхностей площадок должна соответствовать Ra<0,32 мкм по ГОСТ 2789.

4.8. Приборы для измерения геометрических размеров образца должны обеспечивать измерение с погрешностью не более ±0,1 мм.

4.9. Для взвешивания образцов используются весы лабораторные IV класса точности по ГОСТ 24104 с наибольшим пределом взвешивания до 500 г.

4.10. Испытания проводят при температурах, определенных ГОСТ 12801 для механических испытаний асфальтобетона (0 °С, 20 °С, 50 °С), а также при других температурах, определяемых задачами исследований.

При этом во всех случаях отклонения температуры образцов от заданной не должны превышать ± 2°С.

4.11. Установка может быть дополнительно оснащена термокриокамерой для поддержания вокруг образца температуры воздуха, равной температуре испытаний.

4.12. Периодический контроль температуры испытуемого образца при испытаниях при пониженной и повышенной температурах осуществляют термопарой, установленной на средней части боковой поверхности образца и удовлетворяющей требованиям ГОСТ 6616, с потенциометром класса точности не ниже 0,5 по ГОСТ 9245.

4.13. Если отсутствует возможность установки термокриокамеры непосредственно на испытательной установке, то допускается проводить испытания при температурах, отличных от комнатной, путем предварительного нагрева (охлаждения) образцов до заданной температуры в камерах тепла (холода), расположенных рядом с испытательной установкой. При этом требования к допускаемым отклонениям температуры образца от заданной и применяемой аппаратуре для замера температуры должны соответствовать рекомендациям, изложенным в пп. 4.11 и 4.12.

5. Образцы для испытаний

5.1. Испытания проводятся на образцах цилиндрической формы, диаметр которых равен высоте и может составлять 25 и 50,5 мм. При необходимости могут применяться образцы других диаметров, но не менее 15 мм и не более 50,5 мм. Допуск на отклонение геометрических размеров образцов не должен превышать ±1 мм.

Допуски на предельные отклонения поверхностей образцов приведены на рис. 2.

5.2. Образцы изготавливаются в пресс-формах, требования к которым содержатся в ГОСТ 12801.

5.3. Технология изготовления образцов должна соответствовать действующей нормативно-технической документации на исследуемый материал.

5.4. Если на исследуемый материал отсутствует нормативно-техническая документация, то состав и технология изготовления образцов должны быть указаны в протоколе испытаний.

Рис. 2. Форма образца для испытания на ударное сжатие

5.5. Образцы должны иметь гладкую наружную поверхность без вздутий, сколов и трещин и других дефектов, заметных невооруженным глазом.

5.6. Число образцов для испытаний должно быть не менее пяти для каждого варианта и режима испытаний.

5.7. При необходимости статистической оценки свойств исследуемых материалов количество образцов должно быть увеличено в соответствии с ГОСТ 14359.

6. Подготовка образцов к испытаниям

6.1. Если в нормативно-технической документации на испытываемые материалы не указаны особые условия кондиционирования, то перед испытанием образцы кондиционируют по ГОСТ 12423.

6.2. Время от окончания изготовления формованных образцов до их испытания, включая кондиционирование, должно составлять не менее 24 ч.

6.3. Перед испытанием образцы нумеруют мелом, стеклографом или краской. Измеряют диаметр и высоту образца в трех-четырех местах по окружности. Среднее значение диаметра и высоты образца записывают в протокол испытаний с точностью до трехзначных цифр, затем определяют площадь поперечного сечения образца.

6.4. При проведении научно-исследовательских работ рекомендуется определять среднюю плотность каждого образца.

7. Проведение испытаний

7.1. Испытания проводят в помещении при температуре и относительной влажности окружающего воздуха, указанных в технических условиях на испытуемый материал. Если таких указаний нет, то испытания проводят при температуре окружающего воздуха 20±2 °С и относительной влажности воздуха 60±15 %.

7.2. Термостатирование образцов материала проводят в соответствии с нормами, указанными в технических условиях на испытуемый материал. Если таких указаний нет, то термостатирование образцов проводят по п. 15.2 ГОСТ 12801.

7.3. Перед началом проведения испытаний экспериментально определяют для каждой партии образцов одинакового диаметра при минимальной температуре испытаний и постоянной массе ударника, минимальное значение скорости удара, приводящей к разрушению образца либо к появлению видимых остаточных деформаций. Это значение скорости удара используется при испытаниях всей партии. Обычно появление остаточных деформаций образца без нарушения его целостности наблюдается при испытаниях в области повышенных температур.

7.4. При проведении сравнительных испытаний скорость удара должна быть постоянной.

7.5. Если установка не может обеспечить разрушение образца либо появления остаточных деформаций, то для проведения испытаний выбирают максимальную скорость удара. В этом случае оценка качества материала может быть проведена по показателям упругих свойств (секущему модулю упругости) и поглощенной образцом энергии ударного импульса силы (п. 8.6.).

7.6. Производят прогрев аппаратуры в соответствии с требованиями, изложенными в Руководстве по эксплуатации данной установки.

7.7. С целью замера скорости в момент удара датчик скорости устанавливают в месте контакта ударника с верхней плитой приспособления для сжатия.

7.8. Образец устанавливают на опорные плиты: приспособления для сжатия таким образом, чтобы продольная ось его совпала с направлением действия импульса силы, а торцевые поверхности были параллельны опорным поверхностям плит.

7.9. Приводят установку в состояние готовности для испытания, производят ударное нагружение и регистрируют текущие значения нагрузки от времени деформирования либо деформации (рис. 3).

Рис. 3. Вид зависимости текущих значений нагрузки от деформации

8. Обработка результатов испытаний

8.1. Предел прочности при сжатии sВ (МПа) определяют по формуле

где Рmax - наибольшая нагрузка, достигнутая в процессе испытания образца до разрушения, Н;

F - первоначальная площадь поперечного сечения образца, мм2.

8.2. Предел пропорциональности при сжатии sПЦ (МПа) определяют по формуле

где Рпц - нагрузка, соответствующая точке конца квазилинейного участка диаграммы деформирования, Н;

F - первоначальная площадь поперечного сечения образца, мм2.

Примечание. В тех случаях, когда значения Рmax, Рпц отличаются менее чем на 5 %, вычисление величины sПЦ не производится.

8.3. Модуль упругости (секущий) Ес (МПа) определяют по формуле

где Р10 и Р40 - нагрузки, соответствующие 10 % и 40 % от Рmax, Н;

Dh10 и Dh40 - деформации образца при нагрузках Р10 и Р40, мм;

h - первоначальная высота образца, мм;

m - масштаб записи деформации.

8.4. Относительную деформацию при максимальной нагрузке emax (%) определяют по формуле

emax = Dhmax/h,

где Dhmax - деформация образца при нагрузке Рmax, мм;

h - первоначальная высота образца, мм.

8.5. Энергию разрушения Ар (Дж) определяют по формуле

где Р(Dh) - текущие значения нагрузки, Н.

8.6. Полную энергию, поглощенную образцом, АП (Дж) определяют по формуле

где DhП - полная деформация образца, мм.

9. Требования к протоколу испытаний

В протокол испытаний записывают:

- наименование, марку, средние размеры частиц, процентное содержание и прочие сведения по каждому из заполнителей;

- наименование, марку, процентное содержание и прочие сведения по каждому из битумных вяжущих;

- размеры и число образцов, взятых на каждое испытание;

- наименование и основные характеристики испытательной установки, скорость нагружения;

- условия испытания (температуру, длительность выдержки при нагревании или охлаждении);

- характер разрушения образца - разделение на фрагменты, образование трещин, изменение геометрических размеров без нарушения целостности (остаточная деформация) и др.;

- вычисленные отдельные значения результатов испытаний и их среднее арифметическое значение;

- дату испытания и фамилию лица, проводившего испытания.

Ключевые слова: свойства асфальтобетона, динамическое нагружение, проведение испытаний, результаты испытаний, протокол испытаний

 




ГОСТЫ, СТРОИТЕЛЬНЫЕ и ТЕХНИЧЕСКИЕ НОРМАТИВЫ.
Некоммерческая онлайн система, содержащая все Российские Госты, национальные Стандарты и нормативы.
В Системе содержится более 150000 файлов нормативно-технической документации, действующей на территории РФ.
Система предназначена для широкого круга инженерно-технических специалистов.

Рейтинг@Mail.ru Яндекс цитирования

Copyright © www.gostrf.com, 2008 - 2026