Крупнейшая бесплатная информационно-справочная система онлайн доступа к полному собранию технических нормативно-правовых актов РФ. Огромная база технических нормативов (более 150 тысяч документов) и полное собрание национальных стандартов, аутентичное официальной базе Госстандарта. GOSTRF.com - это более 1 Терабайта бесплатной технической информации для всех пользователей интернета. Все электронные копии представленных здесь документов могут распространяться без каких-либо ограничений. Поощряется распространение информации с этого сайта на любых других ресурсах. Каждый человек имеет право на неограниченный доступ к этим документам! Каждый человек имеет право на знание требований, изложенных в данных нормативно-правовых актах!

  


 

ТИПОВЫЕ ТЕХНОЛОГИЧЕСКИЕ КАРТЫ
НА ПРОИЗВОДСТВО ОТДЕЛЬНЫХ ВИДОВ РАБОТ

РАЗДЕЛ 04

ТИПОВАЯ ТЕХНОЛОГИЧЕСКАЯ КАРТА
НА БЕТОННЫЕ И ЖЕЛЕЗОБЕТОННЫЕ РАБОТЫ
(МОНОЛИТНЫЙ БЕТОН)

4.01.01.61

УСТРОЙСТВО СТОЛБЧАТЫХ МОНОЛИТНЫХ
ЖЕЛЕЗОБЕТОННЫХ ФУНДАМЕНТОВ ОБЪЕМОМ 5, 10, 25 м3
И БОЛЕЕ ПОД СТАЛЬНЫЕ КОЛОННЫ ОДНОЭТАЖНЫХ
ПРОМЫШЛЕННЫХ ЗДАНИЙ С ИСПОЛЬЗОВАНИЕМ
РАЗБОРНО-ПЕРЕСТАВНОЙ МЕЛКОЩИТОВОЙ ОПАЛУБКИ

МОСКВА – 1989

РАЗРАБОТАНА

Институтом «Промстройпроект» Госстроя СССР

Главный инженер института         В.И. Королев

Начальник отдела                           Б.М. Тиунов

Главный инженер проекта             Ю.С. Езерский

СОГЛАСОВАНО

Отделом механизации и технологии строительства Госстроя СССР

Письмо от 14.12.1988 г. № 23-712

Введена в действие с 01.02.1989 г.

1. ОБЛАСТЬ ПРИМЕНЕНИЯ

Типовая технологическая карта разработана на устройство столбчатых монолитных фундаментов объемом до 5, 10, 25 м3 и более под стальные колонны одноэтажных промышленных зданий с использованием разборно-переставной мелкощитовой опалубки.

Параметры конструкций (размеры, армирование, расход материалов) приняты в технологической карте применительно к реальным рабочим чертежам института Промстройпроект.

Калькуляция затрат труда, график выполнения работ, потребность в материально-технических ресурсах и технико-экономические показатели выполнены для захватки размером 24 ´ 72 м с сеткой колонн 12 ´ 24 м объемом каждого фундамента 20 м3 (базовый вариант).

Данная технологическая карта позволяет с помощью фасетов произвести расчет вышеперечисленных показателей для фундаментов объемом до 5, 10, 25 и 30 м3.

Технологической картой предусматривается устройство монолитных фундаментов с применением унифицированной разборно-переставной опалубки «Монолит-77» конструкции ЦНИИОМТП Госстроя СССР.

В технологической карте приняты 4 варианта подачи и укладки бетонной смеси в фундаменты: гусеничным краном грузоподъемностью до 16 т (базовый вариант); пневмоколесным краном грузоподъемностью до 10 т (вариант 2); автобетононасосом СБ-126А (вариант 3) и бетоноукладчиком ЛБУ-20 (вариант 4).

Погрузочно-разгрузочные и арматурные работы выполняются автомобильным краном грузоподъемностью 6,3 т.

При привязке технологической карты к конкретному объекту и условиям строительства уточняются объемы работ, калькуляция трудовых затрат, средства механизации с учетом использования наличного парка машин, оборудования и приспособлений.

2. ОРГАНИЗАЦИЯ И ТЕХНОЛОГИЯ ВЫПОЛНЕНИЯ РАБОТ

До начала устройства фундаментов должны быть выполнены следующие работы:

организован отвод поверхностных вод от котлована;

устроены подъездные пути и автодороги;

обозначены в пролете пути движения механизмов, места складирования, укрупнения арматурных сеток и опалубки, подготовлены монтажная оснастка и приспособления;

выполнена бетонная подготовка под фундаменты;

завезены арматурные сетки и комплекты опалубки в количестве, обеспечивающем бесперебойную работу не менее, чем в течение двух смен;

составлены акты приемки основания фундаментов в соответствии с исполнительной схемой;

устроено временное электроосвещение рабочих мест и подключены электросварочные аппараты;

произведена геодезическая разбивка осей и разметка положения фундаментов в соответствии с проектом; на поверхность бетонной подготовки краской нанесены риски, фиксирующие положение рабочей плоскости щитов опалубки.

Работы выполняются в 2 смены.

В состав работ, рассматриваемых картой, входят:

вспомогательные (разгрузка, складирование, сортировка арматурных сеток и комплектов опалубки);

арматурные;

опалубочные;

бетонные.

Разгрузку и раскладку арматурных сеток, элементов опалубки, монтаж армокаркасов подколонников, монтаж и демонтаж навесных площадок и анкерных болтов выполняют с помощью автокрана КС-2561Д.

Арматурные сетки подколонников доставляют на строительную площадку и разгружают на стенде сборки армокаркасов, а сетки башмаков - непосредственно у мест возведения фундаментов.

Сборка армокаркасов подколонников ведется на стенде сборки с помощью кондуктора конструкции ЦНИИОМТП путем прихватки арматурных сеток между собой электродуговой сваркой. Размеры кондуктора выбраны с учетом максимальных размеров сеток.

Сборку армокаркаса подколонника производят в определенной последовательности:

укладывают арматурные сетки на кондуктор и фиксируют в проектном положении вязальной проволокой с последующей электроприхваткой;

снимают армокаркас с кондуктора автокраном и укладывают на площадку для складирования.

Армокаркасы перевозят автотранспортом к месту бетонирования.

Арматурные работы выполняют в следующем порядке:

устанавливают арматурные сетки башмака на фиксаторы, обеспечивающие защитный слой бетона по проекту;

после устройства опалубки башмака устанавливают армокаркас подколонника с креплением его к нижней сетке вязальной проволокой.

Арматурные работы должны выполняться в соответствии со СНиП 3.03.01-87.

В комплект опалубки «Монолит-77» входят металлические щиты и соединительные элементы, позволяющие возводить опалубку вручную.

Устройство опалубки фундамента под колонну и кондукторных приспособлений с анкерными болтами производят в описанной ниже технологической последовательности:

устанавливают и закрепляют щиты опалубки нижней ступени башмака с помощью прижимных скоб и монтажных уголков;

крепят схватки к панелям нижнего короба опалубки с помощью натяжных крюков;

соединяют схватки по углам «в мельницу» клиновыми зажимами;

рихтуют собранный короб строго по осям и прикрепляют опалубку нижней ступени металлическими штырями к основанию;

наносят на ребра щитов нижнего короба риски, фиксирующие положение щитов второй ступени, затем, отступив от рисок на расстояние, равное толщине щита, устанавливают поддерживающие опорные балки, которые закрепляют с помощью струбцин (в качестве балок используют схватки);

устанавливают на поддерживающие балки схватки и соединяют их друг с другом клиновыми зажимами;

навешивают на схватки щиты второй ступени и скрепляют их натяжными крюками;

соединяют щиты прижимными скобами и монтажными уголками;

рихтуют собранный короб по осям;

в той же последовательности собирают короб третьей ступени;

наносят на ребра щитов верхнего короба риски, фиксирующие положение щитов подколонника, затем, отступив от рисок на расстояние, равное толщине щита, устанавливают поддерживающие опорные балки, которые закрепляют с помощью струбцин;

устанавливают монтажные уголки с угловыми щитами;

устанавливают щиты и крепят их к нижним схваткам натяжными крюками, а между собой и с монтажными уголками соединяют прижимными скобами;

навешивают на щиты опалубки подколонника схватки остальных ярусов, закрепляя их натяжными крюками;

устанавливают вертикальные связи жесткости, которые соединяют со схватками Т-образными болтами;

устанавливают и закрепляют кондукторное приспособление с анкерными болтами;

устанавливают навесную рабочую площадку.

Для вертикальных связей жесткости и опорных поддерживающих балок используют типовые схватки из комплекта опалубки «Монолит-77». При требуемой длине > 3,5 м схватки выполняются составными, собираемыми из типовых схваток длиной 2; 2,5 и 3 м.

Разборку опалубки целесообразно производить сразу же после достижения бетоном прочности в соответствии со СНиП 3.03.01-87.

Разборку опалубки фундамента производят в следующем порядке:

демонтируют подмости с лестницей;

демонтируют кондукторное приспособление;

удаляют Т-образные болты, демонтируют связи жесткости;

выбивают клинья, соединяющие схватки между собой, и удаляют их;

демонтируют монтажные уголки;

удаляют прижимные скобы и разбирают короб подколонника на отдельные щиты;

демонтируют опорные балки;

демонтируют опалубку башмака.

Весь комплекс опалубочных работ ведут поточным методом.

При загрязнении опалубочной поверхности бетонной смесью необходимо очистить поверхность металлическими щетками и скребками и произвести смазку поверхностей эмульсионным составом.

Демонтированные элементы опалубки транспортируют к месту нового бетонирования.

Опалубочные работы выполняются в соответствии со СНиП 3.03.01-87.

Ведущей работой при устройстве монолитных фундаментов является укладка бетонной смеси. Бетонирование производят только после проверки правильности установки опалубки и арматуры.

Транспортирование бетонной смеси осуществляют автомобилями-самосвалами или автобетоносмесителями с разгрузкой в поворотные бункеры вместимостью 2 м3. Количество автомобилей-самосвалов принимают по расчету в зависимости от дальности транспортировки бетонной смеси.

В состав работ по бетонированию фундаментов входят:

прием и подача бетонной смеси;

установка звеньевого хобота;

укладка и уплотнение бетонной смеси;

уход за бетоном.

Подачу бетонной смеси к месту укладки производят в поворотных бункерах стреловыми самоходными кранами: гусеничным краном типа МКГ-16М (базовый вариант), пневмоколесным краном КС-4362 (вариант 2), а также автобетононасосом (вариант 3) и бетоноукладчиком (вариант 4).

Строповку бункера производят двухветвевым стропом грузоподъемностью 5 т.

В соответствии с высотой укладки бетонной смеси устанавливают загрузочную воронку и один звеньевой хобот.

Бетонную смесь укладывают горизонтальными слоями толщиной 0,3 - 0,5м.

Каждый слой бетона тщательно уплотняют глубинным вибратором.

При уплотнении бетонной смеси конец рабочей части вибратора должен погружаться в ранее уложенный слой бетона на глубину 0,05 - 0,1 м. Шаг перестановки вибратора не должен превышать 1,5 радиуса его действия.

Перекрытие предыдущего слоя бетона последующим должно быть выполнено до начала схватывания бетона в предыдущем слое.

Бетонирование фундаментов производят с навесных площадок опалубки «Монолит-77».

При бетонировании монолитных фундаментов автобетононасосом СБ-126А (вариант 3) радиус действия распределительной стрелы позволяет производить укладку бетонной смеси на захватке с 2-х точек.

Операция по установке воронок и звеньевого хобота отпадает.

Процесс укладки бетонной смеси ускоряется, бетонные работы производятся циклично.

Бетонная смесь должна иметь осадку конуса в пределах 4 - 12 см. Подбор состава бетонной смеси производится строительной лабораторией.

При бетонировании монолитных фундаментов бетоноукладчиком ЛБУ-20 (вариант 4) бетонная смесь должна иметь осадку конуса в пределах 1 - 4 см.

Бетонную смесь к бетоноукладчику следует подвозить автобетоносмесителями для порционной выгрузки смеси в приемный бункер.

Мероприятия по уходу за бетоном в период набора прочности, порядок и сроки их проведения, контроль за выполнением этих мероприятий необходимо осуществлять в соответствии с требованиями СНиП 3.03.01-87. Открытые поверхности бетона необходимо защищать от потерь влаги путем поливки водой или укрытия их влажными материалами. Сроки выдерживания и периодичность поливки назначает строительная лаборатория.

При производстве работ в зимних условиях принимают меры по обеспечению нормального твердения бетона при ожидаемой среднесуточной температуре наружного воздуха ниже 5 °С и минимальной суточной температуре ниже 0 °С в соответствии со СНиП 3.03.01-87.

Таблица 1

Варианты рекомендуемых машин и оборудования при устройстве монолитных железобетонных фундаментов

Наименование комплекта машин и оборудования

Вариант (фасет-код)

Техническая характеристика

Марка

Количество, шт.

Кран монтажный

1, 2, 3, 4

(22-1)

Кран автомобильный грузоподъемностью до 6,3 т

КС-2561Д

1

Машины для бетонирования

1

(22-2)

Кран гусеничный грузоподъемностью до 16 т

МКГ-16М

1

2

(22-3)

Кран пневмоколесный грузоподъемностью до 10 т

КС-4362

1

3

(22-4)

Автобетононасос производительностью 17 м3

СБ-126А

1

4

(22-5)

Бетоноукладчик производительностью 7 м3

ЛБУ-20

1

3. ТРЕБОВАНИЯ К КАЧЕСТВУ И ПРИЕМКЕ РАБОТ

При приемке материалов, изделий и инвентаря на объекте проверяют их размеры, предельные отклонения положения элементов опалубки, арматуры относительно разбивочных осей или ориентирных рисок. Отклонения не должны превышать величин, указанных в СНиП 3.03.01-87.

При приемке работ предъявляют журналы работ, документы лабораторных анализов и испытаний строительных лабораторий, акты освидетельствования скрытых работ.

Средства контроля операций и процессов приводятся в табл. 2.

Таблица 2

Наименование процессов, подлежащих контролю

Предмет контроля

Инструмент и способ контроля

Периодичность контроля

Ответственный за контроль

Технические критерии оценки качества

Приемка арматуры

Соответствие арматурных стержней и сеток проекту

Визуально

До начала установки сеток и сборки подколонников

Производитель работ

В соответствии с требованиями ГОСТа или ТУ (рабочие чертежи)

 

Диаметры и расстояния между рабочими стержнями в сетках

Штангенциркулъ, линейка измерительная

То же

Мастер

То же

Складирование арматурных сеток

Правильность складирования, хранения

Визуально

До установки сеток

То же

В соответствии с требованиями СНиП III-4-80

Сборка армокаркасов

Правильность установки арматурных сеток подколонников на кондукторе. Проверка геометрических размеров армокаркасов

То же, лабораторный контроль

При сборке армокаркасов

Мастер, лаборант

В соответствии с проектом

Приварка арматурных сеток на кондукторе

Соответствие проекту порядка сварки и типа применяемых электродов. Качество сварки, наличие и правильность ведения журнала сварочных работ

Визуально

Периодически в процессе сборки

Мастер

В соответствии с требованиями ГОСТа (рабочие чертежи)

Установка сеток башмаков и армокаркасов

Соответствие проекту

Визуально, отвес, рулетка

В процессе установки

То же

В соответствии с проектом

Приемка опалубки и сортировка

Наличие комплектов элементов опалубки. Маркировка элементов

Визуально

В процессе разгрузки

Производитель работ

В соответствии с ППР

Установка опалубки и навесных площадок

Соответствие установки элементов опалубки проекту. Допускаемые отклонения положения установленной опалубки по отношению к осям и отметкам. Правильность положения вертикальных плоскостей

Теодолит, нивелир, рулетка, отвес

После установки опалубки

Мастер, геодезическая служба

В соответствии с требованиями СНиП 3.03.01-87 и проектом

Установка кондукторных устройств с анкерными болтами

Правильность установки кондукторов по осям и отметкам

Теодолит нивелир, рулетка

После установки опалубки

То же

То же

Укладка бетонной смеси

Качество бетонной смеси

Конус СтройЦНИЛпресс (ПСУ-500) Лабораторный контроль

До бетонирования

Мастер, лаборант

В соответствии с требованиями СНиП 3.03.01-87 и проектом

 

Правильность технологии укладки бетонной смеси

Визуально

В процессе укладки

Мастер

То же

 

Шаг перестановки и глубина погружения вибраторов, правильность установки вибраторов, толщина бетонного слоя при уплотнении

Тоже, стальная линейка

В процессе уплотнения

То же

«

Уход за бетоном при твердении

Соблюдение влажностного и температурного режимов

Термометр, влагомер. Лабораторный контроль

В процессе твердения

Мастер, лаборант

«

Разборка опалубки

Технологическая последовательность разборки элементов опалубки

Визуально. Лабораторный контроль

После набора прочности бетона

То же

«

Подготовка опалубки

Очистка элементов опалубки от бетонных наплывов

Визуально

После разборки опалубки

Мастер

В соответствии с требованиями СНиП 3.03.01-87 и проектом

СХЕМА УСТРОЙСТВА МОНОЛИТНЫХ ФУНДАМЕНТОВ ПОД КОЛОННЫ ПРИ УКЛАДКЕ БЕТОННОЙ СМЕСИ С ПОМОЩЬЮ СТРЕЛОВЫХ САМОХОДНЫХ КРАНОВ (варианты 1, 2)

 - Направление выполнения работ при выполнении фундаментов

 - Временные автодороги

Состав работ:

I - Установка арматурных сеток башмаков

II - Установка опалубки башмаков

III - Монтаж армокаркасов подколонников

IV - Установка опалубки подколонников и площадок

V - Установка кондукторных приспособлений с анкерными болтами

VI - Укладка бетонной смеси в опалубку фундаментов

VII - Выдержка бетона и уход за ним

VIII - Демонтаж опалубки

1 - кран КС-2561Г

2 - кран МКГ-16м (КС-4362)

3 - автобетоносмеситель

4 - место складирования арматурных изделий

5 - место складирования элементов опалубки

6 - стенд сборки армокаркасов подколонников

7 - место складирования арматурных сеток

8 - место складирования собранных армокаркасов

9 - кондуктор для сборки армокаркасов

10 - бункеры поворотные

11 - кондукторное приспособление с анкерными болтами


ТЕХНОЛОГИЧЕСКИЕ СХЕМЫ ВОЗВЕДЕНИЯ МОНОЛИТНЫХ ФУНДАМЕНТОВ ПОД КОЛОННЫ

а - установка арматурных сеток башмака; б - монтаж армокаркаса подколонника; в - установка навесных площадок и кондукторных приспособлений с анкерными болтами; г - укладка бетонной смеси с помощью стрелового крана (варианты 1, 2); д - укладка бетонной смеси с помощью бетононасоса (вариант 3); е - укладка бетонной смеси с помощью бетоноукладчика (вариант 4)

1 - автопалубный кран; 2 - бетонная подготовка; 3 - арматурная сетка; 4 - фиксатор; 5 - опалубка башмака; 6 - армокаркас подколонника; 7 - опалубка подколонника; 8 - кондукторное приспособление с анкерными болтами; 9 - стреловой гусеничный кран; 10 - автобетоносмеситель; 11 - бункер поворотный; 12 - площадка навесная; 13 - хобот; 14 - автобетононасос; 15 - бетоноукладчик

СХЕМА КОНСТРУКЦИИ ОПАЛУБКИ ФУНДАМЕНТА ПОД КОЛОННУ

1 - металлические щиты                                                                                           6 - вертикальные связи

2 - монтажные уголки                                                                                               7 - чека

3 - опорные балки                                                                                                      8 - клин

4 - составные схватки                                                                                               9 - скоба прижимная

5- инвентарные схватки                                                                                            10 - крюк натяжной

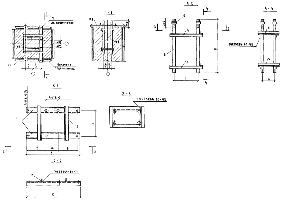
КОНДУКТОРНОЕ ПРИСПОСОБЛЕНИЕ ДЛЯ УСТАНОВКИ АНКЕРНЫХ БОЛТОВ

1. Дуговую сварку производить электродами Э42-9 по ГОСТ 9467-75.

2. При установке кондукторного приспособления в щитах опалубки подколонника просверлить 4 отверстия Æ18 мм для позиции 7.

3. Расход материалов приведен для фундамента с подколонником 1,2 ´ 1,5 м с анкерными болтами диаметром 40 мм.

Кондукторное приспособление

Поз.

Обозначение

Наименование

Кол.

Материал

Масса, кг

1 шт.

общ.

1

К1

Швеллер,

длина 1400

2

Швеллер

12 ГОСТ 8240-72*

ВСт3кп2 ГОСТ 535-79*

14,56

36,8

2

Уголок,

длина 800

2

Уголок

Б-63 ´ 63 ´ 5 ГОСТ 8509-86

ВСт3кп2 ГОСТ 535-79*

3,85

3

К2

Анкерный болт

длина 1400

4

Круг

В48 ГОСТ 2590-71*

ВСт3кп2 ГОСТ 535-79*

19,88

99,7

4

Уголок,

длина 820

2

Уголок

Б-63 ´ 63 ´ 5 ГОСТ 8509-86

ВСт3кп2 ГОСТ 535-79*

3,94

5

Уголок,

длина 480

2

Уголок

Б-63 ´ 63 ´ 5 ГОСТ 8509-86

ВСт3кп2 ГОСТ 535-79*

2,3

6

Гайка

8

Гайка М48-7H4 ГОСТ 5915-70*

0,96

7

Болт,

длина 100

4

Болт М16-8g ´ 100.58 ГОСТ 7796-70*

0,19

0,76

4. КАЛЬКУЛЯЦИЯ ЗАТРАТ ТРУДА, МАШИННОГО ВРЕМЕНИ, ЗАРАБОТНОЙ ПЛАТЫ НА 1 ЗАХВАТКУ

Таблица 3

Наименование процессов

Номер фасет для пересчета показателей

Единица измерения

Объем работ

Обоснование (ЕНиР и др. нормы)

Норма времени

Расценка, р.-к.

Затраты труда

Заработная плата, р.-к.

Время пребывания машины на объекте, маш.-ч

Заработная плата машиниста с учетом пребывания машины на объекте, р.-к.

рабочих, чел.-ч

машиниста, чел.-ч (маш.-ч)

рабочих

машиниста

рабочих, чел.-ч

машиниста, чел.-ч (маш.-ч)

рабочих

машиниста

1. Разгрузка с автотранспорта приспособлений, инвентаря, анкерных болтов, арматурных сеток и элементов опалубки

01, 02

100 т

0,647

ЕНиР, §Е1-5, табл. 2, п. 1. ПР-3

22

11

14-09

10-03

14,23

7,12

9-12

6-49

7,12

6-49

2. Сортировка и подача арматурных сеток и элементов опалубки к месту работ

03

1 т

62,51

ЕниР, §Е5-1-1, п.п. 1, 2

0,65

0,32

0-48,4

0-33,9

40,63

20,0

30-25

21-19

20,0

21-19

3. Установка арматурных сеток башмаков

04,05

1 сетка

56

ЕНиР, §Е4-1-44, табл. 1, п. 1а

0,42

0,105

0-28,5

0-09,6

23,52

5,88

15-96

5-38

5,88

5-38

4. Предварительная сборка армокаркасов подколонников

06

-«-

112

ЕНиР, §Е4-1-44, табл. 2, п. б

0,24

-

0-15,8

-

26,88

-

17-70

-

-

-

5. Сварка арматуры

07

1 т констр.

4,28

ЕНиР, §Е5-1-18, табл. 1, п. 2б

3

-

2-37

-

12,84

-

10-14

-

-

-

6. Погрузка и разгрузка предварительно собранных армокаркасов подколонников

08, 02

100т

0,086

ЕНиР, §Е1-5, табл. 2, п. 1, ПР-3

22

11

14-09

10-03

1,89

0,95

1-21

0-86

0,95

0-86

7. Установка армокаркасов подколонников

09

1 каркас

14

ЕНиР, §E4-1-44, табл. 1, п. 2б

1,3

0,325

0-88,1

0-29,6

18,2

4,55

12-33

4-14

4,55

4-14

8. Установка щитовой опалубки вручную

10

1 м2

470

ЕНиР, §Е4-1-37, табл. 2, п. 1

0,39

-

0-29,1

-

183,30

-

136-77

-

-

-

9. Установка навесных площадок

11

1 шт.

14

ЕНиР, §E5-1-2, п. 4

0,27

0,14

0-20,1

0-14,8

3,78

1,96

2-81

2-07

1,96

2-07

10. Установка кондукторов с анкерными болтами

-

1 кондуктор

14

ЕНиР, §Е4-1-54, п. 3 применительно

0,75

0,25

0-57

0-22,8

10,50

3,50

7-98

3-19

3,5

3-19

11. Установка звеньевых хоботов

12

1 звено

56

ЕНиР, §Е4-1-54, п. 8

0,16

-

0-11,9

-

8,96

-

6-66

-

-

-

12. Прием бетонной смеси

13,23

100 м3

2,8

ЕНиР, §Е4-1-54, п. 20

5,7

-

3-65

-

15,96

-

10-22

-

-

-

13. Подача бетонной смеси

14

1 т

700

ЕНиР 1973г., §24-13, табл. 2, п. 9

ЕНиР 1987г., Общая часть, стр. 3

0,17

0,085

0-11,4

0-07,7

119

59,5

79-80

53-90

72,24

65-74

14. Укладка бетонной смеси в фундаменты

15,16

1 м3

280

ЕНиР, §Е4-1-49, табл. 1, п. 4

0,26

-

0-18,6

-

72,80

-

52-08

-

-

-

15. Поливка бетонных поверхностей водой

17

100 м2

96,77

ЕНиР, §Е4-1-54, п. 9

0,14

-

0-09

-

13,55

-

8-71

-

-

-

16. Демонтаж навесных площадок

11

1 шт.

14

ЕНиР, §Е5-1-2, п. 4, ПР-2

0,216

0,112

0-16,1

0-11,8

3,02

1,57

2-25

1-65

1,57

1-65

17. Разборка опалубки с очисткой ее от грязи и смазкой поверхности

10

2

470

ЕНиР. §Е4-1-37, табл. 2 п. 2

0,21

-

0-14,1

-

98,70

-

66-27

-

-

-

18. Погрузка на автотранспорт приспособлений, инвентаря и элементов опалубки

18,02

100 т

0,464

ЕНиР, §Е1-5, табл. 2, п. 1. ПР-3

22

11

14-09

10-03

10,21

5,10

6-54

4-65

5,10

4-65

ИТОГО:

 

 

 

 

 

 

 

 

677,97

110,13

476-80

103-52

122,87

115-36

Калькуляция затрат труда, машинного времени и заработной платы составлена для варианта возведения монолитных железобетонных фундаментов объемом 20 м3 при подаче бетонной смеси гусеничным стреловым краном.

5. ГРАФИК ПРОИЗВОДСТВА РАБОТ НА 1 ЗАХВАТКУ

Таблица 4

График производства работ составлен для варианта возведения монолитных железобетонных фундаментов объемом 20 м3 при подаче бетонной смеси гусеничным стрелковым краном.


6. МАТЕРИАЛЬНО-ТЕХНИЧЕСКИЕ РЕСУРСЫ

Потребность в инструменте, инвентаре и приспособлениях приведена в таблице 5.

Таблица 5

Наименование

Марка, техническая характеристика, ГОСТ, № чертежа

Количество по вариантам

Назначение

1, 2

3

4

Бункер поворотный

ГОСТ 21807-76

2

-

-

Подача бетонной смеси к месту укладки

Звеньевой хобот

ЦНИИОМТП

271-5800.000

2

-

2

Укладка бетонной смеси в опалубку

Вибратор глубинный

ИВ-47А

ТУ-22-4666-80

1

1

1

Вибрирование уложенной бетонной смеси

Строп двухветвевой

2СК-5,0,500

ГОСТ 25573-82

1

1

1

Подъем элементов

Строп четырехветвевой

4СК1-0,8

ГОСТ 25573-82

1

1

1

То же

Кондуктор-шаблон

Конструкция ЦНИИОМТП

1

1

1

Сборка армокаркасов подколонников

Трансформатор понижающий

ИВ-9

мощность 1,5 кВт

1

1

1

Сварка арматурных сеток

Трансформатор сварочный

ТД-300

ГОСТ 95-77

мощность 19,4 кВт

1

1

1

То же

Площадка навесная

ЦНИИОМТП

2493.01.100

2

2

2

Бетонирование фундаментов

Лестница приставная

ВНИПИ Промстальконструкция

Шифр 29800-12

2

2

2

То же

Кондукторное приспособление

Индивидуальное изготовление (см. лист 10)

8

8

8

Установка анкерных болтов

Уровень строительный

Тип УС2

ГОСТ 9416-83

1

1

1

Геодезическая проверка установки элементов опалубки

Ключ гаечный разводной

ГОСТ 7275-75

2

2

2

Установка опалубки

Термометр стеклянный технический

ГОСТ 2823-73*Е

(СТ СЭВ 2944-81)

1

1

1

Проверка температурного режима при твердении бетона

Влагомер

ГОСТ 15528-86

1

1

1

Проверка влажного режима при твердении бетона

Отвес строительный

ОТ-400

ГОСТ 7948-80

1

1

1

Проверка установки опалубки и армокаркасов

Метр складной деревянный

РСТ 149-76

2

2

2

Обмер конструктивных элементов

Рулетка металлическая

РС-20

ГОСТ 7502-80*

1

1

1

То же

Молоток слесарный

ГОСТ 2310-77

2

2

2

Крепление элементов опалубки

Щетка стальная

ТУ-36-2460-82

10

10

10

Очистка опалубки

Кисть маховая

КМ-65

ГОСТ 10597-87

2

2

2

Смазка поверхности опалубки эмульсией

Лом стальной

ЛО-24

ГОСТ 1405-83

1

1

1

Установка опалубки

Поливочный рукав

Длина 40 м

1

1

1

Поливка бетонных поверхностей фундаментов

Потребность в материалах и полуфабрикатах для выполнения работ по устройству монолитных фундаментов на 1 захватке приведена в табл. 6.

Таблица 6

Наименование материала, полуфабриката, конструкции (марка, ГОСТ)

Номер фасет

Исходные данные

Потребность в материалах

Единица измерения

Объем работ в нормативных единицах

Принятая норма расхода материалов

Унифицированная разборно-переставная опалубка ЦНИИОМТП «Монолит-77»

10, 19

м2

470

0,097 т

45,59 т

Арматурные сетки

(Серия 1.412-1/77)

20

1 фундамент

14

1,206 т

16,88 т

Анкерные устройства

-

1 шт.

14

0,1051 т

1,47 т

Электроды Э42

21

100 сварных соединений

10,36

6,3 кг

65,3 кг

Бетонная смесь В10, В15

15

м3

280

1,015 м3

284,2 м3

Эмульсия ЭКС

10

м2 опалубки

470

0,35 кг

164,5 кг

7. ТЕХНИКА БЕЗОПАСНОСТИ

Устройство монолитных фундаментов необходимо выполнять в соответствии со СНиП III-4-80, «Правилами пожарной безопасности при производстве строительно-монтажных работ» ГУПО 1978 г. и «Правилами устройства и безопасной эксплуатации грузоподъемных кранов» Госгортехнадзора СССР. Применяемое оборудование должно отвечать требованиям безопасности в соответствии с ГОСТ 12.1.013-78.

8. ТЕХНИКО-ЭКОНОМИЧЕСКИЕ ПОКАЗАТЕЛИ

1. Нормативные затраты труда рабочих, чел.-ч:

на весь объем - 677,97;

на 100 м3 - 242,13.

2. Нормативные затраты машинного времени, маш.-ч:

на весь объем - 110,13;

на 100 м3 - 39,33.

3. Заработная плата рабочих-монтажников, р.-к.:

на весь объем - 476-80.

4. Заработная плата механизаторов, р.-к.:

на весь объем - 115-36.

5. Продолжительность выполнения работ, смена - 11,5.

6. Выработка на одного рабочего в смену, м3 - 3,39;

2,89 (с учетом механизаторов).

7. Условные затраты на механизацию для базового варианта, р.-к. - 610,46.

8. Сумма изменяемых затрат, р.-к. - 1087,26.

9. ФАСЕТНЫЙ КЛАССИФИКАТОР ФАКТОРОВ

Привязка типовой технологической карты к конкретным условиям производится с помощью фасетного классификатора факторов, влияющих на расход материально-технических ресурсов, затрат труда, зарплату.

В фасетах содержится информация по всем вариантам производства работ, предусмотренным в ТТК. При выборе одного из этих вариантов необходимо произвести пересчет базовой калькуляции затрат труда, машинного времени и зарплаты, входящей в ТТК.

Для автоматизации расчетов калькуляций при привязке ТТК ЦНИИОМТП Госстроя СССР разработана программа для ЭВМ. Она позволяет использовать библиотеки ТТК и фасет на машинных носителях, производить в диалоговом режиме расчеты калькуляций. Привязка калькуляции заключается в коррекции базовой калькуляции в соответствии с выбранными из фасет вариантами.

Фасет 01

Масса грузов при разгрузке, 100 т

Наименование фактора

Обоснование

Код

Значение фактора

Фундаменты объемом, м3, до:

 

 

 

5

По проекту

1

0,254

8

«

2

0,369

10

«

3

0,426

12

«

4

0,457

15

«

5

0,534

18

«

6

0,608

20

«

7

0,647

25

«

8

0,814

30

«

9

1,005

Фасет 02

Норма времени и расценки на погрузку и выгрузку материалов кранами

Наименование фактора

Обоснование

Код

Значение фактора

Общая масса поднимаемого груза, т, до:

 

 

 

0,5

ЕНиР, §Е1-5, табл. 2, п. 1. ПР-3

1

По калькуляции

1

То же, п. 2

2

Н. вр. и расценки умножать на 0,55

1,5

То же, п. 3

3

Н. вр. и расценки умножать на 0,4

2

То же, п. 4

4

Н. вр. и расценки умножать на 0,327

3

То же, п. 5

5

Н. вр. и расценки умножать на 0,245

Фасет 03

Масса грузов при сортировке, т

Наименование фактора

Обоснование

Код

Значение фактора

Фундаменты объемом, м3, до:

 

 

 

5

По проекту

1

23,142

8

«

2

34,726

10

«

3

40,376

12

«

4

43,461

15

«

5

51,21

18

«

6

58,615

20

«

7

62,513

25

«

8

79,191

30

«

9

98,259

Фасет 04

Количество арматурных сеток башмаков, шт.

Наименование фактора

Обоснование

Код

Значение фактора

Площадь подошвы башмака фундамента, м2, до:

 

 

 

5

По проекту

1

14

10

«

2

28

20

«

3

42

30

«

4

56

Фасет 05

Нормы времени и расценки на установку арматурных сеток из арматуры диаметром 16 - 32 мм

Наименование фактора

Обоснование

Код

Значение фактора

Масса сеток, т, до:

 

 

 

0,3

ЕНиР, §Е4-1-44, табл. 1, п. 1а

1

По калькуляции

0,6

То же, п. 1б

2

Н. вр. рабочих - 0,81;

машиниста - 0,203.

Расц. рабочих - 0-54,9;

машиниста - 0-18,5

1

То же, п. 1в

3

Н. вр. и расценки умножить на - 3,33.

2

То же, п. 1г

4

Н. вр. рабочих - 2,1;

машиниста - 0,53.

Расц. рабочих - 1-42;

машиниста - 0-48,2

3

То же, п. 1д

5

Н. вр. рабочих - 2,4;

машиниста - 0,6.

Расц. рабочих - 1-63;

машиниста - 0-54,6

Фасет 06

Нормы времени и расценки на сборку армокаркасов подколонников

Наименование фактора

Обоснование

Код

Значение фактора

Масса каркасов, кг, до:

 

 

 

20

ЕНиР, §Е4-1-44, табл. 2, п. а

1

Н. вр. рабочих - 0,17.

Расценка - 0-11,2.

50

То же, п. б

2

По калькуляции

100

То же, п. в

3

Н. вр. рабочих - 0,36.

Расценка - 0-23,8.

Фасет 07

Масса свариваемых армокаркасов, т

Наименование фактора

Обоснование

Код

Значение фактора

Фундаменты объемом, м3, до:

 

 

 

5

По проекту

1

1,48

8

«

2

2,41

10

«

3

3,05

12

«

4

3,39

15

«

5

3,91

18

«

6

4,33

20

«

7

4,28

25

«

8

5,64

30

«

9

7,1

Фасет 08

Масса армокаркасов подколонников, учтенная при погрузке и разгрузке, 100 т

Наименование фактора

Обоснование

Код

Значение фактора

Фундаменты объемом, м3, до:

 

 

 

5

По проекту

1

0,03

8

«

2

0,048

10

«

3

0,061

12

«

4

0,068

15

«

5

0,078

18

«

6

0,087

20

«

7

0,086

25

«

8

0,113

30

«

9

0,142

Фасет 09

Нормы времени и расценки на установку краном армокаркасов подколонников

Наименование фактора

Обоснование

Код

Значение фактора

Масса армокаркасов, т, до:

 

 

 

0,3

ЕНиР, §Е4-1-44, табл. 1, п. 2а

1

Н. вр. рабочих - 0,79;

машиниста - 0,197.

Расц. рабочих - 0-53,5;

машиниста - 0-17,9.

0,6

То же, п. 2б

2

По калькуляции

1

То же, п. 2в

3

Н. вр. рабочих - 2,7;

машиниста - 0,675.

Расц. рабочих - 1-83;

машиниста - 0-61.

2

То же, п. 2г

4

Н. вр. рабочих - 3,5;

машиниста - 0,875.

Расц. рабочих - 2-37;

машиниста - 0-80.

3

То же, п. 2д

5

Н. вр. рабочих - 4,1;

машиниста - 1,025.

Расц. рабочих - 2-78;

машиниста - 0-93.

Фасет 10

Площадь опалубки, м2

Наименование фактора

Обоснование

Код

Значение фактора

Фундаменты объемом, м3, до:

 

 

 

5

По проекту

1

185

8

«

2

282

10

«

3

336

12

«

4

353

15

«

5

406

18

«

6

454

20

«

7

470

25

«

8

616

30

«

9

794

Фасет 11

Количество навесных площадок, шт.

Наименование фактора

Обоснование

Код

Значение фактора

Высота фундамента, м:

 

 

 

до 2

«Справочник строителя»

М. Стройиздат, 1987 г.

1

0

более 2

«

2

14

Фасет 12

Количество звеньев хобота, звено

Наименование фактора

Обоснование

Код

Значение фактора

При работе стрелового крана или бетоноукладчика, для фундаментов высотой, м:

 

 

 

до 4,5

СНиП 3.03.01-87, табл. 2

1

0

от 4,5 до 6

«

2

56

от 6 до 6,5

«

3

70

от 6,5 до 7

«

4

84

При работе автобетононасоса

-

5

0

Фасет 13

Количество принимаемой бетонной смеси, 100 м3

Наименование фактора

Обоснование

Код

Значение фактора

Фундаменты объемом, м3, до:

 

 

 

5

Общий объем фундаментов на захватке

1

0,7

8

«

2

1,12

10

«

3

1,4

12

«

4

1,68

15

«

5

2,1

18

«

6

2,52

20

«

7

2,8

25

«

8

3,5

30

«

9

4,2

Фасет 14

Масса подаваемой бетонной смеси, т

Наименование фактора

Обоснование

Код

Значение фактора

При работе:

стрелового крана, для фундаментов объемом, м3, до:

 

 

 

5

2,5 т/м3 ´ Vфунд.

1

175

8

«

2

280

10

«

3

350

12

«

4

420

15

«

5

525

18

«

6

630

20

«

7

700

25

«

8

875

30

«

9

1050

автобетононасоcа или бетоноукладчика

«

10

0

Фасет 15

Количество укладываемой бетонной смеси, м3

Наименование фактора

Обоснование

Код

Значение фактора

Фундаменты объемом, м3, до:

 

 

 

5

Общий объем фундаментов на захватке

1

70

8

«

2

112

10

«

3

140

12

«

4

168

15

«

5

210

18

«

6

252

20

«

7

280

25

«

8

350

30

«

9

420

Фасет 16

Нормы времени и расценки на укладку бетонной смеси

Наименование фактора

Обоснование

Код

Значение фактора

Стреловой кран

 

 

 

Фундаменты объемом, м3, до:

 

 

 

5

ЕНиР, §Е4-1-49, табл. 1, № 2

1

Н. вр. рабочих - 0,34;

расценка - 0-24,3.

10

То же, № 3

2

Н. вр. рабочих - 0,33;

расценка - 0-23,6.

25

То же, № 4

3

По калькуляции

30

То же, № 5

4

Н. вр. рабочих - 0,23;

расценка - 0-16,4.

Автобетононасос

Расчет № 1

5

Н. вр. рабочих - 0,18;

машиниста и оператора - 0,125.

Расценка рабочих - 0-11,4

машиниста и оператора - 0-11,9

Бетоноукладчик

Расчет № 2

6

Н. вр. рабочих - 0,43;

машиниста - 0,143.

Расценка рабочих - 0-28;

машиниста - 0-13.

Фасет 17

Площадь поливаемых бетонных поверхностей, 100 м2

Наименование фактора

Обоснование

Код

Значение фактора

Фундаменты объемом, м3, до:

 

 

 

5

Чертежи опалубки фундаментов

1

30,66

8

«

2

45,96

10

«

3

55,61

12

«

4

64,31

15

«

5

71,57

18

«

6

89,51

20

«

7

96,77

25

«

8

119,28

30

«

9

143,14

Фасет 18

Масса грузов при погрузке, 100 т

Наименование фактора

Обоснование

Код

Значение фактора

Фундаменты объемом, м3, до:

 

 

 

5

Общая масса приспособлений, инвентаря и элементов опалубки после разборки опалубки

1

0,214

8

«

2

0,315

10

«

3

0,36

12

«

4

0,371

15

«

5

0,418

18

«

6

0,457

20

«

7

0,464

25

«

8

0,599

30

«

9

0,762

Фасет 19

Норма расхода материалов на 1 м2 опалубки, т

Наименование фактора

Обоснование

Код

Значение фактора

Фундаменты объемом, м3, до:

 

 

 

5

Расход стали по рабочим чертежам

1

0,112

8

«

2

0,109

10

«

3

0,105

12

«

4

0,103

15

«

5

0,101

18

«

6

0,099

20

«

7

0,097

25

«

8

0,096

30

«

9

0,095

Фасет 20

Норма расхода арматуры на 1 фундамент, т

Наименование фактора

Обоснование

Код

Значение фактора

Фундаменты объемом, м3, до:

 

 

 

5

Чертежи армирования фундаментов

1

0,177

8

«

2

0,287

10

«

3

0,364

12

«

4

0,509

15

«

5

0,726

18

«

6

0,979

20

«

7

1,206

25

«

8

1,432

30

«

9

1,632

Фасет 21

Количество сварных соединений, 100 шт.

Наименование фактора

Обоснование

Код

Значение фактора

Фундаменты объемом, м3, до:

Чертежи армирования.

По расчету (0,058d2 - 8,5) кг,

где d - диаметр арматуры в мм.

Справочное пособие.

 

 

5

1

5,46

8

2

7,62

10

3

7,98

12

4

8,74

15

«

5

9,87

18

«

6

10,58

20

«

7

10,36

25

«

8

13,65

30

«

9

17,22

Фасет 22

Стоимость 1 маш.-ч работы механизмов, руб.*

Наименование фактора

Обоснование

Код

Значение фактора

Кран автомобильный грузоподъемностью до 6,3 т

СНиП IV-3-82.

Приложение, табл. 10, код 0470

1

4,01

Кран гусеничный грузоподъемностью до 16 т

СНиП IV-3-82.

Приложение, табл. 10, код 0488

2

5,64

Кран пневмоколесный грузоподъемностью до 10 т

СНиП IV-3-82.

Приложение, табл. 10, код 0520

3

6,65

Автобетононасос

Расчет экономической эффективности автобетононасоса ЦНИИОМТП, 1981 г.

4

13,95

Бетоноукладчик

СНиП IV-3-82.

Приложение, табл. 19, код 1401

5

3,12

* Стоимость машино-часов механизмов указана для территориального пояса № 1.

Фасет 23

Норма времени и расценка на прием бетонной смеси

Наименование фактора

Обоснование

Код

Значение фактора

При работе:

 

 

 

стрелового крана или бетоноукладчика

ЕНиР §Е4-1-54, п. 20

1

По калькуляции

автобетононасоса

-

2

0

Расчет № 1

Норма времени и расценка на прием, подачу и укладку бетонной смеси автобетононасосом с очисткой бетоновода

А. Норма времени и расценка на прием, подачу и укладку бетонной смеси автобетононасосом.

Эксплуатационная среднечасовая производительность составляет:

Пэ = Пт ´ Кт ´ Кпр м3/ч,

где: Пт = 60 м3/ч - техническая производительность автобетононасоса (паспортная);

Кт = 0,4 - коэффициент перехода от технической производительности к эксплуатационной;

Кпр = 0,7 - коэффициент, учитывающий простои.

Коэффициенты Кт и Кпр взяты из «Инструкции по определению экономической эффективности новых строительных, дорожных, мелиоративных машин; противопожарного оборудования; лифтов; изобретений и рационализаторских предложений. Часть II, 1978 г.».

Эксплуатационная среднечасовая производительность составит:

Пэ = 60 ´ 0,4 ´ 0,7 = 17 м3/ч.

Измеритель - 1 м3 бетонной смеси.

Время бетонирования 1 м3 составит: 1:17 = 0,06 ч.

Состав звена: машинист 5 разр. - 1 чел., оператор 5 разр. - 1 чел., бетонщики 3 разр. - 1 чел., 2 разр. - 2 чел.

Норма времени на измеритель составит:

для машиниста - 0,06 чел.-ч;

для оператора - 0,06 чел.-ч;

для остального звена - 0,06 ´ 3 = 0,18 чел.-ч.

Б. Норма времени на очистку бетоновода.

Согласно ЕНиР §Е4-1-48, табл. 6 (К = 0,3 на очистку 100 м бетоновода сжатым воздухом) норма времени составляет 1,89 чел.-ч.

Для принятой длины бетоновода (20 м) норма времени составит:

1,89 ´ 0,2 = 0,378 чел.-ч.

Очистка бетоновода проводится один раз в смену. За это время будет уложено 17 ´ 8,2 = 139,4 м3 бетонной смеси.

Приведенная норма времени на очистку бетоновода на измеритель (1 м3) составит:

0,378 : 139,4 = 0,0027 чел.-ч.

В. Общая норма времени на прием, подачу, укладку бетонной смеси и очистку бетоновода составит:

для рабочих - 0,18 чел.-ч;

для машиниста и оператора - (0,06 + 0,0027) ´ 2 = 0,125 чел.-ч.

Расценка составит:

для рабочих - (18/3)·(0-70 + 0-64 + 0-64) = 0-11,9 руб.

для машиниста и оператора - 0-91 ´ 0,125 = 0-11,4 руб.

Расчет № 2

Норма времени и расценка на подачу и укладку бетонной смеси бетоноукладчиком

Эксплуатационная среднечасовая производительность составляет:

Пэ = Пт ´ Кт ´ Кпр м3/ч,

где: Пт = 25 м3/ч - техническая производительность бетоноукладчика (паспортная);

Кт = 0,4 - коэффициент перехода от технической производительности к эксплуатационной;

Кпр = 0,7 - коэффициент, учитывающий простои.

Коэффициенты Кт и Кпр взяты из «Инструкции по определению экономической эффективности новых строительных, дорожных, мелиоративных машин; противопожарного оборудования; лифтов; изобретений и рационализаторских предложений. Часть II, 1978 г.».

Эксплуатационная среднечасовая производительность составит:

Пэ = 25 ´ 0,4 ´ 0,7 = 7 м3/ч.

Измеритель - 1 м3 бетонной смеси.

Время бетонирования 1 м3 составит: 1:7 = 0,143 ч.

Состав звена: машинист 5 разр. - 1 чел., бетонщики 3 разр. - 1 чел., 2 разр. - 2 чел.

Норма времени на измеритель составит:

для рабочих - 0,143 ´ 3 = 0,43 чел.-ч;

для машиниста - 0,143 чел.-ч.

Расценка составит:

для рабочих - (0,43/3)·(0-70 + 0-64 + 0-64) = 0-28 руб.

для машиниста - 0,143 ´ 0-91 = 0-13 руб.

СОДЕРЖАНИЕ

 

 




ГОСТЫ, СТРОИТЕЛЬНЫЕ и ТЕХНИЧЕСКИЕ НОРМАТИВЫ.
Некоммерческая онлайн система, содержащая все Российские Госты, национальные Стандарты и нормативы.
В Системе содержится более 150000 файлов нормативно-технической документации, действующей на территории РФ.
Система предназначена для широкого круга инженерно-технических специалистов.

Рейтинг@Mail.ru Яндекс цитирования

Copyright © www.gostrf.com, 2008 - 2026