Крупнейшая бесплатная информационно-справочная система онлайн доступа к полному собранию технических нормативно-правовых актов РФ. Огромная база технических нормативов (более 150 тысяч документов) и полное собрание национальных стандартов, аутентичное официальной базе Госстандарта. GOSTRF.com - это более 1 Терабайта бесплатной технической информации для всех пользователей интернета. Все электронные копии представленных здесь документов могут распространяться без каких-либо ограничений. Поощряется распространение информации с этого сайта на любых других ресурсах. Каждый человек имеет право на неограниченный доступ к этим документам! Каждый человек имеет право на знание требований, изложенных в данных нормативно-правовых актах!

  


 

ГОСУДАРСТВЕННЫЙ СТАНДАРТ СОЮЗА ССР

ИЗДЕЛИЯ ОГНЕУПОРНЫЕ
ДЛЯ СИФОННОЙ РАЗЛИВКИ СТАЛИ

ТЕХНИЧЕСКИЕ УСЛОВИЯ

ГОСТ 11586-69

ГОСУДАРСТВЕННЫЙ КОМИТЕТ СССР ПО СТАНДАРТАМ
Москва

ГОСУДАРСТВЕННЫЙ СТАНДАРТ СОЮЗА ССР

ИЗДЕЛИЯ ОГНЕУПОРНЫЕ
ДЛЯ СИФОННОЙ РАЗЛИВКИ СТАЛИ

Технические условия

Refractories for bottom pouring.
Specifications

ГОСТ
11586-69

Срок действия с 01.07.69
до 01.01.99

Несоблюдение стандарта преследуется по закону

Настоящий стандарт распространяется на огнеупорные шамотные изделия для разливки стали сифонным способом в изложницы и литейные формы, а также на промежуточные воронки со стаканчиками для разливки сверху.

(Измененная редакция, Изм. № 4).

Разд. 1. (Исключен, Изм. № 4).

2. ФОРМА И РАЗМЕРЫ

2.1. Форма и размеры изделий должны соответствовать требованиям, указанным на черт. 1 - 4, 6 - 24 и в табл. 1 - 4, 6 - 24.

(Измененная редакция, Изм. № 4).

2.2. При прессовании сифонных изделий на верхней и нижней частях наружной и внутренней их поверхности допускается цилиндрический, а для сифонных трубок призматический поясок высотой до 5 мм.

На воронке в верхней ее части цилиндрический поясок может быть заменен срезом под углом 90° к образующей наружного конуса до середины толщины стенки.

Пазы и буртики изделий изготовляются с радиусами закругления до 4 мм для типоразмеров изделий, имеющих высоту буртика и глубину паза менее 10 мм и до 5 мм для остальных типоразмеров изделий. Радиусы закругления ребер сифонных трубок допускаются до 8 мм, а для трубок с боковыми отверстиями - до 5 мм.

Для четырехходовых, шестиходовых и восьмиходовых звездочек и сифонных тройниковых трубок допускается притупленность внутренних углов до 4 мм.

(Измененная редакция, Изм. № 4).

2.3. Объем, расчетная масса и кажущаяся плотность изделий приведены в приложении 4.

2.4. При проверке готовой продукции замеру подлежат только следующие размеры изделий:

воронки - Н, h, D, D1, D2, D3, D4, d (черт. 1, табл. 1);

центровые трубки - Н, h, h1, D, D1, D2, d, d1, d2, d3, d4 (черт. 2-3, табл. 2-3);

звездочки - А, Н, h, h1, D1, D2, d, d1, d2, d3 (черт. 4-11, табл. 4-11);

угловые сифонные трубки - В, l, d, d1, d2 (черт. 18, табл. 18)

и другие сифонные трубки - В, L, l, l1, D1, D2, d, d1, d2, d3 (черт. 12-17, 19-20, табл. 12-17, 19-20);

стаканчики для изложниц - H, D, D1, d, d1 (черт. 21, табл. 21);

промежуточные воронки - H, D, D1, D2, d1 (черт. 22, табл. 22);

стаканчики для воронок - H, d, d1, d2 (черт. 23, табл. 23);

вкладыши - H, D, D1 (черт. 24, табл. 24).

Остальные размеры контролю не подлежат. Их точность обеспечивается оснасткой пресс-форм и технологией изготовления.

(Измененная редакция, Изм. № 4).

2.5. Допускается изготовление изделий других форм и размеров по чертежам, согласованным изготовителем и потребителем в установленном порядке.

(Введен дополнительно, Изм. № 4).

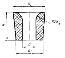
Воронки

Черт. 1

Таблица 1

мм

Номера изделий

H

H1

h

D

D1

D2

D3

D4

d

1

200

25

15

120

95

90

225

270

70

2

300

25

15

140

110

105

245

295

80

3

300

25

15

150

120

115

270

320

90

4

300

25

15

160

130

125

270

320

100

5

250

25

21

180

150

140

280

340

100

Трубки центровые

Черт. 2

Таблица 2

мм

Номера изделий

H

h

h1

D

D1

D2

d

d1

d2

6

300 250

15

12

120

95

90

70

101

96

7

300 250

15

12

140

110

105

80

116

111

8

300 250

15

12

150

120

115

90

126

121

9

300 250

15

12

160

130

125

100

136

131

10

300 250

21

18

180

150

140

100

156

146

Трубки центровые с двумя пазами

Черт. 3

Таблица 3

мм

Номера изделий

H

h

h1

D

d

d1

d2

d3

d4

11

150

18

12

180

80

116

111

146

136

12

150

18

12

180

90

126

121

151

141

13

150

18

12

190

100

136

131

156

146

14

150

18

18

190

100

156

146

156

146

Примечание. По соглашению сторон допускается изготовление центровых трубок высотой h на 2 мм больше указанной в табл. 3.

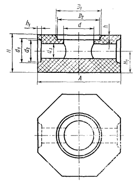
Звездочки двухходовые с пазом

Черт. 4*

Таблица 4*

мм

Номера изделий

А

H

H1

h

h1

D1

D2

d

d1

d2

d3

15

210

95

55

12

8

101

96

70

65

60

35 40

16

210

95

55

12

8

116

111

80

65

60

35 40

17

210

95

55

12

8

126

121

90

65

60

35 40

18

260

115

65

12

10

126

121

90

81

76

50

* Чертеж 5, таблица 5 исключены.

Звездочки четырехходовые прямоугольные с пазом

Черт. 6

Таблица 6

мм

Номера изделий

А

Н

H1

h

h1

D1

D2

d

d1

d2

d3

30

210

95

55

12

8

101

96

70

65

60

35 40

31

210

95

55

12

8

116

111

80

65

60

35 40

32

210

95

55

12

8

126

121

90

65

60

35 40

33

260

115

65

12

10

126

121

90

81

76

50

35

260

115

65

12

10

136

131

100

81

76

50

36

260

135

75

12

18

136

131

100

100

94

60

Примечание. По соглашению сторон допускается изготовление звездочек № 34 и 36 в виде неравносторонних восьмиугольных призм, у которых грани с выходным отверстием имеют в основании следующие размеры: у звездочки № 34 - 100 мм, № 36 - 120 мм.

Звездочки четырехходовые прямоугольные с буртиком

Черт. 7

Таблица 7

мм

Номера изделий

A

H

H1

h

h1

D1

D2

d

d1

d2

d3

38

210

95

55

21

8

140

130

80

65

60

35 40

39

210

95

55

21

8

145

135

90

65

60

35 40

40

260

115

65

21

10

145

135

90

81

76

50

41

210

115

65

21

10

150

140

100

81

76

50

43

260

135

75

21

18

150

140

100

100

94

60

Примечание. По соглашению сторон допускается изготовление звездочек № 41 и 43 в виде неравносторонних восьмиугольных призм, у которых грани с выходным отверстием имеют в основании следующие размеры: у звездочки № 41 - 100 мм, № 43 - 120 мм.

Звездочки четырехходовые косоугольные с пазом

Черт. 8

Таблица 8

мм

Номера изделий

А

H

H1

h

h1

D1

D2

d

d1

d2

d3

46

210

95

55

12

8

116

111

80

65

60

35 40

47

210

95

55

12

8

126

121

90

65

60

35 40

49

210

115

65

12

10

136

131

100

81

76

50

51

260

135

75

12

18

136

131

100

100

94

60

Звездочки четырехходовые косоугольные с буртиком

Черт. 9

Таблица 9

мм

Номера изделий

A

H

H1

h

h1

D1

D2

d

d1

d2

d3

54

210

95

55

21

8

145

135

90

65

60

35 40

Звездочки шестиходовые с пазом

Черт. 10

Таблица 10

мм

Номера изделий

А

Н

H1

h

h1

D1

D2

d

d1

d2

d3

60

210

95

55

12

8

116

111

80

65

60

35 40

61

210

95

55

12

8

126

121

90

65

60

35 40

62

260

115

65

12

10

126

121

90

81

76

50

64

260

115

65

12

10

136

131

100

81

76

50

Звездочки восьмиходовые с пазом

Черт. 11

Таблица 11

мм

Номера изделий

А

H

Н1

h

h1

D1

D2

d

d1

d2

d3

65

210

95

55

12

8

116

111

80

65

60

35 40

66

210

95

55

12

8

126

121

90

65

60

35 40

67

210

115

65

12

8

136

131

100

65

60

40

68

260

115

65

12

8

136

131

100

65

60

35 40

Примечание. По соглашению сторон допускается изготовление восьмиходовых звездочек с двумя заглушенными отверстиями.

Трубки сифонные пролетные

Черт. 12

Таблица 12

мм

Номера изделий

B

D1

D2

d

d1

d2

L

l

l1

69

80

62

56

35 40

65

60

125 150 175 200 225 250 275 300

10

8

70

100

78

72

50

81

76

150 200 250 300

12

10

71

120

94

88

60

100

94

150 200 250 300

21

18

Трубки сифонные пролетные с двумя буртиками

Черт. 13

Таблица 13

мм

Номера изделий

B

D1

D2

d

L

l

73

100

78

72

50

200 250 300

12

74

120

94

88

60

200 250 300

21

Трубки сифонные пролетные с боковым отверстием

Черт. 14

Таблица 14

мм

Номера изделий

B

D1

D2

d

d1

d2

L

L1

l

l1

75

80

62

56

35 40

65

60

150 200 250 300

75

10

8

76

100

78

72

50

81

76

150 200 250 300

75

12

10

77

120

94

88

60

100

94

150 200 250 300

75

21

18

Трубки сифонные пролетные с двумя боковыми отверстиями

Черт. 15

Таблица 15

мм

Номера изделий

В

D1

D2

d

d1

d2

L

L1

l

l1

78

80

62

56

35 40

65

60

150 200 300

75

10

8

Трубки сифонные пролетные с двумя боковыми отверстиями

Черт. 16

Таблица 16

мм

Номера изделий

B

D1

D2

d

d1

d2

L

L1

l

l1

79

80

62

56

35 40

65

60

150 300

75

10

8

Трубки сифонные тройниковые

Черт. 17

Таблица 17

мм

Номера изделий

B

D1

D2

d

d1

d2

d3

L

l

l1

80

80

62

56

35 40

65

60

60

138

10

8

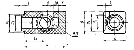
Трубки сифонные угловые

Черт. 18

Таблица 18

мм

Номера изделий

B

d

d1

d2

L

L1

l1

α

81

80

35 40

65

60

100

100

8

135

82

100

50

81

76

100

100

10

135

83

120

60

100

94

100

100

18

120 135 150

Примечания:

1. По соглашению сторон допускается изготовление угловой трубки без отверстия А, а также изготовление угловой трубки № 81 с L = 90 мм и с буртиком вместо паза, аналогичным буртику изделий № 69, 72, 75, 78.

2. По соглашению сторон допускается изготовление косоугольных сифонных изделий по чертежам заказчика.

Трубки сифонные концевые

Черт. 19

Таблица 19

мм

Номера изделий

B

D1

D2

d

L

l

K

84

80

62

56

35 40

150 175 200 250 300

10

25

85

100

78

72

50

150 175 200 250 300

12

30

86

120

94

88

60

150 175 200

21

40

Трубки сифонные концевые с боковым отверстием

Черт. 20

Таблица 20

мм

Номера изделий

B

D1

D2

d

d1

d2

L

L1

l

l1

K

87

80

62

56

35

40

65

60

150

300

75

75

10

8

25

Стаканчики для изложниц

Черт. 21

Таблица 21

мм

Номера изделий

Н

D

D1

d

d1

88

110

90

105

40 50

60

89

140

95

112

50

65

90

220

115

135

50 60

70

Воронка промежуточная

Черт. 22

Таблица 22

мм

Номера изделий

H

H1

D

D1

D2

d1

d2

91

300

100

160

320

260

95

114

Стаканчики для промежуточных воронок

Черт. 23

Таблица 23

мм

Номера изделий

H

d

d1

d2

92

100

24 26 28 30 35 40 45 50

93

112

Вкладыши глухие

Черт. 24

Таблица 24

мм

Номера изделий

H

D

D1

93

110

90

105

3. ТЕХНИЧЕСКИЕ ТРЕБОВАНИЯ

3.1. Огнеупорные изделия по физико-химическим показателям должны соответствовать требованиям, указанным в табл. 25.

Таблица 25

Наименования показателя

Норма для изделий

ШС-32

ШС-28

1. Массовая доля Al2О3, %, не менее

32

28

2. Огнеупорность, °С, не ниже

1690

1670

3. Дополнительная усадка при температуре 1350 °С, (выдержка 2 ч), %, не более

0,4

0,5

4 Открытая пористость, %

15-24

15-26

5. Термическая стойкость, теплосмен (нагрев до 800 °С, охлаждение на воздухе): центровой, пролетной и концевой сифонных трубок при внезапном нагреве всего изделия

1

1

Примечания:

1. (Исключен, Изм. № 4).

2. Для изделий марки ШС-28 пластического способа производства допускается скрытая пористость не более 28 %.

3, 4. (Исключены, Изм. № 2, 4).

(Измененная редакция, Изм. № 2, 3, 4).

3.2. Предельные отклонения по размерам изделий должны соответствовать требованиям, указанным в табл. 26.

3.3. Огнеупорные изделия по показателям внешнего вида должны соответствовать требованиям, указанным в табл. 27.

Таблица 26

Размеры изделий

Предельные отклонения

Воронки

Трубки центровые

Звездочки

Трубки сифонные - пролетные, тройниковые, угловые, концевые и стаканчики

1 Диаметры буртиков, пазов и внутренних каналов

 

 

 

 

для изделий полусухого способа производства:

 

 

 

 

до 60 мм включ.

Не нормируются

±1 мм

±1 мм

св. 60 мм

±2 мм

±2 мм

±2 мм

±2 мм

для изделий пластичного способа производства:

 

 

 

 

до 60 мм включ.

Не нормируются

±2 мм

±2 мм

св. 60 мм

±3 мм

±3 мм

±3 мм

±3 мм

2. Высота буртиков и пазов

±1 мм

±1 мм

±1 мм

±1 мм

3. Остальные размеры:

 

 

 

 

для изделий полусухого способа производства

±2,5 %

±2 %

±2 %

±2 %

для изделий пластичного способа производства

±2,5 %

±2 %

±2 %

±2 %

Таблица 27

Наименование показателей

Нормы для изделий

Воронки

Трубки центровые

Звездочки

Трубки сифонные - пролетные, тройниковые, угловые, концевые и стаканчики

1. Эллипсность, мм, при диаметре до 200 мм, не более

2

2

2

2

2. Кривизна (стрела прогиба), мм, не более:

 

 

 

 

для изделий полусухого способа производства

Не нормируется

3

2

2

для изделий пластичного способа производства

Не нормируется

4

3

3

3. Скошенность торцовых плоскостей трубок центровых и сифонных, мм, не более:

 

 

 

 

для изделий полусухого способа производства

Не нормируется

2

Не нормируется

1

для изделий пластичного способа производства

Не нормируется

2

Не нормируется

1

4. (Исключен, Изм. № 4).

 

5. Отбитости, шт., не более:

 

 

 

 

на кромках торцовых плоскостей глубиной до 5 мм включ.

3

3

3

3

на буртиках и пазах

Не допускаются

на остальной рабочей поверхности глубиной не более 3 мм, длиной не более 5 мм

3

2

2

2

на нерабочей поверхности, включая углы и ребра, глубиной не более:

 

 

 

 

6 мм включ.

Не нормируются

3

3

3

10 мм включ.

4

Не допускаются

6. Вмятины на изделиях пластического способа производства:

 

на стыках торцовых плоскостей

Не допускаются

на остальных поверхностях:

 

глубиной, мм, не более

4

4

4

4

шириной, мм, не более

25

25

25

25

количество, шт., не более

2

2

2

2

7 Выплавки отдельные диаметрам, им, не более:

 

 

 

 

на рабочей поверхности

6

6

6

6

на нерабочей поверхности

8

8

8

8

8. Посечки поверхностные, отдельные, не пересекающие ребро, шириной:

 

 

 

 

да 0,3 мм включ.

Не нормируются

св. 0,3 до 0,5 мм включ., длиной мм, не более:

 

пересекающие буртики и пазы

Не допускаются

на остальной рабочей поверхности

25

25

25

25

на нерабочей поверхности

Не нормируются

70

70

70

9. Трещины шириной св. 0,5 мм

Не допускаются

10. (Исключен, Изм. №4).

 

11. Рабочие каналы

Должны быть свободны от песка, шамотного порошка и других загрязнений и налипов.

12. Поверхность изделий

На рабочей стороне поверхность должна быть гладкой, без выступающих и выкрашивающихся зерен и заусенцев

Примечания:

1. Под эллипсностью понимается разность максимального и минимального диаметров измеряемой окружности.

2. (Исключен, Изм. № 4).

3. Рабочей поверхностью изделий считается поверхность, соприкасающаяся с металлом, а также все места непосредственного стыка изделий.

4. (Исключен, Изм. № 4).

(Измененная редакция, Изм. № 4).

3.4. Изделия в изломе должны иметь однородное строение, зерна не должны выкрашиваться. Не допускаются трещины, пустоты и слоистая структура. Допускаются отдельные посечки шириной до 0,5 мм и длиной не более 20 мм.

3.5. (Исключен, Изм. № 4).

4а. ПРАВИЛА ПРИЕМКИ

4а.1. Правила приемки - по ГОСТ 8179-85 с дополнениями.

4а.1.1. Для приемки изделий, прошедших предварительную разбраковку, применяется план контроля номер 2; для приемки изделий, не прошедших предварительную разбраковку, план контроля номер 5.

4а.2. Масса партии не должна превышать 60 т.

4а.3. При проверке соответствия качества изделий требованиям настоящего стандарта порядок проведения испытаний должен соответствовать требованиям табл. 28а.

Таблица 28а

Наименование показателя

Порядок проведения испытаний

Внешний вид и размеры

От каждой партии

Строение в изломе

То же

Массовая доля Аl2О3

От каждой десятой партии

Огнеупорность

То же

Дополнительная линейная усадка

От каждой десятой партии

Пористость открытая

От каждой партии

Термическая стойкость центровых трубок, сифонных пролетных и концевых трубок

От каждой пятой партии

Разд. (Введен дополнительно, Изм. № 4).

4. МЕТОДЫ ИСПЫТАНИЙ

4.1 - 4.4 (Исключены, Изм. № 4).

4.5. Массовую долю Аl2О3 определяют по ГОСТ 2642.0-86, ГОСТ 2642.4-86 или другими методами, обеспечивающими требуемую точность. При возникновении разногласий в оценке качества огнеупорных изделий определения проводят по ГОСТ 2642.0-86, ГОСТ 2642.4-86.

Для определения массовой доли Аl2О3 и огнеупорности берут среднюю пробу от трех образцов, у которых контролировали пористость.

(Измененная редакция, Изм. № 4).

4.6. Огнеупорность определяют по ГОСТ 4069-69.

4.7. Дополнительную усадку определяют по ГОСТ 5402-81. Изделия, форма и размеры которых не позволяют изготовить образцы по ГОСТ 5402-81, испытанию на определение дополнительной усадки не подлежат.

(Измененная редакция, Изм. № 4).

4.8. Термическую стойкость определяют по методике, указанной в приложении 1.

(Измененная редакция, Изм. № 4).

4.9. Открытую пористость определяют по ГОСТ 2409-80.

Для изделий номеров 6-10, 69-71, 73-79, 84-87, 93 - по ГОСТ 2409-80 или по ГОСТ 25714-83. Определение открытой пористости по ГОСТ 25714-83 проводят на удвоенном количестве образцов.

(Измененная редакция, Изм. № 4).

4.10. (Исключен, Изм. № 2).

4.11. Размеры изделий проверяют металлической линейкой (ГОСТ 427-75) с ценой деления 1 мм или другим мерительным инструментом, обеспечивающим заданную точность измерения.

4.12. Кривизну изделий (стрелу прогиба) определяют на ровной металлической плите при помощи щупа шириной 10 мм и толщиной, превышающей на 0,1 мм установленную норму кривизны. Щуп не должен входить в зазор между плитой и изделием.

При определении кривизны изделие слегка прижимают к плите и щуп вводят в зазор скольжением по плите без применения усилия.

4.13. Скошенность торцовых плоскостей центровых и сифонных трубок определяют по следующей методике. Поверочный угольник типа УП или УШ (ГОСТ 3749-77) с размером Н не менее 250 мм плотно прикладывают одной стороной к образующей трубке, а второй - к торцу изделия. Скошенность определяют по величине максимального зазора, образующегося между сторонами угольника и торцовой плоскостью. Для изделий, имеющих конусность, скошенность определяют по указанному максимальному зазору, уменьшенному на величину, равную произведению диаметра или размера стороны измеряемого торца трубки на конусность изделия.

Примечание. Под конусностью понимается отношение разности верхнего и нижнего диаметров изделия цилиндрической формы или разность противоположных сторон изделия призматической формы к высоте изделия.

(Измененная редакция, Изм. № 4).

4.13а. Поверхность излома получают приложением ударной нагрузки. Строение в изломе определяют визуально.

(Введен дополнительно, Изм. № 4).

4.14. Глубину отбитости и притупленности углов и ребер определяют по ГОСТ 15136-78.

4.14а. Диаметр выплавок замеряют в месте максимальной ширины выплавки металлической линейкой (ГОСТ 427-75) с ценой деления шкалы 1 мм.

4.14б. Ширину посечек и трещин определяют измерительной лупой типа ЛИ (ГОСТ 25706-83). Измерительную лупу располагают таким образом, чтобы ее шкала была перпендикулярна посечке. Между шкалой измерения и поверхностью изделия помещают полоску бумаги, которую располагают вдоль шкалы вплотную к делению. Ширину посечки или трещины определяют в месте ее максимальной величины. Длину посечки или трещины определяют металлической линейкой (ГОСТ 427-75) с ценой деления шкалы 1 мм.

4.14в. Наличие поверхностных посечек и выплавок в канале изделий, а также качество поверхности изделий определяют органолептическим методом измерения показателей качества продукции (ГОСТ 15467-79).

4.14а - 4.14б (Введены дополнительно, Изм. № 4).

4.15. (Исключен, Изм. № 4).

5. МАРКИРОВКА, ХРАНЕНИЕ И ТРАНСПОРТИРОВАНИЕ

5.1. Маркировка изделий должна производиться по ГОСТ 24717-81. Перед номером изделия следует ставить маркировочный знак С (сифонные изделия).

5.2. Хранение и транспортирование изделий производят по ГОСТ 24717-81.

5.3. Каждая партия сифонных изделий должна сопровождаться документом, удостоверяющим соответствие поставляемых изделий требованиям настоящего стандарта, в котором указывают:

а) товарный знак или наименование предприятия-изготовителя;

б) наименование изделий;

в) порядковый номер партии и дату выпуска;

г) результаты проверочных испытаний;

д) количество изделий;

е) номер настоящего стандарта.

5.4. (Исключен, Изм. № 4).

ПРИЛОЖЕНИЕ 1
Обязательное

ИНСТРУКЦИЯ ПО ИСПЫТАНИЮ ЦЕНТРОВЫХ ТРУБОК, СИФОННЫХ ПРОЛЕТНЫХ И КОНЦЕВЫХ ТРУБОК НА ТЕРМИЧЕСКУЮ СТОЙКОСТЬ МЕТОДОМ ВНЕЗАПНОГО НАГРЕВА ВСЕГО ИЗДЕЛИЯ

1. Аппаратура

1.1. Общий вид установки для испытания на термическую стойкость центровых трубок, сифонных пролетных и концевых трубок показан на черт. 1.

1 - подпятник; 2 - груз; 3 - рукоятка; 4 - канат; 5 - кронштейн; 6 - электрическая печь с нихромовым нагревателем; 7 - стол; 8 - крышка; 9 - обмотка; 10 - изоляция (легковес); 11 - изоляция (асбест); 12 - трубка; 13 - кожух.

Черт. 1

Установка состоит из следующих элементов:

электрической печи с вертикальной шамотной трубой диаметром 200-300 мм и высотой 400 мм; нагревателя (нихромовая лента). Прибор включается в сеть через трансформатор. Предельная температура в печи 800 °С. Для уменьшения теплопотерь труба изолирована асбестом (ГОСТ 2850-80), а пространство между железным кожухом печи и изолированной асбестом трубой с нихромовой обмоткой заполняется боем огнеупорного легковесного шамотного кирпича; приспособления для загрузки и выгрузки из печи испытуемых изделий; термопары по ГОСТ 6616-74 для замера температуры до 800-900 °С.

2. Проведение испытаний

2.1. Высушенную при 110 °С и остывшую до комнатной температуры испытуемую центровую трубку или пролетную сифонную трубку надевают на металлический стержень, а концевую сифонную трубку - на специальный штырь. Конец металлического стержня защищают от воздействия высокой температуры шамотной шайбой. Верхнюю часть металлического стержня и штыря защищают от перегрева шамотной трубкой.

В центре печи устанавливают термопару, после чего печь включают в сеть. По достижении в печи температуры 800 °С термопару вынимают, подготовленное изделие подвешивают на металлический трос и при помощи специального приспособления быстро загружают в печь.

После загрузки испытуемого изделия трубу печи закрывают составной крышкой. Изделие выдерживают в печи 15 мин. В течение этого времени печь находится под током того же напряжения, которое было при достижении в печи температуры 800 °С. Падение температуры в печи после загрузки в нее изделия не нормируется.

2.2. Через 15 мин нагретое изделие извлекают из печи и охлаждают на воздухе.

3. Оценка термической стойкости изделий

3.1. Испытанию на термическую стойкость подвергают три изделия от одной партии.

Термическая стойкость изделия считается удовлетворительной, если после внезапного нагрева от комнатной температуры до 800 °С с выдержкой в течение 15 мин и последующего охлаждения оно не распадается на части (черт. 2а, б, в, д, е, ж), несмотря на наличие трещин, шелушения и сколов по торцам. Термическая стойкость изделия считается пониженной, если после испытания оно распадается на части (черт. 2г, з).

Черт. 2

4. Запись результатов испытаний

4.1. Результаты испытаний записывают по форме № 1.

Форма № 1

Результаты определения термической стойкости сифонных изделий

Предприятие

Номер партии

Дата испытания

Номер изделия

Характер разрушения при испытании

Оценки термической стойкости образцов при испытании

Примечание

 

 

 

 

 

 

 

ПРИЛОЖЕНИЕ 2 (Исключено, Изм. № 2).

ПРИЛОЖЕНИЕ 3 (Исключено, Изм. № 4).

ПРИЛОЖЕНИЕ 4
Справочное

Объем и расчетная масса изделий

Номер изделий

d, мм

d3, мм

L, мм

α°

Объем, см3

Масса, кг ≈

1

-

-

-

-

2730

5,5

2

-

-

-

-

5105

10,2

3

-

-

-

-

5590

11,2

4

-

-

-

-

5750

11,5

5

-

-

-

-

6595

13,2

6

-

-

-

-

2235

4,5

7

-

-

-

-

3110

6,2

8

-

-

-

-

3390

6,8

9

-

-

-

-

3675

7,4

10

-

-

-

-

5280

10,6

11

-

-

-

-

2930

5,9

12

-

-

-

-

2715

5,4

13

-

-

-

-

2915

5,8

14

-

-

-

-

2755

5,5

15

-

35

-

-

3095

6,2

 

-

40

-

-

3045

6,1

16

-

35

-

-

3050

6,1

 

-

40

-

-

3005

6,0

17

-

35

-

-

3015

6,0

 

-

40

-

-

2970

5,9

18

-

50

-

-

5630

11,3

30

-

35

-

-

2850

5,7

 

-

40

-

-

2770

5,5

31

-

35

-

-

2790

5,6

 

-

40

-

-

2705

5,4

32

-

35

-

-

2725

5,4

 

-

40

-

-

2650

5,2

33

-

50

-

-

5090

10,2

35

-

50

-

-

5010

10,0

36

-

60

-

-

5470

10,9

38

-

35

-

-

3070

6,1

 

-

40

-

-

2990

6,0

39

-

35

-

-

3010

6,0

 

-

40

-

-

2935

5,9

40

-

50

-

-

5355

10,7

41

-

50

-

-

3255

6,5

43

-

60

-

-

5795

11,6

46

-

35

-

-

2790

5,6

 

-

40

-

-

2705

5,4

47

-

35

-

-

2725

5,4

 

-

40

-

-

2650

5,2

49

-

50

-

-

2970

5,3

51

-

60

-

-

5470

10,9

54

-

35

-

-

3010

6,0

 

 

40

-

-

2935

5,9

60

-

35

-

-

2780

5,6

 

-

40

-

-

2665

5,3

61

-

35

-

-

2725

5,4

 

-

40

-

-

2620

5,2

62

-

50

-

-

4980

10,0

64

-

50

-

-

4925

9,8

65

-

35

-

-

2460

4,9

 

-

40

-

-

2310

4,6

66

-

35

-

-

2415

4,8

 

-

40

-

-

2280

4,6

67

-

40

-

-

2885

5,8

68

-

35

-

-

5060

10,1

 

-

40

-

-

4875

9,8

 

 

 

 

 

d = 35

d = 40

d = 35

d = 40

69

35

-

125

-

680

645

1,4

1,3

 

40

-

150

-

820

775

1,6

1,6

 

-

-

175

-

955

900

1,9

1,9

 

-

-

200

-

1090

1030

2,2

2,1

 

-

-

225

-

1225

1160

2,4

2,3

 

-

-

250

-

1360

1285

2,7

2,6

 

-

-

275

-

1500

1415

3,0

2,8

 

-

-

300

-

1635

1545

3,3

3,1

70

50

-

150

-

1205

2,4

 

-

-

200

-

1610

3,2

 

-

-

250

-

2010

4,0

 

-

-

300

-

2410

4,8

71

60

-

150

-

1730

3,5

 

-

-

200

-

2310

4,6

 

-

-

250

-

2890

5,8

 

-

-

300

-

3470

6,9

73

100

-

200

-

2485

5,0

 

-

-

250

-

3065

6,1

 

-

-

300

-

3645

7,3

74

60

-

200

-

2485

5,0

 

-

-

250

-

3065

6,1

 

-

-

300

-

3645

7,3

 

 

 

 

 

d = 35

d = 40

d = 35

d = 40

75

35

-

150

-

775

730

1,6

1,5

 

40

-

200

-

1045

985

2,1

2,0

 

-

-

250

-

1320

1245

2,6

2,5

 

-

-

300

-

1590

1500

3,2

3,0

76

50

-

150

-

1125

2,2

 

-

-

200

-

1525

3,0

 

-

-

250

-

1915

3,8

 

-

-

300

-

2330

4,6

77

60

-

150

-

1555

3,1

 

-

-

200

-

2135

4,3

 

-

-

250

-

2715

5,4

 

-

-

300

-

3290

6,6

 

 

 

 

 

d = 35

d = 40

d = 35

d = 40

78

35

-

150

-

755

705

1,5

1,4

 

40

-

200

-

1025

960

2,0

1,9

 

-

-

300

-

1570

1475

3,1

3,9

79

35

-

150

-

735

685

1,5

1,4

 

40

-

300

-

1550

1465

3,1

2,9

80

35

-

-

-

1043

2,1

 

40

-

-

-

975

2,0

81

35

-

-

135

1010

2,0

 

40

-

-

135

950

1,9

82

50

-

-

135

1455

2,9

83

60

-

-

120

 

 

 

 

-

-

135

1950

3,9

 

 

-

-

150

 

 

 

 

 

 

 

d = 35

d = 40

d = 35

d = 40

84

35

 

150

-

840

795

1,7

1,6

 

40

-

175

-

980

930

2,0

1,9

 

-

-

200

-

1110

1050

2,2

2,1

 

-

-

250

-

1385

1310

2,8

2,6

 

-

-

300

-

1655

1565

3,3

3,1

85

50

-

150

-

1250

2,5

 

-

-

175

-

1450

2,9

 

-

-

200

-

1650

3,3

 

-

-

250

-

2055

4,1

 

-

-

300

-

2455

4,9

86

60

-

150

-

1850

3,7

 

-

-

175

-

2140

4,3

 

-

-

200

-

2430

4,9

 

 

 

 

 

d = 35

d = 40

d = 35

d = 40

87

35

-

150

-

790

745

1,6

1,5

 

40

-

300

-

1605

1515

3,2

3,0

88

40

-

-

-

605

1,2

 

50

-

-

-

560

1,1

89

50

-

-

-

815

1,6

90

50

-

-

-

2070

4,1

 

60

-

-

-

1975

3,9

91

-

-

-

-

7435

14,9

92

24

-

-

-

780

1,6

 

26

-

-

-

770

1,5

 

28

-

-

-

765

1,5

 

30

-

-

-

755

1,5

 

35

-

-

-

730

1,5

 

40

-

-

-

700

1,4

 

45

-

-

-

670

1,4

 

50

-

-

-

630

1,3

93

-

-

-

-

825

1,6

Примечание. При расчете массы изделий средняя кажущаяся плотность ориентировочно принята 2,0 г/см3.

ИНФОРМАЦИОННЫЕ ДАННЫЕ

1. РАЗРАБОТАН И ВНЕСЕН Государственным комитетом по черной и цветной металлургии при Госплане СССР

ИСПОЛНИТЕЛИ

А.К. Карклит, А.Г. Маранц, И.Ю. Соломинская

2. УТВЕРЖДЕН И ВВЕДЕН В ДЕЙСТВИЕ Постановлением Государственного комитета стандартов, мер и измерительных приборов при Совете Министров СССР от 02.01.69 № 31

3. ВЗАМЕН ГОСТ 4978-49 и ГОСТ 5498-50

4. ССЫЛОЧНЫЕ НОРМАТИВНО-ТЕХНИЧЕСКИЕ ДОКУМЕНТЫ

Обозначение НТД, на который дана ссылка

Номер пункта, подпункта, приложения

ГОСТ 427-75

4.11, 4.14а,  4.146

ГОСТ 2409-80

4.9

ГОСТ 2642.0-86

4.5

ГОСТ 2642.4-86

4.5

ГОСТ 2850-80

Приложение 1

ГОСТ 3749-77

4.13

ГОСТ 4069-69

4.6

ГОСТ 5402-81

4.7

ГОСТ 6616-74

Приложение 1

ГОСТ 8179-85

4а.1

ГОСТ 15136-78

4.14

ГОСТ 15467-79

4.14в

ГОСТ 24717-81

5.1, 5.2

ГОСТ 25706-83

4.14б

ГОСТ 25714-83

4.9

5. Срок действия продлен до 01.01.99 Постановлением Государственного комитета СССР по стандартам от 22.06.88 № 2091

6. Переиздание (ноябрь 1988 г.) с Изменениями № 2, 3, 4, утвержденными в апреле 1974 г., июне 1979 г., июне 1988 г. (ИУС 6-74, 8-79, 10-88).

СОДЕРЖАНИЕ

 

 




ГОСТЫ, СТРОИТЕЛЬНЫЕ и ТЕХНИЧЕСКИЕ НОРМАТИВЫ.
Некоммерческая онлайн система, содержащая все Российские Госты, национальные Стандарты и нормативы.
В Системе содержится более 150000 файлов нормативно-технической документации, действующей на территории РФ.
Система предназначена для широкого круга инженерно-технических специалистов.

Рейтинг@Mail.ru Яндекс цитирования

Copyright © www.gostrf.com, 2008 - 2026