Крупнейшая бесплатная информационно-справочная система онлайн доступа к полному собранию технических нормативно-правовых актов РФ. Огромная база технических нормативов (более 150 тысяч документов) и полное собрание национальных стандартов, аутентичное официальной базе Госстандарта. GOSTRF.com - это более 1 Терабайта бесплатной технической информации для всех пользователей интернета. Все электронные копии представленных здесь документов могут распространяться без каких-либо ограничений. Поощряется распространение информации с этого сайта на любых других ресурсах. Каждый человек имеет право на неограниченный доступ к этим документам! Каждый человек имеет право на знание требований, изложенных в данных нормативно-правовых актах!

  


 

ЦЕНТРАЛЬНЫЙ НАУЧНО-ИССЛЕДОВАТЕЛЬСКИЙ И ПРОЕКТНО-ЭКСПЕРИМЕНТАЛЬНЫЙ ИНСТИТУТ ПРОМЫШЛЕННЫХ ЗДАНИЙ И СООРУЖЕНИЙ (ЦНИИпромзданий)
ГОССТРОЯ СССР

СПРАВОЧНОЕ ПОСОБИЕ
к СНиП 2.09.03-85

Серия основана в 1989 году

Проектирование подпорных стен и стен подвалов

МОСКВА СТРОЙИ3ДАТ 1990

Разработано к СНиП 2.09.03-85 «Сооружение промышленных предприятий». Содержит основные положения по расчету и конструированию подпорных стен и стен подвалов промышленных предприятий из монолитного и сборного бетона и железобетона. Приведены примеры расчета.

Для инженерно-технических работников проектных и строительных организаций.

Содержание

ПРЕДИСЛОВИЕ

1. ОБЩИЕ УКАЗАНИЯ

2. МАТЕРИАЛЫ КОНСТРУКЦИЙ

3. ТИПЫ ПОДПОРНЫХ СТЕН

4. КОМПОНОВКА ПОДВАЛОВ

5. ДАВЛЕНИЕ ГРУНТА

6. РАСЧЕТ ПОДПОРНЫХ СТЕН

7. РАСЧЕТ СТЕН ПОДВАЛОВ

8. РАСЧЕТ ПОДПОРНЫХ СТЕН И СТЕН ПОДВАЛОВ С УЧЕТОМ СЕЙСМИЧЕСКИХ ВОЗДЕЙСТВИЙ

9. РАСЧЕТ ПОДПОРНЫХ СТЕН И СТЕН ПОДВАЛОВ НА СДВИГ В СЛОЖНЫХ ГИДРОГЕОЛОГИЧЕСКИХ УСЛОВИЯХ

10. КОНСТРУКТИВНЫЕ ТРЕБОВАНИЯ

ПРИЛОЖЕНИЕ 1 ПРИМЕРЫ РАСЧЕТА

Пример 1. Расчет массивной подпорной стены

Пример 2. Расчет уголковой подпорной стены

Пример 3. Расчет подпорной стены уголкового профиля с анкерной тягой

Пример 4. Расчет щелевого паза в подпорной стене уголкового профиля

Пример 5. Расчет уголковой подпорной стены (с нагрузкой от подвижного транспорта)

Пример 6. Расчет стены подвала (панельный вариант)

Пример 7. Расчет стены подвала (блочный вариант)

Пример 8. Расчет столбчатого фундамента, воспринимающего боковую нагрузку от стен подвала

Пример 9. Расчет подпорной стены на сейсмическое воздействие

Пример 10. Расчет общей устойчивости стены подвала против сдвига по круглоцилиндрическим  поверхностям

ПРИЛОЖЕНИЕ 2 ЗНАЧЕНИЯ КОЭФФИЦИЕНТА l ПРИ РАЗНЫХ УГЛАХ e

ПРИЛОЖЕНИЕ 3 ТАБЛИЦА ЗНАЧЕНИЙ ТРИГОНОМЕТРИЧЕСКИХ ФУНКЦИИ

ПРИЛОЖЕНИЕ 4 КЛАССЫ СТЕПЕНИ ОТВЕТСТВЕННОСТИ ЗДАНИЙ И СООРУЖЕНИЙ

ПРИЛОЖЕНИЕ 5 НОРМАТИВНЫЕ ЗНАЧЕНИЯ ПРОЧНОСТИ И ДЕФОРМАТИВНЫХ ХАРАКТЕРИСТИК ГРУНТА

ПРИЛОЖЕНИЕ 6 ОСНОВНЫЕ БУКВЕННЫЕ ОБОЗНАЧЕНИЯ

ПРЕДИСЛОВИЕ

Пособие составлено к СНиП 2.09.03-85 «Сооружения промышленных предприятий» и содержит основные положения по расчету и конструированию подпорных стен и стен подвалов промышленных предприятий из монолитного, сборного бетона и железобетона с примерами расчета и необходимыми табличными значениями коэффициентов, облегчающих расчет.

В процессе подготовки Пособия уточнены отдельные расчетные предпосылки СНиП 2.09.03-85, в том числе по учету сил сцепления грунта, определения наклона плоскости скольжения призмы обрушения, которые предполагается отразить в дополнении к указанному СНиП.

Пособие разработано ЦНИИпромзданий Госстроя СССР (кандидаты техн. наук А. М. Туголуков, Б. Г. Кормер, инженеры И. Д. Залещанский, Ю. В. Фролов, С. В. Третьякова, О. JI. Кузина) при участии НИИОСП им. Н. М. Герсеванова Госстроя СССР (д-р техн. наук Е. А. Сорочан, кандидаты техн. наук А. В. Вронский, А. С. Снарский), Фундаментпроекта (инженеры В. К. Демидов, М. Л. Моргулис, И. С. Рабинович), Киевского Промстройпроекта (инженеры В. А. Козлов, А. Н. Сытник, Н. И. Соловьева).

1. ОБЩИЕ УКАЗАНИЯ

1.1. Настоящее Пособие составлено к СНиП 2.09.03-85 «Сооружения промышленных предприятий» и распространяется на проектирование:

подпорных стен, возводимых на естественном основании и расположенных на территориях промышленных предприятий, городов, поселков, подъездных и внутриплощадочных железных и автомобильных дорогах;

подвалов производственного назначения, как отдельно стоящих, так и встроенных.

1.2. Пособие не распространяется на проектирование подпорных стен магистральных дорог, гидротехнических сооружений, подпорных стен специального назначения (противооползневых, противообвальных и др.), а также на проектирование подпорных стен, предназначенных для строительства в особых условиях (на вечномерзлых, набухающих, просадочных грунтах, на подрабатываемых территориях и т.д.).

1.3. Проектирование подпорных стен и стен подвалов должно осуществляться на основании:

чертежей генерального плана (горизонтальной и вертикальной планировки);

отчета об инженерно-геологических изысканиях;

технологического задания, содержащего данные о нагрузках и при необходимости особые требования к проектируемой конструкции, например требования по ограничению деформаций и др.

1.4. Конструкция подпорных стен и подвалов должна устанавливаться на основании сравнения вариантов, исходя из технико-экономической целесообразности их применения в конкретных условиях строительства с учетом максимального снижения материалоемкости, трудоемкости и стоимости строительства, а также с учетом условий эксплуатации конструкций.

1.5. Подпорные стены, сооружаемые в населенных пунктах, следует проектировать с учетом архитектурных особенностей этих пунктов.

1.6. При проектировании подпорных стен и подвалов должны приниматься конструктивные схемы, обеспечивающие необходимую прочность, устойчивость и пространственную неизменяемость сооружения в целом, а также отдельных его элементов на всех стадиях возведения и эксплуатации.

1.7. Элементы сборных конструкций должны отвечать условиям индустриального изготовления их на специализированных предприятиях.

Целесообразно укрупнять элементы сборных конструкций, насколько это позволяют грузоподъемность монтажных механизмов, а также условия изготовления и транспортирования.

1.8. Для монолитных железобетонных конструкций следует предусматривать унифицированные опалубочные и габаритные размеры, позволяющие применять типовые арматурные изделия и инвентарную опалубку.

1.9. В сборных конструкциях подпорных стен и подвалов конструкции узлов и соединении элементов должны обеспечивать надежную передачу усилий, прочность самих элементов в зоне стыка, а также связь дополнительно уложенного бетона в стыке с бетоном конструкции.

1.10. Проектирование конструкций подпорных стен и подвалов при наличии агрессивной среды должно вестись с учетом дополнительных требований, предъявляемых СНиП 3.04.03-85 «Защита строительных конструкций и сооружений от коррозии».

1.11. Проектирование мер защиты железобетонных конструкций от электрокоррозии должно производиться с учетом требований соответствующих нормативных документов.

1.12. При проектировании подпорных стен и подвалов следует, как правило, применять унифицированные типовые конструкции.

Проектирование индивидуальных конструкций подпорных стен и подвалов допускается в тех случаях, когда значения параметров и нагрузок для их проектирования не соответствуют значениям, и принятым для типовых конструкций, либо когда применение типовых конструкций невозможно, исходя из местных условий осуществления строительства.

1.13. Настоящее Пособие рассматривает подпорные стены и стены подвалов, засыпанные однородным грунтом.

2. МАТЕРИАЛЫ КОНСТРУКЦИЙ

2.1. В зависимости от принятого конструктивного решения подпорные стены могут возводиться из железобетона, бетона, бутобетона и каменной кладки.

2.2. Выбор конструктивного материала обусловливается технико-экономическими соображениями, требованиями долговечности, условиями производства работ, наличием местных строительных материалов и средств механизации.

2.3. Для бетонных и железобетонных конструкций рекомендуется применять бетоны по прочности на сжатие не ниже класса В 15.

2.4. Для конструкций, подвергающихся попеременному замораживанию и оттаиванию, в проекте должна быть оговорена марка бетона по морозостойкости и водонепроницаемости. Проектная марка бетона устанавливается в зависимости от температурного режима, возникающего при эксплуатации сооружения, и значений расчетных зимних температур наружного воздуха в районе строительства и принимается в соответствии с табл. 1.

Таблица 1

Условия конструкций замораживании при переменном замораживании и оттаивании

Расчетная температура воздуха, °С

Марка бетона, не ниже

по морозостойкости

по водонепроницаемости

Класс сооружения

I

II

III

I

II

III

В водонасыщенном состоянии (например, конструкции, расположенные в сезоннооттаивающем слое грунта в районах вечной мерзлоты)

Ниже -40

F300

F200

F150

W6

W4

W2

Ниже -20

F200

F150

F100

W4

W2

He нормируется

до -40

 

 

 

 

 

 

Ниже -5 до -20

F150

F100

F75

W2

Не нормируется

включительно

F100

F75

F50

Не нормируется

5 и выше

 

 

 

 

 

 

В условиях эпизодического водонасыщения (например, надземные конструкции, постоянно подвергающиеся атмосферным воздействиям)

Ниже -40

F200

F150

F400

W4

W2

He нормируется

Ниже -20 до -40

F100

F75

F50

W2

He нормируется

включительно

 

 

 

 

 

 

Ниже -5 до -20

F75

F50

F35*

He нормируется

включительно

F50

F35*

F25*

To же

-5 и выше

 

 

 

 

 

 

В условиях воздушно-влажностного состояния при отсутствии эпизодического водонасыщения, например, конструкции, постоянно (подвергающиеся воздействию окружающего воздуха, но защищенные от воздействия атмосферных осадкой)

Ниже -40

F150

F100

F75

W4

W2

He нормируется

Ниже -20 до -40 включительно

F75

F50

F35*

He нормируется

Ниже -5 до -20 включительно

F50

F35*

F25*

To же

-5 и выше

F35*

F25*

F15**

»

______________

* Для тяжелого и мелкозернистого бетонов марки по морозостойкости не нормируются;

** Для тяжелого, мелкозернистого и легкого бетонов марки по морозостойкости не нормируются.

Примечание. Расчетная зимняя температура наружного воздуха, принимается как средняя температура воздуха наиболее холодной пятидневки в районе строительства.

2.5. Предварительно напряженные железобетонные конструкции следует проектировать преимущественно из бетонов класса В 20; В 25; В 30 и В 35.

Для бетонной подготовки следует применять бетон класса В 3,5 и В5.

2.6. Требования к бутобетону по прочности и морозостойкости предъявляются те же, что и к бетонным и железобетонным конструкциям.

2.7. Для армирования железобетонных конструкций, выполняемых без предварительного напряжения, следует применять стержневую горячекатаную арматурную сталь периодического профиля класса А-III и А-II. Для монтажной (распределительной) арматуры допускается применение горячекатаной арматуры класса А-I или обыкновенной арматурной гладкой проволоки класса В-I.

При расчетной зимней температуре ниже минус 30 °С арматурная сталь класса А-II марки ВСт5пс2 к применению не допускается.

2.8. В качестве напрягаемой арматуры предварительно напряженных железобетонных элементов следует в основном применять термически упрочненную арматуру класса Ат-VI и Ат-V.

Допускается также применять горячекатаную арматуру класса A-V, A-VI и термически упрочненную арматуру класса Ат-IV.

При расчетной зимней температуре ниже минус 30 °С арматурная сталь класса A-IV марки 80С не применяется.

2.9. Анкерные тяги и закладные элементы должны приниматься из прокатной полосовой стали класса С-38/23 (ГОСТ 380-88) марки ВСт3кп2 при расчетной зимней температуре до минус 30 °С включительно и марки ВСт3псб при расчетной температуре от минус 30 °С до минус 40 °С. Для анкерных тяг рекомендуется также сталь С-52/40 марки 10Г2С1 при расчетной зимней температуре, до минус 40 °С включительно. Толщина полосовой стали должна быть не менее 6 мм.

Возможно также применение для анкерных тяг арматурной стали класса А-III.

2.10. В сборных железобетонных и бетонных элементах конструкций монтажные (подъемные) петли должны выполняться из арматурной стали класса А-I марки ВСт3сп2 и ВСт3пс2 или из стали класса Ас-II марки 10ГТ.

При расчетной зимней температуре ниже минус 40 °С применение для петель стали ВСт3пс2 не допускается.

3. ТИПЫ ПОДПОРНЫХ СТЕН

3.1. По конструктивному решению подпорные стены подразделяются на массивные и тонкостенные.

В массивных подпорных стенах их устойчивость на сдвиг и опрокидывание при воздействии горизонтального давления грунта обеспечивается в основном собственным весом стены.

В тонкостенных подпорных стенах их устойчивость обеспечивается собственным весом стены и весом грунта, вовлекаемого конструкцией стены в работу.

Как правило, массивные подпорные стены более материалоемкие и более трудоемкие при возведении, чем тонкостенные, и могут применяться при соответствующем, технико-экономическом обосновании (например, при возведении их из местных материалов, отсутствии сборного железобетона и т.д.).

3.2. Массивные подпорные стены отличаются друг от друга формой поперечного профиля и материалом (бетон, бутобетон и т.д.) (рис. 1).

Рис. 1. Массивные подпорные стены

а - в  - монолитные; г - е - блочные

Рис. 2. Тонкостенные подпорные стены

а - уголковые консольные; б - уголковые анкерные; в - контрфорсные

Рис. 3. Сопряжение сборных лицевых и фундаментных плит

а - с помощью щелевого паза; б - с помощью петлевого стыка; 1 - лицевая плита; 2 - фундаментная плита; 3 - цементно-песчаный растворы; 4 - бетон замоноличивания

Рис. 4. Конструкция подпорной стены с использованием универсальной стеновой панели

1 - универсальная панель стеновая  (УПС); 2 - монолитная часть подошвы

3.3. В промышленном и гражданском строительстве, как правило, находят применение тонкостенные подпорные стены уголкового типа, приведенные на рис. 2.

Примечание. Другие типы подпорных стен (ячеистые, шпунтовые, из оболочек и пр.) в настоящем Пособии не рассматриваются.

3.4. По способу изготовления тонкостенные подпорные стены могут быть монолитными, сборными и сборно-монолитными.

3.5. Тонкостенные консольные стены уголкового типа состоят из лицевых и фундаментных плит, жестко сопряженных между собой.

В полносборных конструкциях лицевые и фундаментные плиты выполняются из готовых элементов. В сборно-монолитных конструкциях лицевая плита сборная, а фундаментная - монолитная.

В монолитных подпорных стенах жесткость узлового сопряжения лицевых и фундаментных плит обеспечивается соответствующим расположением арматуры, а жесткость соединения в сборных подпорных стенах - устройством щелевого паза (рис. 3, а) или петлевого стыка (рис. 3,6).

3.6. Тонкостенные подпорные стены с анкерными тягами состоят из лицевых и фундаментных плит, соединенных анкерными тягами (связями), которые создают в плитах дополнительные опоры, облегчающие их работу.

Сопряжение лицевых и фундаментных плит может быть шарнирным или жестким.

3.7. Контрфорсные подпорные стены состоят из ограждающей лицевой плиты, контрфорса и фундаментной плиты. При этом грунтовая нагрузка от лицевой плиты частично или полностью передается на контрфорс.

3.8. При проектировании подпорных стен из унифицированных панелей стеновых (УПС), часть фундаментной плиты выполняется из монолитного бетона с использованием сварного соединения для верхней арматуры и стыковки внахлестку для нижней арматуры (рис. 4).

4. КОМПОНОВКА ПОДВАЛОВ

4.1. Подвалы следует, как правило, проектировать одноэтажными. По технологическим требованиям допускается устройство подвалов с техническим этажом для кабельных разводок.

При необходимости допускается выполнять подвалы с большим числом кабельных этажей.

4.2. В однопролетных подвалах номинальный размер пролета, как правило, следует принимать 6 м; допускается пролет 7,5 м, если это обусловлено технологическими требованиями.

Многопролетные подвалы следует проектировать, как правило, с сеткой колони 6´6 и 6´9 м.

Высота подвала от пола до низа ребер плит перекрытия должна быть кратной 0,6 м, но не менее 3 м.

Высоту технического этажа для кабельных разводок в подпалах следует принимать не менее 2,4 м.

Высоту проходов в подвалах (в чистоте) следует назначать не менее 2 м.

4.3. Подвалы бывают двух типов: отдельно стоящие и совмещенные с конструкциями зданий.

Унифицированные схемы отдельно стоящих подвалов приведены в табл. 2.

4.4. Конструкции подвальных помещений (перекрытия, стены, колонны) рекомендуется выполнять из сборных железобетонных элементов.

4.5. В зонах воздействия на пол цеха временных нагрузок интенсивностью более 100 кПа (10 тс/м2) размещать подпалы, как правило, не следует.

4.6. Эвакуационные выходы из подвалов в помещения категорий В, Г и Д, лестницы из подпалов в эти помещения, противопожарные требования к подвальным помещениям категории В или складам сгораемых материалов, а также несгораемых материалов в сгораемой упаковке следует предусматривать по СНиП 2.09.02-85 «Производственные здания».

4.7. Кабельные подвалы и кабельные этажи подвалов следует разделять с помощью противопожарных перегородок на отсеки объемом не более 3000 м3, предусматривая при этом объемные средства пожаротушении.

4.8. Из каждого отсека подвала, кабельного подвала или кабельного этажа подвала необходимо предусматривать не менее двух выходов, которые следует располагать в разных сторонах помещения.

Выходы следует размещать так, чтобы длина тупика была менее 25 м. Длина пути обслуживающего персонала от наиболее удаленного места до ближайшего выхода не должна превышать 75 м.

Второй выход допускается предусматривать через расположенное на том же уровне (этаже) соседнее помещение (подвал, этаж подвала, тоннель) категорий В, Г и Д. При выходе в помещения категории В суммарная длина пути эвакуации не должна превышать 75 м.

4.9. Двери выходов из кабельных подвалов (кабельных этажей подвалов) и между отсеками должны быть противопожарными, открываться по направлению ближайшего выхода и иметь устройства для самозакрывания.

Притворы дверей должны быть уплотнены.

Таблица 2

Унифицированные схемы одноэтажных подвалов

Размеры, м

L

H

6

 

7,5

6

3

3,6

4,2

4,8

5,4

6

6,6

7,2

Примечания: 1. Шаг колонн в продольном направлении при временной нагрузке на пол цеха до 100 кПа (10 тс/м2) 6 и 9 м, при временной нагрузке более 100 кПа (10 тс/м2) - 6 м.

2. Размер с принимается равным 0,375 м.

4.10. Эвакуационные выходы из маслоподвалов и кабельных этажей подвалов следует осуществлять через обособленные лестничные клетки, имеющие выход непосредственно наружу. Допускается использование общей лестничной клетки, ведущей к надземным этажам, при этом для подвальных помещений должен быть устроен обособленный выход из лестничной клетки на уровне первого этажа наружу, отделенный от остальной части лестничной клетки на высоту одного этажа глухой противопожарной перегородкой с пределом огнестойкости не менее 1 ч.

При невозможности устройства выходов непосредственно наружу допускается их устраивать в помещения категорий Г и Д с учетом требований п. 4.6.

4.11. В маслоподвалах независимо от площади и в кабельных подвалах объемом более 100 м3 необходимо предусматривать автоматические установки пожаротушения. В кабельных подвалах меньшего объема должна быть автоматическая пожарная сигнализация. Кабельные подвалы энергетических объектов (АЭС, ТЭЦ, ГРЭС, ТЭС, ГЭС и т.д.) следует оборудовать установками автоматического пожаротушения независимо от их площади.

4.12. Допускается предусматривать отдельно стоящие одноэтажные насосные станции (или отсеки) категорий А, Б и В, заглубленные ниже планировочных отметок земли более чем на 1 м, площадью не более 400 м2.

В этих помещениях следует предусматривать:

один эвакуационный выход через лестничную клетку, изолированную от помещений, с площадью пола не более 54 м2;

два эвакуационных выхода, расположенных в противоположных сторонах помещения, с площадью пола более 54 м2. Второй выход допускается по вертикальной лестнице, расположенной в шахте, изолированной от помещений категорий А, Б и В.

4.13. Устройство порогов у выходов из подвалов и перепадов в уровне пола не допускается, за исключением маслоподвалов, где на выходах следует устраивать пороги высотой 300 мм со ступенями или пандусами.

5. ДАВЛЕНИЕ ГРУНТА

5.1. Значения характеристик грунтов природного (ненарушенного) сложения следует устанавливать, как правило, на основе их непосредственного испытании в полевых или лабораторных условиях и статистической обработки результатов испытаний по ГОСТ 20522-75.

Значения характеристик грунтов:

нормативные - gn, jn и сn;

для расчетов конструкций оснований по первой группе предельных состояний - gI, jI, и сI;

то же, по второй группе предельных состояний - gII, jII и cII.

5.2. При отсутствии непосредственных испытаний грунта допускается принимать нормативные значения удельного сцепления с, угла внутреннего трения j и модуля деформации Е по табл. 1-3 прил. 5 настоящего Пособия, а нормативные значения удельного веса грунта gn равными 18 кН/м3 (1,8 тс/м3).

Расчетные значения характеристик грунта ненарушенного сложения в этом случае принимаются следующими:

gI =1,05gn; gII =gn; jI =jngj; jII =jn; сI = сn/1,5; cII = сn,

где gj- коэффициент надежности по грунту, принимается равным 1,1 для песчаных и 1,15 для пылевато-глинистых грунтов.

5.3. Значения характеристик грунтов засыпки (g¢, j¢ и с¢), уплотненных согласно нормативным документам с коэффициентом уплотнения ky не менее 0,95 от их плотности в природном сложении, допускается устанавливать по характеристикам тех же грунтов в природном залегании. Соотношения между характеристиками грунтов засыпки и грунтов природного сложения принимаются следующие:

g¢II= 0,95gI; j¢I = 0,9jI; с¢I = 0,5сI, но не более 7 кПа (0,7 тс/м2);

g¢II=0,95gII; j¢II=0,9jII; с¢II=0,5c¢II, но не более 10 кПа (1 тс/м2).

Примечание. Для сооружений с глубиной заложения 3 м и менее предельные значения удельного сцепления грунта засыпки с¢I, следует принимать не более 5 кПа (0,5 тс/м2), а с¢II не более 7 кПа (0,7 тс/м2). Для сооружений высотой менее 1,5 м с¢I, следует принимать равным нулю.

5.4. Коэффициенты надежности по нагрузке gI при расчете по первой группе предельных состояний должны приниматься по табл. 3, а при расчете по второй группе - равными единице.

Таблица 3

Нагрузки

Коэффициент надежности по нагрузке gI

Постоянные

 

Собственный вес конструкции

1,1

Вес грунта в природном залегании

1,1

Вес грунта в засыпке

1,15

Вес насыпного грунта

1,2

Вес дорожного покрытия проезжей части и тротуаров

1,5

Вес полотна, железнодорожных путей

1,3

Гидростатическое давление грунтовых вод

1,1

Временные длительные

 

От подвижного состава железных дорог СК

1,2

От колонн автомобилей АК

1,2

Нагрузка от оборудования, складируемого материала, равномерно распределенная нагрузка на территории

1,2

Временные кратковременные

 

От колесной ПК-80 и гусеничной НГ-60 нагрузки

1

От погрузчиков и каров

1,2

От колонн автомобилей АБ

1,1

5.5. Интенсивность горизонтального активного давления грунта от собственного веса Рg, на глубине у (рис. 5, а) следует определять по формуле

Рg =[ggfhl - с (К1 + K2)] y/h,                                                                        (1)

где К1 - коэффициент, учитывающий сцепление грунта по плоскости скольжения призмы обрушения, наклоненной под углом q0 к вертикали; К2 - то же, по плоскости, наклоненной под углом в к вертикали.

К1 =2lcosq0cose/sin(q0+e);                                                                           (2)

K2 = l [sin (q0 - e) cos (q0 +r)/sin q0 cos (r - e) sin (q0 + e)] + tge,              (3)

где e - угол наклона расчетной плоскости к вертикали; - то же, поверхности засыпки к горизонту; q0 - то же, плоскости скольжения к вертикали; l - коэффициент горизонтального давления грунта. При отсутствии сцепления грунта по стене K2 = 0.

5.6. Коэффициент горизонтального давления грунта определяется по формуле

,                                             (4)

где d - угол трения грунта па контакте с расчетной плоскостью (для гладкой стены d = 0, шероховатой d = 0,5j, ступенчатой d = j).

Значения коэффициента l приведены в прил. 2.

Рис. 5. Схема давления грунта

а - от собственного веса и давления воды; б - от сплошной равномерно распределенной нагрузки; в - от фиксированной нагрузки; г - от полосовой нагрузки

5.7. Угол наклона плоскости скольжения к вертикали q0 определяется по формуле

tg q0 = (cos - hcosj)/(sin - hsinj),                                                               (5)

где h = cos (e-r )/ .

5.8. При горизонтальной поверхности засыпки r = 0, вертикальной стене e =0 и отсутствии трения и сцепления со стеной d = 0, К2 = 0 коэффициент бокового давления грунта l, коэффициент интенсивности сил сцепления К1 и угол наклона плоскости скольжения q0 определяются по формулам:

                                                                                              (6)

При r = 0, d ¹ 0, e ¹ 0 значение угла наклона плоскости скольжения к вертикали q0 определяется из условия

tgq0 = (cosj - )/sinj.                                                                               (7)

5.9. Интенсивность дополнительного горизонтального давления грунта, обусловленного наличием грунтовых вод Рw, кПа, на расстоянии уw, от верхнего уровня грунтовых вод (рис. 5, а) определяется по формуле

Pw = yw{10 - l[g -16,5/(1 + e)]}gf,                                                              (8)

где е - пористость грунта; gf - коэффициент надежности по нагрузке, принимается равным 1,1.

5.10. Интенсивность горизонтального давления грунта от равномерно распределенной нагрузки q, расположенной на поверхности призмы обрушения, следует определять по формулам:

при сплошном и фиксированном расположении нагрузки (рис. 5, б, в)

Рq = qgfl;                                                                                                       (9)

при полосовом расположении нагрузки (рис. 5, г)

Pq = qgfl/(1 + 2 tg q0уа/b0).                                                                           (10)

Расстояние от поверхности грунта засыпки до начала эпюры интенсивности давления грунта от нагрузки уа, определяется выражением уа = a/(tg q0 + tg e).

Протяженность эпюры интенсивности давления грунта по высоте уb при фиксированной нагрузке (см. рис. 5, в) принимается равной уb = h-yа.

При полосовой нагрузке (см. рис. 5, г) протяженность эпюры давления по высоте yb =(b0 + 2tgq0ya)/(tge + tgq0), но принимается не более величины уb £ h - yа.

5.11. Временные нагрузки от подвижного транспорта следует принимать в соответствии со СНиП 2.05.03-84 «Мосты и трубы» в виде нагрузки СК - от подвижного состава железных дорог, АК - от автотранспортных средств ПК-80 - от колесной нагрузки, НГ-60 - от гусеничной нагрузки.

Примечания: 1. СК - условная эквивалентная равномерно распределенная нормативная нагрузка от подвижного состава железных дорог на 1 м пути, ширина которого принимается равной 2,7м (по длине шпал).

2. АК - нормативная нагрузка от автотранспортных средств в виде двух полос.

3. НК-80 - нормативная нагрузка, состоящая из одной машины на колесном ходу весом 785 кН (80 тс).

4. НГ-60 - нормативная нагрузка, состоящая из одной машины на гусеничном ходу весом 588 кН (60 тс).

5.12. Нагрузки от подвижного транспорта (рис. 6) приводятся к эквивалентной равномерно распределенной полосовой нагрузке при следующих исходных данных:

для СК - b0 = 2,7 м, а интенсивность нагрузки q = 76 кПа на уровне низа шпал;

для АК - b0 = 2,5 м, а интенсивность нагрузки, кПа,

q = К (10,85 + yatgq0)/(0,85 + yatgq0) 2,55,                                                   (11)

где К = 1,1 - для основных магистральных дорог; К = 8 - для внутренних хозяйственных дорог.

Рис. 6. Схема приведения нагрузок от подвижного транспорта к эквивалентной полосовой нагрузке

для НК-80 - b0 = 3,5 м, а интенсивность нагрузки, кПа,

q = 112/(1,9 + yatgq0);                                                                                   (12)

для НГ-60 - b0 = 3,3 м, а интенсивность нагрузки, кПа,

q = 90/(2,5 + yatgq0).                                                                                     (13)

5.13. Нормативную вертикальную нагрузку от подвижного состава на автомобильных дорогах промышленных предприятий, где предусмотрено движение автомобилей особо большой грузоподъемности и на которые не распространяются ограничения весовых и габаритных параметров автотранспортных средств общего назначения, следует принимать в виде колонн двухосных автомобилей АБ с параметрами, приведенными в табл. 4.

5.14. При отсутствии конкретных нагрузок на поверхности призмы обрушения следует принимать условную нормативную равномерно распределенную нагрузку интенсивностью 9,81 кПа (1 тс/м2).

5.15. Динамический коэффициент от подвижного состава железных дорог и автомобильного транспорта следует принимать равным единице.

Таблица 4

Параметры

Тип двухосного автомобиля

АБ-51

AБ-74

АБ-151

Нагрузка на ось груженого автомобиля, кН (тс):

 

 

 

заднюю

333(34)

490(50)

990(101)

переднюю

167(17)

235(24)

490(50)

Расстояние между осями (база) автомобиля, м

3,5

4,2

4,5

Габариты по ширине (по колесам задней оси), м

3,5

3,8

5,4

Ширина колеи колес, м:

 

 

 

задних

2,4

2,5

3,75

передних

2,8

2,8

4,1

Размер площадки соприкасания задних колес с покрытием проезжей части, м:

 

 

 

по длине

0,4

0,45

0,8

по ширине

1,1

1,3

1,65

Диаметр колеса, м

1,5

1,8

2,5

6. РАСЧЕТ ПОДПОРНЫХ СТЕН

6.1. Подпорные стены следует рассчитывать по двум группам предельных состояний:

первая группа (по несущей способности) предусматривает выполнение расчетов:

по устойчивости положения стены против сдвига и прочности грунтового основания;

по прочности элементов конструкций и узлов соединений

вторая группа (по пригодности к эксплуатации) предусматривает проверку:

оснований на допускаемые деформации;

элементов конструкций на допустимые величины раскрытия трещин.

6.2. Давление грунта для массивных подпорных стен следует определять по указаниям разд. 5 (рис. 7, а). Давление грунта для уголковых подпорных стен следует определять исходя из условия образования за стеной клиновидной симметричной (а для короткой задней консоли - несимметричной) призмы обрушения (рис. 7, б). Давление грунта принимается действующим на наклонную (расчетную) плоскость, проведенную под углом e при d = j¢.

Угол наклона расчетной плоскости к вертикали e определяется из условия (14), но принимается не более (45° - j/2)

tg e =(b - t)/h.                                                                                               (14)

6.3. Наибольшая величина активного давления грунта при наличии на горизонтальной поверхности засыпки равномерно распределенной нагрузки q определяется при расположении этой нагрузки в пределах всей призмы обрушения, если нагрузка не имеет фиксированного положения.

Расчет устойчивости положения стены против сдвига

6.4. Расчет устойчивости положения стены против сдвига производится из условия

Fsa £ gcFsr/gn,                                                                                                 (15)

где Fsa - сдвигающая сила, равная сумме проекции всех сдвигающих сил на горизонтальную плоскость; Fsr - удерживающая сила, равная сумме проекций всех удерживающих сил на горизонтальную плоскость; ус - коэффициент условий работы грунта основания: для песков, кроме пылеватых - 1; для пылеватых песков, а также пылевато-глинистых грунтов в стабилизированном состоянии - 0,9; для пылевато-глинистых грунтов в нестабилизированном состоянии - 0,85; для скальных, невыветрелых и слабовыветрелых грунтов - 1; выветрелых - 0,9; сильновыветрелых - 0,8; gn - коэффициент надежности по назначению сооружения, принимаемый равным 1,2, 1,15 и 1,1 соответственно для зданий и сооружений I, II и III класса, назначаемых в соответствии с прил. 4.

6.5. Сдвигающая сила Fsa определяется по формуле

Fsa = Fsa,g + jsa,q,                                                                                         (16)

где Fsa,g - сдвигающая сила от собственного веса грунта равна:

Fsa,g = Pgh/2;                                                                                                 (17)

Fsa,q - сдвигающая сила от нагрузки, расположенной на поверхности призмы обрушения, равна:

Fsa,q = Pqyb.                                                                                                   (18)

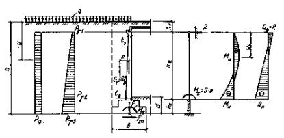
Рис. 7. Расчетные схемы подпорных стен

а - массивных; б - уголкового профиля

6.6. Удерживающая сила Fsr для нескального основания определяется по формуле

Fsr = Fv tg(jI - b) + bсI + Еr,                                                                        (19)

где Fv - сумма проекций всех сил на вертикальную плоскость

а) для массивных подпорных стен

Fv = Fsa tg(e + d) + Gст + gI tgbb2/2,                                                              (20)

Gст - собственный вес стены и грунта на ее уступах.

б) для уголковых подпорных стен (при e £ q0)

Fv = Fsa tg (e +j ¢) + g ¢gf [h(b - t)/2 + td]+ gI tgbb2/2                                  (21)

где gf - коэффициент надежности по нагрузке, принимается равным 1,2; Еr - пассивное сопротивление грунта:

Er = gIlr/2 + cIhr(lr - 1)/tg jI,                                                                  (22)

где lr - коэффициент пассивного сопротивления грунта:

lr =tg2(45° + jI/2),                                                                                        (23)

hr - высота призмы выпора грунта

hr =d + btgb.                                                                                                  (24)

6.7. Расчет устойчивости подпорных стен против сдвига должен производиться по формуле (15) для трех значений угла b (b = 0, b = jI/2 и b = jI).

При наклонной подошве стены, кроме указанных значений угла b, следует производить расчет против сдвига также для отрицательных значений угла b.

При сдвиге по подошве (b = 0) следует учитывать следующие ограничения: сI £ 5 кПа, jI £ 30°, lr = 1.

6.8. Удерживающая сила Fsr для скального основания определяется по формуле

Fsr =Fvf +Er,                                                                                                  (25)

где f - коэффициент трения подошвы по скальному грунту, принимается по результатам непосредственных испытаний, но не более 0,65.

Расчет прочности грунтового основания

6.9. Расчет прочности основания следует производить для всех скальных грунтов и нескальных при tgdI < sin jI из условия

Fv £ gcNu/gn.                                                                                                   (26)

6.10. Тангенс угла наклона к вертикали равнодействующей внешней нагрузки на основании определяется из условия

tgdI = Fsa/Fv.                                                                                                  (27)

6.11. Вертикальная составляющая силы предельного сопротивления основания Nu, сложенного нескальными грунтами в стабилизированном состоянии, определяется по формуле

Nu = b¢ (Ngb¢gI + Nqg¢Id + NccI ).                                                                    (28)

где Ng, Nq, Nc - безразмерные коэффициенты несущей способности, определяемые по таб. 5 в зависимости от расчетного значения угла внутреннего трения грунта jI и угла наклона к вертикали dI равнодействующей внешней нагрузки на основание в уровне подошвы стены: d - глубина заложения подошвы от нижней планировочной отметки, м; b¢ - прицеленная ширина подошвы, определяемая по формуле

b¢ = h - 2e.                                                                                                    (29)

где е - эксцентриситет приложения равнодействующей всех сил относительно оси, проходящей через центр тяжести подошвы стены, величина которого определяется по формуле (30) и не должна превышать е £ b/3:

e = M0/Fv,                                                                                                      (30)

где M0 - сумма моментов всех вертикальных и горизонтальных сил относительно оси, проходящей через центр тяжести подошвы.

Таблица 5

Угол внутреннего трения грунта jI град

Коэффициент

Коэффициенты несущей способности Ng, Nq и Nc при угле наклона к вертикали равнодействующей внешней нагрузки dI, град., равном

0

5

10

15

20

25

30

0

Ng

0

-

-

-

-

-

-

Nq

1

-

-

-

-

-

-

Nc

5,14

-

-

-

-

-

-

5

Ng

0,2

0,05

-

-

-

-

-

Nq

1,57

1,26

-

-

-

-

-

Nc

6,49

2,93

-

-

-

-

-

10

Ng

0,6

0,42

0,12

-

-

-

-

Nq

2,47

2,16

1,6

-

-

-

-

Nc

8,34

6,57

3,38

-

-

-

-

15

Ng

1,35

1,02

0,61

0,21

-

-

-

Nq

3,94

3,45

2,84

2,06

-

-

-

Nc

10,98

9,13

6,88

3,94

-

 

-

16

Ng

1,66

1,25

0,78

0,33

0,07

-

-

Nq

4,43

3,87

3,2

2,38

0,54

-

-

Nc

11,75

9,81

7,51

4,61

0,93

-

-

17

Ng

1,96

1,48

0,95

0,45

0,14

-

-

Nq

4,92

4,29

3,56

2,69

1,08

-

-

Nc

12,52

10,49

8,14

5,27

1,86

-

-

18

Ng

2,27

1,72

1,13

0,58

0,22

-

-

Nq

5,42

4,72

3,92

3,01

1,61

-

-

Nc

13,3

11,17

8,76

5,93

2,79

-

-

19

Ng

2,57

1,95

1,3

0,7

0,29

-

-

Nq

5,91

5,14

4,28

3,32

2,15

-

-

Nc

14,07

11,85

9,39

6,6

3,72

-

-

20

Ng

2,88

2,18

1,47

0,82

0,36

-

-

Nq

6,4

5,56

4,64

3,64

2,69

-

-

Nc

14,84

12,53

10,02

7,26

4,65

-

-

21

Ng

3,48

2,64

1,81

1,06

0,5

0,12

-

Nq

7,25

6,28

5,24

4,14

3,07

0,72

-

Nc

16,02

13,53

10,87

8,01

5,26

1,12

-

22

Ng

4,08

3.11

2,15

1,29

0,64

0,23

-

Nq

8,11

7,01

5,84

4,64

3.45

1,44

-

Nc

17,19

14,53

11,72

8,75

5,86

2,23

-

23

Ng

4,67

3,57

2,5

1,53

0,77

0,35

-

Nq

8,96

7,73

6,45

5,13

3,83

2,16

-

Nc

18,37

15,53

12,56

9,5

6,47

3,35

-

24

Ng

5,27

4,04

2,84

1,77

0,91

0,46

-

Nq

9,81

8,45

7,05

5,63

4,2

2,88

-

Nc

19,54

16,53

13,41

10,24

7,07

4,46

-

25

Ng

5,87

4,5

3,18

2

1,05

0,58

-

Nq

10,66

9,17

7,65

6,13

4,58

3,6

-

Nc

20,72

17,53

14,26

10,99

7,68

5,58

-

26

Ng

7,17

5,49

3,89

2,49

1,37

0,72

0,19

Nq

12,21

10,46

8,71

6,98

5,26

4,01

0,99

Nc

22,61

19,09

15,54

12,04

8,55

6,08

1,37

27

Ng

8,48

6,47

4,59

2,98

1,68

0,86

0,38

Nq

13,76

11,75

9,77

7,83

5,93

4,43

1,98

Nc

24,49

20,65

16,83

13,09

9,43

6,58

2,74

28

Ng

9,78

7,46

5,3

3,46

2

1,01

0,57

Nq

15,3

13,05

10,82

8,67

6,61

4,84

2,97

Nc

26,37

22,22

18,11

14,13

10,3

7,09

4,11

29

Ng

11,09

8,44

6

3,95

2,31

1,15

0,76

Nq

16,85

14,34

11,88

9,52

7,28

5,26

3,96

Nc

28,26

23,78

19,4

15,18

11,18

7,59

5,48

30

Ng

12,39

9,43

6,71

4,44

2,63

1,3

0,95

Nq

18,4

15,63

12,94

10,37

7,96

5,67

4,95

Nc

30,14

25,34

20,68

16,23

12,05

8,09

6,85

Примечания: 1. При промежуточных значениях jI и dI коэффициенты Ng, Nq и  Nc допускается определить по интерполяции.

2. Значения Ng, Nq, и Nc при jI > 30° принимаются как для jI = 30°.

6.12. Сумма моментов М0 определяется по формулам:

а) для массивных подпорных стен

M0 = Fsa[h* - tg (e + d) (b/2 - h* tg e)]+SMi,                                              (31)

где SMi - сумма моментов от собственного веса стены и грунта на ее обрезах относительно центра тяжести подошвы стены.

б) для уголковых стен (при e £ q0)

М0 = Fsa [h* - tg (e + j¢) (b/2 - h* tg e)] + g¢Igf (b - t)´[h(b - 4t) + 6td]/12.            (32)

где h* - расстояние от равнодействующей сдвигающей силы до низа подошвы стены; gf - коэффициент надежности по нагрузке, принимается, равным 1,2;

h* = [Fsa,gh/3 + Fsa,q(h - ya - yb/2)]/Fsa.                                                        (33)

6.13. Вертикальная составляющая силы предельного сопротивления основания Nu, сложенного скальным грунтом, определяется по формуле

Nu =Rcb¢.                                                                                                        (34)

где Rc - расчетное значение предела прочности на одноосное сжатие скального грунта.

Расчет оснований по деформациям

6.14. При отсутствии специальных технологических требований расчет деформации основания считается удовлетворительным, если среднее давление на грунт под подошвой фундамента от нормативной нагрузки не превышает расчетного сопротивления грунта основания R, а краевые - 1,2R:

                                                                                                                                  (35)

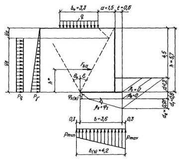
При этом эпюру напряжений допускается принимать трапециевидной или треугольной. Площадь сжатой зоны при треугольной эпюре должна быть не менее 75 % общей площади фундамента подпорной стены (е £ b/4) (рис. 8).

Краевые давления на грунт под подошвой стены , рmax при эксцентриситете приложения равнодействующей всех вертикальных сил относительно центра тяжести подошвы е £ b/6 определяются по формуле (36), а при е > b/6 - по формуле (37):

                                                                                                                (36)

pmax = 2Fv/3c0,                                                                                                (37)

где Fv - сумма проекций всех сил на вертикальную плоскость, определяемая по формулам (20) и (21); е - эксцентриситет приложения равнодействующей всех сил относительно оси, проходящей через центр тяжести подошвы стены, определяемый по формуле (30); 3с0 - длина эпюры по подошве фундамента:

с0 = 0,5b - е.                                                                                                 (38)

6.15. Расчетное сопротивление грунта основания R, кПа (тс/м2), определяется по формуле

R = (gc1gc2/k) (MgbgII + Mqdg¢II + MccII).                                                          (39)

где gc1 и gc2 - коэффициенты условий работы, принимаемые по табл. 6;

k - коэффициент, принимаемый: k = 1, если прочностные характеристики грунта j и с определены непосредственными испытаниями, и k = 1,1, если они приняты по табл. 1-3 прил. 5; Мg, Мq, Мс - коэффициенты, принимаемые по табл. 7; b - ширина подошвы фундамента; d - глубина заложения подошвы фундамента от нижней планировочной отметки.

Рис. 8. Схема для определения давлений под подошвой стены

а - при малых эксцентриситетах е £ b/6; б - при больших эксцентриситетах е > b/6

Таблица 6

Грунты

Коэффициент gс1

Коэффициент gс2 для сооружений с жесткой конструктивной схемой при отношении длины сооружения или его отсека к высоте L/H, равный

4 и более

1,5 и менее

Крупнообломочные с песчаным заполнителем и песчаные, кроме мелких и пылеватых

1,4

1,2

1,4

Пески:

 

 

 

мелкие пылеватые

1,3

1,1

1,3

в том числе:

 

 

 

маловлажные и влажные

1,25

1

1,2

насыщенные водой

1,1

1

1,2

Пылевато-глинистые, крупно-обломочные с пылевато-глинистым заполнителем с показателем текучести грунта или заполнителя IL £ 0,25

1,25

 

1,1

То же, при 0,25 < IL £ 0,5

1,2

1

1,1

То же, при IL > 0,5

1,1

1

1

Примечания: 1. К сооружениям с жесткой конструктивной схемой относятся такие, конструкции которых специально приспособлены к восприятию усилий от деформаций оснований, в том числе за счет применения мероприятий, указанных в п. 270,б СНиП 2.02.01-83 «Основания зданий и сооружений».

2. При гибкой конструктивной схеме значение коэффициента gс2 принимается равным единице.

3. При промежуточных значениях L/H коэффициент gс2 определяется по интерполяции.

Определение усилий в элементах конструкции

6.16. Для массивной подпорной стены внутренние усилия Ni, Qi и Mi в сечении i-i на глубине уi, определяются по формулам:

                                                                                                             (40)

где SFvi - сумма всех вертикальных сил выше сечения i- i; SFsai - сумма всех горизонтальных сил выше сечения i-i; SFvixi - сумма моментов всех вертикальных сил относительно центра тяжести сечения i-i; SFsaiyi - сумма моментов всех горизонтальных сил относительно центра тяжести сечения i-i.

Таблица 7

Угол внутреннего трения jII град.

Коэффициенты

Угол внутреннего трения jII град.

Коэффициенты

Mg

Mq

Mc

Мg

Mq

Mc

0

0

1

3,14

23

0,69

3,65

6,24

1

0,01

1,06

3,23

24

0,72

3,87

6,45

2

0,03

1,12

3,32

25

0,78

4,11

6,67

3

0,04

1,18

3,41

26

0,84

4,37

6,9

4

0,06

1,25

3,51

27

0,91

4,64

7,14

5

0,08

1,32

3,61

28

0,98

4,93

7,4

6

0,1

1,39

3,71

29

1,06

5,25

7,67

7

0,12

1,47

3,82

30

1,15

5,59

7,95

8

0,14

1,55

3,93

31

1,24

5,95

8,24

9

0,16

1,64

4,05

32

1,34

6,34

8,55

10

0,18

1,73

4,17

33

1,44

6,76

8,88

11

0,21

1,83

4,29

34

1,55

7,22

9,22

12

0,23

1,94

4,42

35

1,68

7,71

9,58

13

0,26

2,05

4,55

36

1,81

8,24

9,97

14

0,29

2,17

4,69

37

1,95

8,81

10,37

15

0,32

2,3

4,84

38

2,11

9,44

10,8

16

0,36

2,43

4,99

39

2,28

10,11

11,25

17

0,39

2,57

5,15

40

2,46

10,85

11,73

18

0,43

2,73

5,31

41

2,66

11,64

12,24

19

0,47

2,89

5,48

42

2,38

12,51

12,79

20

0,51

3,06

5,66

43

3,12

13,46

13,37

21

0,56

3,24

5,84

44

3,38

14,5

13,98

22

0,61

3,44

6,04

45

3,66

15,64

14,64

6.17. Расчетные усилия (изгибающие моменты и поперечные силы) в уголковых подпорных стенах (рис. 9) определяются по формулам:

для сечения 1-1

при у £ уа + yb

                                                                                         (41)

при y > ya + yb

                                                          (42)

для сечения 2-2

а) в случае е > b/6

                                                    (43)

Рис. 9. Расчетная схема уголковой подпорной стены при расчете ее на прочность

а - изгибающие моменты; б - поперечные силы

б) в случае е < b/6

                                (44)

для сечения 3-3

а) в случае е > b/6

при х3 £ x + хb

                          (45)

                                       (46)

при х3 > x + хb

                                      (47)

                                       (48)

б) в случае е < b/6

при х3 £ x + хb

                                                (49)

                                        (50)

при x3 > x + хb

                                   (51)

                                         (52)

Максимальные расчетные усилия М и Q в лицевых и фундаментных плитах должны приниматься по граням сопрягаемых элементов.

6.18. Интенсивности горизонтального давления Рg и Рq и вычисляются по формулам разд. 5 с учетом п. 6.2.

Интенсивность вертикального давления от собственного веса грунта в призме обрушения Рvg и от временной нагрузки Рvq определяются по формулам:

Рvg = Pg tg (e + j¢I)/tg e;                                                                                 (53)

Pvq = Pq tg (e + j¢I)/tg e;                                                                                (54)

Интенсивность вертикального давления от собственного веса грунта Р¢vg и над передней консолью Р¢¢vg в контуре abc определяется по формулам:

Р¢vg = g¢Igfh;                                                                                                    (55)

Р¢¢vg = g¢Igfd.                                                                                                   (56)

Коэффициент надежности по нагрузке gf в формулах (55) и (56) принимается равным 1,2.

Расстояние от внутренней грани стены до начала эпюры интенсивности вертикального давления грунта от временной нагрузки определяется выражением ха = уа tg e, а величина xb = yb tg e.

6.19. Краевые давления на грунт под подошвой стены рmin и рmax определяются по формулам (36) и (37) из условия расчета по первой группе предельных состояний.

6.20. Конструкции подпорных стен, элементы которых шарнирно сопряжены гибкими связями (например, уголковые стены с анкерными тягами), следует рассчитывать по схеме, представленной на рис. 10.

При этом рассматриваются два случая загружения призмы обрушения временной нагрузкой:

1-й случай - нагрузка расположена на части призмы обрушения, что создает максимальный пролетный момент в вертикальном элементе стены;

2-й случай - временная нагрузка расположена на всей поверхности призмы обрушения, что создает максимальные условия в остальных элементах стены.

Величины расчетных усилий в сечениях элементов стены определяются по формулам:

для сечений 1-1

                                                                                                   (57)

для сечений 2-2

                            (58)

где U1 = [h2Pg + 3Pq(h-hb)2]/6(h-hb);                                                           (59)

V1 = U1/tg a;                                                                                                  (60)

U2 = h2(3Pq + Pg)/6(h-hb);                                                                             (61)

V2 = U2/tga,                                                                                                   (62)

U1 и V1 - горизонтальная и вертикальная составляющие усилия в тяге при частичном загружении равномерно распределенной нагрузкой; U2 и V2 - горизонтальная и вертикальная составляющие усилия в тяге при полном загружении равномерно распределенной нагрузкой.

Рис. 10. Расчетная схема подпорной стены с анкерными тягами

При е < b/6:

для сечения 3-3

                                              (63)

для сечения 4-4

                               (64)

для сечения 5-5

                       (65)

При е > b/6; (с0 = 0,5b - e):

для сечения 3-3

                                                     (66)

для сечения 4-4

                                (67)

для сечения 5-5

                                  (68)

где G1 - вес плиты и грунта, расположенного справа от сечения 3-3;

G4(5) = [Pvg(b - t - x)/(b - t) + P¢vgx/(b-- t)+Pvg]x/2.

6.21. Максимальные усилия в анкерных тягах S, имеющих шарнирное сопряжение с лицевыми и фундаментными плитами, определяются по второму случаю загружения (п. 6.20) по формуле

S = U2/sin a.                                                                                                  (69)

Учитывая возможность зависания грунта, расчетное усилие в тяге следует увеличить в 1,5 раза.

6.22. Расчет щелевого паза в случае жесткого сопряжения сборной лицевой плиты с фундаментной плитой (рис. 11) осуществляется из условия, что при действии момента М в щелевом паза возникают силы Р с плечом внутренней пары а. Сдвигающая сила Q прикладывается к верхней части стенки паза. В верхней и нижней частях стенок паза возникают сжимающие напряжения, равнодействующие которых приложены на расстояниях 0,1l от верхней грани паза и 0,15l - от нижней части (l - высота паза).

Горизонтальные и вертикальные составляющие внутренней пары определяются соответственно по формулам:

Рг = МI-I sin2a/0,75l;                                                                                     (70)

Рв = МI-I sin a cos a/0,75l.                                                                            (71)

Рис. 11. Расчетная схема щелевого паза

Внутренние усилия в сечении 4-4 вычисляются по формулам:

                                                                                                            (72)

Расчет правой стенки щелевого паза производится так же, как расчет изгибаемого элемента.

Внутренние усилия в сечении 5-5 вычисляются по формулам:

                                                                                                                   (73)

Расчет левой стенки щелевого паза производится так же, как расчет внецентренно растянутого элемента.

Внутренние усилия в сечении 6-6 вычисляются по формулам:

                               (74)

где рmax - ордината давления грунта по подошве стены; вычисляется по формулам (36) и (37) от расчетных нагрузок; р3 - ордината давления грунта на расстоянии b3 от правой грани подошвы.

При е < b/6

р3 = рmax - b3(рmax - pmin)/b.                                                                          (75)

При е < b/6

р3 = (1 - b3/3с0)рmax,                                                                                      (75а)

где с0 = 0,5b - e.

Расчет днища щелевого паза производится, как расчет внецентренно растянутого элемента.

Примечание. При определении требуемой площади продольной арматуры в сечении 6-6 (из условия расчета щелевого паза) расчетное сопротивление арматурной стали на растяжение должно быть уменьшено путем введения коэффициента условия работы, равного 0,7.

Определение прогиба верха стены

6.23. Размер нижнего сечения вертикального элемента уголковой стены tн рекомендуется назначать не менее величины h0/15 (h0 - высота стены от ее верха до уровня сопряжения с плитой).

При определении прогиба стены при ее изгибе жесткость железобетонного элемента В допускается определять с учетом пластических свойств бетона и появления трещин в растянутой зоне элемента по формуле

В = qEbIh,                                                                                                       (76)

где Eb - начальный модуль упругости бетона на сжатие; Ih - момент инерции нижнего сечения стены; q - коэффициент, принимаемый равным 0,35 при длительном действии нагрузок и 0,5 - при кратковременном.

Горизонтальное перемещение верха стены D при наличии сплошной равномерно распределенной нагрузки на призме обрушения определяется по формуле

D = (4Рg + 15Рq) /120В,                                                                            (77)

где Рg и Рq - интенсивность горизонтального давления грунта на глубине h0 от нормативных нагрузок.

Предельный прогиб верха стены D не должен превышать величины h0/75.

Горизонтальное перемещение верха стены, вызванное креном подошвы, определяется по формуле

D = 5М0h/b2Е,                                                                                               (77а)

где М0 - нормативный момент всех сил относительно центра тяжести подошвы стены; Е - модуль деформации грунта основания; h - высота стены; b - ширина подошвы фундамента (стена подвала).

7. РАСЧЕТ СТЕН ПОДВАЛОВ

7.1. За расчетную схему конструкций подвалов принимается поперечная рама, состоящая из стен, колонн и опирающихся на них элементов перекрытия (рис. 12).

Рис. 12. Расчетная схема поперечной рамы подвала

Рис. 13. Расчетная схема стены подвала (панельный вариант)

Рис. 14. Расчетная схема стены подвала (блочный вариант)

7.2. Расчет наружных стен подвалов производится из условия загружения подвала грунтом (симметричное загружение) и односторонней временной нагрузкой q.

7.3. Расчетные усилия в стенах подвала (рис. 13, 14) определяются в зависимости от величин реакции R на верхней опоре, которая вычисляется с учетом возможного перераспределения усилий от поворота (крена фундамента) и смещения стены при загружении подвала односторонней временной нагрузкой

R = R1 + R2,

где R1 и R2 - соответственно реакции от симметричного и одностороннего загружения.

7.4. При симметричном загружении подвала реакцию R1 следует определять по формуле

                                           (78)

где Рg1 и Рg2 - интенсивности горизонтального давления грунта от собственного веса соответственно на глубине h1 и (h1+h2), определяются по формуле (1) при значениях l, k1 и q0, определяемых по формуле (6), k - коэффициент, учитывающий изменение реакции R1 за счет поворота фундамента

k = wEbIhm2/Eb2h2,                                                                                        (79)

здесь w - коэффициент w = 6 для положительных значений М и Q; w = 3 - для их отрицательных значений, а также для М0 и Fsa (см. рис. 13);

m = (h2 + h3)/h2;                                                                                            (80)

где Eb - модуль упругости бетона; Е - модуль деформации грунта основания; b - ширина подошвы фундамента стены; Ih - момент инерции 1 м сечения стены, который допускается определять по приведенной толщине стены tred, определяемой по формуле

tred = (2t2 + t1)/3,                                                                                            (81)

где t1 - толщина стены в верхней части; t2 - то же, в нижней части (в уровне сопряжения с фундаментом); G1 - вес грунта на внешней стороне фундамента; е - эксцентриситет приложения силы G1 относительно центра тяжести подошвы фундамента; v1 и v2 - коэффициенты, учитывающие изменение толщины стены по высоте и принимаемые по табл. 8.

Таблица 8

t1/t2

1

0,7

0,6

0,5

0,4

0,3

v1

0,375

0,375

0,346

0,335

0,321

0,303

v2

0,1

0,092

0,088

0,083

0,076

0,069

7.5. При одностороннем загружении подвала временной нагрузкой реакцию R2 следует определять по формуле

R2 = Pqh2 (v1 + km/2)/(1 + k + k1) - G2ek/(1 + k + k1)(h2 + h3),                   (82)

где Рq - интенсивность горизонтального давления грунта от временной нагрузки, определяется по формуле (3) при l = tg2q0; G2 - вес временной нагрузки, определяется по формуле фундамента; k1 - коэффициент, учитывающий изменение реакции R2 за счет смещения перекрытия при одностороннем загружении подвала

k1 = k0ЕbIh/E¢,                                                                                            (83)

здесь k0 - коэффициент, k = 4 - однопролетных подвалов; k = 3 - для двухпролетных; k = 2 - для трехпролетных; k = 0 - для подвалов с несмещаемым перекрытием; Е¢ - модуль грунта засыпки, величину которого допускается определять по формуле

Е¢ = (0,5 + 0,3h1)b1Е,                                                                                   (84)

где h1 - расстояние от уровня пола до низа перекрытия (значение в скобках принимается не больше единицы); b1 = 0,7 - при засыпке грунтом основания; b1 = 0,9 - то же, малосжимаемым грунтом; Е - модуль деформации грунта основания.

7.6. При наличии конструкций, препятствующих повороту фундамента (сплошная фундаментная плита, перекрестные ленты фундамента для внутреннего каркаса и т.п.), коэффициент k в формулах (78) и (82) следует принимать равным нулю, для конструкций, препятствующих смещению перекрытия подвала, а также при симметричном загружении подвала временной нагрузкой коэффициент k1 в формуле (82) следует принимать равным нулю.

7.7. Расчет устойчивости стен подвала против сдвига производится из условия (15) для значения b = 0.

Удерживающую силу Fsr следует определять по формуле (19), а сдвигающую силу Fsa в уровне подошвы фундамента по формуле

Fsa = -R + (Pg1 + Рg3 +2Рq)(h2 + h3)/2,                                                          (85)

где Рg3 - интенсивность горизонтального давления грунта от собственного веса на глубине h.

7.8. Если устойчивость стен подвала против сдвига (условие 15) не обеспечивается принятыми размерами фундамента, необходимо предусматривать мероприятия, препятствующие сдвигу, например устройство распорок и др.

7.9. Расчет прочности грунтового основания производится из условия (26). В этом случае равнодействующая вертикального давления грунта Fv определяется при загружении временной нагрузкой пролета перекрытия подвала, примыкающего к стене, по формуле

Fv = G1 + G2 + G3 + G4,                                                                                (86)

где G3 - вес фундамента и грунта на его уступах; G4 - вес конструкции подвала, грунта и временной нагрузки на перекрытия (с учетом расчетной грузовой площади).

7.10. При наличии мероприятий, препятствующих сдвигу фундамента, угол наклона равнодействующей внешней нагрузки к вертикали d1 в уровне подошвы фундамента при расчете прочности грунтового основания принимается равным нулю.

7.11. Момент в уровне подошвы фундамента относительно оси, проходящей через центр тяжести подошвы фундамента, следует определять по формуле

М0 = -R(h2 +h3) + (g1 + Рg3 + 3Рq)(h2 + h3)2/6-(G1 + G2)е                     (87)

7.12. Расчетные усилия в стенах подвала определяются по следующим формулам:

пролетный момент на расстоянии ус от верхней опоры

Му =  Qвус - [(Pg1 + Pq) +(Pg2 - Рg1)ус /3h2] /2;                                         (88)

расстояние от верхней опоры до максимального пролетного момента

                 (89)

поперечная сила в пролете на расстоянии ус от верхней опоры

Qy = Qв - ус[(Pg1 + Рq)h2 + (Рg2- Рg1)ус/2]/(Pg2 - Рg1);                                  (90)

поперечная сила в нижнем сечении стены

Qн = Qв - [(Pg1 + Рq) + (Pg2 - Рg1)/2]h2;                                                        (91)

изгибающий момент в нижнем сечении стены

Мн = Qвh2 - [(Pg1 + Рq) + (Pg2 - Рg1)/3]/2.                                                (92)

В формулах (88)-(92) поперечная сила в верхнем сечении стены Qв = R.

7.13. При неполной эпюре интенсивности горизонтального давления грунта по высоте стены подвального помещения и несмещаемом перекрытии (см. рис. 14) реакция в уровне низа перекрытия R определяется по формуле

                                                      (93)

где

                                                                                                                       (94)

Мс - изгибающий момент на уровне перекрытия.

Сдвигающую силу Fsa и изгибающий момент М0 в уровне подошвы следует определять по формулам:

Fsa = - R + (Pg3 + 2Рq)(h2 + h3)/2;                                                                (95)

М0 = -RH + Pqh2/2 + Рg3h2/6 - Ge + Mc.                                                       (96)

7.14. Расчетные усилия в конструктивных элементах подвала (ригелях, колоннах, плитах перекрытия, фундаментах и т.п.) следует определять по известным правилам строительной механики.

7.15. Расчет оснований при деформациях производит по п. 6.14.

7.16. Расчетное сопротивление грунта основания R, кПа, определяется по формуле

,                                     (97)

где gс1 и gс2 - коэффициенты условий работы, принимаемые по табл. 6; k = 1, если прочностные характеристики грунта (j и с) определены непосредственными испытаниями, и k = 1,1, если они приняты по табл. 1-3 прил. 5; Мg; Мq; Мс - коэффициенты, принимаемые по табл. 7; d - глубина заложения подошвы фундамента от пола подвала; dв - приведенная глубина подвала, dв = 2 м при ширине подвала меньше 20 м и dв = 0 - при ширине подвала больше 20 м.

8. РАСЧЕТ ПОДПОРНЫХ СТЕН И СТЕН ПОДВАЛОВ С УЧЕТОМ СЕЙСМИЧЕСКИХ ВОЗДЕЙСТВИЙ

8.1. Подпорные стены и стены подвалов в районах с сейсмичностью 7 и более баллов должны проектироваться с учетом требований главы СНиП II-7-81 "Строительство в сейсмических районах".

8.2. Интенсивность горизонтального давления грунта от собственного веса и от равномерно распределенной нагрузки q, расположенной на поверхности призмы обрушения, следует определять по формулам разд. 5, при этом коэффициент горизонтального давления грунта при сейсмическом воздействии l* следует определять по формулам:

l* = cos2(j - e - w)cos (e + d)/cos w cos2e cos(e + d + w)(1 + )2;        (98)

z = sin (j - r - w)sin(j + d)/cos(e + d + w)cos(e - r),                                 (99)

где w - угол отклонения от вертикали равнодействующей веса грунта и временной нагрузки с учетом сейсмического воздействия по формуле

w = arctg (AK1).                                                                                             (100)

При расчете подпорных стен и стен подвалов произведение АК1 следует принимать равным 0,04, 0,08 и 0,16 при расчетной сейсмичности соответственно 7, 8 и 9 баллов.

8.3. Пассивное сопротивление грунта с учетом сейсмического воздействия E*r определяется по формуле

E*r = (1-АК1)Еr,                                                                                           (101)

где Er - пассивное сопротивление грунта без учета сейсмического воздействия.

8.4. Высота подпорных стен, выполненных из бетона, бутобетона или каменной кладки, при расчетной сейсмичности площадки 8 баллов не должна превышать 12 м, а при расчетной сейсмичности 9 баллов - 10 м.

Высота железобетонных подпорных стен не ограничивается.

8.5. При расположении оснований смежных секций подпорной стены в разных уровнях перепад от одной отметки основания до другой должен производиться уступами с отношением высоты к длине уступа не более 1:2.

8.6. При сооружении подпорных стен из вертикальных сборных элементов по верху стены следует предусматривать монолитный железобетонный пояс на всю длину секции.

8.7. Подпорные стены следует разделять сквозными вертикальными швами на секции длиной не более 15 м с учетом размещения каждой секции на однородных грунтах.

9. РАСЧЕТ ПОДПОРНЫХ СТЕН И СТЕН ПОДВАЛОВ НА СДВИГ В СЛОЖНЫХ ГИДРОГЕОЛОГИЧЕСКИХ УСЛОВИЯХ

9.1. В сложных инженерно-геологических условиях (при наличии слабых прослоек или ослабленных зон в грунте, наличии грунтовых вод и др.) и при значительных нагрузках на примыкающей к подвалу территории общая устойчивость стены должна быть подтверждена расчетом на сдвиг по круглоцилиндрической поверхности.

9.2. При расчете стен подвалов центр вращения принимается в точке пересечения стены  и низа перекрытия подвала. Рассматривается устойчивость грунтового массива (вместе с конструкциями), ограниченного поверхностью земли, полом подвала, стеной и дугой некоторой окружности, проведенной из принятого центра вращения (рис. 15).

Рис. 15. Расчетная схема для определения устойчивости стены подвала против сдвига по круглоцилиндрическим поверхностям

9.3. Для расчета стен подвалов рассматриваемый участок разбивается параллельными отрезками: вертикальными (без учета сейсмичности) и направленными по угол w к вертикали (с учетом сейсмичности района).

Устойчивость против сдвига по рассматриваемой кривой считается обеспеченной, если при учете сейсмического воздействия и фильтрационного давления грунтовых вод удовлетворяется следующее условие:

                                                       (102)

знак "плюс" соответствует нисходящей, а знак "минус" - восходящей ветви кривой сдвига, gic и gwic - равнодействующие сил, действующих на подошву i-го элемента с учетом сейсмического воздействия:

,                                                                                        (103)

где gi - суммарная сила от веса грунта, веса стены и от нагрузки на поверхности в i-м элементе (с учетом взвешивающего веса грунта ниже уровня воды):

,                                                                                    (104)

gwi - вес воды в объеме между поверхностью грунтовых вод и основанием в i-м элементе; bi - ширина элемента по нормали к его границе, м; aic - угол между нормалью к подошве элемента и направлением действия силы:

aic = ai ± w,                                                                                                  (105)

a - угол между подошвой элемента и горизонталью, град. (при отсутствии сейсмического воздействия aic = ai); w - угол наклона к вертикали равнодействующих gic и gwic, определяется по формуле (100); АК1 - коэффициенты сейсмичности участка строительства, принимаемые в соответствии с указаниями разд. 8; F - равнодействующая нагрузки от надземных конструкций; aF - угол между нормалью к подошве и направлением равнодействующей нагрузки от надземных конструкций (при вертикальной нагрузке aF= 0)

tg j* = tgj1/kf;                                                                                               (106)

c* = с1/kf,                                                                                                       (107)

где kf - коэффициент устойчивости

kf = kn/m,                                                                                                       (108)

где kn - коэффициент надежности, принимаемый при отсутствии сейсмического воздействия не менее 1,2, при учете сейсмического воздействия - 1,5; m - коэффициент условий работы, принимаемый при отсутствии сейсмического воздействия 1, при учете сейсмического воздействия: для скальных крупно-обломочных и песчаных (кроме рыхлых) маловлажных грунтов, а также глинистых грунтов (с консистенцией IL£0,5) - 1,2; для песков рыхлых, насыщенных водой, и глинистых грунтов (с консистенцией IL£ 0,75) - 0,7; для остальных грунтов - 1; tg j*F - значение tg j* в подошве того элемента, в котором сила F пересекается с рассматриваемой круглоцилиндрической кривой.

9.4. При расчете на сдвиг по круглоцилиндрической поверхности коэффициенты надежности по нагрузке для грунта и конструкций принимаются равными n = 1. Определение сил gi производят исходя из расчетного значения объемного веса gIi грунта, слагающего соответственно i-й элемент.

Расчет следует выполнять, выявляя (при необходимости используя повторные попытки) наиболее опасную кривую, для которой значения левой части условия (102) принимают минимальными.

При расчете круглоцилиндрическую кривую следует проводить через край фундамента или ниже него, пересекая слабый слой грунта, охватывая область повышенных нагрузок, а также учитывая другие особенности участка.

10. КОНСТРУКТИВНЫЕ ТРЕБОВАНИЯ

Подпорные стены

10.1. Габариты подпорных стен определяются одним параметром - высотой подпора грунта, т.е. разностью перепада верхних и нижних планировочных отметок.

10.2. Предварительный размер подошвы уголковой подпорной стены может быть установлен в зависимости от интенсивности равномерно распределенной нагрузки, расположенной на поверхности призмы обрушения, нормативного угла внутреннего трения грунта jn и высоты стены h (рис. 16).

10.3. Предварительный размер подошвы массивных подпорных стен назначается в пределах (0,5 - 0,7) h.

10.4. Минимальные размеры, мм, сечений элементов подпорных стен рекомендуется назначать: для бутобетонных стен - 600, для бетонных - 400, для железобетонных -100.

Рис. 16. Графики для предварительного подбора размера подошвы уголковых подпорных стен

10.5. Основные размеры подпорных стен (общую высоту, ширину подошвы) следует назначать, как правило, кратными 300 мм.

Размеры толщины элементов стены и подошвы назначаются кратными 20 мм.

10.6. Глубину заложения подошвы подпорной стены следует назначать в соответствии с требованиями СНиП 2.02.01-83 «Основания зданий и сооружений».

Минимальная глубина заложения подпорных стен должна быть не менее 0,6 м в нескальных и не менее 0,3 м - в скальных грунтах. При наличии кювета глубина заложения назначается от дна кювета.

10.7. При наличии в основании стены слабых грунтов с расчетным сопротивлением 100-200 кПа (1-2 кгс/см2) либо пучинистых глинистых грунтов при глубине промерзания, равной или большей, чем заглубление фундаментной плиты, основанием должна служить песчаная или щебеночная подушка. Грунт естественного залегания вынимается на глубину не менее 600 мм от подошвы стены и заменяется песком или щебнем. Песок отсыпается слоями, поливается водой и утрамбовывается.

Подушку следует выполнять в котловане с предельно крутыми откосами. Размеры подушки должны быть больше соответствующих размеров подошвы на 400 мм (по 200 мм в каждую сторону) при засыпке песком и на 600 мм (по 300 мм в каждую сторону) при засыпке котлована щебнем.

10.8. Под подошвой монолитной стены следует устраивать выравнивающую бетонную подготовку толщиной 100 мм, которая должна выступать за грань подошвы не менее чем на 100 мм.

Сборные фундаментные плиты следует устанавливать на подготовленное основание в виде утрамбованного в грунт щебня. Толщина слоя щебня должна приниматься не менее 100 мм и выступать за грани подошвы не менее чем на 150 мм.

10.9. При наличии в основании слабых грунтов (при соответствующем обосновании) может быть выполнено искусственное основание в виде свайного ростверка и т.д.

10.10. В продольном направлении подошву подпорной стены следует принимать горизонтальной или с уклоном не более 0,02. При большем уклоне подошва выполняется ступенчатой.

В поперечном направлении подошву подпорной стены следует принимать горизонтальной или с уклоном в сторону засыпки не более чем 0,125.

10.11. Конструкции подпорных стен должны быть разделены на всю высоту (включая фундаменты) температурно-усадочными швами.

Расстояния между швами следует принимать: не более 10м - в монолитных бутобетонных и бетонных подпорных стенах без конструктивного армирования, 20 м - в монолитных бетонных конструкциях при конструктивном армировании и в монолитных и сборно-монолитных железобетонных конструкциях и 30 м - в сборных железобетонных конструкциях.

При наличии в основании подпорной стены неоднородных грунтов расстояния между швами должны быть уменьшены с таким расчетом, чтобы подошва фундамента каждого отсека опиралась на однородный грунт.

Расстояние между швами допускается увеличивать при проверке конструкции расчетом.

Швы в монолитных бетонных и железобетонных подпорных стенах выполняются путем постановки в тело конструкции просмоленной доски. Ширина швов принимается равной 30 мм.

10.12. Обратную засыпку пазух подпорных стен следует производить дренирующими грунтами (песчаными или крупнообломочными).

Допускается использовать местные связные грунты - супеси и сухие суглинки. Уплотнение засыпки следует производить согласно требованиям нормативных документов.

Рис. 17. Габариты приближения рамповых подпорных стен (размеры в скобках даны для железных дорог узкой колеи)

Рис. 18. Габариты приближения железнодорожного пути до выступающих частей подпорных стен

а - при расположении железнодорожного пути на насыпи; б - то же, в полувыемке

Грунты засыпки необходимо трамбовать послойно до тех пор, пока величина коэффициента уплотнения kу будет не менее 0,95.

Не допускается применять для обратных засыпок тяжелые и пластичные глины, а также грунты, содержащие более 5 % по весу органических и растворимых включений.

10.13. Высота подпорных стен для грузовых рамп автомобильного транспорта со стороны подъезда автомобилей должна быть равной 1200 мм от уровня поверхности проезжей части дороги или погрузочно-разгрузочной площадки (рис. 17).

10.14. Высота подпорных стен для грузовых и пассажирских рамп железнодорожного транспорта от уровня головки рельсов должна быть равной 1100 мм для колеи 1520 мм и 750 мм для колеи 750 мм.

Горизонтальное расстояние от оси ближайшего железнодорожного пути до наружного края рампы должно быть равно 1920 мм и 1370 мм соответственно для железнодорожной колеи шириной 1520 мм и 750 мм.

10.15. В насыпях на прямых участках минимальное расстояние от оси ближайшего железнодорожного пути до верха наружной грани подпорной стены следует принимать не менее 2,5 м (рис. 18).

10.16. В выемках на прямых участках минимальное расстояние от оси ближайшего железнодорожного пути до выступающих частей подпорной степи на уровне подошв шпал и выше должно быть не менее 3,1 м.

10.17. На кривых участках минимальные расстояния от оси ближайшего железнодорожного пути до подпорной стены необходимо увеличить в соответствии с табл. 9.

Таблица 9

Радиусы кривых, м

Увеличение расстояния,

1800-1200

0,1

1000-700

0,2

600 и менее

0,3

10.18. Минимальные расстояния от оси трамвайного пути до подпорной стены (при запрещении доступа к ним пешеходов) принимаются следующие: с правой стороны по направлению движения трамвая - 2,3 м; то же, с левой стороны - 2,05 м.

10.19. На кривых участках минимальное расстояние от оси трамвайного пути до подпорной стены необходимо увеличивать: при расположении подпорной стены с наружной стороны кривой - на величину выноса угла вагона; а с внутренней стороны кривой - на величину свеса середины вагона.

10.20. При возможности хождения людей по поверхности засыпки и непосредственной близости к стенке необходимо устраивать ограждение высотой 1 м, рассчитанное на сосредоточенное горизонтальное усилие 0,7 кН.

10.21. При расположении автодорог вдоль подпорной стены у стен следует предусматривать тротуар шириной не менее 750 мм с колесоотбойным брусом (барьером) высотой не менее 0,4 м.

В качестве колесоотбойного бруса рекомендуется применять сборные или монолитные железобетонные элементы.

10.22. Поверхность подпорных стен, обращенная в сторону засыпки, должна быть защищена гидроизоляцией. Допускается применение окрасочной гидроизоляции с битумными растворами или мастиками в соответствии с нормативными документами.

10.23. При расположении подпорных стен вне здания следует предусматривать устройство со стороны подпора грунта пристенного дренажа (рис. 19).

В водоупорных грунтах в основании дренажа следует устраивать подготовку из жирной глины толщиной 200 мм с уклоном 0,05 в сторону стены. Пристенный песчаный дренаж толщиной 300 мм выполняется из песка средней крупности.

Дренажный коллектор из щебня или гравия крупностью 10 - 25 мм следует устраивать с продольным уклоном не менее 0,04.

В лицевых элементах подпорных стен необходимо предусматривать дренажные отверстия диаметром 50 мм через 3 - 6 м.

10.24. На косогорных участках для отвода атмосферных вод за тыльной гранью подпорной стены должен быть предусмотрен водоотводный кювет.

10.25. Для защиты лицевой поверхности подпорной стены от подтеков ливневой воды, особенно для стен, расположенных на косогорных участках, следует предусматривать устройство козырька со «слезником» или установку карнизных блоков (рис. 20).

Рис. 19. Схема дренажа

а - при водоносных грунтах засыпки; б - то же, при водоупорных; 1 - обратная засыпка водоносным грунтом; 2 - дренажный коллектор (щебень или гравий крупностью 10-25 мм); 3 - песок средней крупности; 4 - дренажные отверстия диаметром 50 мм с интервалом 3 или 6 м; 5 - грунт естественного залегания; 6 - обратная засыпка водоупорным грунтом; 7 - пристенный песчаный дренаж из песка средней крупности; 8 - слой жирной глины (h = 200 мм)

Рис. 20. Устройство карниза стены

а - бетонный карнизный блок; б - железобетонный козырек

10.26. Работы по антикоррозионной защите закладных и соединительных металлических элементов, а также анкерных тяг следует проводить в соответствии с действующими нормативными документами.

10.27. Армирование подпорных стен следует производить унифицированными арматурными сетками по ГОСТ 23279-85 «Сетки арматурные для железобетонных конструкций и изделий».

10.28. Армирование монолитных консольных подпорных стен уголкового профиля производится самонесущими пространственными блоками, собираемыми из плоских сеток (рис. 21).

При необходимости устройства шва бетонирования (в месте сопряжения подошвы и стенки) армирование осуществляется пространственными армокаркасами с установкой в месте шва дополнительных стыковых сеток.

10.29. Армирование монолитных подпорных стен может быть осуществлено отдельными стержнями (рис. 22).

10.30. Толщина защитного слоя бетона для рабочей арматуры в сборных железобетонных конструкциях принимается не менее 30 мм и не менее диаметра рабочей арматуры; в монолитных конструкциях - не менее 35 мм и не менее диаметра рабочих стержней.

В монолитных фундаментных плитах при отсутствии бетонной подготовки защитный слой бетона для нижней рабочей арматуры должен быть не менее 70 мм.

Рис. 21. Схема армирования подпорной стены самонесущими арматурными блоками

а - при одновременном бетонировании подошвы и стены; 6 - при раздельном бетонировании подошвы и стены; 1 - арматурный блок; 2 - рабочая стыковая сетка; 3 - стыковая сетка; 4 - шов бетонирования

Рис. 22. Схема армирования монолитной подпорной стены отдельными стержнями

1 - противоусадочная арматура;. 2-5 - то же, рабочая; 6 - то же, распределительная; 7 - шпильки в шахматном порядке

10.31. Глубина заделки растянутых стержней сборных вертикальных элементов в паз фундамента должна быть не менее 25 диаметров рабочих стержней для арматуры класса А-III и не менее 20 диаметров для арматуры класса А-II. Кроме того, глубина заделки панели в паз должна быть не менее 1,5 толщины панели.

Глубину заделки растянутых рабочих стержней в паз допускается уменьшать до 15 диаметров при условии приварки к концам продольной арматуры двух анкерующих стержней диаметром не менее половины диаметра рабочих стержней и расположенных на расстоянии не менее 100 мм один от другого.

Для осуществления подливки и рихтовки лицевых плит глубину паза следует принимать на 50 мм больше глубины заделки панели.

10.32. Петлевые стыки (рис. 23) при сопряжении отдельных элементов, в зависимости от принятой конструкции, могут воспринимать либо только осевое растяжение (для присоединения дополнительной анкерной плиты с целью повышения несущей способности стены на сдвиг), либо внецентренное растяжение или изгибающие моменты (для сопряжения лицевых и фундаментных плит).

10.33. Петлевые выпуски по расположению и диаметру должны соответствовать требуемой по расчету арматуре стыкуемого элемента, а также требованию п. 10.34.

Минимальный диаметр загиба петли и соответственно диаметр бетонного ядра Dmin определяется расчетом, исходя из условия

Dmin = 0,4ssdn/Rb,                                                                                          (109)

где ss - напряжение в петле, определяется по формуле

ss = Rs(1 - ln/lан),                                                                                           (110)

здесь ln - длина прямолинейного участка растянутой ветви петли; lан- длина анкеровки арматуры в растянутом бетоне, принимается по СНиП 2.03.01-84*; Rs - расчетное сопротивление арматуры петли растяжению; Rb - призменная прочность бетона.

Кроме того, диаметр петли и бетонного ядра D должен быть не менее расстояния между растянутой и сжатой арматурой, т.е. петля должна огибать все расчетное сечение.

10.34. Расстояние в осях между соседними петлями должно быть не более 2Dmin.

В бетонном ядре должны быть установлены продольные стержни с диаметром арматуры петли не менее 0,5dn.

Площадь сечения всех продольных стержней в бетонном ядре Аа,я должна удовлетворять условию

Аа.я > Аа.п,                                                                                                      (111)

где Аа.п - площадь сечения растянутой ветви петли.

Количество стержней в бетонном ядре должно быть не менее 4 в стыке, работающем на осевое растяжение, и не менее 6 в стыке, работающем на изгиб или внецентренное растяжение.

Для стыка, работающего на восприятие изгибающего момента, длина прямолинейного участка ln должна быть не менее 5dn.

При устройстве петлевых стыков необходимо тщательно обработать торцовые бетонные поверхности сопрягаемых элементов насечкой с очисткой и промывкой их водой, а также предусмотреть установку в зоне стыка дополнительных поперечных стержней, привариваемых к петлевым выпускам (рис. 24).

Рис. 23. Конструкция петлевых стыков

а - стык фундаментной плиты, воспринимающий осевое растяжение; б - то же, изгиб; в - жесткий стык лицевой и фундаментной плиты

Рис. 24. Установка дополнительных поперечных стержней в зоне петлевого стыка

1 - сопрягаемые железобетонные элементы; 2 - продольные стержни в бетонном ядре; 3 - дополнительные поперечные стержни

Рис. 25. Типы наружных стен подвалов

а - из монолитного бетона; б - из вертикальных стеновых панелей; в -  из горизонтальных стеновых панелей

Марка бетона стыка должна быть не ниже марки бетона сопрягаемых элементов.

Стены подвалов

10.35. Наружные стены подвалов могут выполняться из бетонных блоков, сборных железобетонных панелей, монолитного бетона и железобетона (рис. 25). Массивные подпорные стены из сборных блоков или монолитного бетона применяются при небольшой глубине подвала (до 3 м) и небольшой нагрузке (до 10 кПа) на прилегающей территории.

Стены из вертикальных сборных железобетонных панелей, опертых на перекрытие, применяются в подвалах при значительных нагрузках на пол цеха, например в цехах заводов черной металлургии, и при большом заглублении подвалов.

Стены из сборных железобетонных плит, располагаемых горизонтально и опирающихся на фундаменты колонн зданий, используют главным образом в многоэтажных промышленных зданиях каркасного типа.

Рис. 26. Пример конструктивного решения одноэтажного подвала

1 - колонна; 2 - ригель; 3 - панель перекрытия; 4 - панель стеновая; 5 - фундамент стеновой панели; 6 - балка обвязочная (монолитная); 7 - поперечные координационные оси подвала; 8 - то же, продольные

Рис. 27. Пример конструктивного решения подвального помещения с техническим этажом

1 - колонна; 2 - ригель; 3 - панель перекрытия; 4 - панель междуэтажного перекрытия; 5 - панель стеновая; 6 - фундаментная стена (монолитная); 7 - балка обвязочная (монолитная); 8 - поперечные координационные оси подвала; 9 - то же, продольные

10.36. Наибольшее распространение в промышленном строительстве получили конструктивные решения подвалов в виде каркасной схемы с вертикальными плоскими стеновыми панелями и опирающимися на них ребристыми плитами. В многопролетных подвалах применяются сборные железобетонные ригели и прямоугольные колонны.

Рис. 28. Пример решения температурно-усадочного шва

а - перекрытия подвала; б - стены подвала; 1 - ригель; 2 - панель перекрытия; 3 - пол цеха; 4 - деформационный шов в полу цеха в соответствии со СНиП II-В. 8-71; 5 - компенсатор; 6 - стеновая панель; 7 - битумная мастика; 8 - тиоколовый герметик; 9 - просмоленная пакля; 10 - цементный раствор

Примеры конструктивного решения одноэтажных и двухэтажных подвалов в таком исполнении приведены на рис. 26 и 27.

10.37. Монтажные и эксплуатационные проемы в перекрытиях подвальных помещений должны быть прямоугольными. Монтажные проемы следует перекрывать съемными плитами в уровне верха конструкции перекрытия подвала, имеющими предел огнестойкости такой же, как перекрытие. Эксплуатационные проемы следует перекрывать съемными плитами в уровне отметки чистого пола цеха.

10.38. Полы подвальных помещений следует предусматривать с уклоном к трапам (приямкам) канализации с обособленной системой отвода воды. Непосредственное соединение приямков с ливневой и другими типами канализации запрещается.

10.39. Подвальные помещения при наличии подземных вод должны быть защищены гидроизоляцией от проникания воды в соответствии с требованиями действующих нормативных документов.

В качестве основной меры защиты следует предусматривать пластовые дренажи под всем полом подвала.

При отсутствии подземных вод поверхность конструкций, обращенных в сторону засыпки, должна быть покрыта окрасочной гидроизоляцией или битумной мастикой.

10.40. Температурно-усадочные швы в подвалах следует предусматривать на расстоянии не более 60 м - для монолитных и 120 м - для сборных и сборно-монолитных конструкций подвалов (без расчета на температурно-усадочные деформации). При назначении предельных расстояний между температурно-усадочными швами необходимо устраивать временный шов посередине температурного блока (рис. 28).

10.41. Обратную засыпку пазух котлована следует производить с двух противоположных сторон подвала с перепадом по высоте не более 1 м. Уплотнение засыпки следует производить согласно требованиям нормативных документов с коэффициентом уплотнения kу не менее 0,95.

ПРИЛОЖЕНИЕ 1

ПРИМЕРЫ РАСЧЕТА

Пример 1. Расчет массивной подпорной стены

Дано. Массивная подпорная стена III класса ответственности из готовых бетонных блоков с высотой подпора грунта 3м. Глубина заложения подошвы 1,2 м. Геометрические размеры стены приведены на рис. 1. На призме обрушения расположена равномерно распределенная нагрузка интенсивностью q = 5 кПа. Грунт засыпки - пески мелкие, грунт основания - суглинки.

Расчетные характеристики грунта основания:

g1 = 18,9 кН/м3;              gII = 18 кН/м3;

j1 = 22°;                                    jII = 25°;

с1 = 8 кПа;                      сII = 12 кПа.

Расчетные характеристики грунта засыпки:

g¢1 = 18 кН/м3;                g¢II = 17 кН/м3;

j¢1 = 26°;                       j¢II = 29°;

с¢1 = 0;                            с¢II = 0.

Требуется проверить принятые размеры подошвы подпорной стены и определить усилия в сечении 1-1. Расчет ведем на 1 м длины стены.

Таблица значений тригонометрических функций приведена в прил. 3.

Определяем интенсивность давления грунта на конструкцию стены. Сползание призмы обрушения со стороны стены условно принимаем под углом e к вертикали при угле трения по контакту сползания d = j¢1.

tg e = 1,6/4,2 = 0,381;             e = 21°.

Интенсивность горизонтального активного давления грунта от собственного веса на глубине у = h = 4,2 м определяем по формуле (1)

Рg = [g¢1gfhl - c¢1(k1 + k2)] y/h = [18×1,15×4,2×0,38 - 0] 4,2/4,2 = 33,04 кПа.

Интенсивность горизонтального давления грунта от равномерно распределенной нагрузки определяем по формуле (9)

Рq = qgfl = 5×1,2×0,38 = 2,28 кПа.

По табл. 3 прил. 2 при d = j¢1 = 26° l = 0,38.

Расчет устойчивости положения стены против сдвига

Сдвигающую силу Fsa определяем по формуле (16) при уb = h:

Fsa,g = Pgh/2 = 33,04×4,2/2 = 69,38 кН;

Fsa,q = Pqyb = 2,28×4,2 = 9,58 кН;

Fsa = Fsa,g + Fsa,q = 69,38 + 9,58 = 78,96 кН.

Расчет устойчивости производим для трех значений угла b.

Рис. 1. К расчету массивной подпорной стены

1 случай (b1 = 0)

Сумму проекций всех сил на вертикальную плоскость определяем по формуле (20)

Fv = Fsa tg(e + d) + Gст + g1 tgbb2/2 = 78,96 tg(21°+26°) + 104,2 + 0 = 188,88 кН.

Вес стены  взят с учетом веса грунта на ее уступах (Gст = 104,2 кН).

Пассивное сопротивление грунта Fr определяем по формуле (22) при hr = d = 1,2 м.

lr = 1;              с1 = 5 кПа;                   g1 = 18,9 кН/м3;

Er = g1lr/2 + c1hr(lr - 1)/tg j1 = 18,9×1,22×1/2 + 5×1,2(1-1)tg 22° = 13,61 кН.

Удерживающую силу Fsr определяем по формуле (19) при с1 = 5 кПа (см. п. 6.6):

Fsr = Fv tg(j - b) + bc1 + Er = 188,88 tg (22° - 0°) + 2,4×5+13,61 = 101,92 кН.

Проверяем устойчивость стены из условия (15):

Fsa = 78,96 кН < 0,9×101,92/1,1 = 83,39 кН.

Условие удовлетворено.

2 случай (b2 = jI/2 = 11°)

lr = tg2 (45°+jI/2) = 2,19;

Fv = 78,96 tg(21°+26°)+104,2 + 18,9 tg 11°×2,42/2 = 199,46 кН.

Пассивное сопротивление грунта Er определяем при:

hr = d + b tgb = 1,2 + 2,4tg 11° = 1,67 м;

Er = 18,9×1,672×2,19/2 + 8×1,67(2,19 - 1)/tg 22° = 97,07 кН;

Fsr = 199,46 tg(22° - 11°) + 2,4×8 + 97,07 = 155,05 кН.

Проверяем условие (15):

Fsa = 78,96 кН<0,9×155,05/1,1 = 126,86 кН.

Условие удовлетворено.

3 случай (b3 = jI = 22°)

Fv = 78,96 tg(21°+ 26°) + 104,2 + 18,9 tg22°×2,42/2 = 210,87 кН;

hr = 1,2 + 2,4 tg22° = 2,17 м;

Er = 18,9×2,172×2,19/2 + 8×2,17(2,19 - 1)/tg22° = 148,58 кН;

Fsr = 210,87 tg(22°-22°) + 2,4×8 + 148,58 = 167,78 кН;

Fsa = 78,96 кН<0,9×167,78/1,1 = 137,27 кН.

Условие (15) во всех трех случаях удовлетворено, устойчивость стены против сдвига обеспечена.

В соответствии с п. 6.9

tg dI = Fsa/Fv = 78,96/188,88 = 0,42;

tg dI > sin jI = 0,3746.

Расчет прочности основания не производится.

Расчет основания по деформациям

Расчетное сопротивление грунта основания R определяем по формуле (39):

где gс1 = 1,3; gс2 = 1б1 (по табл. 6); k = 1,1; Мg = 0,78; Мq = 4,11; Мс = 6,67 (по табл. 7 при jII = 25°); d = 1,2 м.

Интенсивность нормативного давления l = 0,33 (при e = 21°; d = j¢II = 29° по табл. 3 прил. 2).

Рg = (17×1×4,2-0)0,33×4,2/4,2 = 23,56 кПа;

Рq = 5×1×0,33 = 1,65 кПа;

Fsa,g = 23,56×4,2/2 = 49,48 кН;

Fsa,q = 1,65×4,2 = 6,93 кН;

Fsa = Fsa,g + Fsa,q = 49,48 + 6,93 = 56,41 кН.

Расстояние от равнодействующей сдвигающей силы до низа подошвы стены определяем по формуле (33)

h* = [Fsa,gh/3 + Fsa,q(h - ya - yb/2)]/Fsa = [49,48×4,2/3 + 6,93(4,2 - 0 - 4,2/2)]56,41 = 1,49 м.

Изгибающий момент от собственного веса стены и грунта на обрезах относительно центра тяжести подошвы:

SМi = 24,3 кН×м.

По формуле (31):

М0 = Fsa[h* - tg(e + d)(b/2 - h*tge)] + SМi = 56,41[1,49 - tg (21° + 29°)(2,4/2 - 1,49 tg21°)] + +24,3 = 66,13 кН×м;

Fv = 56,41 tg(21° + 29°) + 85,3 + 0 =152,53 кН,

где е = М0/Fv = 66,13/152,53 = 0,43 м > b/6 = 2,4/6 = 0,4 м.

рmax = 2Fv/3c0 = 2×152,53/3×0,77 = 132,06 кПа;

с0 = 0,5b - e = 0,5×2,4 - 0,43 = 0,77 м.

Определяем усилия в сечении стены I-I (при у = 3м) по формулам (40):

Ni = SFvi = (0,5×1,2 + 1×1,8)20×1,1 + 1,2×0,5×18×1,15 + 5×1,2×0,5 = 68,22 кН;

Qi = SFsa,i = 2,28×3 + 33,04×32/4,2×2 = 42,24 кН;

Мi = SFvixi + SFsa,iyi = 1,52 + 45,66 = 47,18 кН×м,

где SFvixi = 0,5×1,2×20×1,1×0,25 - 0,5×1,2×0,5×18×1,15×0,5/3 - 5×0,5 ´ 1,2×0,25 = 1,52 кН×м; SFsa,iyi = =2,28×3×3/2 + 33,04×32×1/4,2×2 = 45,66 кН×м.

Пример 2. Расчет уголковой подпорной стены

Дано. Уголковая подпорная стена консольного типа с высотой подпора грунта у = 4,5 м, глубина заложения подошвы фундамента d = 1,5 м. Нагрузка на призме обрушения равномерно распределенная интенсивностью q = 25 кПа. Геометрические размеры стены приведены на рис. 2. Грунт основания и засыпки (пески мелкие) со следующими характеристиками: gn = 17 кН/м3, jn = 32°, cn = 0. Модуль деформации грунта основания Е = 2×104 кПа.

Требуется проверить габаритные размеры принятой конструкции, определить изгибающие моменты и поперечные силы в элементах стены.

Расчетные характеристики грунта основания:

gI = 1,05×17 = 18 кН/м3;                    gII = 17 кН/м3;

jI = 32°/1,1 = 29°;                            jII = 32°;

сI = 0;                                                сII = 0.

Расчетные характеристики грунта засыпки:

g¢I = 0,95×18 = 17 кН/м3;                   g¢II = 0,95×17 = 16 кН/м3;

j¢I = 0,9×29° = 26°;                           j¢II = 0,9×32° = 29°;

с¢I = 0;                                               сII = 0.

Определяем интенсивность давления грунта на конструкцию стены.

Условный угол плоскости обрушения

tg e = 3,3/6 = 0,55;e = 28°48°¢» 29°;

По табл. 3 прил. 2 при d = j¢I = 26° l = 0,39.

Интенсивность горизонтального активного давления грунта от собственного веса на глубине у = h = 6 м определяем по формуле (1):

Рg = [g¢Igfhl - c¢I(k1 + k2)] y/h = [17×1,15×6×0,39 - 0] 6/6 = 45,75 кПа.

Интенсивность горизонтального давления грунта от равномерно распределенной нагрузки определяем по формуле (3):

Рq = qgfl = 25×1,2×0,39 = 11,7 кПа.

Рис. 2. К расчету уголковой подпорной стены

Расчет устойчивости положения стены против сдвига

Сдвигающую силу Fsa определяем по формулам (16)-(18) при yb = h = 6 м:

Fsa,g = Pgh/2 = 45,75×6/2 = 137,25 кН;

Fsa,q = Pqyb = 11,7×6 = 70,2 кН;

Fsa = Fsa,g + Fsa,q = 137,25 + 70,2 = 207,45 кН.

Расчет устойчивости производим для трех значений угла b.

1 случай (b1 = 0)

Сумму проекций всех сил на вертикальную плоскость определяем по формуле (21):

Fv = Fsa tg(e + j¢I) + g¢Igf [h(b - t)/2 + td] + gI tgbb2/2 =

= 207,45 tg(29°+26°) +17×1,2[6(3,9 - 0,6)/2 + 0,6×1,5] +

+ 18 tg 0°×3,92/2 = 514,4 кН.

Пассивное сопротивление грунта Er определяем по формуле (22) при hr = d = 1,5м; gI = 18 кН/м3; lr = 1; c1 = 0

Fr = gIlr/2 + c1hr(lr - 1)/tg jI = 18×1,52×1/2 + 0 = 20,25 кН.

Удерживающую силу Fsr определяем по формуле (19):

Fsr = Fv tg(jI - b) + bc1 + Er = 514,4 tg(29° - 0°) + 0 +

+20,25 = 303,17 кН.

Проверка устойчивости стены из условия (15).

Fsa = 207,45 кН<1×303,17/1,1 = 275,61 кН.

Условие удовлетворено.

2 случай (b2 = jI/2 = 14°30¢)

lr = tg2(45°+jI/2) = tg2(45°+29°/2) = 2,86;

Fv = 207,45 tg(29°+26°) + 17×1,2[6(3,9 - 0,6)/2 + 0,6×1,5] +

+ 18 tg 14°30¢×3,92/2 = 549,55 кН.

Пассивное сопротивление грунта Er определяем при hr = d + b tgb = 1,5 + 3,9 tg14°30¢ = 2,5 м:

Er = 18×2,52×2,86/2 + 0 = 160,88 кН;

Esr = 549,55 tg (29° - 14°30¢) + 0 + 160,88 = 302 кН;

Fsa = 207,45 кН<1×302/1,1 = 274,55 кН.

Условие удовлетворено.

3 случай (b3 = jI = 29°)

Fv = 207,45 tg(29°+26°) + 17×1,2[6(3,9 - 0,6)/2 + 0,6×1,5] +

+ 18 tg29°×3,92/2 = 589,66 кН;

hr = d + b tgb =1,5 + 3,9 tg29° = 3,64 м;

Er = 18×3,642×2,86/2 + 0 = 341,04 кН;

Fsa = 207,45 кН<1×341,04/1,1 = 310,04 кН.

Условие (15) во всех трех случаях удовлетворено, устойчивость стены против сгиба обеспечена.

В соответствии с п. 6.9:

tg d1 = Fsa/Fv = 207,45/514,4 = 0,403;

tg d1 = 0,403 <sinjI = 0,4848; dI = 22°.

Следует проверить прочность грунтового основания.

Расстояние от равнодействующей сдвигающей силы до низа подошвы стены определяем по формуле (33)

h* = [Fsa,gh/3 + Fsa,q (h - ya - yb/2)]/Fsa = [137,25×6/3 +

+ 70,2(6 - 0 - 6/2)]/207,45 = 2,34 м.

Сумму моментов всех вертикальных и горизонтальных сил относительно оси, проходящей через центр тяжести, определяем по формуле (32)

М0 = Fsa[h*- tg(e + j¢I)(b/2 - h*tge)] + g¢Igf (b - t)[h(b - 4t) +

+6dt]/12 = 207,45[2,34 - tg(29°+26°)(3,9/2 - 2,34 tg 29°)] +

+ 17×1,2(3,9 - 0,6)[6(3,9 - 4×0,6) + 6×1,5×0,6]/12 = 371,11 кН×м.

Эксцентриситет приложения равнодействующей

е = М0/Fv = 371,11/514,4 = 0,72 м.

Приведенная ширина подошвы

b¢ = b - 2e = 3,9 - 2×0,72 = 2,46 м.

По табл. 5 при jI = 29°; d1 = 22°; Ng = 1,73; Nq = 6,27.

Вертикальную составляющую силы предельного сопротивления основания определяем по формуле (28)

Nu = b¢(Ngb¢gI + Nqg¢Id + NccI) = 2,46(1,73×2,46×18 + 6,27×17×1,5 + 0) = 581,78 кН;

Fv = 514,4 кН<1×581,78/1,1 = 528,89 кН.

Расчет основания по деформациям

Расчет сопротивление грунта основания R определяем по формуле (39)

где gс1 = 1,3; gс2 = 1,1 (по табл. 6); k = 1,1; Мg = 1,34; Мq = 6,34; Мс = 8,55 (по табл. 7 при jII = 32°); d = 1,5 м.

Интенсивность нормативного давления грунта на стену

Pg = [g¢IIgfhl - c¢II (k1 + k2)]y/h = [16×1×6×0,35 - 0]6/6 = 33,6 кПа.

Коэффициент горизонтального давления грунта l = 0,35 определяем по табл. 3 прил. 2 (при d = j¢II =29°, e = 28°48¢»29°):

Pq = qgfl = 25×1×0,35 = 8,75 кПа;

Fsa,g = 33,6×6/2 = 100,8 кН;

Fsa,q = 8,75×6 = 52,5 кН;

Fsa = Fsa,g + Fsa,q = 100,8 + 52,5 = 153,3 кН;

h* = [100,8×6/3 + 52,5(6 - 0 - 6/2)]/153,3 = 2,34 м;

М0 = 153,3[2,34 - tg(29°+29°)(3,9/2 - 2,34 tg29°)] +

+ 16×1(3,9 - 0,6)[6(3,9 - 4×0,6) + 6×1,5×0,6]/12 = 260,5 кН×м;

Fv = 153,3 tg(29°+29°) + 16×1[6(3,9 - 0,6)/2 + 0,6×1,5] + 0 =

= 416,24 кН; е = 260,5/416,24 = 0,63 м.

Краевые давления на грунт определяем по формуле (36):

= Fv(1 ± 6e/b) = 416,24(1±6×0,63/3,9)/3,9;

pmax = 210,17 кПа<1,2R = 376,08 кПа;

pmin = 3,28 кПа.

Расчет основания по деформациям удовлетворен.

Определение изгибающих моментов и поперечных сил

Расчетные усилия в вертикальном элементе (рис. 3) определяем по формулам п. 6.17.

Сечение 1 - 1 (при у = 3 м)

М1-1(3) = Рgу3/6h + Pq(y - ya)2/2 = 45,75×33/6×6 + 11,7(3 - 0)2/2 = 86,96 кН×м;

Q1-1(3) = Рgу2/2h + Pq(y - ya) = 45,75×32/2×6 + 11,7(3 - 0) = 69,41 кН.

Сечение 1 - 1 (при у = 6 м)

М1-1(6) = 45,75×63/6 + 11,7(6 - 0)2/2 = 485,1 кН×м;

Q1-1(6) = 45,75×62/2×6 + 11,79(6 -0) = 207,45 кН.

Рис. 3. Определение расчетных усилий в элементах стены

а - схема загружения конструкции стены; б - изгибающие моменты в элементах стены; в - поперечные силы в элементах стены

Расчетные усилия в фундаментной плите определяем по формулам (53)-(56):

Рvg = Pg tg(e + j¢I)/tg e = 45,75 tg(29°+26°)/tg 29° = 117,96 кПа;

Pvq = Pq tg(e + j¢I)/tg e = 11,7 tg(29°+26°)/tg 29° = 30,17 кПа;

P¢vg = g¢Igfh = 17×1,2×6 = 122,4 кПа;

P¢¢vg = g¢Igfd = 17×1,2×1,5 = 30,6 кПа.

Сечение 2 - 2 (при х2 = 0,6 м)

е = 0,72 м>b/6 = 3,9/6 = 0,65 м;

с0 = 0,5b - e = 0,5×3,9 - 0,72 = 1,23 м;

М2-2(0,6) = Р¢¢vg/2 - (1 - x2/9с0)/2 =

= 30,6×0,62/2 - 278,81×0,62(1 - 0,6/9×1,23)/2 = - 41,96 кН×м,

где рmax = 2Fv/3c0 = 2×514,4/3×1,23 = 278,81 кПа;

Q2-2(0,6) = Р¢¢vgx2 - pmaxx2(1 - х2/6с0) = 30,6×0,6 - 278,81×0,6(1 - 0,6/6×1,23) = - 135,45 кН.

Сечение 3 - 3 (при х3 = 3,3 м)

при х3 £ x + хb по формуле (45):

М3-3 = pmax(3c0 - b + x3)3/18с0 - Рvg/2 - Pvq(x3 - x)2/2 -

- (Р¢vg - Pvg)/6(b - t) = 278,81(3×1,23 - 3,9 + 3,3)3/18×1,23 -

- 117,96×3,32/2 - 30,17(3,3 - 0)2/2 - 3,33(122,4 - 117,96)/6(3,9 - 0,6) =

= - 443,09 кН×М;

Q3-3 = рmax(3с0 - b + x3)2/6с0 - Рvgx3 - Рvq(x3 - x) - (Р¢vg - Pvg)/

/2(b - t) = 278,81(3×1,23 - 3,9 + 3,3)2/6×1,23 - 117,96×3,3 - 30,17×3,3 -

- 3,32(122,4 - 117,96)/2(3,9 - 0,6) = - 135,45 кН.

Пример 3. Расчет подпорной стены уголкового профиля с анкерной тягой

Дано. Сборная железобетонная подпорная стена III класса надежности со стальными анкерными тягами. Высота подпора грунта 6 м. Глубина заложения подошвы фундамента d =  1,5 м. Нагрузка на призме обрушения равномерно распределенная интенсивностью q = 50 кПа. Геометрические размеры и конструктивная схема стены приведены на рис. 4. Расчетные характеристики грунта основания:

gI = 19 кН/м3;            jI = 24°;          сI = 17 кПа;

gII = 18 кН/м3;           jII = 26°;         сII = 20 кПа.

Расчетные характеристики грунта засыпки:

g¢I = 18 кН/м3;           j¢I = 22°;         с¢I = 7 кПа;

g¢II = 17 кН/м3;          j¢II = 24°;        с¢II = 10 кПа.

Рис. 4. Конструктивная схема уголковой подпорной стены

Рис. 5. Расчетная схема уголковой подпорной стены

а) - эпюры изгибающих моментов; б) - эпюры поперечных сил

Требуется проверить габаритные размеры принятой конструктивной схемы и определить изгибающие моменты и поперечные силы в сечениях сборных железобетонных элементов и усилие в тяге.

Определяем интенсивность бокового давления грунта на 1 м стены.

Угол наклона плоскости обрушения засыпки к вертикали:

; q0 = 34°.

Принимаем условный угол плоскости обрушения (рис. 5):

tg e = 5,1/7,5 = 0,68;   e = 34°.

По табл. 3 прил. 2 при d = j¢I = 22°; e = 34°; l = 0,46.

Интенсивность горизонтального активного давления грунта от собственного веса определяем на глубине у = 7,5 м по формуле (1)

Рg = [g¢Igfhl - c¢I(k1 + k2)]y/h = [18×1,15×7,5×0,46 -

- 7(0,68 + 0,67)]7,5/7,5 = 66,64 кПа,

где k1 = 2lcosq0cose/sin(q0 + e) = 2×0,46cos34°cos34°/sin(34°+34°) = 0,68; k2 = l[sin(q0 -

-e)cos(q0 +r)/sinq0cos(r - e)sin(q0 +e)]+tge =0,46[sin(34°-34°)cos(34°+0°)/sin34°cos(0°--34°)sin(34° + 34°)] + tg 34° = 0,67.

Интенсивность горизонтального давления грунта от равномерно распределенной нагрузки определяем по формуле (9)

Pq = qgfl = 50×1,2×0,46 = 27,6 кПа.

Расчет устойчивости стены против сдвига

Сдвигающую силу Fsa определяем по формулам (16)-(18) при h = yв = 7,5 м:

Fsa,g = Pgh/2 = 66,64×7,5/2 = 249,9 кН;

Fsa,q = Pqyв = 27,6×7,5 = 207 кН;

Fsa = Fsa,y + Fsa,q = 249,9 + 207 = 456,9 кН.

Интенсивность вертикального давления от собственного веса грунта и нагрузки определяем по формулам (53)-(56):

Pvg = Pg tg(e + j¢I)/tge = 66,64 tg(34°+22°)/tg 34° = 146,48 кПа;

Рvq = Pq tg(e + j¢I)/tge = 27,6 tg(34£+22°)/tg34° = 60 кПа;

Р¢vg = g¢Igfh = 18×1,2×7,5 = 162 кПа;

P¢¢vg = g¢Igfd = 18×1,2×1,5 = 32,4 кПа.

Определяем сумму проекций всех сил на вертикальную плоскость

Fv = (Pvg + P¢vg + 2Pvq)(b -  t)/2 + P¢¢vgt =

=(146,48 + 162 + 2×60)(6 - 1,1)/2 + 32,4×1,1 = 1085,42 кН.

1 случай (b1 = 0)

Пассивное сопротивление грунта Er определяем по формуле (22) при Er = d = 1,5 м; gI = 19кН/м3; lr = 1; с1 = 5 кПа (п. 6.7)

Er = gIlr/2 + c1hr(lr -1)/tgjI = 19×1,52×1/2 + 0 = 21,38 кН.

Удерживающую силу Fsr определяем по формуле (19)

Fsr = Fv tg(jI - b) + bc1 + Er = 1085,42 tg(24°-0°) + 6×5 + 21,38 = 534,61 кН.

Проверку устойчивости стены проводим из условия (15)

Fsa = 456,9 кН < gcFsr/gn = 1×534,61/1,1 = 486,01 кН.

2 случай (b2 = jI/2 = 12°)

lr = tg2(45°+jI/2) = tg2(45°+24°/2) = 2,37.

Сумму проекций всех сил на вертикальную плоскость, с учетом веса выпираемого из-под подошвы грунта, определяем по формуле (21):

Fv = Fsa tg(e + j¢I) + g¢Igf[h(b - t)/2 + td] + gI tgbb2/2 =

=456,9 tg(34°+22°) + 18×1,2[7,5(6 - 1,1)/2 + 1,1×1,5] + 19 tg12°×6°/2 =

=1182,71 кН;

Er = 19×2,782×2,37/2 + 17×2,78(2,37 - 1)tg24° = 319,43 кН;

Fsr = 1182,71 tg(24°-12°) + 6×17 + 319,43 = 672,87 кН;

Fsa = 456,9 кН < 1×672,87/1,1 = 611,7 кН.

3 случай (b3 = jI = 24°)

Fv = 456,9 tg(34°+22°) + 18×1,2[7,5(6 - 1,1)/2 + 1,1×1,5] +

+ 19 tg24°×62/2 = 1262,26 кН;

hr = 1,5 + 6 tg24° = 4,17 м;

Er = 19×4,172×2,37/2 + 17×4,17(2,37 - 1)/tg24° = 609,66 кН;

Fsr = 1262,26 tg(24°-24°) + 6×17 + 609,66 = 711,66 кН;

Fsa = 456,9 кН < 1×711,66/1,1 = 647 кН.

Условие (15) для всех трех случаев удовлетворено.

Приведенный угол наклона к вертикали dI равнодействующей внешней нагрузки:

tg dI = Fsa/Fv = 456,9/1085,42 = 0,4209;

sin jI = sin 24° = 0,4067 < tgdI; dI = 24°.

Прочность грунтового основания удовлетворена.

Расчет основания по деформациям

Расчетное сопротивление грунта основания R определяем по формуле (39)

где gс1 = 1,25; gс2 = 1 (по табл. 6); k = 1 (по п. 6.15); Мg = 0,84; Мq = 4,37; Мс = 6,9 (по табл. 7 при jII = 26°); d = 1,5 м.

Угол наклона плоскости обрушения к вертикали

; q0 = 33°.

l = 0,42 (по табл. 3 прил. 2 при d = j¢II = 24°; e = 34°).

Интенсивность нормативного давления грунта на стену:

Pg = [17×1×7,5×0,42 - 10(0,63 + 0,69)]7,5/7,5 = 47,2 кПа;

К1 = 2×0,42cos33°cos34°/sin(33°+34°) = 0,63;

К2 = 0,42[sin(33°-34°)cos(33°+0°)/sin33°cos(0°-34°)sin(33° + 34°)] + tg34° = 0,69;

Рq = 50×1×0,42 = 21 кПа;

Fsa,g = 47,5×7,5/2 = 177 кПа;

Fsa,q = 21×7,5 = 157,5 кН;

Fsa = 177 + 157,5 = 334,5 кН;

Fv = 334,5 tg(34°+24°) + 17×1,2[7,5(6 - 1,1)/2 + 1,1×1,5] + 18 tg 0°×62/2 = 943,91 кН;

h* = [Fsa,gh/3 + Fsa,q(h - ya - yв/2)]/Fsa = [177×7,5/3 + 157,5(7,5 - 0 -

-7,5/2)] = 3,09 м;

М0 = Fsa[h* - tg(e + j¢)(b/2 - h*tge)] + g¢gf(b - t)[h(b - 4t) + 6td]/12 =

=334,5[3,09 - tg(34°+24°)(6/2 - 3,09 tg34°)] +

+17×1,2(6 - 1,1)[7,5(6 - 4×1,1) + 6×1,1×1,5]/12 = 724,27 кН×м;

е = М0/Fv = 724,27/943,91 = 0,77 м;

b/6 = 6/6 = 1 м > e = 0,77 м;

= Fv(1 ± 6e/b)/b;

рmax = 943,91(1 + 6×0,77/6)/6 = 278,45 кПа;

pmin = 943,91(1 - 6×0,77/6)/6 = 36,18 кПа.

Расчет основания по деформациям удовлетворен.

Определение усилий в элементах (на 1 м стены)

Расчетные усилия определяем по формулам п. 6.20.

Вертикальная плита

Сечение 1 - 1 (у1 = hв = 2,5 м)

М1-1 = - у3(Рgу/3h + Pq)/2 = 2,52(66,64×2,5/3×7,5 + 27,6)/2 =

= - 109,39 кН×м;

Q1-1 = у (Рgу/2h + Pq) = 2,5(66,64×2,5/2×7,5 + 27,6) = 96,77 кН.

Сечение 2 - 2 (у ³ hв)

Первый случай загружения для М2-2:

U1 = [h2Pg + 3Pq(h - hв)2]/6(h - hв) = [7,52×66,64 +

+ 3×27,6(7,5 - 2,5)2]/6(7,5 - 2,5) = 193,97 кН;

tg a = 4/4,7 = 0,851; a » 40°;

V1 = U1/tg a = 193,97/0,851 = 227,93 кН.

Расстояние у, при котором в сечении вертикального элемента действует максимальный изгибающий момент Мmax, определяем из приведенного ниже уравнения при условии частичного загружения временной нагрузкой призмы обрушения:

у2 + 2Рqhy/Рg - 2h[Pqhв + U1 - V1а/(h - hв)]/Pg = 0;

у2 + 2×27,6×7,5у/66,64 - 2×7,5[27,6×2,5 + 193,97 - 227,93×0,3/(7,5 -

- 2,5)]/66,64 = 0;

у2 + 6,21у - 56,1 = 0.

Решая приведенное выше уравнение, получаем у = 4,99 м

М2-2 = - у3Рg/6h - Pq(y - hв)2/2 + U1(y - hв) + V1а(h - y)/(h - hв) =

= - 4,993×66,64/6×7,5 - 27,6(4,99 - 2,5)2/2 + 193,97(4,99 - 2,5) +

+227,93×0,3(7,5 - 4,99)/(7,5 - 2,5) = 247,73 кН×м.

Определяем максимальную поперечную силу Q2-2 при полном загружении призмы обрушения временной нагрузкой:

U2 = h2(3Рq + Pg)/6(h - hв) = 7,52(3×27,6 + 66,64)/6(7,5 - 2,5) =

 = 279,75 кН;

V2 = U2/tg a = 279,75/0,851 = 328,73 кН.

Поперечная сила при у = 2,5 м:

Q2-2 = у2Рg/2h + yPq - U2 + V2а/(h - hв) = 2,52×66,64/2×7,5 +

+ 2,5×27,6 - 279,75 + 328,73×0,3/(7,5 - 2,5) = - 163,69 кН.

Поперечная сила при у = 7,5 - 0,7 = 6,8 м:

Q2-2 = 6,82×66,64/2×7,5 + 6,8×27,6 - 279,75 + 328,73×0,3/(7,5 - 2,5) =

= 133,08 кН.

Анкерная тяга:

Усилие в тяге, установленной с интервалом 1,5 м:

S = U2l/sin a = 279,75×1,5/sin 40° = 652,81 кН.

С учетом возможного зависания грунта над тягой (п. 6.21):

Sp = Ski = 652,81×1,5 = 979,21 кН.

Фундаментная плита

Расчетное давление под подошвой фундаментной плиты определяем по формулам:

М0 = -Рvg(b - t)(b + 2t)/12 - Pvq(b - t)t/2 + P¢vg(b - t)(b - 4t)/12 +

+ P¢¢vgt(b - t)/2 + V2(b/2 - b2) + V2(b/2 - t) + U2а =

= - 146,48(6 - 1,1)(6 + 2×1,1)/2 + 328,73(6/2 - 0,6) + 328,73(6/2 - 1,1) +

+ 279,75×0,3 = 1038,47 кН×м;

е = М0/F = 1038,47/1085,42 = 0,96;

= 1085,42(1 ± 6×0,96/6)/6;

рmax = 354,57 кПа;

рmin = 7,24 кПа.

Определяем поперечные силы и изгибающие моменты в фундаментной плите.

Сечение 3 - 3 (x3 = 1,1 м)

G1 = Pu''x3 = 32,4 × 1,1 × 35,64 кН;

M3 - 3 = -G1x3/2 + pmaxx33(pmin/pmax + 3b/x3 - 1)/6b = -35,64 × 1,1/2 +354,57 × ×1,13(7,24/354,57 + 3 × ×6/1,1 - 1)/6 × 6 = 182,03 кН×м;

Q3 - 3 = G1 - pmaxx32(pmin/pmax+2b/x3 -1)2b = 35,64 - 354,57×1,12(7,24/354,57 + 2×6/1,1-1)/2 × 6 =

= -319,38 кН.

Сечение 4 - 4 (x4 = b2 = 0,6 м)

G4 = [Pug (b - t - x4)/(b - t) + P'ugx4/(b - t)+ Pug]x4/2 = [146,48(6 - 1,1 - 0,6)/(6 - 1,1) + 162 × ×0,6/(6 - 1,1) + 146,48]0,6/2 = 88,46 кН;

M4 - 4 = -Pugx42/3 - x42[Pug(b - t - x4) + P'ugx4]/6(b - t) - Puqx42/2 +pminx43(pmax/pmin + 3b/x4 - 1)6b= = -146,48 × 0,62/3 - 0,62[146,48(6 - 1,1 - 0,6)+ 162 × 0,6]/6(6 - 1,1) - 60 × 0,62/2 + 7,24 × ×0,63(354,57/7,24 + 3 × 6/0,6 - 1)/6 × ×6 = 33,89 кН × м;

Q4 - 4 = -G4 - Pugx4 + pminx42(pmax/pmin + 2b/x4 - 1)/2b = - 88,46 - 60×0,6 + 7,24×0,62(354,57/7,24 + +2 × 6/0,6 - 1)/2 × 6 = -109,7 кН.

Сечение 5 - 5 (x5 = b2 = 0,6 м)

G5 = G4 = 88,46 кН;

M5 - 5 = -Pugx52/3 - x52[Pug(b - t - x5) + P'ugx5]/6(b - t) - Pugx52/2 +pminx53(pmax/pmin + 3b/x5-1)/6b+

+ V2(x5 - b2) + U2a = -146,48 × 0,62/3 - 0,62[146,48(6 - 1,1 - 0,6) + 162 × 0,6]/6(6 - 1,1) - -60×0,62/2 + 7,24 × ×0,63(354,57/7,24 + 3 × 6/0,6 - 1)/6 × 6 + 328,73(0,6 - 0,6) + 279,75 × 0,3 =

= 50,04 кН × м;

Q5 -5 = -G5 - Puqx5 + pminx52(pmax/pmin + 2b/x5 - 1)/2b + V2 = -88,46 - 60 × 0,6 +

+7,24 ×0,62(354,57/7,24 + 2 × 6/0,6 - 1)/2 × 6 + 328,73 = 219,03 кН.

Расстояние, при котором в фундаментной плите действует максимальный изгибающий момент, определяем из уравнения

- [Pug(b - t - x5)/(b - t) + P'ugx5/(b - t) + Pug]x/2 - Puqx5 + pminx52(pmax/pmin +

+2b/x5 - 1)/2b + V2 = 0;

- [146,48(6 - 1,1 - x5)/(6 - 1,1) + 162x5/(6 - 1,1) + 146,48]x/2 - 60x5 +

+7,24x52(354,57/7,24 + 2 × 6/x5 - 1)/2 × 6 + 328,73 = 0.

Преобразуя, получаем уравнение

x2 - 7,28x + 12,01 = 0,

откуда находим

x = 2,53 м.

Максимальный пролетный момент в фундаментной плите (при x5=2,53 м):

M5 - 5 = -146,48 × 2,532/3 - 2,532[146,48(6 - 1,1 - 2,53) + 162 × 2,53]/6(6 - 1,1) -

 - 60 × 2,532/2 + 7,24 × 2,533(354,57/7,24 +3 × 6/2,53 - 1)/6 × 6 + 328,73(2,53 -

-0,6) + 279,75 × 0,3 = 228,39 кН × м.

Пример 4. Расчет щелевого паза в подпорной стене уголкового профиля

Дано. Исходные данные по внешней нагрузке, общие габариты конструкции, характеристики грунта основания и засыпки, интенсивности давления грунта засыпки (Pq = 11,7 кПа, Pg = 45,75 кПа, Pug = 117,96 кПа, P'ug = 122,4 кПа, Puq = 30,17 кПа), интенсивности давления грунта основания на подошву фундаментной плиты (pmin = 0, pmax = 278,81 кПа), c0 = 1,23 м по примеру 2. Сопряжение вертикального ограждающего элемента осуществляется в щелевой паз фундаментной плиты (рис. 6). Материал фундаментной плиты - бетон класса В15 (Rb = 8,5 МПа = 8,5 × 103 кПа, Rbt = 0,75 МПа = 7,5 × 102 кПа, gb2 = 1), арматура класса AIII (Ps = Rsc = 365 МПа = 3,65 × 105 кПа, Rsw = 290МПа = 2,9 × 105 кПа).

Требуется произвести расчет и армирование щелевого паза.

Изгибающий момент и поперечную силу от горизонтального давления грунта в месте сопряжения вертикальной плиты с фундаментной (y = 4,5 м) определяем по формуле (41)

M1-1=Pgy3/6h + Pq(y - ya)2/2 = 45,75×4,53/6×6 + 11,7(4,5 - 0)2/2 =234,26 кН×м;

Q1 - 1 = Pgy2/2h + Pq(y - ya) = 45,75×4,52/2×6 + 11,7(4,5 - 0) = 129,85 кН.

Изгибающий момент и поперечную силу в сечении фундаментной плиты (x3 = 2,2 м) определяем по формулам (45) и (46):

M3 - 3 = pmax(3c0 - b + x3)3/18c0 - Pugx32/2 - Puq(x3 - x)2/2 -x33(P'ug -P'ug)/6(b-t) = 278,81 (3×1,23 - -3,9+2,2)3/18×1,23-117,96×2,22/2-30,17(2,2-0)2/2-2,23(122,4-117,96)/6(3,9-0,7) = -261,69 кН×м;

Рис. 6. К расчету уголковой подпорной стены составного сечения

а - конструктивная схема; б - схема загружения конструкции стены

Рис. 7. К расчету уголковой подпорной стены составного сечения

а - эпюры моментов; б - эпюры поперечных сил

Q3 –3 = pmax(3c0 - b + x3)2/6c0 - Pugx3 - Pugx3 - Puq(x3 - x) - x32(P'ug - P'ug)/2(b - t) =

= 278,81(3×1,23 - 3,9 +2,2)2/6×1,23 - 117,96×2,2 - 30,17(2,2 - 0) - 2,22(122,4 -

-117,96)/2(3,9 - 0,7) = -179,63 кН.

Эпюры моментов и поперечных сил см. на рис. 7.

Определение усилий в щелевом пазе

Горизонтальные и вертикальные составляющие (рис. 8) внутренней пары определяем по формулам п. 6.22:

Pr = Mt - 1sin2a/0,75l = 234,26sin253°30'/0,75×0,9 = 224,23 кН;

Pв = M1 -1sina × cosa/0,75l = 234,26sin53°30' cos 53°30'/0,75×0,9 = 165,76 кН,

где tga = 0,75l/h = 0,75×0,9/0,5 = 1,35; a = 53°30'.

Рис. 8. К расчету щелевого паза

Сечение 4 - 4

M4 - 4 = (Pr + Q1 - 1)0,9l = (224,23×0,15×0,9 +165,76×0,25 = 71,71 кН×м;

Q4 - 4 = Pr + Q1 - 1 = 224,23 + 129,85 = 354,08 кН.

Сечение 5 - 5

M5 - 5 = Pr0,15l + Pвz = 224,23×0,15×0,9 + 165,76×0,25 = 71,71 кН×м;

Q5 - 5 = Pr = 224,23 кН;

N5 - 5 = Pв = 165,76 кН.

Сечение 6 - 6

M6 -6 = (Pr + Q1 - 1)(0,9l + 0,5l1) + Pвh - b32(pmax + p3/2)/3 = 224,23 +

+129,85)(0,9×0,9 + 0,5×0,6) + 165,76×0,5 - 1,22(278,81 + 188,14/2)/3 =

=296,93 кН×м,

где p3 = (1 - b3/3c0)pmax = (1 - 1,2/3×1,23)278,81 = 188,14 кПа; Q6 - 6= Pв - (pmax + p3) b3 /2 = =165,76 - 27,81 +188,14)1,2/2 = -144,41 кН; N6 - 6 = Pr + Q1 - 1 = 224,23 + 129,85 = 354,08 кН.

Расчет правой стенки паза

Расчет производим так же, как и расчет изгибаемого консольного элемента (рис. 9).

1. На действие поперечной силы Q4 - 4 = 354,08 кН:

а) проверяем выполнение условия (1) в соответствии с формулой (72) СНиП 2.03.01-84*:

                                                                                                               (1)

где jw1 = 1 принимаем  как  для бетонного сечения; jb1 = 1 - bPb = 1 - 0,01×8,5 = 0,915; b = 0,01 - для тяжелого бетона; h0 = (0,5 + 0,3)/2 - 0,04 = 0,36 м - средняя высота сечения в пределах длины наклонного сечения, принятая равной с = 2×30 = 60 см.

354,08 кН < 0,3×1×0,915×8,5×103×1×0,36 = 839,97 кН (условие выполнено);

б) проверяем выполнение условия (2) в соответствии с формулой (84) СНиП 2.03.01-84* по обеспечению прочности сечения на действие поперечной силы железобетонного элемента без поперечного армирования:

                                                                                                   (2)

где jb4 = 1,5 - для тяжелого бетона; jn = 0 - нормальная сила отсутствует.

354,8 кН > 1,5×1×7,5×102×1×0,362×0,6 = 243 кН.

Условие не выполнено, поэтому требуется или увеличение сечения, или поперечное армирование сечения хомутами.

Принимаем поперечное армирование сечения в виде хомутов из арматуры Æ 6 АIII с шагом вдоль паза и = 200 мм (Asw = 0,283×5 = 1,415 см2).

Усилия в хомутах на единицу длины определяем исходя из формулы (83) СНиП 2.03.01-84*

qsw ³ jb3(1 +jn + jf)Rbtb/2,

где jb3 = 0,6 - для тяжелого бетона; jf = 0;

qsw = 0,6×1×7,5×102×1/2 = 225 кН/м.

Шаг поперечных стержней по высоте паза определяем по формуле

S = RswAsw/qsw = 2,9×105×1,415×10-4/225 = 0,182 м.

Принимаем шаг стержней 0,15 м = 150 мм.

Проверяем выполнение условия (75) СНиП 2.03.01-84*:

Q £ Qb + Qsw + Qs,inc,

где Qb = jb2(1 + jf + jn)Rbtbho2/c; jb2 = 2 - для бетонного сечения; Qb = 2×1×7,5×102×10,362/0,6 = =324 кН;

Qsw = qswc0,

где

Отсюда Qsw = 225×0,93 = 209,25 кН; Qs,inc = 0. Отгибы в сечении не предусмотрены.

Таким образом, Q = 354,08 кН < 324 +209,25 = 533,25 кН (условие выполнено).

Рис. 9. К расчету правой стенки щелевого паза

Рис. 10. К расчету левой стенки щелевого паза

Прочность сечения правой стенки паза на действие поперечной силы обеспечена.

2. На действие изгибающего момента M4 - 4 = 286,8 кН×м:

aM = M4 - 4/Rbbh02 = 286,8/8,5×103×1×0,512 = 0,13,

где h0 = 0,55 - 0,44 = 0,51 м.

По табл. 18 Пособия по проектированию бетонных и железобетонных конструкций из тяжелых и легких бетонов без предварительного напряжения арматуры (к СНиП 2.03.01-84*) (М.: ЦИТП, 1986) для бетона класса В 15 и арматуры класса АIII при gb2 = 1 находим aR = 0,426.

Так как aM=0,13<aR=0,426, то сжатие арматуры по расчету не требуется.

По табл. 20 вышеперечисленного Пособия при aM=0,13 находим v=0,93.

As = M4 - 4/Rsvh0 = 286,8/3,65×105×0,93×0,51 = 1,656×10-3 м2 = 16,56 см2.

Принимаем стержни Æ 22 АIII с шагом 200 мм (As = 19 см2).

Сжатую арматуру принимаем конструктивно Æ 12 AIII шаг 200 мм (рис. 11).

Расчет левой стенки паза

Расчет стенки производим, как расчет внецентренно растянутого элемента.

1. На действие поперечной силы Q5 - 5 = 224,23 кН при действии растягивающей силы N5 - 5 = 165,76 кН:

а) проверяем выполнение условия (1):

Q5 - 5 = 224,23 кН < 0,3×1×0,915×8,5×103×1×0,44 = 1026,63 кН,

где ho = (0,5 + 0,46)/2 - 0,04 = 0,44 м (условие выполнено);

б) проверяем условие (2):

Q5 - 5 = 224,23 кН < 1,5(1 - 0,1)7,5×102×1×0,442/0,23 = 852,26 кН,

где jn = -0,2N5 - 5/Rbtbho = -0,2×165,76/7,5×102×1×0,44 = -0,1. c = 0,23 м - длина проекции наклонного сечения на продольную ось стенки (рис. 10).

Условие выполнено, но при этом величина значения правой части неравенства превышает величину

852,26 кН > 2,5Rbtbho = 2,5×7,5×102×1×0,44 = 825 кН.

Поэтому несущую способность сечения принимаем равной 825 кН.

2. На действие изгибающего момента M5 - 5 = 71,71 кН×м и растягивающей силы N5 - 5 = 165,76 кН:

ho = 0,46 - 0,04 = 0.42 м.

Определяем эксцентриситет действия растягивающей силы

eo = M5 - 5/N5 - 5 = 71,71/165,76 = 0,432 м;

e = eo - h/2 + a = 0,432 - 0,46/2 +0,04 = 0,242 м;

e' = eo + h/2 - a' = 0,432 + 0,46/2 - 0,04 = 0,622 м.

Так как e' = 0,622 м > ho - a' = 0,42 - 0,04 = 0,38 м, определяем необходимую площадь растянутой арматуры по значению aм, вычисленному по формуле

aм = [N5-5e - RscAs'(ho - a')]/Rbbho2 = [165,76×0,242-3,65×105×5,65×10-4 × ×(0,42 --0,04)]/8,5×103×1×0,422 = -0,026 < 0,

где As' - принята конструктивно Æ 12AIII с шагом 200 мм (5Æ12 AIII, As' = 5,65 см2 = 5,65×10-4 м2).

Так как aм < 0, площадь сечения растянутой арматуры определяем по формуле

As = N5 - 5e'/Rs(ho - a') = 165,76×0,622/3,65×105(0,42 - 0,04) = 7,43×10-4 м2 = 7,43 см2.

Требуется на 1 м 5 Æ 14 AIII As = 7,69 см2. Однако по условиям конструирования (рис. 11), принимаем 5Æ 22 AIII (As = 19 см2).

Расчет нижнего сечения

Расчет производим, как внецентренно растянутого элемента на изгибающий момент М6-6 =296,93 кН×м и растягивающую силу N6-6 = 354,08 кН:

h0 = 0,6 - 0,04 = 0,56 м;

е0 = 296,93/354,08 = 0,839 м;

е = е0 - h/2 + a = 0,839 - 0,6/2 + 0,04 = 0,579 м;

е¢ = е0 + h/2 - a¢ = 0,839 + 0,6/2 - 0,04 = 1,099 м;

Так как е¢ = 1,099 м > h0 - а¢ = 0,56 - 0,04 = 0,52 м, определяем необходимую площадь растянутой арматуры по значению aм, вычисленную по формуле

где А¢s - принятая площадь сжатой рабочей арматуры подошвы (5Æ12АIII; А¢s = 5,65 см2 = =5,65×10-4 м2).

Так как aм > 0, площадь сечения растянутой арматуры определяем с учетом сжатой арматуры по формуле

As = (xbh0Rb + N6-6)/0,7Rs + A¢sRsc/Rs = (0,04×1×0,56×8,5×103 + 354,08)/0,7×3,65×105 + 5,65×10-4×1= =26,96×10-3 м2 = 26,96 см2,

где 0,7 - понижающий коэффициент (см. п. 6.22); x - коэффициент, принятый в зависимости от aм по табл. 20 вышеприведенного Пособия.

Принимаем 5Æ28AIII с шагом 200 мм (Аs = 30,79 см2).

Принцип армирования щелевого паза см. рис. 11.

Расчет сечения на действие поперечной силы не производим, так как оно заведомо проходит без хомутов по бетонному сечению (толщина сечения больше, а поперечная сила по сравнению со стенками меньше).

Рис. 11. Армирование щелевого паза

Рис. 12. Конструктивная схема подпорной стены

Пример 5. Расчет уголковой подпорной стены (с нагрузкой от подвижного транспорта)

Дано. Сборно-монолитная железобетонная подпорная стена уголкового профиля (УПС). Высота подпора грунта у = 4,5 м, глубина заложения подошвы фундамента d = 1,2 м. На поверхности призмы обрушения вдоль стены перемещается тяжелая одиночная нагрузка НГ-60 на расстояние 1,5 м от наружной грани стены. Геометрические размеры подпорной стены и схема ее загружения приведены на рис. 12. Основание подпорной стены - глинистые грунты ненарушенного сложения со следующими характеристиками (по данным инженерно-геологических исследований):

jI = 16°;          jI = 16 кН/м3;             сI = 21 кПа;

jII = 17°;         jII = 16 кН/м3; сII = 24 кПа.

Характеристики грунта засыпки - песок мелкий:

j¢I = 30°;         g¢I = 20,9 кН/м3;          с¢I = 0;

j¢II = 32°;        g¢II = 20,9 кН/м3;         с¢II = 0.

Под подошвой фундамента подпорной стены предусматривается щебеночная подушка толщиной 0,6 м и шириной 4,2 м (на 300 мм больше подошвы фундамента в каждую сторону), имеющая следующие характеристики:

jI(s) = jII(s) = 40°;                сI(S) = cII(s) = 0;             gI(s) = 21 кН/м3.

Требуется проверить принятые габаритные размеры, определить величину изгибающих моментов и поперечных сил в элементах конструкций.

Определяем интенсивность давления грунта на конструкцию стены.

Угол наклона плоскости скольжения к вертикали:

; q0 = 30°.

Условный угол плоскости обрушения грунта принимаем:

tg e = 3/5,7 = 0,526;    e = 27°48¢ » 28°.

По табл. 3 прил. 2 (при d = j¢I = 30°; r = 0°; e = 28°) l = 0,33.

Эквивалентную распределенную полосовую нагрузку на поверхности засыпки от гусеничной нагрузки НГ-60 определяем по формуле (13)

q = 90/(2,5 + ya tgq0) = 90/(2,5 + 1,35 tg 30°) = 27,44 кПа.

Расстояние по вертикали от поверхности грунта засыпки до границ распределения условной эквивалентной боковой нагрузки определяем по формуле

уа = а/(tg q0 + tg e) = 1,5/(tg 30°+ tg28°) = 1,35 м.

Протяжность эпюры давления определяем по формуле

уb = (b0 + 2tg q0ух)/(tg e + tg q0) = (3,3 + 2tg30°×1,35)/(tg 28°+ tg30°) = 4,38 м.

В соответствии с п. 5.7б принимаем:

yb = h - ya = 5,7 - 1,35 = 4,35 м.

Интенсивность горизонтального давления грунта на глубине у = 5,7 м, определяем по формуле (1)

кПа.

Интенсивность горизонтального давления грунта от условной эквивалентной полосовой нагрузки определяем по формуле (10)

 кПа.

Расчет устойчивости положения стены против сдвига

Сдвигающую силу Fsa определяем по формулам (16), (17), (18):

Fsa = Pgh/2 = 45,21×5,7/2 = 128,85 кН;

Fsa, q = Pqyb = 6,15×4,35 = 26,75 кН;

Fsa = Fsa, g + Fsa, q = 128,85 + 26,75 = 155,6 кН.

Проверка устойчивости стены против сдвига (рис. 13) производится для трех случаев скольжения:

Рис. 13. Расчетная схема подпорной стены к примеру 5

1. Проверка устойчивости стены по контакту подошвы и щебеночной подушки - b1 = 0° (рис. 13).

Сумму проекций всех сил на вертикальную плоскость определяем по формуле (21)

Fu = Fsa tg(e + jI') + gI'gf[h(b - t)/2 + td] +gI tgb1b2/2 = 155,6 tg(28° +30°) +

+20,9×1,2 [5,7(3,6 - 0,6)/2 +0,6×1,2] + 0 = 481,56 кН.

Пассивное сопротивление грунта определяем по формуле (22)

Er = gIhr2lr/2 + cIhr(lr - 1)/ tgjI = 20,9×122×1/2 + 0 = 15,05 кН.

Удерживающую силу Fsr определяем по формуле (19), с учетом п. 6.7, jI(s) = 30°, lr = 1.

Fsr = Fu tg(jI(s) - bI) + bc + Er = 481,56 tg(30° - 0°) + 0 + 15,05 = 293,1 кН.

Проверяем условие (15):

Fsa = 155,6 кН < 0,9×293,1/1,1 = 239,81 кН.

Условие удовлетворено.

2. Проверка устойчивости стены против сдвига по контакту щебеночной подушки и грунта основания (b2 = 0°).

Fu(s)  =Fu + b(s)dIgI(s) = 481,56 + 4,2×0,6×21 = 534,48 кН;

Er(s) = 20,9(1,2 + 0,6)2×1/2 + 0 = 33,86 кН;

Fsr(s) = 534,48 tg(16° - 0°) + 0 33,86 = 187,1 кН.

Проверяем условие (15):

Fsa = 155,6 кН < 0,9×187,1/1,1 = 153,08 кН.

Условие удовлетворено.

3. Проверка устойчивости стены по плоскости глубинного сдвига грунта основания (b3 = =jI = 16°).

Er = gIhr2lr/2 + cIhr(lr - 1)/tgjI = 16(1,2 + 0,6 + 0,91)2×1,76/2 + 21(1,2 +

+0,6 + 0,91)(1,76 - 1)/tg16° = 254,26 кН;

lr = tg2(45° + jI/2) = tg2(45° +16°/2) = 1,76;

Fsr = Fu tg(jI - b3) + bcI + Er = 0 + 3,6×21 + 254,26 = 329,86 кН.

Проверяем условие (15):

Fsa = 155,6 кН < 0,9×329,86/1,1 = 269,89 кН.

Условие удовлетворено.

Приведенный угол наклона к вертикали dI равнодействующей внешней нагрузки по контакту подошвы и щебеночной подушки:

tgdI = Fsa /Fu = 155,6/481,56 = 0,3231; dI = 18°.

sinjI(s) = sin40° = 0,642 > tgdI,

расчет прочности основания производим по формуле (26)

h* = [Fsa,g h/3 + Fsa,q(h - ya - yb/2)]/Fsa = [128,85×5,7/3 + 26,75(5,7 - 1,35 –

-4,35/2)]/155,6 = 1,95 м;

M0 = Fsa[h* - tg(e + jI')(b/2 - h*tge)] + gI'gf(b - t)[h(b - 4t) + 6td]/12 = 155,6[1,95 - tg (28°+ 0°)× ×(3,6/2 - 1,95tg28°] + 20,9×1,2(3,6 - 0,6)[5,7(3,6 –

-4×0,6) +6×0,6×1,2]/12 = 183,4 кН×м;

e = M0/Fu = 183,4/481,56 = 0,38 м;

b' = b - 2e = 3,6 - 2×0,38 = 2,84 м.

По табл. 5 при jI = 30° и dI = 18°; Ng = 3,35; Nq = 8,92; Nc = 13,72; Nu= b'(Ngb'gI+NqgI'd+Ncc(s)) = =2,84(3,35×2,84×21 + 8,92×20,9×1,2 + 0) =

=1202,75 кН;

Fu = 481,56 кН < gcNu/gn = 0,9×1202,75/1,1 = 984,07 кН.

Несущая способность щебеночной подушки под подошвой фундамента стены обеспечена.

Расчет основания по деформациям

Расчет сопротивления грунта основания R определяем по формуле (39)

где gcI = 1,2; gc2 = 1,1 (по табл. 6); k = 1; Mg = 0,39; Mq = 2,57; Mc = 5,15 (по табл. 7 при gII = 17°); d = 1,8 м.

Коэффициент горизонтального давления грунта l = 0,31 определяем по табл. 3 прил. 2 (при d = jII' = 32°; e = 28°).

Интенсивность нормативного давления грунта на стену (при y = 5,7 м):

Pg = [gII'gfhl - cII'(k1 + k2)]y/h = [20,9×1×5,7×0,31 - 0]5,7/5,7 = 36,93 кПа;

Pq = qgf l/(1 + 2tgqoya/bo) = 27,44×1×0,31/(1 + 2tg30°×1,35/3,3) = 5,78 кПа;

Fsa, g = 36,93×5,7/2 = 105,25 кН;

Fsa, q = 5,78×44,35 = 25,14 кН;

Fsa = Fsa, g + Fsa, q = 105,25 + 25,14 = 130,39 кН;

h* = [105,25×5,7/3 +25,14(5,7 - 1,35 - 4,35/2)]/130,39 = 1,95 м;

M0 = 130,39[1,95 - tg(28° + 30°) (3,6 / 2 - 1,95 tg 28°)] + 20,9 × 1(3,6 - 0,6)× ×[5,7(3,6 - 4×0,6) +

+ 6×0,6×1,2]/12 = 153,36 кН×м;

Fu = Fsatg(e + jI') + gI'gf[h(b - t)/2 + td] + bsd1gI(s) = 130,39tg(28° + 30°) 20,9×1[5,7(3,6 - 0,6)/2 + +0,6×1,2] + 4,2×0,6×21 = 455.32 кН;

e = 153,36/455,32 = 0,34 м;

  = Fu(1 + 6e/b(s)) = 455,32(1 ± 6×0,34/4,2)/4,2;

pmax = 161,07 кПа;

pmin = 55,75 кПа;

pmax = 161,07 кПа < 1,2R = 1,2×325,36 = 390,4 кПа.

Расчет основания по деформациям удовлетворен.

Определение усилий в элементах стены

Усилия в вертикальном элементе (рис. 14) определяем по формулам п. 6.17.

Рис. 14. Схема загружения подпорной стены при расчете на прочность

а) - эпюра изгибающих моментов; б) - эпюра поперечных сил

Сечение 1 - 1 (при y = h = 5,7 м)

где y = ya + yb;

M1 - 1 = Pgy3/6h +Pq(y - ya)2/2 = 45,21×5,73/6×5,7 +6,15(5,7 - 1,35)2/2 = 303 кН×м;

Q1 - 1 = Pgy2/2h + Pq(y - ya) = 45,21×5,72/2×5,7 + 6,15(5,7 - 1,35) = 155,6 кН.

Сечение 2 - 2 (при x2 = 0,6)

e = 0,38 м < b/6 = 3,6/6 = 0,6 м;

Pug" = gI'gfd = 20,9×1,2×1,2 = 30,1 кН;

pmax = Fu(1 + 6e/b)/b = 481,56(1 + 6×0,38/3,6)/3,6 = 218,49 кПа;

pmin = Fu(1 - 6e/b)/b = 481,56(1 - 6×0,38/3,6)/3,6 = 49,05 кПа;

M2 - 2 = Pug"x23/2 + pmaxx23(pmin/pmax + 3b/x2 - 1)/6b = 30,1×0,62/2 - 218,49×0,63× ×(49,05/218,49 +

+ 3×3,6/0,6 - 1)6×3,6 = -32.21 кН×м;

Q2 - 2=Pug"x2-pmaxx23(pmin/pmax+2b/x2-1)/2b =30,1×0,6-218,49×0,62× (49,05/218,49+2×3,6/0,6--1)/2×3,6 = -104,56 кН.

Сечение 3 - 3 (при x3 = 3 м)

e = 0,38 м < b/6 = 0,6 м;

x3 > x + xb; (x = 0);

Pug = Pgtg(e +jI')/tge = 45,21tg(28° +30°)/tg28° = 136,07 кН;

Puq = Pqtg(e + jI')/tge = 6,15tg(28° + 30°)/tg28° = 18,51 кН;

Pug' = gI'gfh = 20,9×1,2×5,7 = 142,96 кН;

xb = ybtge = 4,38tg28° = 2,33 м;

M3 - 3=pminx33(pmax/pmin+3b/x3-1)/6b-Pugx32/2-Puqxb(x3-x-xb/2)-x33×(Pug'-Pug)/6(b-t) = =49,05×33(218,49/49,05 + 3×3,6/3 - 1)/6×3,6 - 136,07×32/2-

-18,51×2,33(3 - 0 - 2,33/2) - 33(142,96 - 136,07)/6(3,6 - 0,6) = -269,28 кН×м;

Q3 - 3 = pminx32(pmax/pmin + 2b/x3 - 1)/2b - Pugx3 - Puqxb - x32(Pug' - Pug)/2(b - t) = =49,05×32(218,49/49,05 + 2×3,6/3-1)/2×3,6-136,07×3-18,51×2,33-32×(142,96-136,07)/2(3,6-0,6)=

= -104,56 кН.

Максимальные расчетные усилия для проверки прочности сечения элементов стены:

а) вертикального элемента (при y = 5,15 м):

M1 -1 = 45,21×5,153/6×5,7 + 6,15(5,15 - 1,35)2/2 = 224,96 кН×м;

Q1 - 1 = 45,21×5,152/2×5,7 + 6,15(5,15 - 1,35) = 128,55 кН.

б) фундаментной плиты (при x3 = 2,55 м):

M3 - 3  =  49,05×2,553(218,49 / 49,05 + 3×3,6/2,55 - 1)/6×3,6 - 136,07×2,552/2 –

-18,51×2,33(2,55 - 0 - 2,33/2) - 2,553(142,96 - 136,07)/6(3,6 - 0,6) = -218,95 кН×м;

Q3 - 3  = 49,05×2,552 (218,49/49,05 + 2×3,6/2,55 - 1) /2×3,6 - 136,07×2,55 –

-18,51×2,33 - 2,552(142,96 - 136,07)/2(3,6 - 0,6) = -119,63 кН.

Пример 6. Расчет стены подвала (панельный вариант)

Дано. Наружная панельная стена трехпролетного подвала с ленточным фундаментом (рис. 15). Геометрические параметры следующие: h1 = 0,95 м; h2 = 6,15м; h3 = 1,2 м; b = 3,3 м; t1 = 0,21 м; t2 = 0,45 м; e = 0,98 м; d = 1,35 м. На призме обрушения расположена равномерно распределенная нагрузка интенсивностью q = 50 кПа. Материал панельной стены - бетон класса В 25 (Eb = 3×107 кПа). Грунт основания и засыпки - суглинки со следующими характеристиками gn = 18 кН/м3; jn = 24°; cn = 16 кПа; E = 2×104 кПа.

Требуется проверить принятые размеры подошвы фундамента и определить расчетные усилия в стеновой панели.

Определяем расчетные характеристики грунта основания:

gI = 1,05×gn = 1,05×18 = 18,9 кН/м3; gII = gn = 18 кН/м3;

jI = jn/gj = 24°/1,15 = 21°; jII = jn = 24°;

cI = cn/1,5 = 16/1,5 = 10,7 кПа; cII = cn = 16 кПа.

Рис. 15. К расчету стены подвала (панельный вариант)

Расчетные характеристики грунта засыпки:

gI' = 0,95gI = 0,95×18,9 = 18 кН/м3; gII' = 0,95gII = 17,1 кН/м3;

jI' = 0,9jI = 0,9×21° = 19°; jII' = 0,9jII = 22°;

cI' = 0,5×10,7 = 5,35 кПа; cII' = 0,5cII = 8 кПа;

Определяем интенсивность давления грунта.

1. При расчете по первому предельному состоянию:

l = tg2q0 = tg(45° - 19°/2) = 0,509;

а) от симметричного загружения грунта засыпки по формуле (1) (при k2 = 0):

PgI = [ggf h - 2c cosq0 cose/sin(q0 + e)]ly/h = [18×1,15×8,3 - 2×5,35× ×cos35°30' cos0°/sin(35°30' + +0°)]0,509×0,95/8,3 = 9,14 кПа;

Pg2 = [18×1,15×8,3 - 2×5,35 cos35°30' cos0°/sin(35°30' + 0°)]0,509×7,1/8,3 =

= 68,28 кПа;

Pg3 = [18×1,15×8,3 - 2×5,35 cos35°30' cos0°/sin(35°30' + 0°)]0,509×8,3/8,3 =

= 79,82 кПа;

б) от одностороннего загружения призмы обрушения временной нагрузкой по формуле (9):

Pq = qgfl = 50×1,2×0,509 = 30,54 кПа.

2. При расчете по второму предельному состоянию:

ln = tg2q0 = tg2(45° - 22°/2) = 0,46;

а) от симметричного загружения засыпки (при k2 = 0):

PgIn = [17,1×1×8,3 - 2×8cos34° cos0°/sin(34° + 0°)]0,46×0,95/8,3 = 6,22 кПа;

Pg2n = [17,1×1×8,3 - 2×8cos34° cos0°/sin(34° + 0°)]0,46×7,1/8,3 = 46,51 кПа;

Pg3n = [17,1×1×8,3 - 2×8cos34° cos0°/sin(34° + 0°)]0,46×8,3/8,3 = 54,37 кПа;

б) от одностороннего загружения призмы обрушения временной нагрузкой:

Pqn = 50×1×0,46 = 23 кПа.

Дополнительные параметры

tred = (2t2 + t1)/3 = (2×0,45 + 0,21)/3 = 0,37 м;

t1/t2 = 0,21/0,45 = 0,47 по табл. 8 v1 = 0,329; v2 = 0,08;

Ih = lt3red/12 = 1×0,373/12 = 4,2×10-3 м4;

E' = (0,5 + 0,3h1)b1E = (0,5 + 0,3×0,95)0,7×2×104 = 1,1×104 кПа;

m = (h2 + h3)/h2 = (6,15 + 1,2)/6,15 = 1,2;

kw = 6 = wEbIhm2/Eb2h2 = 6×3×107×4,2×10-3×1,22/2×104×3,32×6,15 = 0,81;

kw = 3 = 3×3×107×4,2×10-3×1,22/2×104×3,32×6,15 = 0,41;

k1= k0EbIh/E'h23 = 2×3×107×4,2×10-3/1,1×104×6,153 = 0,1;

G = G1 + G2,

где G1 и G2 - соответственно вес грунта и временной нагрузки над левой частью фундамента:

G1 = 7,1×1×1,55×18×1,1 = 217,9 кН; (G1n = 198,09 кН);

G2 = 50×1,2×1,55 = 93 кН; (G2n = 77,5 кН);

G3 - вес фундамента и грунта на его обрезах;

G3 = 3,3×1×1,2×23×1,1 = 100,2 кН; (G3n = 91,1 кН);

G4 - вес конструкции подвала и грунта над ним;

G4 = 81 кН; (G4n = 74 кН);

Fu = G1 + G2 + G3 + G4 = 217,9 + 93 + 100,2 + 81 = 492,1 кН;

(Fuh = 440,69 кН).

Расчет основания по несущей способности

Определим опорную реакцию от симметричного загружения по формуле (78) при w = 3

R1 = [Pg1(v1 + km/2) +(Pg2 - Pg1)(v2+km2/6)]h2/(1 + k) - G1ek/(1 + k)(h2 + h3)=

= [9,14(0,329 + 0,41×1,2/2) + (68,28 - 9,14)(0,08 + 0,41×1,22/6)]6,15/(1 +

+0,41) - 217,9×0,98×0,41/(1 + 0,41)(6,15 + 1,2) = 60,41 кН.

От одностороннего загружения реакцию определяем по формуле (82)

R2 = Pqh2(v1 + km/2)/(1 + k + k1) - G2ek/(1 + k + k1)(h2 + h3) =

= 30,54×6,15(0,329 + 0,41×1,2/2)/(1 + 0,41 + 0,1) - 93×0,98×0,41/(1 +0,41 +

+0,1)(6,15 + 1,2) = 68,15 кН;

R = R1 + R2 = 60,41 + 68,15 = 128,56 кН.

Сдвигающую силу Fsa в уровне подошвы стены определяем по формуле (85)

Fsa = -R + (Pg1 + Pg3 + 2Pq)(h2 + h3)/2 = -128,56 + (9,14 +79,82 + 2×30,54)× ×(6,15 + 1,2)/2 =

= 422,84 кН.

Удерживающую силу следует определять по формуле (19)

Fsr = Futg(jI - b) + bcI + Er = 492,1tg(21° - 0°) + 3,3×5 + 17,22 = 222,64 кН,

где Er - пассивное сопротивление грунта, определяется при lr =1; hr= d = 1,35 м.

Er = gIhr2lr/2 + cIhr(lr - 1)/tgjI = 18,9×1,352×1/2 + 0 = 17,22 кН.

Расчет устойчивости стен подвала против сдвига проверяем из условия (15)

Fsq = 422,84 кН > gcFsr/gn = 0,9×222,64/1,15 = 174,24 кН.

Условие (15) не удовлетворено. Необходима установка распорок, препятствующих смещению фундаментов. В этом случае d1 = 0.

Производим проверку устойчивости грунта основания из условия (26), так как tgd1 = 0 < sinj1.

Определяем изгибающие моменты в уровне подошвы фундамента по формуле (87)

M0 = -R(h2 + h3) + (2Pg1 + Pg3 + 3Pq)(h2 + h3)2/6 - (G1 + G2)e =

= - 128,56(6,15 + 1,2) + (2×9,14 + 79,82 + 3×30,54)(6,15 + 1,2)2/6 - (217,9 +

+ 93)0,98 = 458,51 кН×м.

Эксцентриситет приложения равнодействующей:

e = M0/Fu = 458,51/492,1 = 0,93 м.

Приведенная ширина подошвы фундамента:

b' = b - 2e = 3,3 - 2×0,93 = 1,44 м.

Вертикальную составляющую силы предельного сопротивления основания определяем по формуле (28)

Nn = b'(Ngb'gI + NqgI'd + NccI) = 1,44(3,48×1,44×18,9 + 7,25×18×1,35 +

+16,02×10,7) = 636,92 кН.

где Ng = 3,48; Nq = 7,25; Nc = 16,02 приняты по табл. 5 при jI = 21°; dI = 0.

Fu = 492,1 кН < gcNu/gn = 0,9×636,92/1,15 = 498,46 кН (условие удовлетворено).

Расчет основания по деформациям

Расчетное сопротивление грунта основания R определяем по формуле (97)

где gc1 = 1,25; gc2 = 1 (табл. 6); k = 1,1; dB = 2 м; по табл. 7 при jII = 24°; Mg = 0,72; Mq = 3,87; Mc = 6,45.

Опорная реакция от симметричного загружения (при w = 3):

RIn = (PgIn(vI + km/2) + (Pg2n - PgIn)(v2 + km2/6)]h2/(1 + k) - GInek/(1 + +k)(h2 + h3) = [6,22(0,329 + +0,41×1,2/2) + (46,51 - 6,22)(0,08 + 0,41×1,22/6)]× ×6,15/(1 + 0,41) - 198,09×0,98×0,41/(1 + +0,41)(6,15 + 1,2) = 39,29 кН.

Опорная реакция от одностороннего загружения:

R2n = Pqnh2(v1 + km/2)/(1 + k + k1) - G2nek/(1 + k + k1)(h2 + h3) =

= 23×6,15(0,329 + 0,41×1,2/2)/(1 + 0,41 + 0,1) - 77,6×0,98×0,41/(1 + 0,41 +

+0,1)(6,15 + 1,2) = 51,05 кН;

Rn = RIn + R2n = 39,29 + 51,05 = 90,34 кН;

M0n = -Rn(h2 + h3) + (2Png1 + Png3 + 3Pnq)(h2 + h3)2/6 - (G1n + G2n)e =

= -90,34(6,15 + 1,2) + (2×6,22 + 54,37 + 3×23)(6,15 + 1,2)2/6 - (198,09 +

+77,5)0,98 = 288,66 кН×м.

en = M0n/Fun = 288,66/440,69 = 0,66 м;

en > b/6 = 3,3/6 0 0,55 м;

pmax = 2Fun/3c0 = 2×440,69/3×0,99 = 296,76 кПа,

где c0 = 0,5b - en = 0,5×3,3 - 0,66 = 0,99 м.

Расчет основания по деформациям удовлетворен.

Определение расчетных усилий в стеновой панели (на 1 м длины)

Опорная реакция R в верхней опоре (при w = 6):

R1 = 9,14(0,329 + 0,81×1,2/2) + (68,28 - 9,14)(0,08 +

+ 0,81×1,22/6)]6,15/(1 + 0,81) - 217,9×0,98×0,81/(6,15 + 1,2) =

= 66,57 кН;

R2 = 30,54×6,15(0,329 + 0,81×1,2/2)/(1 + 0,81 +0,1) -

- 93×0,98×0,81/(1 + 0,81 + 0,1)(6,15 + 1,2) = 74,88 кН;

R = R1 + R2 = 66,57 + 74,88 = 141,45 кН = Qв.

Расстояние от верхней опоры до максимального пролетного момента определяем по формуле (89)

Пролетный момент на расстоянии ус,о от верхней опоры определяем по формуле (88)

Му = Qвус,о - [(Pg1 - Pq) + (Pg2 - Рg1)ус,о/3h2] /2 =

=141,45×2,69 - [(9,14 + 30,54) + (68,28 - 9,14)2,69/3×6,15]2,692/2 =

= 206,13 кНм.

Поперечную силу в нижнем сечении стеновой панели (при w=3,Qв = 128,56 кН) определяем по формуле (91)

Qв = Qв - [(Pg1 - Рq) + (Pg2 - Рg1)/2]h2 = 128,56 - [(9,14 + 30,54) +

+ (68,28 - 9,14)/2]6,15 = - 297,33 кН.

Изгибающий момент в нижнем сечении стеновой панели (при w = 3) определяем по формуле (92)

Мв = Qвh2 = [(Pg1 + Рq) + (Pg2 - Рg1)/3]h22/2 = 128,56×6,15 -

- [(9,14 + 30,54) + (68,28 - 9,14)/3]6,152/2 = - 332,56 кН×м.

Пример 7. Расчет стены подвала (блочный вариант)

Дано. В кирпичном здании подвальное помещение с наружными стенами из бетонных блоков. Класс бетона по прочности В 3,5 (Еb = 8,5×106 кПа). Ширина блоков t = 0,6 м. Геометрические параметры стены приведены на рис. 16, где:

h1 = 0,85 м;            h2= 2,6 м;        h3 = 0,35 м;     Н = 3,8 м;

h = 2,95 м;              b = 1,4 м;        q = 10 кПа;      Nc = 150 кН;

Ncn = 136 кН;          е = 0,5 м;         Мс = 8 кН×м;    Мсn = 7,3 кН×м.

Рис. 16. К расчету стены подвала (блочный вариант)

Грунт основания и засыпки - суглинки со следующими характеристиками:

gn = 19 кН/м3;  jn = 26°;         сn = 15 кПа;     Е = 1,9×104 кПа.

Требуется проверить принятые размеры подошвы фундамента и определить расчетные усилия в стеновой панели.

Расчетные характеристики грунта основания:

gI = 1,05×gn = 1,05×19 = 20 кН/м3;              gII = gn  = 19 кН/м3;

jI = jn/gj = 26°/1,15 = 23°;           jII = jn = 26°;

сI = cn/1,5 = 15/1,5 = 10 кПа;         cII = cn = 15 кПа.

Расчетные характеристики грунта засыпки:

g¢I = 0,95gI = 0,95×20 = 19 кН/м3;               g¢II = 0,95gII = 18,1 кН/м3;

j¢I = 0,9jI = 0,9×23° = 21°;            j¢II = 0,9jII = 23°;

с¢I = 0,5cI = 0,5×10 = 5 кПа;            с¢II = 0,5cII = 7,5 кПа.

Определяем интенсивность давления грунта.

1. При расчете по первому предельному состоянию:

q0 = 45° - j¢I/2 = 45° - 21°/2 = 34°30¢;

l = tg2q0 = tg234-30¢ = 0,472:

а) от собственного веса грунта засыпки (при k2 = 0):

Рg1 = 0;

Рg2 = [ggfh - 2c cosq0 cos e/sin(q0 + e)]ly/h = [19×1,15×2,95 -

- 2×5cos 34°34¢cosq0/sin(34°30¢ + 0°)]0,472×2,6/2,95 = 20,76 кПа;

Рg3 = [19×1,15×2,95 - 2×5 cos34°30¢ cos0°/sin(34°30¢ + 0°)0,472 ´

´ 2,95/2,95 = 23,56 кПа;

б) от загружения временной нагрузкой:

Pq = qgfl = 10×1,2×0,472 = 5,66 кПа.

2. При расчете по второму предельному состоянию:

q0n = 45° - j¢II/2 = 45° - 23°/2 = 33°30¢;

ln = tg2q0n = tg233°30¢ = 0,438;

а) от собственного веса грунта засыпки (при k2 = 0):

РgIn = 0;

Рg2n = [1,8×1×2,95 - 2×7,5 cos33°30¢ cos0°/sin(33°30¢ + 0°)]0,438 ´

´ 2,6/2,95 = 11,86 кПа;

Рg2n = [1,8×1×2,95 - 2×7,5 cos33°30¢ cos0°/sin(33°30¢ + 0°)]0,438 ´

´ 2,95/2,95 = 13,46 кПа;

б) от загружения призмы обрушения:

Рqn = 10×1×0,438 = 4,38 кПа.

Дополнительные параметры

Ih = l×t3/12 = 1×0,63/12 = 1,8×10-2 м4.

При t = const по табл. 8 v1 = 0,35; v2 = 0,1;

m1 = Н/(h1 + h2) = 3,8/(0,85 + 2,6) = 1,1;

n = h3/(h1 + h2) = 0,35/(0,85 + 2,6) = 0,1;

n1 = h2/(h1 + h2) = 2,6/(0,85 + 2,6) = 0,75;

kw=6 = wEbIhm2/Еb2(h1 + h2) = 6×8,5×106×1,8×10-2×1,12/1,9×104 ´

´ 1,42(0,85 + 2,6) = 8,65;

kw=3 = 3×8,5×106×1,8×10-2×1,12/1,9×104×1,42(0,85 + 2,6) = 4,32.

Вес фундамента и грунта на его обрезах:

G = 1,4×1×0,35×23×1,1 = 12,4 кН; (Gn = 11,3 кН).

Вес грунта и временной нагрузки над левой частью фундамента:

G1 + G2 = 2,6×1×0,4×19×1,1 + 0,4×10×1,2 = 26,54 кН; (G1n + G2n = 23,76 кН).

Вес стены подвала:

G3 = 0,6×3,45×1×24×1,1 = 54,6 кН; (G3n = 49,7 кН).

Fv = G + G1 + G2 + G3 + Nc = 12,4 + 26,54 + 54,6 + 150 = 243,54 кН;

Fvn = Gn + G1n + G2n + G3n + Ncn = 11,3 + 23,76 + 49,7 + 136 = 220,76 кН.

Расчет основания по несущей способности

Определяем опорную реакцию в уровне низа перекрытия по формуле при k = 4,32 (w = 3):

R = Qв = (h1 + h2){Pq[4n13 - n14 + 4k(n1 + n)2/m1]/8 + Pg2[15n13 -

- 3n14 + 20k(n1 + n)3/m1n1]/120}/(1 + k) + [Mc(1,5m1 + k) - (G1 +

+ G2)еk]/H(1 + k) = (0,85 + 2,6){5,66[4×0,753 - 0,754 + 4×4,32(0,75 +

+ 0,1)2/1,1]/8 + 20,76[15×0,753 - 3×0,754 + 20×4,32(0,75 + 0,1)3/1,1 ´

´ 0,75]/120}/(1 + 4,32) + [8(1,5×1,1 + 4,32) - 26,54×0,5×4,32]/3,8(1 +

+ 4,32) = 13,19 кН.

Сдвигающую силу в уровне подошвы фундамента определяем по формуле (95)

Fsa = -R + (Pg3 + 2Рq)(h2 + h3)/2 = - 13,19 + (23,56 + 2×5,66)(2,6 +

+ 0,35)/2 = 38,26 кН.

Удерживающую силу определяем по формуле (19)

Fsr=Fvtg(jI-b)+bcI+Er=243,54tg(23°-0°)+1,4×5+2,5= 112,88 кН.

где Er = gIhr2lr/2 + cIhr(lr - 1)/ tgjI = 20×0,52×1/2 + 0 = 2,5 кН.

Расчет устойчивости стен подвала против сдвига проверяем из условия (15)

Fsa = 38,26 кН < gcFsr/gII = 0,9×112,88/1,15 = 88,34 кН.

Условие (15) удовлетворено.

Производим проверку прочности грунтового основания:

tg dI = Fsa/Fv = 38,26/243,54 = 0,157; dI = 9°;

Так как dI = 0,157 < sinjI = 0,3907, расчет прочности грунтового основания производим из условия (26).

Определяем изгибающий момент в уровне подошвы фундамента стены:

М0 = - RH + Pqh2/2 + Рg3h2/6 - (G1 + G2)е + Мс = - 13,19×3,8 +

+ 5,66×2,952/2 + 23,56×2,952/6 - 26,54×0,5 + 8 = 3,41 кН×м.

Эксцентриситет приложения равнодействующей:

е = М0/Fv = 3,41/243,54 = 0,014 м.

Приведенная ширина подошвы фундамента:

b¢ = b - 2e = 1,4 - 2×0,014 = 1,37 м.

Вертикальную составляющую силы предельного сопротивления основания определяем по формуле

Nu = b¢(Ngb¢gI + Nqg¢Id + NccI) = 1,37(2,72×1,37×20 + 6,71×20×0,5 +

+ 13,15×10) = 374,19 кН.

где Ng = 2,72; Nq = 6,71; Nc = 13,15 (по табл. 5 при dI = 9° и jI = 23°)

Проверяем условие (26)

Fv = 243,54 кН < gcNu/gn = 0,9×374,19/1,15 = 292,84 кН.

Условие (26) удовлетворено.

Расчет основания по деформациям

Расчетное сопротивление грунта основания R определяем по формуле (97)

где gсI = 1,25; gс2 = 1 (табл. 6); k = 1,1; Мg = 0,84; Мq = 4,37; Мс = 6,9 (определены по табл. 7 при jII = 26°); dв = 2 м.

Реакция в уровне низа перекрытия по формуле, где k = 4,32 (w = 3):

Rn = Qвn = (h1 + h2){Pqn[4n13 - n14 + 4k(n1 + n)2/mI]/8 +

+ Pg2n[15n13 - 3n14 + 20k(n1 + n)3/mInI]/120}/(1 + k) + [Mcn(15mI +

+ k) - (G1n - G2n)ek]/H(1 + k) = (0,85 + 2,6){4,38[4×0,753 - 0,754 +

+ 4×4,32(0,75 + 0,1)2/1,1]/8 + 11,86[15×0,753 - 3×0,744 + 20×4,32(0,75 +

+ 0,1)3/1,1×0,75]/120}/(1 + 4,32) + [7,3(1,5×1,1 + 4,32) - 23,76×0,5×4,32]/

/3,8(1 + 4,32) = 8,01 кН;

М0n = - RnH + Pqnh2/2 + Рg3nh2/6 - (G1n + G2n)е + Мсn =

= - 8,01×3,8 + 4,38×2,952/2 + 13,46×2,952/6 - 23,76×0,5 + 7,3 =

= 3,56 кН×м;

еn = M0n/Fvn = 3,56/220,75 = 0,02 < b/6 = 14/6 = 0,23 м;

Fvn(1 + 6en/b)/b = 220,76(1 + 6×0,02/1,4)/1,4;

pmax = 171,2 кПа < 1,2R = 1,2×326,557 = 391,88 кПа;

pmin = 144,17 кПа.

Расчет основания по деформациям удовлетворен.

Определение расчетных усилий в стеновых блоках (на 1 м стены)

Реакцию R в уровне низа перекрытия определяем по формуле (93), где k = 8,65 (w = 6)

R = Qв = (0,85 + 2,6){5,66[4×0,753 - 0,754 + 4×8,65(0,75 + 0,12)2/1,1]/

/8 + 20,76[15×0,753 - 0,754 + 20×8,65(0,75 + 0,1)3/1,1×0,75]/120/(1 +

+ 8,65)+ [8(1,5×1,1 + 8,65) - 26,54×0,5×8,65]/3,8(1 + 8,65) = 13,51 кН.

 Расстояние от максимального пролетного момента до верхней опоры:

Максимальный пролетный момент в стене (ус,о = 2,11):

Му,с0 = Qвус,о - [Pq + Pg2(ус,о - h1)/3h2](ус,о - h1)2 /2 - Мс =

= 13,51×2,11 - [5,66 + 20,76(2,11 - 0,85)/3×2,6](2,11 - 0,85)2/2 - 8 =

= 13,36 кН×м.

Опорная реакция в нижнем сечении стены подвала (при w = 3 и Qв = 9,21 кН):

Qн = Qв - (Рq + Pg2/2)h2 = 9,21 - (5,66 + 20,76/2)2,6 = - 32,49 кН.

Изгибающий момент при ус = 3,45 м:

Мус= ,21×3,45-[5,66+20,76(3,45-0,85)/3×2,6](3,45-0,85)2/2-8= - 18,75 кН×м.

Пример 8. Расчет столбчатого фундамента, воспринимающего боковую нагрузку от стен подвала

Дано. Четырехпролетный подвал шириной В = 18 м размещен в производственном здании. Ограждающие стеновые панели подвала расположены горизонтально и опираются на банкетную часть подколонников фундамента здания. Класс бетона подколонников по прочности В15 (Еb = 2,05×107 кПа). Геометрические параметры конструкции приведены на рис. 17, где: q = 10кПа; Мс = 400 кН×м; Мсn = 363,6 кН×м; N = 1200 кН; Nn = 1090 кН; h3 = 0,6 м; h2 = 3,75 м; а = b = 2,1 м.

Верхняя шарнирная опора принята в уровне низа плит перекрытия подвала. Грунт основания и засыпки имеет следующие характеристики: gn = 18 кН/м3; jn = 32°; сn = 0.

Требуется проверить принятые размеры подошвы фундамента и определить расчетные усилия в банкетной части столбчатого фундамента.

Рис. 17. К расчету столбчатого фундамента со стеной подвала

Расчетные характеристики грунта основания:

gI = 1,05×gn = 1,05×18 = 18,9 кН/м3; gII = gn = 18 кН/м3;

jI = jn/gq = 32°/1,1 = 29°; jII = jn = 32°;

сI = 0; сII = 0.

Расчетные характеристики грунта засыпки:

g¢I = 0,95gI = 0,95×18,9 = 18 кН/м3; g¢II = 0,95gII = 17,1 кН/м3;

j¢I = 0,9jI = 0,9×29° = 26°; j¢II = 0,9jII = 29°.

Определение интенсивности давления грунта

Интенсивность давления грунта на подколонник фундамента принимается с грузовой площади при l = 6м.

1. При расчете по первому предельному состоянию:

l = tg2 q0 = tg2(45° - j¢I/2) = tg2(45°-26°/2) = 0,39;

а) от собственного веса грунта засыпки:

Рg1 = 0;

Рg2 = [ggf/hl - c(k1 + k2)]yl/h = [18×1,15×4,35×0,39 - 0]3,5×6/4,35 = 181,64 кПа;

Рg3 = [18×1,15×4,35×0,39 - 0]4,35×6/4,35 = 210,71 кПа;

б) от загружения временной нагрузкой:

Рq = qgfll = 10×1,2×0,39×6 = 28,08 кПа.

2. При расчете по второму предельному состоянию:

ln = tg2(45°-j¢II/2) = tg2(45°-29°/2) = 0,347;

а) от собственного веса грунта засыпки:

Pg1n = [ggfhln - c(k1 + k2)]yl/h = 0;

Рg2n = [17,1×1×4,35×0,347 - 0]3,75×6/4,35 = 133,51 кПа;

Рg3n = [17,1×1×4,35×0,347 - 0]4,35×6/4,35 = 154,87 кПа;

б) от загружения временной нагрузкой:

Рqn = qgflnl = 10×1×0,347×6 = 20,8 кПа.

Дополнительные параметры

G - вес фундамента и плиты на его обрезах 240 кН (Gn = 216 кН);

G1 - вес грунта и временной нагрузки над левой частью фундаментной плиты

220 кН (G1n = 180 кН);

G2 - вес стены подвала 109 кН (G2n = 99 кН);

Fv = G +G1 + G2 + N = 240 + 220 + 109 + 1200 = 1769 кН;

(Fvn = 1585 кН);

Ih = 0,9×0,93/12 = 5,5×10-2 м4.

При t = const по табл. 8 v1 = 0,375; v2 = 0,1;

m = (h2 + h3)/h2 = (3,75 + 0,6)/3,75 = 1,16;

kw=6 = wЕbIhm2/Eb2h2а = 6×2,05×107×5,5×10-2×1,162/2×104×2,12×3,75 ´ 2,1 = 13,11;

kw=3 = 3×2,05×107×5,5×10-2×1,162/2×104×2,12×3,75×2,1 = 6,55.

Расчет основания по несущей способности

Опорную реакцию R в уровне низа плит перекрытия подвала по приведенной ниже формуле определяем при k = 6,55 (w = 3):

R = Qв = [Pq(v1 + km/2) + Pg2(v2 + km2/6)]h2/(1 + k) - (G1е1 +

+ G2е2)k/(1 + k)mh2 + Мс(1,5m + k)/(1 + k)mh2 = [28,08(0,375 +

+ 6,55×1,16/2) + 181,64(0,1 + 6,55×1,162/6)]3,75/(1 + 6,55) - (220×0,9 +

+ 109×0,6)6,55/(1 + 6,55)1,16×3,75 + 400(1,5×1.16 + 6,55)/(1 + 6,55) ´

´ 1,16 ×3,75 = 248,16 кН.

Сдвигающую силу Fsa в уровне подошвы стены определяем по формуле (85)

Fsa = - R + (Pg1 + Рg3 + 2Рq)(h2 + h3)/2 = - 248,16 + (0 + 210,71 +

+ 2×28,08)(3,75 + 0,6)/2 = 332,28 кН.

Удерживающую силу определяем по формуле (19), принимая пассивное сопротивление грунта Er = 0:

Fsr = Fv tg(jI - b) + bcI + Er = 1769 tg(29°- 0°)+ 0 + 0 = 980,6 кН.

Расчет устойчивости столбчатого фундамента против сдвига проверяем из условия (15)

Fsa = 332,28 кН < gcFsr/gn = 0,9×980,6/1,15 = 767,43 кН.

Условие устойчивости фундамента удовлетворено.

Приведенный угол наклона к вертикали dI равнодействующей внешней нагрузки определяем по формуле (27)

tg dI = Fsa/Fv = 332,28/1769 = 0,188; dI = 10°.

Производим проверку устойчивости грунта основания из условия (26), так как tg dI < sin jI = 0,4848.

Определяем изгибающие моменты в уровне подошвы фундамента по формуле

М0 = - R(h2 + h3) + (2Рg1 + Рg3 + 3Рq)(h2 + h3)2/6 - (G1е1 + G2е2) +

+ Мс = - 248,16(3,75 + 0,6) + (0 + 210,71 + 3×28,08)(3,75 + 0,6)2/6 -

- (220×0,9 + 109×0,6) + 400 = - 12,81 кН×м.

Величина эксцентриситета приложения равнодействующей:

е = М0/Fv = 12,81/1769 » 0,01 м.

Определение вертикальной составляющей силы предельного сопротивления основания Nu проводим согласно СНиП 2.02.01-83:

b¢ = b - 2e = 2,1 - 2×0,01 = 2,08 м;

l¢ = a = 2,1 м.

По СНиП 2.02.01-83 табл. 7 при dI = 10°; jI = 29°; Ng = 6,72; Nq = 12,94.

h = l/b = 2,1/2,1 = 1;

xg = 1 - 0,25/h = 1 - 0,25/1 = 0,75;

xq = 1 + 1,5/h = 1 + 1,5/1 = 2,5;

Nu = b¢l¢(Ngxgb¢gI + Nqxqg¢Id + NcxccI) = 2,08×2,1(6,72×0,75×2,08×18,9 +

+ 12,94×2,5×18×0,75 + 0) = 2773,08 кН.

Проверяем условие (26):

Fv = 1769 кН < gcNu/gn = 0,9×2773,08/1,15 = 2170,21 кН.

Условие прочности грунтового основания удовлетворено.

Расчет основания по деформациям

Расчетное сопротивление грунта основания определяем по формуле (97)

где gс1 = 1,3; gс2 = 1,1 (табл. 6) k = 1,1; dв = 2 м; Мg = 1,34; Мq = 6,34 (определены по табл. 7 при jII = 32°).

Определяем реакцию в уровне низа плиты перекрытия при w = 3, k = 6,55 по формуле

Rn = Qвn = [Pqn(v1 + km/2) + Pg2n(v2 + km2/6)]h2/(1 + k) - (G1ne1 +

+ G2ne2)k/(1 + k)mh2 + Mcn(1,5m + k)/(1 + k)mh2 = [20,8(0,375 +

+ 6,55×1,16/2) + 133,51(0,1 + 6,55×1,162/6)]3,75/(1 + 6,55) - (180×0,9 +

+ 99×0,6)6,55/(1 + 6,55)1,16×3,75 + 363,6(1,5×1.16 + 6,55)/(1 + 6,55) ´

´ 1,16×3,75 = 194,78 кН;

М0n = - Rn(h2 + h3) + (2PgIn + Pg3n + 3Pqn)(h2 + h3)2/6 - (G1ne1 +

+ G2ne2) = Mcn = - 194,78(3,75 + 0,6) + (0 + 154,87 + 3×20,8)(3,75 +

+ 0,6)2/6 - (180×0,9 + 99×0,6) + 363,6 = - 19,87 кН×м;

еn = M0n/Fvn = 19,87/1585 = 0,01 м < b/6 = 2,1/6 = 0,35 м;

= Fvn(1±6en/b)/A = 1585(1±6×0,01/2,1)/2,1×2,1;

pmax = 369,68 кПа < 1,2R = 1,2×408,98 = 490,78 кПа;

pmin = 349,14 кПа.

Расчет основания по деформациям удовлетворен.

Определение расчетных усилий в столбчатом фундаменте

Опорную реакцию R в верхних части столбчатого фундамента определяем при значении k = 13,11 (w = 6):

R = Qв = [28,08(0,375 + 13,11×1,16/2) + 181,64(0,1 + 13,11×1,162/6)] ´

´ 3,75/(1 + 13,11) - (220×0,9 + 109×0,6)13,11/(1 + 13,11)1,16×3,75 +

+ 400(1,5×1,16 + 13,11)/(1 + 13,11)1,16×3,75 = 246,82 кН.

Определяем расстояние от максимального изгибающего момента в банкетной части фундамента до низа плит перекрытия:

Максимальный пролетный момент при ус,о = 2,66 м и Qв = 246,82 кН:

Мус,0 = Qвус,0 - [(Pg1 + Pq) + (Pg2 - Pg1)yc,0/3h2]yc,02/2 = Mc =

= 246,82×2,66 - [(0 + 28,08) + (181,64 - 0)2,66/3×3,75]2,662/2 - 400 =

= 5,26 кН×м.

Опорная реакция и изгибающий момент в нижнем сечении банкетной части фундамента при w = 3 и Qв = 248,16 кН:

Qв = Qв - [(Pg1 + Pq) + (Pg2 - Pg1)/2]h2 = 248,16 - [(0 + 28,08) +

 +181,64 - 0)/2]3,75 = - 197,64 кН;

Mв = Qвh2 - [(Pg1 + Pq) + (Pg2 - Pg1)/3]h22/2 - Mc = 248,16×3,75 -

- [(0 + 28,08) + (181,64 - 0)/3]3,752/2 - 400 = - 92,25 кН×м.

Пример 9. Расчет подпорной стены на сейсмическое воздействие

Дано. Массивная бетонная подпорная стена с высотой подпора грунта 2,7 м, глубина заложения подошвы 0,9 м. Угол наклона поверхности засыпки к горизонту r = 10°. Геометрические размеры стены приведены на рис. 18. По контракту грунт - стена d = 0°, e = 22°. Подпорная стена возводится в районе с сейсмичностью 7 баллов. Грунт засыпки имеет следующие характеристики: j¢I = 21°, g¢I = 18 кН/м3, с¢I = 10,3 кПа.

Требуется установить интенсивность активного давления грунта на стену.

Коэффициент горизонтального давления грунта l определяем по табл. 1 прил. 2. l = 0,72 (при d = 0°, j¢I = 21°, r = 10°, e =  22°).

Коэффициент горизонтального давления грунта при сейсмическом воздействии определяем по формулам (98) - (100):

w = arctg (AK1) = arctg 0,04 = 3°;

z = sin(j- e - w)cos(e + d)/ cos(e + d + w)cos(e- r) =

= sin(21° - 10°-3°)sin(21°+ 0°)/cos(22° + 0°+3°)cos(22°-10°) = 0,056;

l* = cos2(j- e - w)cos(e + d)/cos w cos2e cos(e + d +w)(1 + )2 =

= cos2(21° - 22° -3°)cos(22°+0°)/cos3° cos222° cos(22°+0°+3°) ´

´ (1 + )2 = 0,776.

Интенсивность горизонтального и вертикального активного давления грунта при сейсмическом воздействии определяем по формулам

Рg2* = [g¢Igfl*y - c¢I(k1 + k2)]y/h = [18×1,15×0,776×3,6 - 10,3(1,5 +

+ 0)]3,6/3,6 = 41,97 кН,

где k2 = 0;

k1 = 2lcosq0cos e/sin(q0 + e) = 2×0,72 cos28°cos22°/sin(28° + 22°) = 1,54;

tg q0 = (cosr - hcosj¢I)/(sinr - hsinj¢I) = (cos10°-1,2cos21°)/(sin10°-

- 1,2sin 21°) = 0,5283; q0 = 28°;

h = cos(e- r)/cos e = cos(22°-10°)/cos 22° = 1,2;

Рv2* = Pg2*tg(e + d)/tg e = 41,97 tg(22° +0°)/tg22° = 41,97 кН.

Рис. 18. К расчету подпорной стены с учетом сейсмического воздействия

Рис. 19. К расчету общей устойчивости стены подвала против сдвига по круглоцилиндрическим поверхностям

Пример 10. Расчет общей устойчивости стены подвала против сдвига по круглоцилиндрическим  поверхностям

Дано. Технический подвал отдельно стоящий. Геометрические и расчетные исходные данные приведены на рис. 19. Строительство осуществляется в районе с сейсмичностью до 6 баллов. Грунтовые воды отсутствуют.

Требуется произвести оценку устойчивости стены подвала против сдвига по круглоцилиндрической поверхности.

Устойчивость стены подвала вместе с прилегающим к ней грунтом считается обеспеченной, если удовлетворяется условие (102).

Значения tgj* и с* для грунтов определяются по формулам (106) и (107).

Расчет устойчивости сведен в таблицу.

Результаты расчета свидетельствуют об экономичности проектного решения фундамента, так как условие (102), оставаясь больше нуля, близко к нему, а надежность основания обеспечивается учетом в характеристиках грунта коэффициента устойчивости (ki = kn/m = 1,2).

Расчеты, произведенные по кривым, проходящим ниже и выше рассмотренной (радиусом R2 = 6,5 м и радиусом R3 = 8,7 м), показали еще большую устойчивость.


№ отсека

ai, град

tg jI*

bi, м

gi, кН

gi tgjI* кН

ci, кПа

bici, кН

Слагаемое граф (6) и (8)

cosai

tgai

tgaitgjI*

1 ± гр. (12)

cosai, гр. (13)

Отношение гр. (9) к (14)

sin(±ai)

gisin(±ai)

1

2

3

4

5

6

7

8

9

10

11

12

13

14

15

16

17

1

83

0,37

0,4

35

13

20,83

8,3

21,3

0,122

8,14

3

4

0,49

43,5

0,993

34,8

2

62

0,208

1,2

167

35

8,33

10

45

0,47

1,88

0,39

1,39

0,65

69,2

0,883

147,5

3

42

0,208

2

355

74

8,33

16,7

90,7

0,743

0,93

0,19

1,19

0,88

103,1

0,669

237,5

4

24

0,208

2

390

81

8,33

16,7

97,7

0,914

0,45

0,09

1,09

1

97,7

0,407

158,7

5

7

0,208

2

463

96

8,33

16,7

112,7

0,993

0,12

0,02

1,02

1,01

111,6

0,122

56,5

6

6

0,208

1,6

85

18

8,33

13,3

31,3

0,995

0,11

0,02

0,98

0,97

32,3

-0,105

-8,9

7

20

0,37

1,8

73

27

20,83

37,5

64,5

0,94

0,36

0,13

0,87

0,82

78,7

-0,342

-25

8

30

0,370

1

29

15

20,83

20,8

35,8

0,866

0,58

0,21

0,79

0,68

52,6

-0,5

-14,5

9

42

0,337

1,5

19

6

5,83

8,7

14,7

0,743

0,93

0,31

0,69

0,51

28,8

-0,669

-12,7

 

 

 

 

 

 

 

 

 

 

 

 

 

 

S = 617,5

 

S = 573,9

Примечание. В гр. 5 значения веса даны с учетом нагрузок от конструкций, попадающих в элемент

S(15) - S(17) = 617,5 - 573,9 > 0


ПРИЛОЖЕНИЕ 2

ЗНАЧЕНИЯ КОЭФФИЦИЕНТА l ПРИ РАЗНЫХ УГЛАХ e

Таблица 1

j, град.

r, град.

Значения коэффициента l при величине угли e, град, равном

0

5

10

15

20

25

30

15

0

0,59

0,62

0,64

0,67

0,69

0,71

0,74

10

0,7

0,74

0,77

0,81

0,84

0,88

0,91

15

0,93

0,98

1,02

1,07

1,12

1,18

1,24

 

 

 

 

 

 

 

 

 

16

0

0,57

0,6

0,62

0,65

0,67

0,7

0,72

10

0,67

0,71

0,74

0,78

0,81

0,85

0,89

15

0,81

0,85

0,89

0,94

0,98

1,03

1,08

 

 

 

 

 

 

 

 

 

17

0

0,55

0,58

0,6

0,63

0,66

0,68

0,71

10

0,65

0,68

0,72

0,75

0,79

0,83

0,87

15

0,75

0,8

0,84

0,88

0,93

0,97

1,03

 

 

 

 

 

 

 

 

 

18

0

0,53

0,56

0,59

0,61

0,64

0,66

0,69

10

0,62

0,66

0,69

0,73

0,77

0,8

0,84

15

0,71

0,75

0,79

0,84

0,88

0,93

0,98

 

 

 

 

 

 

 

 

 

19

0

0,51

0,54

0,57

0,6

0,63

0,65

0,68

10

0,59

0,63

0,67

0,71

0,74

0,78

0,82

15

0,67

0,71

0,76

0,8

0,85

0,9

0,95

 

 

 

 

 

 

 

 

 

20

0

0,49

0,52

0,55

0,58

0,61

0,64

0,66

10

0,57

0,61

0,64

0,68

0,72

0,76

0,8

15

0,64

0,68

0,72

0,77

0,82

0,86

0,92

20

0,88

0,94

1

1,06

1,13

1,21

1,29

 

 

 

 

 

 

 

 

 

21

0

0,47

0,5

0,53

0,56

0,59

0,62

0,65

10

0,55

0,58

0,62

0,66

0,7

0,74

0,78

15

0,61

0,65

0,7

0,74

0,79

0,83

0,89

20

0,75

0,8

0,85

0,91

0,97

1,03

1,1

 

 

 

 

 

 

 

 

 

22

0

0,46

0,49

0,52

0,55

0,58

0,61

0,64

10

0,52

0,56

0,6

0,64

0,68

0,72

0,76

15

0,58

0,62

0,67

0,71

0,76

0,81

0,86

20

0,69

0,74

0,79

0,85

0,91

0,97

1,03

 

 

 

 

 

 

 

 

 

23

0

0,44

0,47

0,5

0,53

0,56

0,59

0,62

10

0,5

0,54

0,58

0,62

0,66

0,7

0,74

15

0,55

0,6

0,64

0,69

0,73

0,78

0,83

20

0,64

0,69

0,75

0,8

0,86

0,92

0,98

 

 

 

 

 

 

 

 

 

24

0

0,42

0,45

0,49

0,51

0,55

0,58

0,61

10

0,48

0,52

0,56

0,6

0,64

0,68

0,73

15

0,53

0,57

0,62

0,66

0,71

0,76

0,81

20

0,61

0,66

0,71

0,76

0,82

0,88

0,04

 

 

 

 

 

 

 

 

 

25

0

0,41

0,44

0,47

0,5

0,53

0,57

0,6

10

0,46

0,5

0,54

0,58

0,62

0,66

0,71

15

0,51

0,55

0,59

0,64

0,69

0,73

0,79

20

0,57

0,62

0,67

0,73

0,78

0,84

0,91

25

0,82

0,89

0,96

1,04

1,12

1,22

1,32

 

 

 

 

 

 

 

 

 

26

0

0,39

0,42

0,46

0,49

0,52

0,55

0,59

10

0,11

0,18

0,52

0,56

0,6

0,65

0,69

15

0,48

0,53

0,57

0,62

0,66

0,71

0,77

20

0,51

0,59

0,64

0,7

0,75

0,81

0,87

25

0,68

0,74

0,8

0,87

0,94

1,02

1,11

 

 

 

 

 

 

 

 

 

27

0

0,38

0,41

0,44

0,47

0,51

0,54

0,57

10

0,43

0,46

0,5

0,55

0,59

0,63

0,67

15

0,16

0,5

0,55

0,6

0,64

0,69

0,75

20

0,51

0,56

0,61

0,67

0,72

0,78

0,84

25

0,62

0,68

0,74

0,8

0,87

0,95

1,03

 

 

 

 

 

 

 

 

 

28

0

0,36

0,39

0,43

0,46

0,49

0,53

0,56

10

0,11

0,45

0,49

0,53

0,57

0,61

0,66

15

0,44

0,48

0,53

0,57

0,62

0,67

0,72

20

0,44

0,54

0,59

0,64

0,7

0,75

0,82

25

0,58

0,63

0,69

0,76

0,82

0,89

0,98

 

 

 

 

 

 

 

 

 

29

0

0,35

0,38

0,41

0,45

0,48

0,51

0,55

10

0,39

0,43

0,47

0,51

0,55

0,6

0,64

15

0,42

0,46

0,51

0,55

0,6

0,65

0,71

20

0,46

0,51

0,56

0,62

0,67

0,73

0,79

25

0,54

0,59

0,65

0,71

0,78

0,85

0,93

 

 

 

 

 

 

 

 

 

30

0

0,33

0,37

0,4

0,43

0,47

0,5

0,54

10

0,37

0,41

0,45

0,5

0,54

0,58

0,63

15

0,4

0,44

0,49

0,54

0,58

0,64

0,69

20

0,44

0,49

0,54

0,59

0,65

0,71

0,77

25

0,5

0,56

0,62

0,68

0,74

0,82

0,89

30

0,72

0,79

0,87

0,46

1,06

1,16

1,28

 

 

 

 

 

 

 

 

 

31

0

0,32

0,35

0,39

0,42

0,46

0,49

0,53

10

0,36

0,4

0,44

0,48

0,52

0,57

0,61

15

0,38

0,43

0,47

0,52

0,57

0,62

0,67

20

0,42

0,47

0,52

0,57

0,62

0,68

0,74

25

0,48

0,53

0,59

0,65

0,71

0,78

0,86

30

0,61

0,67

0,74

0,82

0,9

1

1,1

 

 

 

 

 

 

 

 

 

32

0

0,31

0,34

0,37

0,41

0,44

0,48

0,51

10

0,34

0,38

0,42

0,46

0,51

0,55

0,6

15

0,37

0,41

0,45

0,5

0,55

0,6

0,65

20

0,4

0,46

0,49

0,55

0,6

0,66

0,72

25

0,45

0,5

0,56

0,62

0,68

0,75

0,82

30

0,55

0,61

0,68

0,75

0,83

0,92

1,01

 

 

 

 

 

 

 

 

 

33

0

0,3

0,33

0,36

0,4

0,43

0,47

0,5

10

0,33

0,37

0,41

0,45

0,49

0,54

0,58

15

0,35

0,39

0,44

0,48

0,53

0,58

0,63

20

0,38

0,43

0,47

0,53

0,58

0,64

0,7

25

0,42

0,47

0,53

0,59

0,65

0,72

0,79

30

0,5

0,56

0,63

0,7

0,78

0,86

0,45

 

 

 

 

 

 

 

 

 

34

0

0,28

0,32

0,35

0,38

0,42

0,45

0,49

10

0,31

0,35

0,39

0,43

0,48

0,52

0,56

15

0,33

0,38

0,42

0,46

0,51

0,56

0,62

20

0,36

0,41

0,46

0,51

0,56

0,62

0,68

25

0,4

0,45

0,51

0,56

0,63

0,69

0,76

30

0,47

0,5,3

0,59

0,66

0,73

0,81

0,9

 

 

 

 

 

 

 

 

 

35

0

0,27

0,3

0,31

0,37

0,41

0,41

0,48

10

0,3

0,37

0,38

0,42

0,46

0,51

0,56

15

0,32

0,36

0,4

0,45

0,5

0,55

0,6

20

0,34

0,39

0,44

0,49

0,54

0,6

0,66

25

0,38

0,43

0,18

0,54

0,6

0,67

0,74

30

0,44

0,49

0,56

0,62

0,7

0,78

0,86

35

0,64

0,72

0,81

0,91

1,01

1,13

1,27

 

 

 

 

 

 

 

 

 

36

0

0,26

0,29

0,33

0,36

0,4

0,43

0,47

10

0,20

0,32

0,36

0,41

0,45

0,49

0,54

15

0,3

0,31

0,39

0,43

0,48

0,53

0,59

20

0,33

0,37

0,42

0,47

0,52

0,58

0,61

25

0,36

0,41

0,46

0,52

0,58

0,64

0,71

30

0,41

0,46

0,53

0,59

0,66

0,71

0,82

35

0,53

0,6

0,67

0,76

0,85

0,95

1,07

 

 

 

 

 

 

 

 

 

37

0

0,25

0,28

0,32

0,35

0,39

0,42

0,46

10

0,27

0,31

0,35

0,39

0,44

0,48

0,53

15

0,29

0,33

0,37

0,42

0,47

0,52

0,57

20

0,31

0,35

0,4

0,45

0,5

0,56

0,62

25

0,34

0,39

0,44

0,5

0,56

0,62

0,68

30

0,38

0,44

0,5

0,56

0,63

0,71

0,79

35

0,47

0,54

0,61

0,69

0,78

0,88

0,98

 

 

 

 

 

 

 

 

 

38

0

0,24

0,27

0,3

0,34

0,37

0,41

0,45

10

0,26

0,3

0,34

0,38

0,42

0,47

0,52

15

0,28

0,32

0,36

0,4

0,45

0,5

0,56

20

0,3

0,34

0,39

0,43

0,49

0,55

0,61

25

0,32

0,37

0,42

0,48

0,54

0,6

0,67

30

0,36

0,41

0,47

0,53

0,6

0,68

0,76

35

0,43

0,5

0,57

0,64

0,72

0,82

0,92

 

 

 

 

 

 

 

 

 

39

0

0,23

0,26

0,29

0,33

0,36

0,4

0,44

10

0,25

0,29

0,33

0,37

0,41

0,45

0,5

15

0,26

0,3

0,35

0,39

0,44

0,49

0,54

20

0,28

0,32

0,37

0,42

0,17

0,53

0,59

25

0,3

0,35

0,4

0,46

0,52

0,58

0,65

30

0,34

0,39

0,45

0,51

0,58

0,65

0,73

35

0,4

0,46

0,53

0,6

0,68

0,77

0,87

 

 

 

 

 

 

 

 

 

40

0

0,22

0,25

0,28

0,32

0,35

0,39

0,43

10

0,24

0,27

0,31

0,35

0,4

0,44

0,49

15

0,25

0,29

0,33

0,38

0,42

0,47

0,52

20

0,27

0,31

0,35

0,4

0,45

0,51

0,57

25

0,29

0,33

0,38

0,44

0,5

0,56

0,62

30

0,32

0,37

0,43

0,49

0,55

0,62

0,7

35

0,37

0,43

0,49

0,57

0,64

0,73

0,82

40

0,59

0,68

0,77

0,88

1

1,14

1,29

Таблица 2

d = j/2

j, град.

r, град.

Значения коэффициента l при величине угли e, град, равном

0

5

10

15

20

25

30

15

0

0,54

0,56

0,58

0,6

0,62

0,64

0,65

10

0,66

0,7

0,73

0,76

0,79

0,82

0,85

15

0,93

0,98

1,02

1,07

1,12

1,18

1,24

 

 

 

 

 

 

 

 

 

16

0

0,52

0,54

0,56

0,58

0,6

0,62

0,64

10

0,63

0,66

0,7

0,73

0,76

0,79

0,82

15

0,78

0,82

0,86

0,91

0,95

0,99

1,04

 

 

 

 

 

 

 

 

 

17

0

0,5

0,52

0,54

0,56

0,58

0,6

0,62

10

0,6

0,63

0,67

0,7

0,73

0,76

0,79

15

0,72

0,76

0,8

0,84

0,88

0,93

0,97

 

 

 

 

 

 

 

 

 

18

0

0,48

0,5

0,53

0,55

0,57

0,59

0,6

10

0,57

0,61

0,64

0,67

0,7

0,73

0,76

15

0,67

0,71

0,75

0,79

0,83

0,88

0,92

 

 

 

 

 

 

 

 

 

19

0

0,46

0,48

0,51

0,53

0,55

0,57

0,59

10

0,55

0,58

0,61

0,64

0,68

0,71

0,74

15

0,63

0,67

0,71

0,75

0,79

0,83

0,88

 

 

 

 

 

 

 

 

 

20

0

0,44

0,47

0,49

0,51

0,53

0,55

0,57

10

0,52

0,56

0,59

0,62

0,65

0,68

0,71

15

0,6

0,64

0,68

0,71

0,76

0,8

0,84

20

0,88

0,94

1

1,06

1,13

1,21

1,29

 

 

 

 

 

 

 

 

 

21

0

0,12

0,45

0,47

0,5

0,52

0,54

0,55

10

0,5

0,53

0,57

0,6

0,63

0,66

0,69

15

0,57

0,61

0,64

0,68

0,72

0,76

0,8

20

0,72

0,77

0,82

0,88

0,93

0,99

1,05

 

 

 

 

 

 

 

 

 

22

0

0,41

0,13

0,46

0,48

0,5

0,52

0,54

10

0,48

0,51

0,54

0,57

0,61

0,64

0,67

15

0,54

0,58

0,61

0,65

0,69

0,73

0,77

20

0,66

0,7

0,75

0,8

0,86

0,91

0,97

 

 

 

 

 

 

 

 

 

23

0

0,39

0,42

0,44

0,46

0,49

0,51

0,52

10

0,46

0,49

0,52

0,55

0,59

0,62

0,65

15

0,51

0,55

0,59

0,62

0,66

0,7

0,74

20

0,61

0,66

0,7

0,75

0,8

0,86

0,91

 

 

 

 

 

 

 

 

 

24

0

0,37

0,4

0,42

0,45

0,47

0,49

0,51

10

0,44

0,47

0,5

0,53

0,56

0,6

0,63

15

0,49

0,52

0,56

0,6

0,64

0,68

0,72

20

0,57

0,61

0,66

0,71

0,76

0,81

0,86

 

 

 

 

 

 

 

 

 

25

0

0,36

0,39

0,41

0,43

0,46

0,48

0,5

10

0,42

0,45

0,48

0,51

0,54

0,58

0,61

15

0,46

0,5

0,54

0,57

0,61

0,65

0,69

20

0,53

0,58

0,62

0,67

0,72

0,77

0,82

25

0,82

0,89

0,96

1,04

1,12

1,22

1,32

 

 

 

 

 

 

 

 

 

26

0

0,34

0,37

0,4

0,42

0,44

0,46

0,48

10

0,4

0,43

0,46

0,5

0,53

0,56

0,59

15

0,44

0,48

0,51

0,55

0,59

0,63

0,67

20

0,5

0,55

0,59

0,64

0,68

0,73

0,78

25

0,65

0,71

0,77

0,83

0,9

0,97

1,05

 

 

 

 

 

 

 

 

 

27

0

0,33

0,36

0,38

0,41

0,43

0,45

0,47

10

0,38

0,41

0,45

0,48

0,51

0,54

0,57

15

0,42

0,45

0,49

0,53

0,57

0,6

0,64

20

0,47

0,52

0,56

0,61

0,65

0,7

0,75

25

0,59

0,64

0,7

0,76

0,82

0,89

0,96

 

 

 

 

 

 

 

 

 

28

0

0,32

0,34

0,37

0,39

0,42

0,44

0,46

10

0,36

0,4

0,43

0,46

0,49

0,52

0,55

15

0,4

0,43

0,47

0,51

0,55

0,58

0,62

20

0,45

0,49

0,53

0,58

0,62

0,67

0,72

25

0,54

0,6

0,65

0,71

0,76

0,83

0,89

 

 

 

 

 

 

 

 

 

29

0

0,3

0,33

0,36

0,38

0,4

0,42

0,44

10

0,35

0,38

0,41

0,44

0,47

0,51

0,53

15

0,38

0,41

0,45

0,49

0,52

0,56

0,6

20

0,42

0,47

0,51

0,55

0,6

0,64

0,69

25

0,5

0,55

0,61

0,66

0,72

0,78

0,84

 

 

 

 

 

 

 

 

 

30

0

0,29

0,32

0,34

0,37

0,39

0,41

0,43

10

0,33

0,36

0,4

0,43

0,46

0,49

0,52

15

0,36

0,4

0,43

0,47

0,51

0,54

0,58

20

0,4

0,44

0,48

0,53

0,57

0,62

0,66

25

0,47

0,52

0,57

0,62

0,68

0,73

0,79

30

0,75

0,83

0,91

1

1,1

1,21

1,33

 

 

 

 

 

 

 

 

 

31

0

0,28

0,31

0,33

0,36

0,38

0,4

0,42

10

0,32

0,35

0,38

0,41

0,44

0,47

0,5

15

0,34

0,38

0,42

0,45

0,49

0,52

0,56

20

0,38

0,42

0,46

0,5

0,55

0,59

0,64

25

0,44

0,49

0,54

0,59

0,64

0,7

0,75

30

0,58

0,65

0,72

0,78

0,86

0,94

1,04

 

 

 

 

 

 

 

 

 

32

0

0,27

0,29

0,32

0,34

0,37

0,39

0,41

10

0,3

0,33

0,37

0,4

0,43

0,46

0,14

15

0,33

0,36

0,4

0,43

0,47

0,51

0,54

20

0,36

0,4

0,44

0,48

0,53

0,57

0,61

25

0,41

0,46

0,51

0,56

0,61

0,66

0,72

30

0,52

0,58

0,64

0,71

0,78

0,85

0,94

 

 

 

 

 

 

 

 

 

33

0

0,26

0,28

0,31

0,33

0,36

0,38

0,4

10

0,29

0,32

0,35

0,38

0,41

0,44

0,47

15

0,31

0,35

0,38

0,42

0,45

0,49

0,52

20

0,34

0,38

0,42

0,46

0,5

0,55

0,59

25

0,39

0,43

0,48

0,53

0,58

0,63

0,69

30

0,47

0,53

0,59

0,65

0,72

0,79

0,86

 

 

 

 

 

 

 

 

 

34

0

0,24

0,27

0,3

0,32

0,34

0,37

0,38

10

0,28

0,31

0,34

0,37

0,4

0,43

0,46

15

0,3

0,33

0,37

0,1

0,44

0,47

0,51

20

0,32

0,36

0,4

0,44

0,48

0,53

0,57

25

0,36

0,41

0,45

0,5

0,55

0,6

0,66

30

0,44

0,49

0,55

0,61

0,67

0,74

0,81

 

 

 

 

 

 

 

 

 

35

0

0,23

0,26

0,29

0,31

0,33

0,35

0,37

10

0,26

0,29

0,32

0,36

0,39

0,41

0,44

15

0,28

0,32

0,35

0,39

0,42

0,45

0,49

20

0,31

0,35

0,38

0,42

0,46

0,5

0,55

25

0,34

0,39

0,43

0,48

0,53

0,58

0,63

30

0,4

0,46

0,51

0,57

0,63

0,69

0,76

35

0,67

0,76

0,85

0,95

1,06

1,18

1,32

 

 

 

 

 

 

 

 

 

36

0

0,22

0,25

0,28

0,3

0,32

0,34

0,36

10

0,25

0,28

0,31

0,34

0,37

0,4

0,43

15

0,27

0,3

0,34

0,37

0,41

0,44

0,47

20

0,29

0,33

0,37

0,41

0,45

0,49

0,53

25

0,32

0,37

0,41

0,46

0,5

0,55

0,6

30

0,38

0,43

0,48

0,53

0,59

0,65

0,72

35

0,51

0,58

0,65

0,73

0,81

0,9

1

 

 

 

 

 

 

 

 

 

37

0

0,21

0,24

0,27

0,29

0,31

0,33

0,35

10

0,24

0,27

0,3

0,33

0,36

0,39

0,42

15

0,26

0,29

0,32

0,36

0,42

0,43

0,46

20

0,28

0,31

0,35

0,39

0,43

0,48

0,51

25

0,3

0,35

0,39

0,43

0,48

0,53

0,58

30

0,35

0,4

0,45

0,5

0,56

0,62

0,68

35

0,45

0,51

0,58

0,65

0,73

0,81

0,9

 

 

 

 

 

 

 

 

 

38

0

0,21

0,23

0,26

0,28

0,3

0,32

0,34

10

0,23

0,26

0,29

0,32

0,35

0,38

0,4

15

0,24

0,28

0,31

0,34

0,37

0,41

0,44

20

0,26

0,3

0,34

0,37

0,41

0,45

0,49

25

0,29

0,33

0,37

0,41

0,46

0,51

0,55

30

0,33

0,37

0,42

0,48

0,53

0,59

0,65

35

0,4

0,46

0,53

0,59

0,66

0,74

0,82

 

 

 

 

 

 

 

 

 

39

0

0,2

0,22

0,25

0,27

0,29

0,31

0,33

10

0,22

0,25

0,28

0,31

0,34

0,36

0,39

15

0,23

0,26

0,3

0,33

0,36

0,4

0,43

20

0,25

0,28

0,32

0,36

0,4

0,43

0,47

25

0,27

0,31

0,35

0,4

0,44

0,48

0,53

30

0,31

0,35

0,4

0,45

0,5

0,56

0,62

35

0,37

0,43

0,49

0,55

0,62

0,69

0,77

 

 

 

 

 

 

 

 

 

40

0

0,19

0,21

0,24

0,26

0,28

0,3

0,32

10

0,21

0,24

0,26

0,29

0,32

0,35

0,38

15

0,22

0,25

0,28

0,32

0,35

0,38

0,41

20

0,24

0,27

0,31

0,34

0,38

0,42

0,46

25

0,26

0,3

0,34

0,38

0,42

0,47

0,51

30

0,29

0,33

0,38

0,43

0,48

0,53

0,59

35

0,34

0,39

0,45

0,51

0,57

0,64

0,72

40

0,59

0,68

0,77

0,88

1,00

1,14

1,29

Таблица 3

d = j

j, град.

r, град.

Значения коэффициента l при величине угли e, град, равном

0

5

10

15

20

25

30

35

15

0

0,5

0,52

0,54

0,55

0,57

0,58

0,58

0,59

10

0,63

0,66

0,69

0,71

0,74

0,76

0,79

0,81

15

0,93

0,98

1,02

1,07

1,12

1,18

1,24

1,32

 

 

 

 

 

 

 

 

 

 

16

0

0,48

0,5

0,52

0,53

0,54

0,56

0,56

0,57

10

0,6

0,62

0,65

0,68

0,71

0,73

0,75

0,77

15

0,76

0,8

0,84

0,88

0,92

0,96

1,01

1,05

 

 

 

 

 

 

 

 

 

 

17

0

0,46

0,48

0,5

0,51

0,52

0,54

0,54

0,55

10

0,57

0,6

0,62

0,65

0,67

0,7

0,72

0,74

15

0,7

0,73

0,77

0,81

0,84

0,88

0,92

0,96

 

 

 

 

 

 

 

 

 

 

18

0

0,44

0,46

0,48

0,49

0,51

0,52

0,52

0,53

10

0,54

0,57

0,59

0,62

0,64

0,67

0,69

0,71

15

0,65

0,68

0,72

0,75

0,79

0,82

0,86

0,9

 

 

 

 

 

 

 

 

 

 

19

0

0,42

0,44

0,46

0,47

0,49

0,5

0,51

0,51

10

0,51

0,54

0,57

0,59

0,62

0,64

0,66

0,68

15

0,6

0,64

0,67

0,71

0,74

0,78

0,81

0,84

 

 

 

 

 

 

 

 

 

 

20

0

0,4

0,42

0,44

0,46

0,47

0,48

0,49

0,49

10

0,49

0,51

0,54

0,57

0,59

0,61

0,63

0,65

15

0,57

0,6

0,63

0,67

0,7

0,73

0,77

0,8

20

0,88

0,94

1

1,06

1,13

1,21

1,29

1,39

 

 

 

 

 

 

 

 

 

 

21

0

0,38

0,4

0,42

0,44

0,45

0,46

0,47

0,47

10

0,46

0,49

0,52

0,54

0,57

0,59

0,61

0,62

15

0,53

0,57

0,6

0,63

0,67

0,7

0,72

0,75

20

0,7

0,75

0,8

0,84

0,9

0,95

1,01

1,07

 

 

 

 

 

 

 

 

 

 

22

0

0,37

0,39

0,41

0,42

0,44

0,45

0,45

0,46

10

0,44

0,47

0,49

0,52

0,54

0,56

0,58

0,6

15

0,5

0,54

0,57

0,6

0,63

0,66

0,69

0,72

20

0,63

0,68

0,72

0,77

0,81

0,86

0,91

0,96

 

 

 

 

 

 

 

 

 

 

23

0

0,35

0,37

0,39

0,41

0,42

0,43

0,44

0,44

10

0,42

0,45

0,47

0,5

0,52

0,54

0,56

0,57

15

0,48

0,51

0,54

0,57

0,6

0,63

0,66

0,68

20

0,58

0,62

0,67

0,71

0,75

0,79

0,84

0,88

 

 

 

 

 

 

 

 

 

 

24

0

0,34

0,36

0,38

0,39

0,4

0,41

0,42

0,42

10

0,4

0,43

0,45

0,48

0,5

0,52

0,54

0,55

15

0,45

0,48

0,51

0,54

0,57

0,6

0,63

0,65

20

0,54

0,58

0,62

0,66

0,7

0,74

0,78

0,82

 

 

 

 

 

 

 

 

 

 

25

0

0,32

0,34

0,36

0,38

0,39

0,4

0,41

0,41

10

0,38

0,41

0,43

0,46

0,48

0,5

0,51

0,52

15

0,42

0,46

0,49

0,52

0,55

0,57

0,6

0,62

20

0,5

0,54

0,58

0,62

0,66

0,7

0,73

0,77

25

0,82

0,89

0,96

1,04

1,12

1,22

1,32

1,45

 

 

 

 

 

 

 

 

 

 

26

0

0,31

0,33

0,35

0,36

0,38

0,38

0,39

0,39

10

0,36

0,39

0,41

0,44

0,46

0,48

0,49

0,5

15

0,4

0,43

0,46

0,49

0,52

0,55

0,57

0,57

20

0,47

0,51

0,55

0,58

0,62

0,66

0,69

0,72

25

0,63

0,69

0,74

0,8

0,86

0,92

0,99

1,06

30

0,56

0,62

0,68

0,75

0,83

0,88

0,97

1,04

 

 

 

 

 

 

 

 

 

 

27

0

0,29

0,31

0,33

0,35

0,36

0,37

0,38

0,38

10

0,34

0,37

0,4

0,42

0,44

0,46

0,47

0,48

15

0,38

0,41

0,44

0,47

0,5

0,52

0,54

0,56

20

0,44

0,48

0,51

0,55

0,59

0,62

0,65

0,68

25

0,56

0,61

0,66

0,72

0,77

0,83

0,88

0,91

 

 

 

 

 

 

 

 

 

 

28

0

0,28

0,3

0,32

0,33

0,35

0,36

0,36

0,36

10

0,33

0,35

0,38

0,4

0,42

0,44

0,45

0,46

15

0,36

0,39

0,42

0,45

0,47

0,5

0,52

0,53

20

0,41

0,45

0,49

0,52

0,55

0,59

0,62

0,64

25

0,51

0,56

0,61

0,66

0,71

0,75

0,8

0,85

 

 

 

 

 

 

 

 

 

 

29

0

0,27

0,29

0,31

0,32

0,33

0,34

0,35

0,34

10

0,31

0,34

0,36

0,38

0,4

0,42

0,43

0,44

15

0,34

0,37

0,4

0,43

0,45

0,48

0,48

0,51

20

0,39

0,42

0,46

0,49

0,53

0,56

0,58

0,61

25

0,47

0,52

0,56

0,61

0,65

0,7

0,74

0,78

 

 

 

 

 

 

 

 

 

 

30

0

0,26

0,28

0,29

0,31

0,32

0,33

0,33

0,33

10

0,3

0,32

0,35

0,37

0,39

0,4

0,41

0,42

15

0,33

0,35

0,38

0,41

0,43

0,46

0,47

0,48

20

0,37

0,4

0,44

0,47

0,5

0,53

0,55

0,57

25

0,44

0,48

0,52

0,57

0,61

0,65

0,69

0,73

30

0,75

0,83

0,91

1

1,1

1,21

1,33

1,48

 

 

 

 

 

 

 

 

 

 

31

0

0,25

0,27

0,28

0,3

0,31

0,32

0,32

0,32

10

0,28

0,31

0,33

0,35

0,37

0,39

0,4

0,4

15

0,31

0,34

0,37

0,39

0,41

0,43

0,45

0,46

20

0,35

0,38

0,41

0,44

0,47

0,5

0,52

0,54

25

0,41

0,45

0,49

0,53

0,57

0,61

0,65

0,68

 

 

 

 

 

 

 

 

 

 

32

0

0,23

0,25

0,27

0,29

0,3

0,31

0,31

0,3

10

0,27

0,29

0,32

0,31

0,36

0,37

0,38

0,38

15

0,29

0,32

0,35

0,37

0,4

0,42

0,43

0,44

20

0,33

0,36

0,39

0,42

0,45

0,48

0,5

0,51

25

0,38

0,42

0,46

0,5

0,54

0,57

0,61

0,63

30

0,49

0,55

0,6

0,66

0,72

0,78

0,84

0,9

 

 

 

 

 

 

 

 

 

 

33

0

0,22

0,24

0,26

0,27

0,29

0,29

0,29

0,29

10

0,26

0,28

0,3

0,32

0,34

0,35

0,36

0,36

15

0,28

0,31

0,33

0,36

0,38

0,4

0,41

0,41

20

0,31

0,34

0,37

0,4

0,43

0,45

0,47

0,48

25

0,35

0,39

0,43

0,47

0,5

0,54

0,57

0,59

30

0,45

0,5

0,55

0,6

0,65

0,71

0,76

0,8

 

 

 

 

 

 

 

 

 

 

34

0

0,21

0,23

0,25

0,26

0,28

0,28

0,28

0,27

10

0,24

0,27

0,29

0,31

0,33

0,34

0,35

0,34

15

0,26

0,29

0,32

0,34

0,36

0,38

0,39

0,39

20

0,29

0,32

0,35

0,38

0,41

0,43

0,45

0,46

25

0,33

0,37

0,41

0,44

0,48

0,51

0,53

0,55

30

0,41

0,45

0,5

0,55

0,6

0,65

0,69

0,73

 

 

 

 

 

 

 

 

 

 

35

0

0,2

0,22

0,24

0,25

0,26

0,27

0,27

0,26

10

0,23

0,26

0,28

0,3

0,31

0,33

0,33

0,33

15

0,25

0,28

0,3

0,32

0,35

0,36

0,37

0,37

20

0,28

0,31

0,33

0,36

0,39

0,41

0,43

0,43

25

0,31

0,35

0,38

0,42

0,45

0,48

0,5

0,52

30

0,37

0,42

0,46

0,51

0,55

0,6

0,64

0,67

35

0,67

0,76

0,85

0,95

1,06

1,18

1,32

1,49

 

 

 

 

 

 

 

 

 

 

36

0

0,19

0,21

0,23

0,24

0,25

0,26

0,26

0,25

10

0,22

0,24

0,26

0,28

0,3

0,31

0,32

0,31

15

0,24

0,26

0,29

0,31

0,33

0,34

0,35

0,35

20

0,26

0,29

0,32

0,34

0,37

0,39

0,4

0,41

25

0,29

0,33

0,36

0,39

0,42

0,45

0,47

0,49

30

0,35

0,39

0,43

0,47

0,52

0,56

0,59

0,62

35

0,49

0,55

0,62

0,68

0,78

0,83

0,91

0,99

 

 

 

 

 

 

 

 

 

 

37

0

0,19

0,2

0,22

0,23

0,24

0,25

0,25

0,24

10

0,21

0,23

0,25

0,27

0,29

0,3

0,3

0,29

15

0,23

0,25

0,27

0,3

0,31

0,33

0,34

0,33

20

0,25

0,27

0,3

0,33

0,35

0,37

0,38

0,38

25

0,27

0,31

0,34

0,37

0,4

0,43

0,45

0,45

30

0,32

0,36

0,4

0,44

0,48

0,52

0,55

0,57

35

0,42

0,48

0,54

0,6

0,66

0,72

0,79

0,84

 

 

 

 

 

 

 

 

 

 

38

0

0,18

0,2

0,21

0,22

0,23

0,24

0,24

0,22

10

0,2

0,22

0,24

0,26

0,27

0,28

0,29

0,28

15

0,21

0,24

0,26

0,28

0,3

0,31

0,32

0,31

20

0,23

0,26

0,29

0,31

0,33

0,35

0,36

0,36

25

0,26

0,29

0,32

0,35

0,38

0,4

0,42

0,42

30

0,3

0,34

0,38

0,41

0,45

0,48

0,51

0,53

35

0,38

0,43

0,48

0,54

0,59

0,65

0,7

0,74

 

 

 

 

 

 

 

 

 

 

39

0

0,17

0,19

0,2

0,21

0,22

0,23

0,22

0,21

10

0,19

0,21

0,23

0,25

0,26

0,27

0,27

0,26

15

0,2

0,23

0,25

0,27

0,29

0,3

0,3

0,3

20

0,22

0,25

0,27

0,3

0,32

0,33

0,34

0,34

25

0,24

0,27

0,3

0,33

0,36

0,38

0,39

0,4

30

0,28

0,31

0,35

0,39

0,42

0,45

0,48

0,49

35

0,34

0,39

0,44

0,49

0,54

0,59

0,63

0,66

 

 

 

 

 

 

 

 

 

 

40

0

0,16

0,18

0,19

0,21

0,21

0,22

0,21

0,2

10

0,18

0,2

0,22

0,24

0,25

0,26

0,26

0,25

15

0,19

0,21

0,24

0,26

0,27

0,28

0,29

0,28

20

0,21

0,23

0,26

0,28

0,3

0,32

0,32

0,32

25

0,23

0,26

0,29

0,32

0,34

0,36

0,37

0,37

30

0,26

0,29

0,33

0,36

0,4

0,42

0,44

0,45

35

0,31

0,36

0,4

0,45

0,5

0,54

0,57

0,6

40

0,59

0,68

0,77

0,88

1

1,14

1,29

1,48

ПРИЛОЖЕНИЕ 3

ТАБЛИЦА ЗНАЧЕНИЙ ТРИГОНОМЕТРИЧЕСКИХ ФУНКЦИИ

Угол, град

Синус

Косинус

Тангенс

Угол, град

Синус

Косинус

Тангенс

0

0

1

0

43

0,682

0,7314

0,9325

1

0,0175

0,9998

0,0175

 

 

 

 

2

0,0349

0,9994

0,0349

44

0,6947

0,7193

0,9657

3

0,0523

0,9986

0,0524

45

0,7071

0,7071

1

 

 

 

 

46

0,7193

0,6947

1,0355

4

0,0698

0,9976

0,0699

47

0,7314

0,682

1,0724

5

0,0872

0,9962

0,0875

 

 

 

 

6

0,1045

0,9945

0,1051

48

0,7431

0,6691

1,1106

7

0,1219

0,9925

0,1288

49

0,7547

0,6561

1,1504

 

 

 

 

50

0,766

0,6128

1,1918

8

0,1392

0,9903

0,1405

51

0,7771

0,6293

1,2349

9

0,1564

0,9877

0,1584

 

 

 

 

10

0,1736

0,9848

0,1763

52

0,788

0,6157

1,2799

11

0,1908

0,9816

0,1944

53

0,7986

0,6018

1,327

 

 

 

 

54

0,809

0,5878

1,3764

12

0,2079

0,9781

0,2126

55

0,8192

0,5736

1,4281

13

0,225

0,9744

0,2309

 

 

 

 

14

0,2419

0,9703

0,2493

56

0,829

0,5592

1,4826

15

0,2588

0,9659

0,2679

57

0,8387

0,5446

1,5399

 

 

 

 

58

0,818

0,5299

1,6003

16

0,2756

0,9613

0,2867

59

0,8572

0,515

1,6643

17

0,2924

0,9563

0,3057

 

 

 

 

18

0,309

0,9511

0,3249

60

0,866

0,5

1,732

19

0,3256

0,9455

0,3443

61

0,8746

0,4848

1,804

 

 

 

 

62

0,8829

0,4695

1,881

20

0,342

0,9397

0,364

63

0,891

0,454

1,963

21

0,3584

0,9336

0,3839

 

 

 

 

22

0,3746

0,9272

0,404

64

0,8988

0,4384

2,05

23

0,3907

0,9205

0,4245

65

0,9063

0,4226

2,145

 

 

 

 

66

0,9135

0,4067

2,246

24

0,4067

0,9135

0,4452

67

0,9205

0,3907

2,356

25

0,4226

0,9063

0,4663

 

 

 

 

26

0,4384

0,8988

0,4877

68

0,9272

0,3746

2,475

27

0,454

0,891

0,5095

69

0,9336

0,3584

2,605

 

 

 

 

70

1,9397

0,342

2,747

28

0,4695

0,8829

0,5317

71

0,9455

0,3256

2,904

29

0,4848

0,8746

0,5543

 

 

 

 

30

0,5

0,866

0,5774

72

0,9511

0,309

3,078

31

0,515

0,8572

0,6009

73

0,9563

0,2924

3,271

 

 

 

 

74

0,9613

0,2756

3,487

32

0,5299

0,848

0,6249

75

0,9659

0,2588

3,732

33

0,5446

0,8387

0,6494

 

 

 

 

34

0,5592

0,829

0,6745

76

0,9703

0,2419

4,011

35

0,5736

0,8192

0,7002

77

0,9744

0,225

4,331

 

 

 

 

78

0,9781

0,2079

4,705

36

0,5878

0,809

0,7265

79

0,9816

0,1908

5,145

37

0,6018

0,7986

0,7536

 

 

 

 

38

0,6157

0,788

0,7813

 

 

 

 

39

0,6293

0,7771

0,8098

80

0,9848

0,1736

5,671

 

 

 

 

81

0,9877

0,1564

6,314

40

0,6428

0,766

0,8391

82

0,9903

0,1392

7,115

41

0,0561

0,7547

0,8693

83

0,9925

0,1219

8,141

42

0,6691

0,7431

0,9004

 

 

 

 

 84

0,9945

0,1045

9,514

 

 

 

 

85

0,9962

0,0872

11,43

88

0,9994

0,0349

28,64

86

0,9976

0,0698

14,3

89

0,9998

0,0175

57,29

87

0,9986

0,0523

19,08

90

1

0

¥

ПРИЛОЖЕНИЕ 4

КЛАССЫ СТЕПЕНИ ОТВЕТСТВЕННОСТИ ЗДАНИЙ И СООРУЖЕНИЙ

Класс I. Основные здания и сооружения объектов, имеющих особо важное народнохозяйственное и (или) социальное значение, такие, как: главные корпуса ТЭС, АЭС, центральные узлы доменных печей, дымовые трубы высотой более 200 м, телевизионные башни, сооружения магистральной первичной сети ЕАСС, резервуары для нефти и нефтепродуктов вместимостью более 10 тыс.м3, крытые спортивные сооружении с трибунами, здания театров, кинотеатров, цирков, крытых рынков, учебных заведений, детских дошкольных учреждений, больниц, родильных домов, музеев, государственных архивов и т.п.

Класс II. Здания и сооружения объектов, имеющих важное народнохозяйственное и (или) социальное значение (объекты промышленного, сельскохозяйственного, жилищно-гражданского назначения и объекты связи, не вошедшие в I и III классы),

Класс III. Здания и сооружения объектов, имеющих ограниченное народнохозяйственное и (или) социальное значение, такие, как: склады без процессов сортировки и упаковки для хранения сельскохозяйственных продуктов, удобрений, химикатов, угля, торфа и др., теплицы, парники, одноэтажные жилые дома, опоры проводной связи, опоры освещения населенных пунктов, ограды, временные здания и сооружения,

ПРИЛОЖЕНИЕ 5

НОРМАТИВНЫЕ ЗНАЧЕНИЯ ПРОЧНОСТИ И ДЕФОРМАТИВНЫХ ХАРАКТЕРИСТИК ГРУНТА

Таблица 1

Нормативные значения удельного сцепления сn, кПа (кгс/см2), угла внутреннего трения jn, град, и модуля деформации Е, МПа (кгс/см2), песчаных грунтов четвертичных отложений

Песчаные грунты

Обозначения характеристик грунтов

Характеристики грунтов при коэффициенте пористости е, равном

0,45

0,55

0,65

0,75

Гравелистные и крупные

сn

2(0,02)

1(0,01)

-

-

jn

43

40

38

-

Е

50(500)

40(400)

30(300)

-

Средней крупности

сn

3(0,03)

2(0,02)

1(0,01)

-

jn

40

38

35

-

Е

50(500)

40(400)

30(300)

-

Мелкие

cn

6(0,06)

4(0,04)

2(0,02)

-

jn

38

36

32

28

E

48(480)

38(380)

28(280)

18(180)

Пылеватые

cn

8(0,08)

6(0,06)

4(0,04)

2(0,02)

jn

36

34

30

26

Е

39(390)

28(280)

18(180)

11(100)

Примечание. Для грунтов с промежуточными значениями е, указанными в табл. 1, допускается определять значения сn, jn, Е по интерполяции.


Таблица 2

Нормативные значения удельного сцеплении сn, кПа (кгс/см2), угла внутреннего трения jn, град, пылевато-глинистых нелессовых грунтов четвертичных отложений

Наименование грунта и пределы нормативных значений показателя  текучести IL

Обозначения характеристик грунтов

Характеристики грунтов при коэффициенте пористости e, равном

0,45

0,55

0,65

0,75

0,85

0,95

1,05

Супеси

0 £ IL £ 0,25

cn

21(0,21)

17(0,17)

15(0,15)

13(0,13)

-

-

-

jn

30

29

27

24

-

-

-

0,25 < IL £ 0,75

cn

19(0,19)

15(0,15)

13(0,13)

11(0,11)

9(0,09)

-

 

jn

28

26

24

21

18

-

-

Суглинки

0 < IL £ 0,25

cn

47(0,47)

37(0,37)

31(0,31)

25(0,25)

22(0,22)

19(0,19)

-

jn

26

25

24

23

22

20

-

0,25 < IL £ 0,5

cn

39(0,39)

34(0,34)

28(0,28)

23(0,23)

18(0,18)

15(0,15)

-

jn

24

23

22

21

19

17

-

0,5 < IL £ 0,75

cn

-

-

25(0,25)

20(0,2)

16(0,16)

14(0,14)

12(0,12)

jn

-

-

19

18

16

14

12

Глины

0 < IL £ 0,25

cn

 

81(0,81)

68 (0,68)

54(0,54)

47(0,47)

41(0,41)

36(0,36)

jn

-

21

20

19

18

16

14

0,25 < IL £ 0,5

cn

-

-

57(0,57)

50(0,5)

43(0,43)

37(0,37)

32(0,32)

jn

-

-

18

17

16

14

11

0,5 < IL £ 0,75

cn

 

 

45(0,45)

41(0,41)

36(0,36)

33(0,33)

29(0,29)

jn

-

-

15

14

12

10

7

Примечания: 1. Характеристики пылевато-глинистых грунтов в табл. 2 относятся к грунтам, содержащим не более 5 % органического вещества и имеющим степень влажности Sr ³ 0,8.

2. Для грунтов с промежуточными значениями e, указанными в табл. 2, допускается определять значения cn и jn по интерполяции.

Таблица 3

Нормативные значения модуля деформации пылевато-глинистых нелёссовых грунтов

Происхождение и возраст грунтов

Наименование грунта и пределы нормативных значений показателя текучести IL

Модуль деформации грунтов Е, МПа (кгс/см2), при коэффициенте пористости е, равном

0,35

0,45

0,55

0,65

0,75

0,85

0,95

1,05

1,2

1,4

1,6

Аллювиальные, делювиальные, озерные, озерно-аллювиальные

Супеси

0 £ IL £ 0,75

-

32(320)

24(240)

16(160)

10(100)

7(70)

-

-

-

-

-

Суглинки

0£ IL £ 0,25

-

34(340)

27(270)

22(220)

17(170)

14(140)

11(110)

-

-

-

-

0,25 < IL £ 0,5

-

32(320)

25(250)

19(190)

14(140)

11(110)

8(80)

-

-

-

-

0,5 < IL £ 0,75

-

-

-

17(170)

12(120)

8(80)

6(60)

5(50)

-

-

-

Глины

0 £ IL £ 0,25

-

-

28(280)

24(240)

21(210)

18(180)

15(150)

12(120)

-

-

-

0,25 < IL £ 0,5

-

-

-

21(210)

18(180)

15(150)

12(120)

9(90)

-

-

-

0,5 < IL £ 0,75

-

-

-

-

15(150)

12(120)

9(90)

7(70)

-

-

-

Флювиогляциальные

Супеси

0 £ IL £ 0,75

-

33(330)

24(240)

17(170)

11(110)

7(70)

-

-

-

-

-

Суглинки

0 £ IL £ 0,25

-

40(400)

33(330)

27(270)

21(210)

-

-

-

-

-

-

0,25 < IL £ 0,5

-

35(350)

28(280)

22(220)

17(170)

14(140)

-

-

-

-

-

0,5 < IL £ 0,75

-

-

-

17(170)

13(130)

10(100)

7(70)

-

-

-

-

Моренные

Супеси, суглинки

IL £ 0,5

75(750)

55(550)

45(450)

-

-

-

-

-

-

-

-

Юрские отложения оксфордского яруса

Глины

-0,25 £ IL £ 0

-

-

-

-

-

-

27(270)

25(250)

22(220)

-

-

0 <  IL £ 0,25

-

-

-

-

-

-

24(240)

22(220)

19(190)

15(150)

-

0,25 < IL £ 0,5

-

-

-

-

-

-

-

-

16(160)

12(120)

10(100)

Примечание. Для грунтов с промежуточными значениями е, указанными в табл. 3, допускается определять значение Е по интерполяции.


ПРИЛОЖЕНИЕ 6

ОСНОВНЫЕ БУКВЕННЫЕ ОБОЗНАЧЕНИЯ

Характеристики грунта

g - удельный вес;

gI, gII - удельный вес ненарушенного сложения соответственно для предельных состояний первой и второй группы;

g¢ - удельный вес засыпки;

g¢I, g¢II - удельный вес засыпки соответственно для предельных состояний первой и второй группы;

j - угол внутреннего трения;

jI, jII - угол внутреннего трения ненарушенного сложения соответственно для предельных состояний первой и второй группы;

j¢I, j¢II - угол внутреннего трения засыпки соответственно для предельных состояний первой и второй группы;

с - удельное сцепление;

сI, cII - удельное сцепление ненарушенного сложения соответственно для предельных состояний первой и второй группы;

с¢I, c¢II - удельное сцепление засыпки соответственно для предельных состояний первой и второй группы;

е - коэффициент пористости;

Е, Е¢ - модуль деформации соответственно основания и засыпки;

Rc - расчетное значение предела прочности на одноосное сжатие скального грунта;

R - расчетное сопротивление грунта основания.

Геометрические характеристики

у - расстояние от поверхности грунта до рассматриваемого сечения;

ус - расстояние от верха конструкции до рассматриваемого сечения;

b - ширина подошвы фундамента;

b¢ - приведенная ширина подошвы фундамента;

А - площадь подошвы фундамента;

h - расстояние от поверхности грунта до подошвы фундамента;

hw - расстояние от низа сооружения до расчетного уровня грунтовых вод;

hr - высота слоя грунта при учете пассивного сопротивления;

e - угол наклона расчетной плоскости к вертикали;

r - угол наклона поверхности засыпки к горизонтали;

b - угол наклона поверхности скольжения к горизонтали;

q0 - угол наклона плоскости скольжения к вертикали.

Нагрузки, сопротивления

М - изгибающий момент;

Q - поперечная сила;

N - нормальная сила;

Fsa - сдвигающая сила;

Fsr - удерживающая сила;

Fv - сумма проекции всех сил на вертикальную плоскость;

Nu - вертикальная составляющая силы предельного сопротивления основания;

Р, Рv - интенсивность давления грунта соответственно горизонтального и вертикального;

G - вес конструкции, грунта, временная нагрузка и т.д.;

Еr - горизонтальная составляющая пассивного сопротивления грунта;

q - интенсивность равномерно-распределенной нагрузки;

р, pmax, pmin - давление под подошвой фундамента соответственно среднее, максимальное, минимальное.

Прочие характеристики

gwn - нормативный удельный вес воды;

Eb - модуль упругости бетона;

I - момент инерции сечения;

е - эксцентриситет приложения силы.

 

 




ГОСТЫ, СТРОИТЕЛЬНЫЕ и ТЕХНИЧЕСКИЕ НОРМАТИВЫ.
Некоммерческая онлайн система, содержащая все Российские Госты, национальные Стандарты и нормативы.
В Системе содержится более 150000 файлов нормативно-технической документации, действующей на территории РФ.
Система предназначена для широкого круга инженерно-технических специалистов.

Рейтинг@Mail.ru Яндекс цитирования

Copyright © www.gostrf.com, 2008 - 2026