Крупнейшая бесплатная информационно-справочная система онлайн доступа к полному собранию технических нормативно-правовых актов РФ. Огромная база технических нормативов (более 150 тысяч документов) и полное собрание национальных стандартов, аутентичное официальной базе Госстандарта. GOSTRF.com - это более 1 Терабайта бесплатной технической информации для всех пользователей интернета. Все электронные копии представленных здесь документов могут распространяться без каких-либо ограничений. Поощряется распространение информации с этого сайта на любых других ресурсах. Каждый человек имеет право на неограниченный доступ к этим документам! Каждый человек имеет право на знание требований, изложенных в данных нормативно-правовых актах!

  


 

ГОСУДАРСТВЕННЫЕ СТАНДАРТЫ СОЮЗА ССР

СОЕДИНИТЕЛЬНЫЕ
И КРЕПЕЖНЫЕ ДЕТАЛИ
СТЕКЛЯННЫХ ТРУБОПРОВОДОВ

ПАТРУБКИ

КОНСТРУКЦИЯ

ГОСТ 24190-80

ГОСУДАРСТВЕННЫЙ КОМИТЕТ СССР ПО СТАНДАРТАМ

МОСКВА

ГОСУДАРСТВЕННЫЙ СТАНДАРТ СОЮЗА ССР

ПАТРУБКИ

Конструкция

Branch pipes.

Design

ГОСТ
24190-80

Дата введения 01.07.91

Несоблюдение стандарта преследуется по закону

1. Настоящий стандарт распространяется на патрубки, применяемые при монтаже стеклянных трубопроводов.

Требования настоящего стандарта являются обязательными.

(Измененная редакция, Изм. № 3).

2. Патрубки должны быть изготовлены двух типов:

1 - для соединения стеклянных трубопроводов;

2 - для соединения стеклянных трубопроводов кровельного отопления к металлическим трубопроводам.

Патрубки типа 1 должны изготовляться 2-х исполнений.

(Новая редакция, Изм. № 3).

3. Конструкция и основные размеры патрубков типа 1 должны соответствовать указанным на черт. 1 и в табл. 1.

Тип 1

Исполнение 1

Исполнение 2

* Размеры для справок.

1 - переходник; 2 - штуцер; 3 - накидная гайка; 4 - заглушка; 5 - прокладка

Черт. 1

Таблица 1

Размеры в мм

Условный проход Dу

Наружный диаметр трубы Dн

L

Масса, кг, не более

для исполнения

1

2

1

2

40

45

174

90

0,40

0,4

50

67

195

101

0,90

0,7

80

93

215

102

1,55

1,1

100

122

255

131

2,75

2,0

150

169

-

155

-

4,9

Пример условного обозначения патрубка для трубы наружным диаметром Dн = 45 мм тип 1 исполнения 1:

Патрубок 1-1-45 ГОСТ 24190-80

То же, исполнения 2:

Патрубок 1-2-45 ГОСТ 24190-80

(Измененная редакция, Изм. № 3).

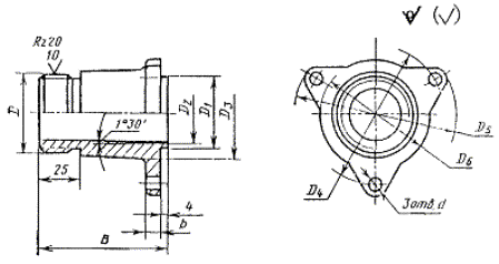
4. Конструкция и основные размеры переходника должны соответствовать указанным на черт. 2 и в табл. 2.

Для труб Dн = 45 мм

Для труб Dн = 67, 93, 122 мм

Для труб Dн = 169 мм

Черт. 2

Таблица 2

Размеры в мм

Условный проход Dу

Наружный диаметр трубы Dн

D

D1

D2

D3

D4

D5

D6

d

B

b

Масса, кг, не более

40

45

М48´2

45

35

50

88

102

68

7,6

80

9

0,28

50

67

М68´3

67

56

70

120

144

95

10,1

90

10

0,49

80

93

М95´3

93

81

96

148

172

116

11

0,70

100

122

M125´3

122

107

130

180

204

148

120

1,65

150

169

M170´3

169

152

175

250

280

186

12,1

140

12

3,50

Пример условного обозначения переходника для трубы наружным диаметром Dн = 45 мм:

Переходник 45 ГОСТ 24190-80

5. Конструкция и основные размеры штуцера должны соответствовать указанным на черт. 3 и в табл. 3.

Черт. 3

Таблица 3

Размеры в мм

Условный проход Dу

Наружный диаметр трубы Dн

D

D1

D2 = D3

D4

L

S

a = а1

Масса, кг, не более

40

45

45

28

34

36

90

4

10

0,10

50

67

64

46

52

54

100

5

14

0,25

80

93

90

69

79

82

120

15

0,63

100

122

120

94

106

110

130

1,10

Пример условного обозначения штуцера для трубы наружным диаметром Dн = 45 мм:

Штуцер 45 ГОСТ 24190-80

6. Конструкция и основные размеры накидной гайки должны соответствовать указанным на черт. 4 и в табл. 4.

Черт. 4

Таблица 4

Размеры в мм

Условный проход Dу

Наружный диаметр трубы Dн

D

D1

D2

D3

B

b

Масса, кг, не более

40

45

М48´2

58

68

37

29

23

0,065

50

67

М68´3

80

90

55

0,150

80

93

М95´3

100

116

83

32

25

0,220

100

122

M125´3

137

147

112

0,300

Пример условного обозначения накидной гайки для трубы наружным диаметром Dн = 45 мм:

Гайка 45 ГОСТ 24190-80

7. Конструкция и основные размеры заглушки должны соответствовать указанным на черт. 5 и в табл. 5.

Черт. 5

Таблица 5

Размеры в мм

Условный проход Dу

Наружный диаметр трубы Dн

D

D1

D2

B

b

Масса, кг, не более

40

45

М48´2

58

68

29

23

0,09

50

67

М68´3

80

90

0,19

80

93

М95´3

106

116

32

25

0,30

100

122

М125´3

137

147

26

0,43

150

169

M170´3

190

200

45

35

1,35

Пример условного обозначения заглушки для трубы наружным диаметром Dн = 45 мм:

Заглушка 45 ГОСТ 24190-80

3 - 7. (Измененная редакция, Изм. № 1).

8. Конструкция и размеры прокладок должны соответствовать указанным на черт. 6 и в табл. 6.

Черт. 6

Таблица 6

Размеры в мм

Условный проход Dу

Наружный диаметр трубы Dн

D

d

Н

Масса, кг, не более

40

45

44

35

4

0,006

50

67

64

53

5

0,008

80

93

90

81

0,016

100

122

120

108

0,020

150

169

167

155

0,022

Пример условного обозначения прокладки для трубы наружным диаметром Dн = 45 мм:

Прокладка 45 ГОСТ 24190-80

9. Детали патрубка должны быть изготовлены: переходник, штуцер, накидная гайка, заглушка - из алюминиевого сплава марки АК7 по ГОСТ 2685-75, а прокладки - из резины по рабочим чертежам, утвержденным в установленном порядке.

Сталь Ст.3 ГОСТ 380-88.

(Измененная редакция, Изм. № 3).

9a. Конструкция и основные размеры патрубков типа 2 должны соответствовать указанным на черт. 7 и в табл. 7.

Тип 2

Черт. 7

Таблица 7

Размеры в мм

Для труб условным диаметром Dу

D

А

В

d

Масса, кг, не более

40

88

136,6

78

8

1,1

50

120

156,6

120

10

2,3

Пример условного обозначения патрубка типа 2 для трубы Dy = 40 мм:

Патрубок 2-40 ГОСТ 24190-80.

(Введен дополнительно, Изм. № 3).

10. Технические требования - по ГОСТ 24201-80.

11. Коды ОКП приведены в приложении.

(Введен дополнительно, Изм. № 3).

ПРИЛОЖЕНИЕ

Справочное

Условное обозначение

Код ОКП и контрольное число

патрубка

прокладки

1-1-45

-

48 3473 0001 09

1-2-45

-

48 3473 0002 08

1-1-67

-

48 3473 0003 07

1-2-67

-

48 3473 0004 06

1-1-93

-

48 3473 0005 05

1-2-93

-

48 3473 0006 04

1-1-122

-

48 3473 0007 03

1-2-122

-

48 3473 0008 02

1-2-169

-

48 3473 0009 01

-

45

25 3167 0801 06

-

67

25 3167 0802 05

-

93

25 3167 0803 04

-

122

25 3167 0804 03

-

169

25 3167 0805 02

2-40

-

48 3475 0047 09

2-50

-

48 3475 0048 08

(Введено дополнительно, Изм. № 1).

(Измененная редакция, Изм. № 3).

ИНФОРМАЦИОННЫЕ ДАННЫЕ

1. РАЗРАБОТАН И ВНЕСЕН Министерством монтажных и специальных строительных работ СССР

ИСПОЛНИТЕЛИ

М.Г. Скакунов, д-р техн. наук; В.И. Каптелов; Н.Н. Куликов; Р.И. Шарунова

2. УТВЕРЖДЕН И ВВЕДЕН В ДЕЙСТВИЕ Постановлением Государственного комитета СССР по стандартам от 22.05.80 № 2306

3. ВЗАМЕН ГОСТ 19696-74, ГОСТ 15919-74, ГОСТ 15920-74, ГОСТ 15921-74, ГОСТ 15922-74, ГОСТ 15923-74

4. Срок проверки - 1 квартал 1990 г.; периодичность проверки - 5 лет.

5. ССЫЛОЧНЫЕ НОРМАТИВНО-ТЕХНИЧЕСКИЕ ДОКУМЕНТЫ

Обозначение НТД, на который дана ссылка

Номер пункта

ГОСТ 2685-75

9

ГОСТ 24201-80

10

6. ПЕРЕИЗДАНИЕ (май 1988 г.) с Изменениями № 1, 2, утвержденными в сентябре 1982 г., в январе 1988 г. (ИУС 1-83, 4-88).

Снято ограничение срока действия Постановлением Госстандарта СССР от 28.01.88 № 155.

 




ГОСТЫ, СТРОИТЕЛЬНЫЕ и ТЕХНИЧЕСКИЕ НОРМАТИВЫ.
Некоммерческая онлайн система, содержащая все Российские Госты, национальные Стандарты и нормативы.
В Системе содержится более 150000 файлов нормативно-технической документации, действующей на территории РФ.
Система предназначена для широкого круга инженерно-технических специалистов.

Рейтинг@Mail.ru Яндекс цитирования

Copyright © www.gostrf.com, 2008 - 2026