Крупнейшая бесплатная информационно-справочная система онлайн доступа к полному собранию технических нормативно-правовых актов РФ. Огромная база технических нормативов (более 150 тысяч документов) и полное собрание национальных стандартов, аутентичное официальной базе Госстандарта. GOSTRF.com - это более 1 Терабайта бесплатной технической информации для всех пользователей интернета. Все электронные копии представленных здесь документов могут распространяться без каких-либо ограничений. Поощряется распространение информации с этого сайта на любых других ресурсах. Каждый человек имеет право на неограниченный доступ к этим документам! Каждый человек имеет право на знание требований, изложенных в данных нормативно-правовых актах!

  


 

ГОСТ 28608-90
(МЭК 115-1-82)

МЕЖГОСУДАРСТВЕННЫЙ СТАНДАРТ

РЕЗИСТОРЫ ПОСТОЯННЫЕ ДЛЯ ЭЛЕКТРОННОЙ АППАРАТУРЫ

Часть 1

ОБЩИЕ ТЕХНИЧЕСКИЕ УСЛОВИЯ

Москва
Стандартинформ
2005

СОДЕРЖАНИЕ

1. ОБЛАСТЬ ПРИМЕНЕНИЯ

2. ОБЩИЕ ПОЛОЖЕНИЯ

3. ПОРЯДОК СЕРТИФИКАЦИИ

4. МЕТОДИКИ ИСПЫТАНИЙ И ИЗМЕРЕНИЙ

ПРИЛОЖЕНИЕ А Обязательное ПОЯСНЕНИЯ К ПРАВИЛАМ И ПЛАНАМ ВЫБОРОЧНОГО КОНТРОЛЯ, УСТАНОВЛЕННЫМ В МЭК 410 ДЛЯ ПРИМЕНЕНИЯ В РАМКАХ СИСТЕМЫ СЕРТИФИКАЦИИ ИЗДЕЛИЙ ЭЛЕКТРОННОЙ ТЕХНИКИ МЭК

ПРИЛОЖЕНИЕ В Обязательное ПРАВИЛА РАЗРАБОТКИ ТУ НА КОНКРЕТНЫЕ ТИПЫ КОНДЕНСАТОРОВ И РЕЗИСТОРОВ ДЛЯ ЭЛЕКТРОННОЙ АППАРАТУРЫ

ПРИЛОЖЕНИЕ C (Обязательное) ПРИМЕР ИСПЫТАТЕЛЬНОЙ УСТАНОВКИ ДЛЯ ИСПЫТАНИЯ НА ПЕРЕГРУЗКУ СЕРИЕЙ ИМПУЛЬСОВ ВЫСОКОГО НАПРЯЖЕНИЯ

ПРИЛОЖЕНИЕ D Обязательное ПОРЯДОК ВВЕДЕНИЯ СТАНДАРТА В ДЕЙСТВИЕ

ИНФОРМАЦИОННЫЕ ДАННЫЕ

 

МЕЖГОСУДАРСТВЕННЫЙ СТАНДАРТ

МЕЖГОСУДАРСТВЕННЫЙ СТАНДАРТ
РЕЗИСТОРЫ ПОСТОЯННЫЕ ДЛЯ ЭЛЕКТРОННОЙ АППАРАТУРЫ
Часть 1 Общие технические условия

Fixed resistors for use in electronic equipment.
Part 1. Generic specification

ГОСТ
28608-90

(МЭК) 115-1-82

Дата введения 01.01.92*

1. ОБЛАСТЬ ПРИМЕНЕНИЯ

Настоящий стандарт распространяется на постоянные резисторы для электронной аппаратуры.

Стандарт устанавливает стандартизованные термины, методики контроля и методы испытаний для использования в групповых технических условиях (далее - ТУ) и в ТУ на резисторы конкретных типов для сертификации изделий в системах сертификации изделий электронной техники.

2. ОБЩИЕ ПОЛОЖЕНИЯ

2.1. Ссылочные документы

Стандарты МЭК, на которые имеются ссылки в настоящем стандарте:

27-1 (1971)** Буквенные обозначения, применяемые в электротехнике. Часть 1. Общие положения.

60-1 (1973)*** Техника испытаний высоким напряжением. Часть 1. Общие определения и требования к испытаниям.

60-2 (1973)*** Часть 2. Методы испытаний

62 (1974)** Коды для маркировки резисторов и конденсаторов.

63 (1963)** Ряды предпочтительных величин для резисторов и конденсаторов.

Поправка № 1 (1967).

Поправка № 2 (1977).

68 Основные методы испытаний на воздействие внешних факторов.

68-1 (1978) Часть 1. Общие положения.

68-2-1 (1974) Испытание А. Холод.

68-2-1А (1976) Первое дополнение.

* Порядок введения стандарта в действие приведен в приложении D.

** В настоящем стандарте, в качестве которого непосредственно применен международный стандарт МЭК 115-1-82, ссылки заменены на:

ГОСТ 2.710 ЕСКД. Обозначения буквенно-цифровые в электрических схемах

ГОСТ 28883 Коды для маркировки резисторов и конденсаторов

ГОСТ 28884 Ряды предпочтительных значений для резисторов и конденсаторов

ГОСТ 2.721 ЕСКД. Обозначения условные графические в схемах. Обозначения общего применения

ГОСТ 21342.19 Резисторы. Методы измерения уровня

ГОСТ 28885 Конденсаторы. Методы измерений и испытаний

ГОСТ 21395.0 Резисторы. Методы проверки требований к конструкции. Общие положения

ГОСТ 21342.16 Резисторы. Метод измерения нелинейности сопротивления

ГОСТ 8.417 ГСИ. Единицы величин

***Государственный стандарт находится в стадии разработки.

68-2-2 (1974) Испытание В. Сухое тепло.

68-2-2А (1976) Первое дополнение.

68-2-3 (1969) Испытание Са. Влажное тепло, постоянный режим.

68-2-6 (1970) Испытание Fc. Вибрация (синусоидальная). Поправка № 1 (1972).

68-2-13 (1966) Испытание М. Пониженное атмосферное давление.

68-2-14 (1974) Испытание N. Быстрая смена температуры.

68-2-20 (1968) Испытание Т. Пайка.

68-2-20А (1970) Первое дополнение. Испытание ТЬ. Теплостойкость при пайке. Метод 1.

68-2-21 (1975) Испытание U. Прочность выводов и их креплений к корпусу изделий. Поправка № 1 (1979).

68-2-27 (1972) Испытание Еa. Удар.

68-2-29 (1968) Испытание Еb. Ударная тряска.

68-2-30 (1969) Испытание Db. Влажное тепло, циклическое (12 + 12-часовой цикл).

68-2-45 (1980) Испытание ХА. Погружение в очищающие растворители.

117* Рекомендуемые графические обозначения.

195 (1965)* Метод измерения токовых шумов постоянных резисторов.

294 (1969)* Измерение размеров цилиндрического изделия с двумя аксиальными выводами.

410 (1973)** Правила и планы выборочного контроля по качественным признакам.

440 (1973)* Методы измерения нелинейности сопротивления резисторов.

QC 001001 (1981)** Основные правила Системы сертификации изделий электронной техники.

QC 001002 (1981)** Правила процедуры в Системе сертификации изделий электронной техники.

Другие стандарты, на которые имеются ссылки в настоящем стандарте

ISO 1000 (1973)* Единицы СИ и рекомендации по применению кратных и дольных единиц от них и некоторых других единиц.

* В настоящем стандарте, в качестве которого непосредственно применен международный стандарт МЭК 115-1-82, ссылки заменены на:

ГОСТ 2.710 ЕСКД. Обозначения буквенно-цифровые в электрических схемах

ГОСТ 28883 Коды для маркировки резисторов и конденсаторов

ГОСТ 28884 Ряды предпочтительных значений для резисторов и конденсаторов

ГОСТ 2.721 ЕСКД. Обозначения условные графические в схемах. Обозначения общего применения

ГОСТ 21342.19 Резисторы. Методы измерения уровня

ГОСТ 28885 Конденсаторы. Методы измерений и испытаний

ГОСТ 21395.0 Резисторы. Методы проверки требований к конструкции. Общие положения

ГОСТ 21342.16 Резисторы. Метод измерения нелинейности сопротивления

ГОСТ 8.417 ГСИ. Единицы величин

** Государственный стандарт находится в стадии разработки.

2.2. Единицы физических величин, обозначения и термины

2.2.1. Общие положения

Единицы физических величин, графические и буквенные обозначения и термины, применяемые в настоящем стандарте, по следующей НТД: ГОСТ 2.710, ГОСТ 2.721, ГОСТ 8.417, МЭК 50 (1978).

2.2.2. Тип - группа резисторов, имеющих общие конструктивные признаки, сходство технологии изготовления которых позволяет объединить их для сертификации или для контроля соответствия качества. Обычно на них распространяются одни ТУ на резисторы конкретных типов.

Примечание. Резисторы, изготовляемые по нескольким ТУ на резисторы конкретных типов, могут в некоторых случаях рассматриваться как принадлежащие к одному и тому же типу и поэтому могут быть объединены для сертификации и для контроля соответствия качества.

2.2.3. Вид - подразделение типа, осуществляемое обычно по размерным признакам.

Вид может объединять резисторы нескольких вариантов исполнения, обычно отличающихся конструктивными особенностями.

2.2.4. Категория - термин для обозначения дополнительных общих характеристик, касающихся применения, например резисторов с длительным сроком службы.

Термин «категория» можно использовать только в сочетании с одним или более словами (например, категория с длительным сроком службы), а не с одной буквой или цифрой.

Цифры, добавляемые после термина «категория», должны быть арабскими.

2.2.5. Семейство (изделий электронной техники) - группа изделий электронной техники, в которых проявляется одно преобладающее физическое свойств и (или) которые выполняют определенную функцию.

2.2.6. Подсемейство (изделий электронной техники) - группа изделий в пределах одного семейства, изготовленных по единой технологии.

2.2.7. Номинальное сопротивление - сопротивление, на которое рассчитан резистор и значение которого обычно указано на резисторе.

2.2.8. Критическое сопротивление - сопротивление, при котором номинальное напряжение равно предельному рабочему напряжению резистора (см. пп. 2.2.15 и 2.2.16). При температуре окружающей среды 70°С максимальное напряжение, которое может быть подано на выводы резистора, равно либо вычисленному номинальному напряжению, если сопротивление меньше критического, либо предельному рабочему напряжению резистора, если сопротивление равно или больше критического сопротивления. При расчете значения подаваемого напряжения при температурах, отличных от 70°С, необходимо исходить из графика зависимости мощности рассеяния от температуры и предельного рабочего напряжения резистора.

2.2.9. Диапазон температур категории - диапазон температур окружающей среды, на длительную работу в котором рассчитан резистор; этот диапазон определяется температурными пределами соответствующей категории.

2.2.10. Верхняя температура категории - максимальная температура окружающей среды, на длительную работу при которой рассчитан резистор при доле номинальной мощности рассеяния, соответствующей мощности рассеяния категории.

2.2.11. Нижняя температура категории - минимальная температура окружающей среды, на длительную работу при которой рассчитан резистор.

2.2.12. Максимальная температура поверхности - максимальная температура, допускаемая на поверхности любого резистора данного типа при его длительной работе при номинальной мощности рассеяния и температуре окружающей среды 70°С.

2.2.13. Номинальная мощность рассеяния - максимально допустимая мощность рассеяния при температуре окружающей среды 70°С в условиях испытания на срок службы при 70°С, вызывающая изменение сопротивления, не превышающее значения, установленного для этого испытания.

2.2.14. Мощность рассеяния категории - часть номинальной мощности рассеяния, четко определенная в ТУ на резисторы конкретных типов, которая приемлема при верхней температуре категории в соответствии с графиком снижения мощности рассеяния, приведенным в ТУ на резисторы конкретных типов.

Примечание. Мощность рассеяния категории может быть равна нулю.

2.2.15. Номинальное напряжение (Uном - значение напряжения постоянного тока или эффективное значение напряжения переменного тока, вычисленное как квадратный корень из произведения номинального сопротивления и номинальной мощности рассеяния.

Примечание. При больших значениях сопротивления номинальное напряжение можно не применять, так как оно зависит от размеров и конструкции резистора (п. 2.2.16).

2.2.16. Предельное рабочее напряжение резистора - максимальное значение напряжения постоянного тока или максимальное эффективное значение напряжения переменного тока, которое может быть приложено к выводам резистора в течение длительного времени (оно обычно зависит от размера и технологии изготовления резистора). Если в данном стандарте используют термин «эффективное значение напряжения переменного тока», то пиковое значение напряжения не должно превышать его более чем в 1,42 раза.

Примечание. Это напряжение подают на резисторы только в том случае, если значение сопротивления равно или больше критического.

2.2.17. Напряжение изоляции (только для изолированных резисторов) - максимальное значение пикового напряжения, которое может быть подано между выводами резистора и любой проводящей монтажной поверхностью в условиях продолжительной работы.

2.2.18. Изолированный резистор - резистор, отвечающий требованиям испытаний на электрическую прочность изоляции и сопротивление изоляции и требованиям испытания на влажное тепло, постоянный режим, проводимых под напряжением определенной полярности, приложенным к резисторам, установленным на металлической пластине.

2.2.19.Сопротивление изоляции

На рассмотрении.

2.2.20. Температурная зависимость сопротивления - температурная зависимость сопротивления, которая может быть выражена либо температурной характеристикой, либо температурным коэффициентом, как указано ниже.

2.2.20.1. Температурная характеристика сопротивления - максимальное обратимое изменение сопротивления, полученное в данном диапазоне температур в пределах температур категории. Оно обычно выражается в процентах от значения сопротивления, измеренного при температуре приведения 20°С.

Температурная характеристика сопротивления равна ,

где R - изменение сопротивления между двумя заданными температурами окружающей среды;

R - значение сопротивления при температуре приведения.

2.2.20.2. Температурный коэффициент сопротивления (α) - относительное изменение сопротивления между двумя заданными температурами (средний коэффициент), деленное на разность температур, вызывающую это изменение. Он обычно выражается в миллионных долях на градус Цельсия (10-6/°С)

где ∆Θ - алгебраическая разность между заданной температурой окружающей среды и температурой приведения (для расчета см. п. 4.8.4), °С.

Примечание. Применение этого термина не означает, что данная функция является в какой-то мере линейной, и не следует предполагать наличие такой линейности.

2.2.21. Видимое повреждение - повреждение, которое уменьшает возможность использования резистора в целях, для которых он предназначен.

2.2.22. Резистор-чип - постоянный резистор, малые габаритные размеры которого и тип или форма выводов позволяют использовать его в гибридных схемах и на печатных платах.

2.3. Предпочтительные значения

2.3.1. Общие положения

В каждых групповых ТУ должны быть установлены предпочтительные значения для подсемейства резисторов;

значения номинального сопротивления (см. п. 2.3.2).

2.3.2. Предпочтительные значения номинального сопротивления

Предпочтительные значения номинального сопротивления следует выбирать из ряда I ГОСТ 28884.

2.4. Маркировка

2.4.1. Общие положения

2.4.1.1. Данные, наносимые при маркировке, выбирают из приведенного ниже перечня относительная значимость каждой позиции определяется ее положением в перечне:

a) номинальное сопротивление;

b) допускаемое отклонение сопротивления от номинального;

c) год и месяц (или неделя) изготовления;

d) номер ТУ на резисторы конкретных типов и ссылка на вид;

e) название фирмы или торговый знак.

2.4.1.2. На резистор следует четко нанести данные, указанные в подпунктах а и b и, по возможности, данные, указанные в остальных подпунктах. Следует избегать дублирования информации при маркировке резистора.

2.4.1.3. На упаковке резистора должна быть четко нанесена вся вышеперечисленная информация.

2.4.1.4. Любая дополнительная маркировка должна быть нанесена таким образом, чтобы не возникало недоразумений.

2.4.2. Кодирование

В случаях, когда используют кодированное обозначение значений сопротивления, допускаемого отклонения или даты изготовления, метод кодирования следует выбирать из методов, приведенных в ГОСТ 28883.

3. ПОРЯДОК СЕРТИФИКАЦИИ

3.1. Утверждение соответствия/системы сертификации

3.1.1. В случаях, если документы используют в рамках полной системы сертификации [Система сертификации изделий электронной техники МЭК (IECQ)], с утверждением соответствия резисторов требованиям ТУ и контролем соответствия качества, порядок сертификации должен соответствовать пп. 3.4 и 3.5.

3.1.2. В случаях, если документы используют вне таких систем сертификации [Система сертификации ИЭТ МЭК (IECQ)], с целью проверки конструкции или для типовых испытаний можно применять методики и требования, установленные в пп. 3.4.1 и 3.4.2b, но испытания и части испытаний следует проводить в порядке, приведенном в программе испытаний.

3.2. Главный этап технологического процесса

Для постоянных резисторов главным этапом технологического процесса является:

для пленочных типов - нанесение резистивной пленки на основание;

для углеродистых композиционных типов - процесс, который вызывает наибольшую полимеризацию связующего вещества;

для проволочных типов - наматывание резистивной проволоки (или ленты) на каркас;

для металлофольговых резисторов - закрепление резистивной фольги на основании.

3.3. Конструктивно подобные изделия

Конструктивно подобными считаются резисторы, изготовленные из одинаковых материалов одним методом, хотя они могут иметь разные размеры и значения. Группирование конструктивно подобных резисторов для сертификации и контроля соответствия качества должно быть указано в групповых ТУ.

3.4. Методики утверждения соответствия

3.4.1. Изготовитель должен выполнять:

основные требования правил процедуры, которые следует выполнять при сертификации;

требования, относящиеся к главному этапу технологического процесса, которые определены в п. 3.2 настоящего стандарта.

3.4.2. Дополнительно к требованиям п. 3.4.1 следует применять методики, изложенные в подпунктах а или в:

a) изготовитель должен предъявить доказательство соответствия требованиям ТУ на трех контрольных партиях для контроля по партиям, проведенного за возможно короткий срок, и на одной партии для периодического контроля. Во время составления контрольных партий в производстве резисторов не должно быть больших изменений. Выборки извлекают из партий в соответствии с требованиями приложения А настоящего стандарта. Выборка должна состоять из образцов с наибольшими и наименьшими значениями сопротивлений, представленными в партии, и критическим значением сопротивления, если это значение находится между большими и малыми значениями сопротивления. Наибольшее и наименьшее значения сопротивления, выбранные таким образом, должны определять диапазон значений сопротивления, для которого требуется сертификация.

Должен быть проведен обычный контроль, но если при данном объеме выборки допустимое количество дефектных изделий равно 0, то объем выборки следует увеличить, чтобы допустимое количество дефектных изделий было равно 1;

b) соответствие изделия требованиям ТУ изготовитель контролирует испытаниями, проводимыми по программе испытаний на выборке заданного размера, приведенной в групповых ТУ.

Образцы выборки следует выбирать методом случайного отбора продукции или по согласованию с Госстандартом СССР.

3.4.3. Сертификация изделия, осуществленная в Системе сертификации, должна регулярно подтверждаться демонстрацией соответствия требованиям контроля качества (см. п. 3.5). С другой стороны, сертификация должна подтверждаться, как указано в правилах сохранения права сертификации, содержащихся в Правилах процедуры Системы сертификации изделий электронной техники - МЭК QC 001002, пп. 11.5.2 и 11.5.3.

3.5. Контроль соответствия качества

В форме (ах) ТУ на изделия конкретных типов, относящейся(ихся) к групповым ТУ, должна быть приведена программа испытаний по контролю соответствия качества.

В программе испытаний также следует указать: группирование изделий, формирование выборки, периодичность контроля по партиям и периодического контроля.

Уровни контроля и приемлемые уровни качества следует выбирать в соответствии с МЭК 410.

При необходимости может быть установлено несколько программ испытаний.

3.5.1. Сертификационные протоколы выпущенных партий

Если в соответствующих ТУ предусмотрены сертификационные протоколы выпущенных партий и их требует покупатель, в них должны быть приведены, как минимум, следующие данные:

информация по качественным признакам (т.е. количество испытываемых изделий и количество дефектных изделий) для испытаний подгрупп, предназначенных для периодического контроля, без указания параметра(ов), для которого(ых) имел место отказ;

различные данные об изменении сопротивления после испытания на срок службы в течение 1000 ч.

3.5.1.1. Информация по качественным признакам

Если в соответствующих ТУ на резисторы конкретных типов должна быть приведена информация по качественным признакам, следует использовать следующие методики.

1) Если в подгруппу входит одно испытание, должно быть указано общее количество отказавших резисторов и испытание, при проведении которого появились отказы, но без указания параметров, по которым зафиксирован отказ.

2) Если подгруппа включает несколько испытаний, в соответствующих ТУ на резисторы конкретных типов должно быть указано, следует ли регистрировать результаты после каждого испытания или после нескольких испытаний. Для данных ТУ последовательность климатических испытаний должна составлять одно испытание.

3.5.1.2. Информация по изменениям

В соответствующих ТУ на резисторы конкретных типов должно быть установлено, какие испытания следует указывать в качестве информации по измерениям в сертификационном протоколе выпущенных партий. Также должно быть указано, могут ли результаты испытаний быть объединены, например, по номинальной мощности рассеяния, по диапазонам значений номинального сопротивления и т.д.

Как минимум, в качестве информации по измерениям должны быть указаны результаты всех испытаний на срок службы электрический. Для более наглядного представления информацию по измерениям при испытаниях на срок службы и измерениях токовых шумов следует предпочтительно приводить следующим образом:

a) при испытаниях на срок службы значения изменений параметра R/R должны быть: 0,05; 0,1; 0,2; 0,5; 1,0; 2,0; 3,0; 5,0; 10,0; 15,0 и 20,0%, а интервалы времени - 48, 500 и 1000 ч. Должен быть зарегистрирован характер этого изменения: положительный или отрицательный. Если длительность испытания на срок службы превышает 1000 ч, следует использовать дополнительные интервалы времени 2000, 4000 и 8000 ч. Если количество представленных результатов измерений 20 или меньше, должны быть указаны действительные значения, но результаты измерений могут быть неточными. Общие требования к содержанию сертификационных протоколов выпущенных партий см. в Правилах процедуры Системы сертификации изделий электронной техники МЭК QC 001002 раздел 14;

b) результаты измерений токовых шумов пленочных и углеродистых композиционных резисторов должны быть представлены в виде таблицы.

Значение шума, мкВ/В

Количество

Значение шума, мкВ/В

Количество

> 6,4

 

> 0,2 но ≤ 0,4

 

> 3,2 но ≤ 6,4

 

> 0,1 но ≤ 0,2

 

> 1,6 но ≤ 3,2

 

> 0,05 но ≤ 0,1

 

> 0,8 но ≤ 1,6

 

≤ 0,05

 

> 0,4 но ≤ 0,8

 

 

 

Примечание. Содержание сертификационных протоколов выпущенных партий должно соответствовать требованиям, приведенным в Правилах процедуры Системы сертификации изделий электронной техники - МЭК QC 001002, п. 14.3.

3.5.2. Поставка с задержкой

У постоянных резисторов, задержанных после выпуска более чем на 2 года (если не оговорено особо в групповых ТУ), перед поставкой должны быть перепроверены паяемость и сопротивление в соответствии с контролем по группам А и В в соответствии с ТУ на резисторы конкретных типов. Методика перепроверки, принятая Главным контролером изготовителя, должна быть утверждена Госприемкой и Госстандартом СССР.

После перепроверки партии ее качество вновь гарантируется на указанный период.

3.5.3. Выпуск для поставки до завершения испытаний по группе В

Если требования МЭК 410 для перехода к облегченному контролю отвечают требованиям всех испытаний группы В, изготовителю дается разрешение выпускать резисторы до завершения этих испытаний.

3.6. Альтернативные методы испытаний

Методы испытаний и измерений, приведенные в соответствующих ТУ, не единственные методы, которые могут применяться. Однако изготовитель должен убедить Госстандарт СССР, что альтернативные методы, которые он может использовать, дадут результаты, эквивалентные тем, которые получены при использовании указанных методов. В случае разногласий для арбитражных и справочных целей следует применять только указанные методы.

3.7. Непроверяемые параметры

Можно считать, что в заданных пределах находятся только те параметры изделия, которые указаны в ТУ на резисторы конкретных типов и подвергались испытанию. Не следует считать, что любой неуказанный параметр будет неизменным у всех изделий. Если по какой-либо причине необходимо контролировать другой (ие) параметр (ы), следует использовать новые, более полные ТУ. Следует полностью описать дополнительный (ые) метод (ы) испытаний и указать соответствующие предельные значения, приемлемые уровни качества и уровни контроля.

4. МЕТОДИКИ ИСПЫТАНИЙ И ИЗМЕРЕНИЙ

4.1. Общие положения

Групповые ТУ и (или) форма ТУ на резисторы конкретных типов должны содержать таблицы, показывающие, какие должны быть проведены испытания, какие измерения следует проводить до и после каждого испытания или подгруппы испытаний, а также последовательность проведения испытаний. Этапы каждого испытания следует проводить в указанном порядке. Условия первоначальных и заключительных измерений должны быть одинаковыми. Если национальные ТУ в Системе сертификации включают методы, отличные от тех, которые приведены в вышеуказанных документах, они должны быть полностью описаны.

4.2. Нормальные атмосферные условия

4.2.1. Нормальные атмосферные условия испытаний

Если не оговорено особо, все испытания и измерения следует проводить в нормальных атмосферных условиях испытания, приведенных в п. 5.3 МЭК 68-1 (ГОСТ 28198):

температура от 15°С до 35°С;

относительная влажность от 45% до 75%;

атмосферное давление от 86 до 106 кПа (от 860 до 1060 мбар).

Перед измерениями резистор должен быть выдержан при температуре измерения в течение времени, достаточного для того, чтобы эта температура установилась по всему объему резистора. Для этой цели обычно достаточен такой же период, который предусмотрен для восстановления в конце испытания.

Если измерения проводят при температуре, отличной от указанной, то результаты измерений при необходимости должны быть приведены к указанной температуре. Температура окружающей среды во время измерений должна быть указана в протоколе испытаний. В случае разногласий измерения следует повторить при одной из арбитражных температур (как указано в п. 4.2.3) и в тех условиях, которые предусмотрены данными ТУ.

Если испытания проводят последовательно, то заключительные измерения одного испытания могут считаться первоначальными измерениями для последующего испытания.

Примечание. Во время измерений резистор не должен подвергаться воздействию потоков воздуха, прямых солнечных лучей или других факторов, которые могут привести к ошибкам в измерениях.

4.2.2. Условия восстановления

Если не оговорено особо, восстановление должно проходить в нормальных атмосферных условиях испытания (п. 4.2.1). Если восстановление должно проходить в строго регулируемых условиях, следует применять регулируемые условия восстановления, приведенные в п. 5.4.1 МЭК 68-1 (ГОСТ 28198).

4.2.3. Арбитражные условия

Для арбитражных целей следует выбирать одно из нормальных атмосферных условий арбитражных испытаний, установленных в п. 5.2 МЭК 68-1 (ГОСТ 28198).

Температура, °С

Относительная влажность, %

Атмосферное давление, кПа (мбар)

20 ±1

63 - 67

86 - 106

(860 - 1060)

23 ±1

48 - 52

86 - 106

(860 - 1060)

25 ±1

48 - 52

86 - 106

(860 - 1060)

27 ±1

63 - 67

86 - 106

(860 - 1060)

4.2.4. Условия приведения

Для целей приведения применяются нормальные атмосферные условия приведения, установленные в п. 5.1 МЭК 68-1 (ГОСТ 28198): температура 20°С; атмосферное давление 101,3 кПа (1013 мбар).

4.3. Сушка

Если предусмотрена сушка, то резистор перед измерением следует выдерживать в условиях, предусмотренных Методиками 1 или II, в соответствии с ТУ на резисторы конкретных типов. Методика I: (24 ± 4) ч в термостате при температуре (55 ±2)°С и относительной влажности, не превышающей 20%. Методика II (96 ±4) ч в термостате при температуре (100 ±5)°С.

Затем резистор охлаждают в эксикаторе с применением соответствующего поглотителя влаги, например активированного глинозема или силикагеля, и выдерживают в нем с момента извлечения из термостата до начала указанных испытаний.

4.4. Внешний осмотр и проверка размеров

4.4.1. Внешний осмотр

Внешний вид, исполнение и отделка должны быть удовлетворительными, что устанавливают при внешнем осмотре (см. п. 2.2.21). Маркировка должна быть четкой, что устанавливают при внешнем осмотре. Она должна отвечать требованиям ТУ на резисторы конкретных типов.

4.4.2. Размеры (габаритные)

Размеры, указанные в ТУ на резисторы конкретных типов как габаритные, должны быть проверены, они должны соответствовать значениям, установленным в ТУ на резисторы конкретных типов.

По возможности измерения следует проводить в соответствии с требованиями ГОСТ 28885, ГОСТ 21395.0.

4.4.3. Размеры (справочные)

Следует проверять все размеры, установленные в ТУ на резисторы конкретных типов, oни должны соответствовать указанным значениям.

4.5. Сопротивление

4.5.1. Измерения сопротивления следует проводить при малом значении напряжения постоянного тока в течение возможно короткого промежутка времени, чтобы во время измерения температура резистивного элемента заметно не возрастала. В случае противоречивых результатов при таких испытательных напряжениях для арбитражных целей применяют значения напряжений, указанные в следующей таблице.

Номинальное сопротивление R

Измерительное напряжение V, В

0

-10%

Номинальное сопротивление R

Измерительное напряжение V, В

0

-10%

R < 10 Ом

0,1 (см. примечание)

10 кОм ≤ R < 100 кОм

10

100 кОм ≤ R < 1 МОм

25

10 Ом ≤ R < 100 Ом

0,3

1 МОм ≤ R

50

100 Ом ≤ R < 1 кОм

1

 

 

1 кОм ≤ R < 10 кОм

3

 

 

Примечание. Если номинальное сопротивление резистора меньше 10 Ом, то измерительное напряжение следует выбирать так, чтобы резистор рассеивал менее 10% его номинальной мощности рассеяния, но оно не должно превышать 0,1 В.

Точность метода измерения должна быть такой, чтобы общая погрешность не превышала 10% допускаемого отклонения. Если измерение входит в состав испытания, то должна быть предусмотрена возможность измерять изменение сопротивления с погрешностью, не превышающей 10% максимального изменения, допускаемого для этого испытания.

4.5.2. Значение сопротивления при температуре 20°С должно соответствовать номинальному значению с учетом допускаемого отклонения.

4.6. Сопротивление изоляции (только изолированные виды)

4.6.1. Испытание проводят одним из следующих четырех методов, как предусмотрено в соответствующих ТУ на резисторы конкретных типов.

Метод V-образного блока является предпочтительным для резисторов без крепежных приспособлений.

4.6.1.1. Метод V-блока

Резистор следует закрепить в желоб 90°-ного металлического V-блока такого размера, чтобы корпус резистора не выступал за его края. Сила крепления должна быть такой, чтобы обеспечить соответствующий контакт между резистором и блоком. Силу крепления выбирают таким образом, чтобы не повредить резистор. Резистор должен быть расположен с учетом следующего.

Для цилиндрических резисторов: резистор должен быть расположен в блоке так, чтобы самый дальний от оси резистора вывод был ближайшим к одной из граней блока.

Для прямоугольных резисторов: резистор должен быть расположен в блоке так, чтобы ближайший к краю резистора вывод был ближайшим к одной из граней блока.

Для цилиндрических и прямоугольных резисторов с аксиальными выводами: любую несоосность выводов при их выходе из корпуса не следует принимать во внимание.

4.6.1.2. Метод фольги (альтернативный метод для резисторов без крепежных приспособлений) Металлическая фольга должна плотно обертывать корпус резистора.

У резисторов, не имеющих аксиальных выводов, между краем фольги и каждым выводом должен быть оставлен зазор 1 - 1,5 мм. Фольга должна обертывать весь корпус резистора с аксиальными выводами, выступая, по крайней мере, на 5 мм за каждый торец при условии, что между фольгой и выводом может быть сохранено минимальное расстояние в 1 мм. Края фольги не должны загибаться за торцы резистора.

4.6.1.3. Метод для резисторов с крепежными приспособлениями

Резисторы крепят обычным способом на металлической пластине (или между двумя металлическими пластинами), которая выступает за установочную плоскость резистора во всех направлениях, по крайней мере, на 12,7 мм.

4.6.1.4. Метод для резисторов-чипов прямоугольной формы

Для испытания резистор следует крепить, как показано на черт. 1.

Сжимающая сила пружины должна быть (1,0 ±0,2) Н, если иное не указано в ТУ на резисторы конкретных типов. Место контактирования металлического блока должно быть расположено в центре, чтобы обеспечить хорошую повторяемость результатов.

Зажимное приспособление для испытания резисторов-чипов прямоугольной формы на сопротивление изоляции и электрическую прочность

1 - активная сторона; 2 - радиус 0,5 м; 3 - испытательная точка В; 4 - металлический блок, испытательная точка А; 5 - изоляционный материал; 6 - металлическая пластина

Черт. 1

4.6.1.5. Метод для резисторов-чипов цилиндрической формы

Для испытания резистор следует крепить как показано на черт. 2.

Сжимающая сила пружины должна быть (1,0 ±0,2) Н, если иное не указано в ТУ на резисторы конкретных типов. Размер L1 испытательного блока должен быть выбран так, чтобы обеспечивалось минимальное расстояние 0,5 мм до контактных площадок.

Зажимное приспособление для испытания резисторов-чипов цилиндрической формы на сопротивление изоляции и электрическую прочность

1 - V-образный паз; 2 - испытательная точка В; 3 - V-образный металлический блок, испытательная точка А; 4 - изоляционный материал; 5 - металлическая пластина; 6 - выводы должны контактировать со стенками паза в металлической пластине

Черт. 2

4.6.2. У всех резисторов, кроме резисторов-чипов, сопротивление изоляции следует измерять между двумя полюсами, один из которых - выводы резистора, соединенные вместе, другой - V-блок, металлическая фольга или крепежное приспособление. Измерительным напряжением должно быть постоянное напряжение, равное (100 ±15) В, - для резисторов с напряжением изоляции < 500 В или постоянное напряжение, равное (500 ±50) В, - для резисторов с напряжением изоляции ≥ 500 В.

У резисторов-чипов сопротивление изоляции измеряют при постоянном напряжении (100 ±15) В или при напряжении, равном напряжению изоляции, приложенному между испытательными точками А и В, как показано на черт. 1 и 2 (испытательная точка А должна иметь положительный потенциал).

Напряжение следует подавать в течение 1 мин или более короткого промежутка времени, который необходим для получения стабильных показаний; показание сопротивления изоляции следует снимать в конце этого периода.

4.6.3. Значение сопротивления изоляции должно быть не менее значения, указанного в соответствующих ТУ.

4.7. Электрическая прочность изоляции

4.7.1. Испытание проводят одним из методов, приведенных в п. 4.6.1, как указано в соответствующих ТУ.

Метод V-блока является предпочтительным для резисторов, не имеющих приспособлений для крепления.

4.7.2. У всех резисторов, кроме резисторов-чипов, испытательное напряжение следует прикладывать между двумя полюсами, один из которых - выводы резистора, соединенные вместе, другой - V-блок, металлическая фольга или крепежная пластина. Испытательное напряжение должно быть переменным (частотой 40 - 60 Гц) и должно возрастать со скоростью около 100 В/с от нуля до пикового значения, превышающего в 1,42 раза значение напряжения изоляции, приведенное в ТУ на резисторы конкретных типов.

После достижения указанного напряжения его следует подавать еще в течение (60 ±5) с.

На резисторы-чипы следует подавать переменное напряжение частотой 40 - 60 Гц с пиковым значением, в 1,42 раза превышающим значение напряжения изоляции, в течение (60 ±5) с между испытательными точками А и В, как показано на черт. 1 и 2. Напряжение следует подавать постепенно со скоростью примерно 100 В/с.

4.7.3. Не должно быть пробоя (т.е. тока утечки ≥ 10 мкА) или перекрытия.

4.8. Температурная зависимость сопротивления

4.8.1. Резистор должен быть высушен в соответствии с методикой I или II п. 4.3, как предусмотрено в соответствующих ТУ.

4.8.2. Резистор должен быть выдержан поочередно при каждой из следующих температур или при других температурах, установленных в соответствующих ТУ:

a)  °С;

b) нижняя температура категории ±3°С;

c)  °С;

d) верхняя температура категории ± 2°С;

e)  °C.

4.8.3. Измерения сопротивления проводят при каждой из температур, установленных в п. 4.8.2, после того как резистор достигнет состояния тепловой стабильности. Тепловая стабильность считается достигнутой, если два показания сопротивления, взятые с интервалом не менее 5 мин, не отличаются более чем на значение, которое может быть обусловлено измерительной аппаратурой. Температуру резистора во время измерения следует регистрировать. Погрешность измерения температуры не должна превышать 1°С.

4.8.4. Методы расчета

Примечание. Результаты одного измерения могут быть использованы для температурного коэффициента и для расчета температурной характеристики.

Температурная характеристика сопротивления,

4.8.4.1. Температурная характеристика сопротивления

Температурную характеристику сопротивления между температурой 20°С и каждой из других температур, установленных в п. 4.8.2, следует рассчитывать по формуле

Температурная характеристика сопротивления =

Разность между номинальными заданными температурами

где

R и R берут из таблицы, если значения сопротивления, зарегистрированные в п. 4.8.3, обозначены Ra, Rb, Rc, Rd, Re.

Обозначение величины

Нижняя температура категории

Верхняя температура категории

R

1/2(Ra + Rc)

1/2(Rс + Re)

R

Rb - R

Rd - R

Если температуры, зарегистрированные в п. 4.8.3, обозначаются как Θa, Θb, Θc, Θd и Θe, то разности ∆Θ между зарегистрированными температурами определяются, как указано в таблице.

Обозначение величины

Нижняя температура категории

Верхняя температура категории

∆Θ

4.8.4.2. Температурный коэффициент сопротивления α

Температурный коэффициент сопротивления α между 20°С и каждой из других температур, указанных в п. 4.8.2, следует рассчитывать по формуле

где R, ∆R и ∆Θ - по п. 4.8.4.1.

Температурный коэффициент сопротивления α обычно выражается в миллионных долях на градус Цельсия (10-6/°С).

4.8.5. Температурная характеристика сопротивления или температурный коэффициент сопротивления α, установленные, как указано выше, должны находиться в пределах, предусмотренных ТУ на резисторы конкретных типов для соответствующей температуры категории.

Для сопротивлений от 5 до 10 Ом температурная характеристика или температурный коэффициент сопротивления не должны превышать более чем в 2 раза предельных значений, предусмотренных ТУ на резисторы конкретных типов для значений сопротивлений не менее 10 Ом.

Примечание. Для значений сопротивлений менее 5 Ом ввиду трудности точного измерения температурную характеристику или температурный коэффициент сопротивления не указывают.

4.9. Реактивность

4.9.1. Испытание на реактивность применяют только к резисторам, у которых должна быть низкая реактивность, если указано в ТУ на резисторы конкретных типов. Это испытание проводят для определения индуктивности в диапазоне, характерном для проволочных резисторов.

Установка, приведенная на черт. 3, может быть использована для резисторов с постоянной времени L/R > 20 нс. Диапазон сопротивлений, который может быть проверен, - от 100 Ом до 1 МОм.

Испытательная схема

1 - импульсный генератор; 2 - осциллоскоп; RX - испытываемый резистор; RL - неиндуктивный резистор с сопротивлением, приблизительно равным 0,1 сопротивления резистора RX

Черт. 3

Длина соединительных проводов между генератором и резистором Rx не должна превышать 50 мм.

4.9.2. Характеристика импульсного генератора

a) ширина импульса не менее 3-кратного значения постоянной времени L/R,

b) время нарастания нагрузки (от 10% до 90%) менее 3 нс;

c) частота повторения более 10 кГц или такая, которая требуется для получения хорошего показания осциллоскопа.

4.9.3. Характеристика осциллоскопа

a) время нарастания (от 10% до 90%) менее 12 нс (частотная характеристика 30 МГц или лучше);

b) временная развертка 2 нс на 1 мм или быстрее;

c) входная емкость при RL должна быть 25 пкФ или менее;

d) усиление должно быть достаточным для получения хорошего показания с используемым импульсным напряжением.

4.9.4. Постоянная временная L/R определяется путем измерения времени между началом импульса и моментом, когда напряжение достигает 63,2% максимального значения (см. черт. 4). Если в начале подъема наблюдаются шумы или искажения, то нулевая точка может быть определена продлением кривой. Если нет выбросов или осцилляции и постоянная времени L/R более 20 нс, то с достаточной точностью может быть использована приведенная ниже формула расчета эффективной индуктивности Г

Г = L/R(c)R(Ом).

Примечание. В ТУ в качестве предельного значения может быть установлено либо максимальное значение постоянной времени L/R, либо полученное из расчета максимальное значение индуктивности.

Черт. 4

4.10. Нелинейные свойства

Резисторы проверяют на нелинейность в соответствии с требованиями ГОСТ 21342.16. Если имеются специальные требования к нелинейности, то они должны быть указаны в ТУ на резисторы конкретных типов.

4.11. Коэффициент напряжения

(Применяют только в том случае, если это предусмотрено в ТУ на резисторы конкретных типов или по согласованию между изготовителем и заказчиком).

4.11.1. Резистор должен быть высушен в соответствии с методикой I или II, приведенной в п. 4.3, как предусмотрено в соответствующих ТУ.

4.11.2. Затем должно быть измерено сопротивление при подаче напряжений, равных 10% или 100% номинального напряжения или предельного рабочего напряжения; выбирают меньшее значение. 100%-ное напряжение следует подавать в течение не более 0,5 с каждые 5 с, 10%-ное напряжение следует подавать в течение 4,5 с. Следует следить за тем, чтобы температура резистора значительно не возрастала.

4.11.3. Коэффициент напряжения в процентах на вольт должен быть рассчитан по формуле

Коэффициент напряжения = ,

где U - самое высокое подаваемое напряжение;

R1 - сопротивление, измеренное при 0,1 U;

R2 - сопротивление, измеренное при U.

4.11.4. Коэффициент напряжения не должен превышать значения, установленного в соответствующих ТУ.

4.12. Шумы

(Применяют только в том случае, если это предусмотрено в ТУ на резисторы конкретных типов или по согласованию между изготовителем и заказчиком).

Резисторы следует подвергнуть испытанию, приведенному в ГОСТ 21342.19.

4.13. Перегрузка

4.13.1. Следует измерить сопротивление, как указано в п. 4.5.

4.13.2. Резистор следует укрепить в горизонтальном положении. Для проволочных резисторов ось намотки должна быть горизонтальной. Резистор должен находиться в свободном пространстве при температуре окружающей среды от 15°С до 35°С. Затем на выводы резистора должно быть подано напряжение. Значение напряжения и продолжительность его подачи должны быть предусмотрены в соответствующих ТУ. Соединения следует выполнять обычным способом. Для присоединения резисторов с лепестками под пайку следует использовать медный провод диаметром приблизительно 1,0 мм. В соответствующих ТУ должны быть указаны специальные приспособления для крепления.

4.13.3. После восстановления в течение не менее 1 и не более 2 ч резисторы подвергают внешнему осмотру. На них не должно быть видимых повреждений, а маркировка должна быть четкой.

4.13.4. Затем следует измерить сопротивление, как указано в п. 4.5.

Изменение сопротивления по сравнению со значением сопротивления, измеренного в соответствии с п. 4.13.1, не должно превышать значения, указанного в соответствующих ТУ.

4.14. Температура перегрева

4.14.1. Резисторы, номинальное сопротивление которых менее значения критического сопротивления, подвергают следующему испытанию.

4.14.2. Резистор следует крепить в горизонтальном положении. Для проволочных резисторов ось намотки должна быть горизонтальной. Соединения следует выполнять обычным способом. Для присоединения резисторов с лепестками под пайку следует использовать медный провод диаметром приблизительно 1,0 мм. В соответствующих ТУ должны быть указаны специальные приспособления для крепления.

4.14.3. Температура окружающей среды при испытании должна быть от 15°С до 35°С. Допускается циркуляция воздуха только в результате конвекции, вызванной нагревом резистора.

4.14.4. Следует подать номинальное напряжение.

4.14.5. После достижения температурного равновесия следует измерять температуру в самой горячей точке поверхности резистора. Устройство для измерения температуры должно быть таких размеров, чтобы оно не влияло на результат измерения.

4.14.6. Температура перегрева не должна превышать значения, установленного в ТУ на резисторы конкретных типов.

Примечание. Более точная методика измерения температуры поверхности находится на рассмотрении.

4.15. Прочность корпуса резистора

4.15.1. Резисторы, имеющие длину корпуса не менее 25 мм, подвергаются следующему испытанию.

4.15.2. Корпус резистора крепится с обеих сторон на опоры, отстоящие от торцевых граней не более чем на 5 мм. Радиус скругления опоры должен быть не менее 6 мм. Постоянно к центру корпуса прикладывают усилие, указанное в ТУ на резисторы конкретных типов, в направлении, перпендикулярном к оси резистора, в течение 10 с. Нагрузку следует прикладывать с помощью устройства с радиусом скругления не менее 6 мм (см. черт. 5).

Черт. 5

4.15.3. В конце этого испытания корпус резистора не должен быть поломан и не должен иметь трещин.

4.16. Прочность выводов

Резисторы следует подвергнуть испытаниям Ua, Ub, Uc, Ud в соответствии с МЭК 68-2-21 (ГОСТ 28212).

4.16.1. Следует измерить сопротивление, как указано в п. 4.5.

4.16.2. Испытание Ua1. Воздействие растягивающей силы

Следует приложить усилие:

для выводов, кроме проволочных, - 20 Н;

для проволочных выводов - см. следующую таблицу.

Номинальная площадь поперечного сечения, мм2

Соответствующий диаметр провода круглого сечения, мм

Усилие, Н

S 0,05

d 0,25

1

0,05 < S 0,07

0,25 < d 0,3

2,5

0,07 < S 0,2

0,3 < d 0,5

5

0,2 < S 0,5

0,5 < d 0,8

10

0,5 < S 1,2

0,8 < d 1,25

20

1,2 < S

1,25 < d

40

4.16.3. Испытание Ub. Изгиб (половина выводов)

Метод 1. Проводят два последовательных изгиба в каждом направлении. Это испытание не проводят в том случае, если в ТУ на резисторы конкретных типов указано, что выводы жесткие.

4.16.4. Испытание Uc. Скручивание (другая половина выводов)

Следует применять метод А, степень жесткости 2 (два последовательных поворота на 180°). Это испытание не проводят в том случае, если в ТУ на резисторы конкретных типов указано, что выводы жесткие, а также на резисторах с однонаправленными выводами, предназначенных для использования в печатных схемах.

4.16.5. Испытание Ud. Воздействие крутящего момента (для выводов с винтовой резьбой и для крепежных приспособлений)

Номинальный диаметр винтовой резьбы, мм

2,6.

3

3,5

4

5

6

Крутящий момент,

Нм

Жесткость 1

0,4

0,5

0,8

1,2

2,0

2,5

Жесткость 2

0,2

0,25

0,4

0,6

1,0

1,25

4.16.6.

a) После каждого из этих испытаний резисторы подвергают внешнему осмотру. На них не должно быть видимых повреждений;

b) конце последнего из этих испытаний следует измерить сопротивление, как указано в п. 4.5. Изменение значения сопротивления по сравнению со значением, измеренным в соответствии с п. 4.16.1, не должно превышать значения, указанного в соответствующих ТУ.

4.17. Паяемость

4.17.1. Если за испытанием на паяемость сразу же следует испытание на теплостойкость при пайке, то следует применять методику сушки, приведенную в п. 4.3. В ТУ на резисторы конкретных типов должно быть указано, что применяется методика I или П.

4.17.2. Все резисторы, кроме резисторов-чипов, следует подвергнуть испытанию Т в соответствии с МЭК 68-2-20 (ГОСТ 28211), используя метод с применением паяльной ванны (метод 1) или метод с применением паяльника (метод 2), или метод с применением капельной установки (метод 3), как предусмотрено в соответствующих ТУ.

Резисторы-чипы следует подвергнуть испытанию Та ЭК 68-2-20 (ГОСТ 28211), метод 1, с дополнениями, приведенными в п. 4.17.4.

Примечание. Настоящие методы испытаний применимы только к резисторам-чипам, которые пригодны для испытаний на пайку методом полного погружения. Для других типов резисторов-чипов в ТУ на резисторы конкретных типов должны быть указаны условия применяемого испытания.

4.17.3. Если предусмотрен метод с применением паяльной ванны (метод 1), необходимо учесть следующие требования.

4.17.3.1. Условия испытания:

a) все резисторы, кроме указанных в подпункте b:

температура ванны (230 ±10)°С;

время погружения (2 ±0,5) с;

глубина погружения (расстояние от установочной плоскости или корпуса резистора (2 ±0,5) мм;

b) резисторы, не предусмотренные для использования на печатных платах, как указано в ТУ на резисторы конкретных типов:

температура ванны (270 ±10)°С;

время погружения (2 ±0,5) с;

глубина погружения (расстояние от корпуса резистора)  мм.

4.17.3.2. Выводы следует подвергнуть обследованию, чтобы убедиться в хорошем облуживании, о котором свидетельствует свободное стекание припоя при смачивании выводов.

4.17.4. При испытании резисторов-чипов следует использовать метод с применением паяльной ванны.

4.17.4.1. Резистор-чип захватывают пинцетом из нержавеющей стали, как показано на черт. 6. Пинцет не должен coприкасаться с покрытием торцевой поверхности резистора-чипа.

Удерживаемый таким образом резистор-чип следует погрузить в неактивированный паяльный флюс приблизительно на 2 с, затем дать возможность избытку флюса стечь.

4.17.4.2. Пинцет с резистором-чипом, удерживаемым, как указано в п. 4.17.4.1, следует закрепить в испытательной установке для погружения, как показано на черт. 7.

4.17.4.3. Затем резистор-чип следует погрузить в паяльную ванну на глубину 10 мм. Температура паяльной ванны должна быть (235 ±5)°С, а время погружения (2 ±0,5) с.

4.17.4.4. Спустя не более 60 мин остаток флюса удаляют с резистора-чипа соответствующим растворителем [МЭК 68-45, п. 3.1.1 (ГОСТ 28229, п. 3.1.1)].

4.17.4.5. Затем резистор-чип подвергают внешнему осмотру в условиях нормального освещения при 10-кратном увеличении. На нем не должно быть признаков повреждения.

Выносной элемент А (см. черт. 7)

1 - корпус изделия; 2 - пинцет; 3 - покрытие торцевой поверхности

Черт. 6

1 - паяльная ванна; 2 - испытываемый резистор; 3 - пружина; 4 - мотор; 5 - кулачок, регулирующий время погружения в паяльную ванну, нахождения в ней и извлечения из нее; 6 - сенсорный выключатель мотора; А - выносной элемент

Черт. 7

Торцевые поверхности и контактные площадки должны быть покрыты гладким и блестящим припоем равномерно с незначительным количеством рассеянных дефектов, таких, как микроотверстия или несмачиваемые или десмачиваемые области. Эти дефекты не должны концентрироваться в одном месте.

4.17.5. Если метод с применением паяльной ванны неприемлем, то в ТУ на резисторы конкретных типов должны быть указаны метод испытания, условия испытания и требования.

Примечание. Если используется метод с применением капельной установки, то требования должны включать и время пайки.

4.18. Теплостойкость при пайке

4.18.1. Если предусмотрена сушка, то в ТУ на резисторы конкретных типов должно быть указано, что применяется методика I или II п. 4.3.

Если испытание на теплостойкость при пайке проводят сразу после испытания на паяемость, то сушку можно проводить перед испытанием на паяемость. Затем следует измерить сопротивление, как указано в п. 4.5.

4.18.2. Затем все резисторы, кроме резисторов-чипов, следует подвергнуть по одной из методик испытанию Тb на теплостойкость при пайке в соответствии с МЭК 68-2-20А (ГОСТ 28211), как предусмотрено в соответствующих ТУ.

Резисторы-чипы следует подвергнуть испытанию Тb МЭК 68-2-20 (ГОСТ 28211), метод 1А, с дополнениями, приведенными в п. 4.18.3.

Примечание. Настоящие методы испытания применимы только к резисторам-чипам, пригодным для испытания на пайку методом полного погружения. Для других типов резисторов-чипов в ТУ на резисторы конкретных типов должны быть указаны условия применяемых испытаний.

4.18.3. При испытании резисторов-чипов следует использовать метод с применением паяльной ванны.

4.18.3.1. Резистор-чип захватывают пинцетом из нержавеющей стали, как показано на черт. 6. Пинцет не должен соприкасаться с покрытием торцевой поверхности резистора-чипа.

Удерживаемый таким образом резистор-чип следует погрузить в паяльный флюс, активированный 0,2%-ным хлоридом, приблизительно на 2 с, затем дать возможность стечь избытку флюса.

4.18.3.2. Затем резистор-чип следует погрузить в паяльную ванну на глубину 10 мм. Температура паяльной ванны должна быть (260 ±5)°С. Время погружения должно быть (5 ±0,5) с или (10 ±1) с, как указано в ТУ на резисторы конкретных типов.

4.18.3.3. Спустя не более 60 мин остаток флюса удаляют с резистора-чипа соответствующим растворителем, как указано в МЭК 68-2-45, п. 3.1.1 (ГОСТ 28229, п. 3.1.1).

4.18.3.4. Затем резистор-чип подвергают внешнему осмотру в условиях нормального освещения при 10-кратном увеличении.

На нем не должно быть признаков повреждений, таких, как трещины. Растворение покрытия на торцевых поверхностях (выщелачивание) не должно превышать 25% длины соответствующего ребра.

4.18.4. После восстановления резисторы следует подвергнуть внешнему осмотру. На них не должно быть видимых повреждений, а маркировка должна быть четкой.

Следует измерить сопротивление, как указано в п. 4.5, через (24 ±4) ч (для резисторов-чипов 1-2 ч) после испытания, если не установлено, что стабильность достигнута раньше.

Изменение сопротивления по сравнению с измеренным в соответствии с п. 4.18.1 не должно превышать предельного значения, предусмотренного в соответствующих ТУ.

4.19. Быстрая смена температуры

4.19.1. Следует измерить сопротивление, как указано в п. 4.5.

4.19.2. Резисторы следует подвергнуть испытанию Na в соответствии с МЭК 68-2-14 (ГОСТ 28209) в течение пяти циклов. Если иное не указано в соответствующих ТУ, то продолжительность выдержки при каждой из крайних температур должна быть 30 мин.

Затем резистор следует оставить в нормальных атмосферных условиях восстановления на 1-2 ч.

4.19.3. После восстановления резисторы следует подвергнуть внешнему осмотру. На них не должно быть видимых повреждений.

Сопротивление следует измерять, как указано в п. 4.5.

Изменение сопротивления по сравнению с измеренным в соответствии с п. 4.19.1 не должно превышать предельного значения, предусмотренного в соответствующих ТУ.

4.20. Ударная тряска

4.20.1. Резистор следует закрепить, как указано в соответствующих ТУ.

4.20.2. Следует измерить сопротивление, как указано в п. 4.5.

4.20.3. Резисторы следует подвергнуть испытанию ЕЬ в соответствии с МЭК 68-2-29 (ГОСТ 28215), используя степень жесткости, указанную в соответствующих ТУ.

4.20.4. После испытания резисторы следует подвергнуть внешнему осмотру. На них не должно быть видимых повреждений.

Следует измерить сопротивление, как указано в п. 4.5. Изменение сопротивления по сравнению с измеренным в соответствии с п. 4.20.2 не должно превышать предельного значения, предусмотренного в соответствующих ТУ.

4.21. Удар

4.2.1.1. Резистор следует закрепить, как указано в соответствующих ТУ.

4.21.2. Следует измерить сопротивление, как указано в п. 4.5.

4.21.3. Резисторы следует подвергнуть испытанию Еа в соответствии с МЭК 68-2-27 (ГОСТ 28213), используя степень жесткости, указанную в соответствующих ТУ.

4.21.4. Если предусмотрено в ТУ на резисторы конкретных типов, то во время испытания следует проводить измерение сопротивления через интервалы времени, указанные в соответствующих ТУ.

4.21.5. После испытания резисторы следует подвергнуть внешнему осмотру. На них не должно быть видимых повреждений. Следует измерить сопротивление, как указано в п. 4.5. Изменение сопротивления по сравнению с измеренным в соответствии с п. 4.21.2, не должно превышать предельного значения, указанного в соответствующих ТУ.

4.22. Вибрация

4.22.1. Резисторы следует закрепить, как указано в соответствующих ТУ.

4.22.2. Следует измерить сопротивление, как указано в п. 4.5.

4.22.3. Если иное не указано в соответствующих ТУ, то резисторы следует подвергнуть испытанию Fc (методика В4) в соответствии с МЭК 68-2-6 (ГОСТ 29203), используя степень жесткости, предусмотренную в соответствующих ТУ.

Если установлено в ТУ на резисторы конкретных типов, то в течение последних 30 мин испытания на вибрацию в каждом направлении движения следует проводить проверку непрерывности контактирования, размыкания цепи или короткого замыкания. Продолжительность измерения должна быть равна времени одного качания частоты в диапазоне от одного крайнего значения до другого.

4.22.4. После испытания резисторы следует подвергнуть внешнему осмотру. На них не должно быть видимых повреждений. Если резисторы подвергаются испытанию, как указано в п. 4.22.3, то длительность нарушения контакта не должна быть более или равна 0,5 мс, не должно быть размыкания цепи или короткого замыкания. Следует измерить сопротивление, как указано в п. 4.5. Изменение сопротивления по сравнению с измеренным в соответствии с п. 4.22.2 не должно превышать предельного значения, указанного в соответствующих ТУ.

4.23. Последовательность климатических испытаний

При последовательности климатических испытаний между любыми испытаниями допускается интервал времени не более трех дней, но испытание на холод следует проводить сразу после периода восстановления, установленного для первого цикла испытания на влажное тепло циклическое, испытание Db.

4.23.1. Начальные измерения:

a) резисторы должны быть высушены по методике I или II п. 4.3, как установлено в соответствующих ТУ;

b) следует измерить сопротивление, как указано в п. 4.5.

4.23.2. Сухое тепло

Резисторы следует подвергнуть испытанию Ва в соответствии с МЭК 68-2-2 (ГОСТ 28200) при верхней температуре категории в течение 16 ч.

4.23.3. Влажное тепло циклическое, испытание Db, первый цикл

Резисторы следует подвергнуть испытанию Db [МЭК 68-2-30 (ГОСТ 28216)] на один цикл продолжительностью 24 ч, при температуре 55°С (степень жесткости б).

4.23.4. Холод

Резисторы следует подвергнуть испытанию Аа в соответствии с МЭК 68-2-1 (ГОСТ 28199) при нижней температуре категории в течение 2 ч.

4.23.5. Пониженное атмосферное давление:

a) резисторы следует подвергнуть испытанию М в соответствии с МЭК 68-2-13 (ГОСТ 28208) при степени жесткости, установленной в соответствующих ТУ;

b) испытание следует проводить при температуре от 15°С до 35°С. Продолжительность испытания 1 ч.

4.23.6. Влажное тепло циклическое, испытание Db, остальные циклы

Резисторы следует подвергнуть испытанию Db в соответствии с МЭК 68-2-30 (ГОСТ 28216) в течение следующего числа 24-часовых циклов, при температуре 55°С (степень жесткости б): (см. таблицу).

Категория

Число циклов

- / - / 56

5

- / - / 21

1

- / - / 10

1

- / - / 04

Нет

4.23.7. Нагрузка постоянным током (применяют только к непроволочным резисторам)

В конце испытания резисторы помещают в нормальные атмосферные условия испытания. Время перемещения должно быть, по возможности, коротким и не должно превышать 5 мин. Через (30 ±5) мин после извлечения из камеры резисторы следует подвергнуть воздействию напряжения постоянного тока в течение 1 мин. Напряжение должно быть равно номинальному или предельному рабочему, выбирают меньшее значение. Затем резисторы оставляют в нормальных атмосферных условиях испытания на 1-2 ч.

4.23.8. После этого резистор следует подвергнуть внешнему осмотру. На нем не должно быть видимых повреждений, а маркировка должна быть четкой. Затем следует измерить сопротивление и (только у изолированных резисторов) сопротивление изоляции. Изменение сопротивления по сравнению с измеренным в соответствии с п. 4.23. lb не должно превышать значения, установленного в соответствующих ТУ.

Значение сопротивления изоляции не должно быть меньше значения, установленного в соответствующих ТУ.

4.24. Влажное тепло, постоянный режим

4.24.1. Следует измерить сопротивление, как указано в п. 4.5.

4.24.2. Резисторы следует подвергнуть испытанию Са в соответствии с МЭК 68-2-3 (ГОСТ 28201) при степени жесткости, соответствующей климатической категории резистора, как указано в соответствующих ТУ.

4.24.2.1. Изолированные резисторы или те, которые обычно крепят на металлических пластинах или между ними с дополнительной изоляцией или без нее, делят на 3 группы.

a) первую группу резисторов следует подвергнуть этому испытанию без подачи напряжения;

b) вторую группу следует подвергнуть этому испытанию с подачей между выводами напряжения постоянного тока. Подаваемое напряжение следует выбирать из следующего ряда: 0; 4; 6,3; 10; 16; 25; 40; 63 и 100 В. Выбранное напряжение должно иметь следующее меньшее значение по отношению к значению, полученному при расчете напряжения при мощности рассеяния, равной 0,01 номинальной мощности рассеяния, или оно должно составлять 0,1 предельного рабочего напряжения; выбирают меньшее значение. Во время испытания напряжение должно быть, по возможности, близким к указанному напряжению, допускаемое колебание напряжения сети и подобных факторов ±5%;

c) третью группу следует подвергнуть испытанию при напряжении постоянного тока (20 ±2) В, подаваемому между монтажными пластинами и одним из выводов. Монтажные пластины подсоединяют к отрицательному полюсу, а вывод - к положительному полюсу источника напряжения. Напряжение следует подавать непрерывно на протяжении всего испытания.

4.24.2.2. Все остальные резисторы следует разделить на две группы и проводить испытания только по п. 4.24.2.1 а) и b).

4.24.3. Нагрузка постоянным током (применяется только к непроволочным резисторам).

В конце испытания резисторы помещают в нормальные атмосферные условия испытания. Время перемещения должно быть, по возможности, коротким и не должно превышать 5 мин. Через (30 ± 5) мин после извлечения из камеры резисторы следует подвергнуть воздействию напряжения постоянного тока в течение 1 мин. Напряжение должно быть равно номинальному напряжению или предельному рабочему; выбирают меньшее значение. Затем резисторы оставляют в нормальных атмосферных условиях испытания 1-2 ч.

4.24.4. После этого резисторы следует подвергнуть внешнему осмотру. На них не должно быть видимых повреждений, а маркировка должна быть четкой. Затем следует измерить сопротивление и (только для изолированных резисторов) сопротивление изоляции. Изменение сопротивления по сравнению с измеренным в соответствии с п. 4.24.1 не должно превышать значения, установленного в соответствующих ТУ.

4.25. Срок службы

Номинальную мощность рассеяния всегда следует приводить со ссылкой на температуру окружающей среды 70°С, и ее следует проверять испытанием на срок службы при 70°С или в случае определенных мощных резисторов испытанием на срок службы при комнатной температуре с учетом поправочного коэффициента, приведенного в п. 4.25.2.3.

Если изменения в графике зависимости мощности рассеяния от температуры появляются при температурах, отличных от 70°С, то следует применять одну из следующих дополнительных процедур.

1) При температурах ниже 70°С (например, если мощность рассеяния резистора снижается линейно от 20°С через 70°С до нуля при верхней температуре категории или если мощность рассеяния постоянна при температуре от 20°С до 40°С, а затем снижается линейно от 40°С через 70°С до нуля при верхней температуре категории) резисторы следует подвергнуть проверке на условия, указанные в п. 4.25.1 с учетом следующего:

a) температура испытания должна быть такой, при которой появляется изменение на графике;

b) подаваемое напряжение должно быть равно напряжению, вычисленному как корень квадратный из произведения номинального сопротивления и мощности рассеяния при температуре испытания, или оно должно быть равно предельному рабочему напряжению; выбирают меньшее значение. Мощность рассеяния при температуре испытания (Рt) в ваттах следует рассчитывать по формуле

где РНОМ - номинальная мощность рассеяния, Вт;

РС - мощность рассеяния категории, Вт;

Θt - температура испытания, °С;

ΘUC - верхняя температура категории, °С.

2) При температурах выше 70°С (например, если мощность рассеяния резистора постоянна от 20°С через 70°С, например до 125°С, а затем мощность рассеяния снижается линейно до нуля или до мощности рассеяния категории при верхней температуре категории) резисторы следует подвергнуть проверке на условия, приведенные в п. 4.25.1 (срок службы при 70°С), за исключением того, что температура испытания должна быть такой, при которой появляется изменение на графике.

Требования к промежуточным и заключительным измерениям, приведенным в перечислениях 1) и 2), должны быть такими же, как требования, приведенные в соответствующих ТУ для испытания на срок службы при проверке номинальной мощности рассеяния.

4.25.1. Срок службы при 70°С

4.25.1.1. Сопротивление следует измерить, как указано в п. 4.5.

4.25.1.2. Затем резисторы следует подвергнуть испытанию на срок службы в течение 42 сут (1000 ч) при температуре окружающей среды (70 ±2)°С. В соответствующих ТУ может быть указана увеличенная продолжительность испытания (см. п. 4.25.1.8).

4.25.1.3. Резисторы с номинальной мощностью рассеяния не более 15 Вт следует испытывать при напряжении постоянного тока. Пульсация напряжения не должна превышать 5% (амплитудного значения). Резисторы с номинальной мощностью рассеяния более 15 Вт следует испытывать при напряжении переменного тока. Напряжение следует подавать циклично: 1,5 ч «включено» и 0,5 ч «выключено» на протяжении всего испытания. Это напряжение должно быть равно номинальному напряжению или предельному рабочему напряжению; выбирают меньшее значение. Подаваемое напряжение должно быть равно этому напряжению с отклонением ±5%.

Примечание. Получасовые периоды выключения входят в общую продолжительность испытания, установленную в п. 4.25.1.2.

4.25.1.4. Резисторы следует присоединить выводами к соответствующим зажимам на стойке из изолирующего материала. Все резисторы следует крепить в горизонтальном положении, только в один слой, если иное не указано в групповых ТУ. Расстояние между осями резисторов должно быть не менее семикратного диаметра резисторов. Не должно быть чрезмерного движения воздуха вокруг резисторов. Если в испытательной камере применяют принудительную циркуляцию воздуха, то резисторы должны быть защищены так, чтобы вокруг резисторов не было потоков воздуха, за исключением тех, которые появляются в результате естественной конвекции.

4.25.1.5. Размер испытательной камеры и количество испытываемых резисторов должны быть такими, чтобы в случае, когда все резисторы полностью нагружены, тепло, отдаваемое ими, было таким, чтобы нагревательный элемент камеры мог регулировать температуру для поддержания в камере 70°С. Элементы, регулирующие температуру, должны находиться от резисторов на соответствующем расстоянии и должны быть защищены таким образом, чтобы не подвергаться воздействию прямого излучения от резисторов. Предполагается, что при испытании температура окружающей среды резисторов равна 70°С.

4.25.1.6. Приблизительно через 48, 500 и 1000 ч резисторы удаляют из камеры и подвергают восстановлению в нормальных атмосферных условиях испытания в течение 1 - 4 ч. Извлечение из камеры должно происходить после получасового периода выключения. Альтернативно измерение изменения сопротивления может быть проведено при температуре испытания; маркировка должна быть четкой. В этом случае в начале испытания дополнительно следует измерить сопротивление резистора при температуре испытания для целей приведения. Однако начальные и заключительные измерения всегда следует проводить в нормальных атмосферных условиях испытания.

Примечание. Для отдельного образца всегда следует применять ту же методику.

4.25.1.7. Резисторы следует подвергнуть внешнему осмотру. На них не должно быть видимых повреждений, а маркировка должна быть четкой. Следует измерить сопротивление, как указано в п. 4.5; изменение сопротивления по сравнению с измеренным в соответствии с п. 4.25.1.1 в каждом из следующих измерений не должно превышать значения, предусмотренного в соответствующих ТУ. После промежуточных измерений резисторы следует возвратить в испытательную камеру. Промежуток времени между извлечением резистора из камеры и возвращением его в камеру не должен превышать 12 ч. Через 1000 ч следует измерить сопротивление изоляции (только изолированные резисторы), это значение должно быть не меньше указанного в соответствующих ТУ.

4.25.1.8. Если предусмотрено в соответствующих ТУ, то продолжительность испытания следует увеличить на указанный период. Для этого периода в соответствующих ТУ должно быть указано время проведения измерений и требования.

4.25.2. Срок службы при комнатной температуре

4.25.2.1. Следует измерить сопротивление, как указано в п. 4.5.

4.25.2.2. Резисторы следует подвергнуть испытанию на срок службы в течение 42 сут (1000 ч) при температуре окружающей среды от 15°С до 35°С. Если требуется в ТУ на резисторы конкретных типов, то продолжительность испытания может быть увеличена (см. п. 4.25.2.7).

4.25.2.3. Резисторы с номинальной мощностью рассеяния не более 15 Вт следует испытывать при напряжении постоянного тока. Пульсация не должна превышать 5%.

Резисторы с номинальной мощностью рассеяния более 15 Вт следует испытывать при переменном напряжении. Однако резисторы, специально предназначенные для работы в цепях постоянного тока (и описанные в ТУ на резисторы конкретных типов), следует испытывать при постоянном напряжении.

Если резисторы, разработанные специально для применения в цепях постоянного тока, могут иметь температуру поверхности, превышающую температуру окружающей среды более чем на 200°С, то продолжительность испытания должна быть увеличена до 3000 или 5000 ч, как предусмотрено в ТУ на резисторы конкретных типов. В этом случае подаваемое напряжение должно быть одинаковой полярности в течение всего испытания. Напряжение следует подавать циклично: 1,5 ч «включено» и 0,5 ч «выключено» на протяжении всего испытания.

Напряжение должно быть равно номинальному напряжению, умноженному на корень квадратный из поправочного коэффициента, или оно должно быть равно предельному рабочему напряжению; выбирают меньшее значение.

Поправочный коэффициент рассчитывают по формуле

Подаваемое напряжение должно быть равно вычисленному напряжению ±5%.

Примечание. Получасовые периоды выключения входят в общую продолжительность испытания, указанную в п. 4.25.2.2.

4.25.2.4. Резисторы следует присоединить выводами к соответствующим зажимам на стойке из изолирующего материала. Половину резисторов следует крепить в горизонтальном положении, другую половину в вертикальном положении. Резисторы следует размещать в один слой. Расстояние между осями резисторов должно быть не менее семикратного диаметра резисторов. Не должно быть чрезмерного движения воздуха вокруг резисторов. Если в испытательной камере применяется принудительная циркуляция воздуха, то резисторы должны быть защищены так, чтобы вокруг резисторов не было потоков воздуха, за исключением тех, которые появляются в результате естественной конвекции.

4.25.2.5. Приблизительно через 48, 500 и 1000 ч резисторы удаляют из камеры и помещают в нормальные атмосферные условия испытания для восстановления на 1 - 4 ч.

4.25.2.6. Резисторы следует подвергнуть внешнему осмотру. На них не должно быть видимых повреждений, а маркировка должна быть четкой. Следует измерить сопротивление, как указано в п. 4.5; изменение сопротивления по сравнению с измеренным по п. 4.25.2.1, не должно превышать значения, установленного в соответствующих ТУ. После промежуточных измерений резисторы следует возвратить в испытательную камеру.

Промежуток времени между извлечением резистора из камеры и возвращением его в камеру не должен превышать 12 ч. Через 1000 ч следует измерить сопротивление изоляции (только для изолированных резисторов); полученное значение должно быть не менее значения, установленного в соответствующих ТУ.

4.25.2.7. Если предусмотрено в соответствующих ТУ, то продолжительность испытания следует увеличить на указанный период. Для этого периода в соответствующих ТУ должно быть указано время, при котором следует проводить измерение, и требования.

4.25.3 Срок службы при верхней температуре категории

4.25.3.1. Следует измерить сопротивление, как указано в п. 4.5.

4.25.3.2. Резисторы следует подвергнуть испытанию на срок службы в течение 42 сут (1000 ч) при температуре окружающей среды, равной верхней температуре категории, предусмотренной в соответствующих ТУ. Если требуется в ТУ на резисторы конкретных типов, то продолжительность испытания может быть увеличена (см. п. 4.25.3.8).

Для резисторов, мощность рассеяния которых снижается до нуля при температуре 200°С и ниже, испытание следует проводить при нулевой мощности рассеяния. Для резисторов, мощность рассеяния которых снижается до нуля при температуре выше 200°С, испытание следует проводить при 200°С при той доле номинальной мощности рассеяния, которая соответствует 200°С (мощность рассеяния категории).

4.25.3.3 Резисторы с номинальной мощностью рассеяния не более 15 Вт следует испытывать при напряжении постоянного тока. Пульсация не должна превышать 5%. Резисторы с номинальной мощностью рассеяния больше 15 Вт следует испытывать при напряжении переменного тока. Напряжение следует подавать циклично: 1,5 ч «включено» и 0,5 ч «выключено» на протяжении всего испытания. Напряжение должно быть равно предельному рабочему напряжению или напряжению, рассчитанному из мощности рассеяния категории и номинального сопротивления; выбирают меньшее значение. Подаваемое напряжение должно быть равно этому напряжению ±5%.

Примечание. Получасовые периоды выключения входят в общую продолжительность испытания, установленную в п. 4.25.3.2.

4.25.3.4. Если резисторы рассеивают мощность, то их следует крепить, как указано в п. 4.25.1.4 или п. 4.25.2.4, в зависимости от того, что применяют.

Не должно быть чрезмерного движения воздуха вокруг резисторов. Если в испытательной камере применяют принудительную циркуляцию воздуха, то резисторы должны быть защищены так, чтобы вокруг них не было потоков воздуха, за исключением тех, которые появляются в результате естественной конвекции.

4.25.3.5. Размер испытательной камеры и количество испытываемых резисторов должны быть такими, чтобы в случае, когда все резисторы полностью нагружены, тепло, отдаваемое ими, было таким, при котором нагревательный элемент камеры мог бы регулировать температуру для поддержания в камере температуры, равной верхней температуре категории. Элементы, регулирующие температуру, должны находиться от резисторов на соответствующем расстоянии и должны быть экранированы таким образом, чтобы не подвергаться воздействию прямого излучения от резисторов. Предполагается, что при этом испытании температура окружающей среды резисторов равна верхней температуре категории.

4.25.3.6. Приблизительно через 48, 500 и 1000 ч резисторы должны быть удалены из камеры и помещены в нормальные атмосферные условия испытания для восстановления на 1 - 4 ч. Извлечение из камеры следует проводить после получасового периода выключения для резисторов, мощность рассеяния которых не равна нулю.

4.25.3.7. Резисторы следует подвергнуть внешнему осмотру. На них не должно быть видимых повреждений, а маркировка должна быть четкой. Сопротивление следует измерить, как указано в п. 4.5. Изменение сопротивления по сравнению с измеренным по п. 4.25.3.1 в каждом из последующих измерений не должно превышать значения, установленного в соответствующих ТУ для соответствующего испытания на срок службы при 70°С (п. 4.25.1) или при комнатной температуре (п. 4.25.2). После промежуточных измерений резисторы следует возвратить в испытательную камеру. Промежуток времени между извлечением резистора из камеры и возвращением его в камеру не должен превышать 12 ч. Через 1000 ч следует измерить сопротивление изоляции (только для изолированных резисторов); полученное значение должно быть не менее значения, установленного в соответствующих ТУ.

4.25.3.8. Если предусмотрено в соответствующих ТУ, то продолжительность испытания следует увеличить на указанный период. Для этого периода в соответствующих ТУ должно быть указано время измерений и требования.

4.26. Испытание на аварийную перегрузку (только для маломощных непроволочных резисторов)

4.26.1. Цель

Определить пожароопасность в результате возникновения перегрузки на резисторе.

4.26.2. Метод испытания (метод с применением цилиндра из марли)

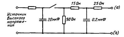
Испытательная установка должна состоять из цилиндра, выполненного из одного слоя марли и расположенного вокруг испытываемого образца на расстоянии (25 ±3) мм от его корпуса.

Слой марли должен быть расположен вокруг внутреннего каркаса, образуя цилиндр (см. черт. 8) с открытыми основаниями.

Внутренний каркас должен быть изготовлен из проволоки круглого сечения диаметром < 0,6 мм; медную проволоку применять не рекомендуется. Проволочный каркас должен располагаться равномерно по всему цилиндру и не должен закрывать более 10% поверхности цилиндра из марли.

Установка с цилиндром из марли

А - на (50 ±1,5) мм больше диаметра изделия; В - не менее удвоенной длины испытываемого резистора

Черт. 8

Длина цилиндра должна быть не менее удвоенной длины корпуса испытываемого образца.

Марля, используемая для изготовления цилиндра, должна быть из необработанной чистой хлопчатобумажной ткани массой от 36,3 до 38,8 г/м2 и должна быть указана под номером 32×28.

Примечание. В документе, являющемся источником, из которого взяты эти размеры, они приведены следующим образом: «Марля, используемая для изготовления цилиндра, должна быть из необработанной хлопчатобумажной ткани шириной 814,4 мм, длиной 4267,2 - 4472 мм на 0,41 кг и известна под номером 32×28».

Марля должна быть выдержана в нормальных атмосферных условиях испытания в течение 24 ч.

Испытываемый образец следует располагать в установке так, чтобы цилиндр из марли равно отстоял от испытываемого образца в осевом и продольном направлениях.

4.26.3. Условия испытания

4.26.3.1. Вентиляция

Это испытание следует проводить в хорошо проветриваемом помещении для уменьшения дыма и паров.

Скорость потока воздуха над испытываемым образцом не должна превышать 30 м/мин.

4.26.3.2. Зажимы для крепления

Зажимы для крепления должны быть легкими и должны соприкасаться с выводами изделия так, чтобы на результаты испытаний не влияло чрезмерное рассеивание тепла из-за метода крепления.

4.26.4. Методика испытания

Если в ТУ на резисторы конкретных типов предусмотрено это испытание, то в них должен быть указан диапазон значений сопротивлений, для которого применяется это испытание, и диапазон значений сопротивлений, из которого следует формировать выборку для испытания.

Резисторы следует подсоединить к стабилизированному источнику переменного напряжения при нормальных атмосферных условиях испытания, если иное не указано в ТУ на резисторы конкретных типов.

К испытываемым резисторам следует прикладывать перегрузки, превышающие номинальную мощность рассеяния в 5, 10, 16, 25, 40, 63 и 100 раз, но приложенное напряжение при этом не должно превышать предельного рабочего напряжения более чем в 4 раза, если иное не указано в ТУ на резисторы конкретных типов.

Каждую перегрузку следует прикладывать к новому образцу в течение (5 ±0,5) мин или до размыкания электрической цепи, или до воспламенения цилиндра из марли; выбирают меньшее время.

Во время испытания ток, проходящий через каждый резистор, следует контролировать путeм измерения напряжения на низкоомном резисторе, соединенном последовательно с испытываемым резистором. Значение сопротивления этого резистора должно быть ≤ 1% RИСП, где RИСП - сопротивление испытываемого резистора.

На этом резисторе следует измерить напряжение, для того чтобы затем определить ток проходящий через RИСП.

Во время каждой перегрузки следует регистрировать время появления следующих явлений:

a) воспламенения цилиндра из марли;

b) низкого полного сопротивления или размыкания цепи (только для сведения).

4.26.5. Требование

Не должно быть воспламенения цилиндра из марли.

4.27. Испытание на перегрузку одиночным импульсом высокого напряжения

4.27.1. Цель

Определить способность резистора выдерживать случайные перегрузки одиночным импульсом высокого напряжения.

Это испытание показывает влияние перегрузки высоким напряжением на электрические параметры и характеристики резистора.

Примечание. Предполагается, что влияние одиночного импульса полностью пропадает до появления следующего импульса.

4.27.2. Термины

Для определения импульсной нагрузки следует применять термины и определения, приведенные в МЭК 60-1.

4.27.3. Методика испытания

Примечание. Описание испытательной установки.

Испытательная установка должна обеспечивать подачу на испытываемый резистор по крайней мере 6 импульсов требуемой формы в минуту.

На черт. 9 и 10 приведены схемы соединений для получения двух предпочтительных форм импульсов.

Импульсный генератор 1,2/50

Черт. 9

Импульсный генератор 10/700

Черт. 10

Примечание. Выключатель, указанный на этих чертежах, может быть или искровым разрядником, или механическим выключателем, или тиристорным выключателем в зависимости от напряжения и тока.

4.27.4. Предварительная выдержка

До начала испытания резистор должен достигнуть теплового равновесия и равновесия по влажности в нормальных атмосферных условиях испытания. Если предусмотрено в ТУ на резисторы конкретных типов, то резисторы следует высушить, пользуясь методикой I по п. 4.3.

4.27.5. Начальные измерения

Если не указано иное, то резисторы следует подвергнуть внешнему осмотру и измерить их сопротивление.

4.27.6. Выдержка

4.27.6.1. Метод крепления резистора должен быть указан в соответствующих ТУ.

4.27.6.2. Резистор следует испытывать в нормальных атмосферных условиях испытания. Испытание проводят на сухих и чистых испытательных образцах при комнатной температуре окружающей среды. Подаваемое импульсное напряжение выбирают в зависимости от применения резистора из табл. 1.

Испытательное импульсное напряжение следует подавать на резистор в соответствии с требованиями п. 4.27.6.3 с определенной степенью жесткости, указанной в соответствующих ТУ.

4.27.6.3. Испытываемый резистор подсоединяют выводами (а) и (b) к соответствующей схеме, см. черт. 9 или 10. Напряжение следует подавать на выводы испытываемого резистора. Уточнения должны быть приведены в соответствующих ТУ.

4.27.7. Степени жесткости

Испытание следует проводить со степенью жесткости, выбранной из табл. 1.

Таблица 1

Степень жесткости

Форма импульса в соответствии с МЭК 60-2**, п. 10.1 или разд. 12, T1/T2, мкс

Напряжение импульса

Число импульсов в минуту

Общее число импульсов

кратное Uном

кратное Uмакс

1

1,2/50

-

10

≤ 6

5

2

15

3

20

4

10/1000
или 10/700

10

2

≤ 1

10

5

20

3

6

30

4

7

40

5

8

50

6

* Выбирают меньшее значение.

Uном - номинальное напряжение;

Uмакс - предельное рабочее напряжение.

** Государственный стандарт находится в стадии разработки.

Примечание. Приведенные значения напряжения импульса являются предполагаемыми значениями максимального напряжения, как указано в МЭК 60-1.

4.27.8. Восстановление

Восстановление проводят в нормальных атмосферных условиях испытания в течение времени, достаточного для достижения тепловой стабильности, но не более 24 ч.

4.27.9. Заключительный контроль, измерения и требования

4.27.9.1. Резисторы следует подвергнуть внешнему осмотру. На них не должно быть видимых повреждений. Маркировка должна быть четкой.

4.27.9.2. Следует измерить сопротивление. Изменение сопротивления по сравнению с измеренным вначале (п. 4.27.5) не должно превышать предельного значения, установленного для испытания на срок службы, если иное не указано в ТУ на резисторы конкретных типов.

4.27.10. Данные, которые необходимо приводить в ТУ на резисторы конкретных типов:

a) Метод крепления резистора для испытания.

b) Степень жесткости испытания выбирают из табл. 1.

c) Температура окружающей среды, если она отличается от 15°С - 35°С.

d) Критерии отказа, например:

допустимое изменение сопротивления, если оно отличается от установленного для испытания на срок службы;

пробой изоляции;

короткое замыкание цепи;

разрыв цепи;

другие критерии.

4.28. Испытание на перегрузку серией импульсов высокого напряжения

4.28.1. Цель

Определить способность резистора выдерживать кратковременные большие перегрузки, возникающие периодически (условия импульсной нагрузки).

Изменения параметров резистора после испытания возникают в основном из-за:

влияний внутреннего напряжения;

влияний тока, включающих локальные термические напряжения и механические силы.

4.28.2.Термины

Применяют следующие термины и определения

4.28.2.1. Длительность импульса (tp) - длительность импульса между временем его начала временем его окончания.

4.28.2.2. Период повторения импульсов (Т) - интервал между временем начала первого импульса и временем начала следующего за ним импульса в периодической серии импульсов.

4.28.2.3. Номинальное напряжение импульса - установившееся значение напряжения, приведенное в приложении С, обозначают символом Û.

Примечание. Û может быть выражено в долях, кратных UH0M, которое является номинальным напряжением резистора и определение которого дано в п. 2.2.15.

4.28.3. Методика испытания

4.28.3.1. Описание испытательной установки

Импульсный генератор должен обеспечивать подачу непрерывной последовательности определенных импульсов с заданным периодом повторения в течение указанной продолжительности испытания. Следует соблюдать предосторожность, чтобы исключить влияние одного испытываемого образца на другой. Для этого может потребоваться отдельный выходной каскад для каждого образца.

Блок-схема соответствующей испытательной установки приведена в приложении С, черт. С1. Она состоит из ряда усилителей мощности (источник напряжения) с низким внутренним полным сопротивлением по сравнению с сопротивлением испытываемого резистора, которые могут передавать заданную серию импульсов с пределами искажений, приведенными на черт. С2. Эти усилители питаются от обычного импульсного генератора, вырабатывающего импульс нужной формы, при необходимости применяя его дальнейшее формирование, сдвиг и задающие каскады.

Для возможности использования более экономичного источника питания для задающего и мощного каскада при испытании многих резисторов одновременно рекомендуется возбуждать их последовательно импульсами, имеющими соответствующий сдвиг по фазе.

4.28.3.2. Предварительная выдержка

До начала испытания резисторы должны достигнуть теплового равновесия и равновесия по влажности в нормальных атмосферных условиях испытания.

Для специального применения другие требования к предварительной выдержке могут быть приведены в соответствующих ТУ.

4.28.3.3. Начальные измерения

Если не указано иное, то резисторы следует подвергнуть внешнему осмотру и измерить их сопротивление.

4.28.3.4. Выдержка

Испытание проводят сериями однополярных импульсов прямоугольной формы с определенным номинальным напряжением импульса, имеющих заданный период повторения и длительность импульса.

Метод крепления резистора должен быть указан в соответствующих ТУ и в тепловом отношении эквивалентен методу крепления при обычном испытании на срок службы. Искажение формы импульса от крепления не должно выходить за пределы, указанные на черт. С2 приложения С.

При температуре (25 ±5)°С (или другой, указанной в соответствующих ТУ) резистор должен быть подвергнут воздействию непрерывной серии импульсов прямоугольной формы со степенью жесткости, указанной в соответствующих ТУ.

4.28.3.5. Степени жесткости

Степень жесткости испытания задается номинальным напряжением импульса, длительностью импульса, периодом повторения импульса, общей продолжительностью испытания и температурой окружающей среды.

Степень жесткости испытания следует выбирать из табл. 2, и она должна быть приведена в соответствующих ТУ. Если степень жесткости испытания не указана, то следует использовать степень жесткости 3.

Таблица 2 Перечень предпочтительных степеней жесткости

Степень жесткости

1

(см. примечание 1)

2

3

4

Номинальное напряжение Û кратное Uном (см. примечание 3)

10

2,5

5

4,5 (~)

Длительность импульса tp, мкс (см. примечание 2)

От 150 до 170

От 7 до 11,5

100

От 820 до 1000

Период повторения импульса Т, мкс, и соответствующая частота f, Гц (см. примечание 2)

От 16667 до 20000

От 59 до 72

2500

От 16667 до 20000

От 50 до 60

От 14 кГс до 17 кГц

400

От 50 до 60

Эквивалентное значение средней мощности Р, % от Rном

100

100

100

100

Продолжительность испытания, ч

100

100

100

100

Примечания:

1. Данная степень жесткости предусматривает требования перегрузки импульсом высокого напряжения Ее следует применять только там, где требуется.

2. Независимые параметры табл. 2 - Û и Р. Значение tp/T (или соответствующее значение tpf) следует подбирать так, чтобы она соответствовала заданным значениям Û и Р.

Длительность импульса tp следует подбирать так, чтобы при значении Т в пределах допускаемого отклонения средняя мощность Р имела правильное значение.

3. С верхним пределом, приведенным в соответствующих ТУ.

Для этих степеней жесткости значения допускаемого изменения сопротивления те же, что и при испытании на срок службы.

Для всех степеней жесткости предпочтительной является прямоугольная форма импульса. Для того чтобы получить больше данных по испытанию за более короткое время, разрешается использовать импульсы экспоненциальной формы при условии, что номинальное напряжение импульса Û и средняя мощность серии импульсов Р остаются такими же, как и при импульсах прямоугольной формы.

Если используются импульсы, отличные от приведенных в приложении С, то форма импульсов, подаваемых на выводы резистора, должна быть полностью охарактеризована в ТУ на резисторы конкретных типов.

4.28.3.6. Промежуточные измерения

Промежуточные измерения могут быть проведены через 4, 24 и 50 ч для сокращения испытания в случае отказа испытываемых резисторов.

4.28.3.7. Восстановление

Восстановление следует проводить в нормальных атмосферных условиях испытания до достижения теплового равновесия, но не более 24 ч.

4.28.3.8. Заключительный контроль, измерения и требования

Резисторы следует подвергнуть внешнему осмотру. На них не должно быть видимых повреждений. Маркировка должна быть четкой.

Следует измерить сопротивление. Изменение сопротивления по сравнению с измеренным вначале (п. 4.28.3.3) не должно превышать предельного значения изменения сопротивления, установленного для испытания на срок службы, если иное не указано в ТУ на резисторы конкретных типов.

У изолированных резисторов следует измерять только сопротивление изоляции.

Значение сопротивления должно быть не менее значения, установленного в ТУ на резисторы конкретных типов.

4.28.3.9. Данные, которые необходимо приводить в ТУ на резисторы конкретных типов

a) Метод крепления испытываемого резистора.

b) Степень жесткости испытания, которую выбирают из п. 4.28.3.5.

c) Температура окружающей среды, если она отличается от (25 ±5)°С.

d) Номинальное напряжение импульса (как указано в п. 4.28.2.3).

e) Допускаемое изменение сопротивления для испытания на срок службы.

f) Сопротивление изоляции.

4.29. Стойкость резистора к воздействию растворителя

4.29.1. Начальные измерения

Следует провести измерения, предусмотренные в соответствующих ТУ.

4.29.2. Изделия следует подвергнуть испытанию ХА в соответствии с МЭК 68-2-45 (ГОСТ 28229) со следующими дополнениями.

a) Используемый растворитель: см. п. 3.1.1 МЭК 68-2-45 (ГОСТ 28229).

b) Температура растворителя (23 ±5)°С, если иное не указано в ТУ на резисторы конкретных типов.

c) Выдержка - метод 2 (без протирки).

d) Время восстановления 48 ч, если иное не указано в ТУ на резисторы конкретных типов. Затем следует провести измерения, предусмотренные соответствующими ТУ; указанные требования должны быть удовлетворены.

4.30. Стойкость маркировки к воздействию растворителя

4.30.1. Изделия следует подвергнуть испытанию ХА в соответствии с МЭК 68-2-45 (ГОСТ 28229) со следующими дополнениями.

a) Используемый растворитель: см. п. 3.1.1 МЭК 68-2-45 (ГОСТ 28229).

b) Температура растворителя (23 ±5)°С.

c) Выдержка - метод 1 (с протиркой).

d) Материал для протирки - гигроскопическая вата.

e) Время восстановления: не применяется, если иное не указано в ТУ на резисторы конкретных типов.

4.30.2. После испытания маркировка должна быть четкой.

4.31. Крепление (только для резисторов-чипов)

4.31.1. Резисторы-чипы следует крепить на соответствующей подложке, метод крепления зависит от конструкции резистора.

В качестве подложки следует использовать печатную плату из слоистого материала на основе стеклоткани, пропитанной эпоксидным связующим, толщиной 1,6 мм или подложку из окиси алюминия толщиной 0,635 мм; подложка не должна влиять на результаты испытания или измерения. В ТУ на резисторы конкретных типов должен быть указан материал для электрических измерений.

Подложка должна иметь металлизированные контактные площадки соответствующего размера, позволяющие крепить резисторы-чипы, и должна обеспечивать электрическое соединение с выводами резистора-чипа. Подробная информация должна быть приведена в ТУ на резисторы конкретных типов.

Примеры испытательных подложек для механических и электрических испытаний показаны на черт. 11 и 12. Если применяется другой метод крепления, он должен быть подробно описан в ТУ на резисторы конкретных типов.

Подложка для механических и электрических испытаний

1 - паяемые площадки; 2 - площадки, не подлежащие пайке (покрыты непаяемым лаком; 3 - проводник может быть исключен или использован в качестве защитного электрода; W - размер, зависящий от конструкции испытательной аппаратуры. Материал - на основе стеклоткани, пропитанный эпоксидным связующим FR4. Размеры, которые не приведены или не пригодны для указанного типа резисторов, должны быть установлены в ТУ на резисторы конкретных типов в соответствии с конструкцией и размерами резисторов, подлежащих испытанию

Черт. 11

Подложка для электрических испытаний

1 - паяемые площадки; 2 - площадки, не подлежащие пайке (покрыты непаяемым лаком); 3 - проводник может быть исключен или использован в качестве защитного электрода. Материал - окись алюминия (чистотой 98%), номинальная толщина 0,635 мм. Размеры, которые не приведены или не пригодны для указанного типа резисторов, должны быть установлены в ТУ на резисторы конкретных типов в соответствии с конструкцией и размером резисторов, подлежащих испытанию

Черт. 12

4.31.2. Если в ТУ на резисторы конкретных типов установлена пайка волной, то для прикрепления резисторов к подложке перед проведением пайки следует использовать соответствующий клей, состав которого должен быть указан в ТУ на резисторы конкретных типов.

Маленькие капли клея следует нанести между проводниками подложки с помощью соответствующего приспособления, обеспечивающего повторяемость результатов.

Резисторы-чипы помещают на эти капли с помощью пинцета. Во избежание попадания клея на проводники, резисторы-чипы не следует сдвигать.

Подложку с резисторами-чипами следует нагревать в печи при температуре 100°С в течение 15 мин.

Подложку следует паять в установке для пайки волной. Установку следует отрегулировать таким образом, чтобы температура предварительного нагрева была от 80°С до 100°С, температура паяльной ванны 250°С и время пайки 5 с.

Операцию пайки следует повторить еще раз (всего два цикла).

Подложку следует очистить в течение 3 мин в соответствующем растворителе, как указано в МЭК 68-2-45, п. 3.1.1 (ГОСТ 28229, п. 3.1.1).

4.31.3. Если в ТУ на резисторы конкретных типов установлена пайка расплавлением полуды применяется следующая методика крепления:

a) Используемый припой, предварительно сформованный или пастообразный, должен быть эвтектическим свинцово-оловянным (Sn/Pb), содержащим серебро (минимум 2%), смешанным с неактивированным флюсом, как указано в МЭК 68-2-20 (ГОСТ 28211).

Альтернативные припои, такие как 60/40 или 63/37, могут применяться для резисторов-чипов конструкция которых содержит барьерный слой, предохраняющий от растворяющего действия припоя.

b) Затем резистор-чип следует поместить на металлизированные контактные площадки испытательной подложки таким образом, чтобы создать контакт между чипом и контактными площадками подложки.

c) Затем подложку следует поместить в (или на) соответствующую нагревательную систему (расплавленный припой, горячую плату, туннельную печь и т.д.).

Температуру системы следует поддерживать в интервале 215°С - 260°С до тех пор, пока не расплавится припой и не растечется, образуя однородное паяное соединение, но не более 10 с.

Примечания:

1. Флюс следует удалить соответствующим растворителем, как указано в МЭК 68-2-45, п. 3.1.1. (ГОСТ 28229, п. 3.1.1).

В дальнейшем с резисторами следует обращаться так, чтобы избежать загрязнения. Необходимо принять меры для поддержания чистоты в испытательных камерах и во время измерений после испытаний.

2. В ТУ на резисторы конкретных типов может быть установлен более узкий температурный диапазон.

3. Если применяется пайка в паровой фазе, может быть применен тот же метод с корректировкой температур.

4.32. Адгезия

4.32.1. Резистор-чип следует крепить, как указано в п. 4.31.

4.32.2. Усилие, равное 5Н, следует прикладывать к центру поверхности, перпендикулярной плоскости подложки и параллельной линии, соединяющей центры выводов. Направление усилия должно быть перпендикулярно к поверхности приложения. Усилие следует прикладывать к корпусу резистора-чипа постепенно, без толчков, и сохранять в течение (10 ±1) с.

4.32.3. Резисторы-чипы следует подвергнуть внешнему осмотру в закрепленном состоянии. На них не должно быть видимых повреждений.

4.33. Сила сцепления покрытия торцевой поверхности

4.33.1. Резистор-чип следует крепить на печатной плате, как указано в п. 4.31.

4.33.2. Сопротивление резистора-чипа следует измерять, как указано в п. 4.5.

4.33.3. Печатную плату с резисторами-чипами, расположенными на нижней стороне, помещают в изгибающее приспособление (черт. 13). Затем плату изгибают на 1 мм со скоростью 1 мм/с.

Изгибающее приспособление

Испытание

1 - печатная плата перед испытанием; 2 - резистор-чип; 3 - опора; 4 - припой; 5 - печатная плата во время испытания; 6 - радиус 340 мм; 7 - ширина, равная ширине данной подложки плюс 5 мм минимум по обеим сторонам; 8 - ширина

Черт. 13

4.33.4. Сопротивление резистора-чипа следует измерять, как указано в п. 4.5, при изогнутом положении платы. Изменение сопротивления по сравнению со значением, измеренным в соответствии с п. 4.33.2, не должно превышать значения, установленного в ТУ на резисторы конкретных типов.

4.33.5. Печатную плату следует вывести из изогнутого положения, а затем извлечь из испытательного приспособления.

4.33.6. Резисторы-чипы следует подвергнуть внешнему осмотру, на них не должно быть видимых повреждений.

ПРИЛОЖЕНИЕ А
Обязательное

ПОЯСНЕНИЯ К ПРАВИЛАМ И ПЛАНАМ ВЫБОРОЧНОГО КОНТРОЛЯ, УСТАНОВЛЕННЫМ В МЭК 410 ДЛЯ ПРИМЕНЕНИЯ В РАМКАХ СИСТЕМЫ СЕРТИФИКАЦИИ ИЗДЕЛИЙ ЭЛЕКТРОННОЙ ТЕХНИКИ МЭК

При использовании МЭК 410 для контроля качественных признаков и по указанным ниже пунктам применяют следующие пояснения для данного стандарта.

1.1. Ответственной организацией является национальное полномочное учреждение, обеспечивающее выполнение основных правил и правил процедуры.

1.5. Единицей продукции является изделие электронной техники, указанное в ТУ на изделия конкретных типов.

2. Из этого пункта требуются только следующие пояснения:

дефект - любое несоответствие единицы продукции установленным требованиям;

дефектное изделие - единица продукции, в которой обнаружены один или несколько дефектов.

3.1. Степень несоответствия продукции выражается процентом дефектных изделий.

3.3. Не применяется.

4.5. Ответственной организацией является технический комитет МЭК, разрабатывающий форму ТУ на изделия конкретных типов, представляющую собой часть общих или групповых ТУ.

5.4. Ответственной организацией является Главный контролер, действующий в соответствии с процедурами, приведенными в документе, устанавливающем деятельность отдела контроля утвержденного изготовителя, и утвержденными Госстандартом СССР.

6.2. Ответственной организацией является Главный контролер.

6.3. Не применяется.

6.4. Ответственной организацией является Главный контролер.

8.1. Нормальный контроль следует всегда применять в начале проверки.

8.3.3.d) Ответственной организацией является Главный контролер.

8.4. Ответственной организацией является Госстандарт СССР.

9.2. Ответственной организацией является Технический комитет МЭК, разрабатывающий форму ТУ на изделия конкретных типов, представляющую собой часть общих или групповых ТУ.

9.4. Четвертое предложение не применяется.

Пятое предложение применяют в следующей редакции:

«Ответственной организацией является Главный контролер».

10.2. Не применяется.

ПРИЛОЖЕНИЕ В
Обязательное
ПРАВИЛА РАЗРАБОТКИ ТУ НА КОНКРЕТНЫЕ ТИПЫ КОНДЕНСАТОРОВ И РЕЗИСТОРОВ ДЛЯ ЭЛЕКТРОННОЙ АППАРАТУРЫ

В.1. Составление проекта полных ТУ на изделия конкретных типов Техническим комитетом № 40 «Конденсаторы и резисторы для электронной аппаратуры», если необходимо, следует начинать только тогда, когда выполнены все следующие условия:

a) утверждены общие технические условия;

b) групповые ТУ представлены на утверждение по Правилу шести месяцев;

c) форма ТУ на изделия конкретных типов представлена на утверждение по Правилу шести месяцев;

d) существует свидетельство, что по крайней мере три национальных комитета официально одобрили в качестве своего национального стандарта ТУ, распространяющиеся на изделие аналогичного исполнения.

Если национальный комитет официально заявляет, что значительная часть требований других национальных стандартов применяется в его стране, то это заявление можно считать соответствующим вышеуказанным требованиям.

В.2. В ТУ на изделия конкретных типов, ответственность за разработку которых несет ТК 40, должны использоваться стандартизованные или предпочтительные значения, предельно допустимые значения и характеристики, жесткости испытаний на воздействие внешних факторов и т.д., которые приведены в соответствующих общих и групповых ТУ. Исключения из этого правила допускаются для специальных ТУ на изделия конкретных типов по согласованию с ТК 40.

В.3. ТУ на изделия конкретных типов не представляются на утверждение по Правилу шести месяцев до тех пор, пока групповые ТУ и формы ТУ на изделия конкретных типов не утверждены для публикации.

ПРИЛОЖЕНИЕ C
(Обязательное)
ПРИМЕР ИСПЫТАТЕЛЬНОЙ УСТАНОВКИ ДЛЯ ИСПЫТАНИЯ НА ПЕРЕГРУЗКУ СЕРИЕЙ ИМПУЛЬСОВ ВЫСОКОГО НАПРЯЖЕНИЯ

Блок-схема испытательной установки

G - импульсный генератор; А1 - Аn - усилитель мощности; Rx1 - Rxn - испытываемые резисторы; U - источник напряжения (источник питания)

Черт. С1

Допускаемые искажения формы импульса

tr, tf ≤ 2 мкс или 10% от tp (наибольшее значение) U 0,1 U

Черт. С2

ПРИЛОЖЕНИЕ D
Обязательное

ПОРЯДОК ВВЕДЕНИЯ СТАНДАРТА В ДЕЙСТВИЕ

1. Для вновь разрабатываемых резисторов, ТЗ на разработку которых утверждены после 01.01.92, дата введения стандарта устанавливается с 01.01.92.

2. Для серийно выпускаемых резисторов дата введения стандарта в действие устанавливается в соответствии с планами-графиками по мере оснащения предприятий специальным технологическим оборудованием, средствами испытаний и измерений.

ИНФОРМАЦИОННЫЕ ДАННЫЕ

1. Постановлением Государственного комитета СССР по управлению качеством продукции и стандартам от 05.07.90 № 2109 введен в действие государственный стандарт СССР ГОСТ 28608-90, качестве которого непосредственно применен международный стандарт МЭК 115-1-82, с 01.01.92

2. ССЫЛОЧНЫЕ НОРМАТИВНО-ТЕХНИЧЕСКИЕ ДОКУМЕНТЫ

Пункт, подпункт, в котором приведена ссылка

Обозначение соответствующего стандарта МЭК

Обозначение отечественного нормативно-технического документа на который дана ссылка

4.27.2, 4.27.7

МЭК 60-1-73

-

4.27.7

МЭК 60-2-73

-

4.2.1, 4.2.2, 4.2.3, 4.2.4

МЭК 68-1-88

ГОСТ 28198-89

4.23.4

МЭК 68-2-1-74

ГОСТ 28199-89

4.23.2

МЭК 68-2-2-74

ГОСТ 28200-89

4.24.2

МЭК 68-2-3-69

ГОСТ 28201-89

4.22.3

МЭК 68-2-6-82

ГОСТ 28203-89

4.23.5

МЭК 68-2-13-83

ГОСТ 28208-89

4.19.2

МЭК 68-2-14-84

ГОСТ 28209-89

4.17.2

МЭК 68-2-20-79

ГОСТ 28211-89

4.18.2

МЭК 68-2-20А-70

ГОСТ 28211-89

4.16

МЭК 68-2-21-83

ГОСТ 28212-89

4.21.3

МЭК 68-2-27-87

ГОСТ 28213-89

4.20.3

МЭК 68-2-29-87

ГОСТ 28215-89

4.23.3, 4.23.6

МЭК 68-2-30-87

ГОСТ 28216-89

4.17.4.4, 4.18.3.3, 4.29.2, 4.30.1, 4.31.2, 4.31.3

МЭК 68-2-45-80

ГОСТ 28229-89

3.4.3, 5.5.1.2

МЭК QC 001002-81

-

Приложение А; 3.5, 3.5.3

МЭК 410-73

-

2.2.1

-

ГОСТ 2.710-81

2.2.1

-

ГОСТ 2.721-74

2.2.1

-

ГОСТ 8.417-2002

4.10

-

ГОСТ 21342.16-78

4.12

-

ГОСТ 21342.19-78

2.4.2

МЭК 62-74

ГОСТ 28883-90

2.3.2

МЭК 63-63

ГОСТ 28884-90

4.4.2

-

ГОСТ 28885-90

3. Замечания к внедрению ГОСТ 28608-90

Техническое содержание стандарта МЭК 115-1-82 «Резисторы постоянные для электронной аппаратуры. Часть 1. Общие технические условия» принимают для использования и распространения на резисторы постоянные народнохозяйственного назначения в соответствии с требованиями настоящего стандарта со следующими уточнениями:

стандартом следует руководствоваться без изменений для резисторов, подлежащих сертификации в рамках МСС ИЭТ МЭК* и поставляемых как внутри страны, так а на экспорт;

оценку готовности предприятий к освоению серийно выпускаемых резисторов проводят по результатам испытаний, проводимых по специальной программе, включающей испытания на утверждение соответствия и, при необходимости, группы разовых испытаний.

4. ПЕРЕИЗДАНИЕ. Май 2005 г.

* МСС ИЭТ МЭК - Международная система сертификации изделий электронной техники МЭК

 

 




ГОСТЫ, СТРОИТЕЛЬНЫЕ и ТЕХНИЧЕСКИЕ НОРМАТИВЫ.
Некоммерческая онлайн система, содержащая все Российские Госты, национальные Стандарты и нормативы.
В Системе содержится более 150000 файлов нормативно-технической документации, действующей на территории РФ.
Система предназначена для широкого круга инженерно-технических специалистов.

Рейтинг@Mail.ru Яндекс цитирования

Copyright © www.gostrf.com, 2008 - 2026