Крупнейшая бесплатная информационно-справочная система онлайн доступа к полному собранию технических нормативно-правовых актов РФ. Огромная база технических нормативов (более 150 тысяч документов) и полное собрание национальных стандартов, аутентичное официальной базе Госстандарта. GOSTRF.com - это более 1 Терабайта бесплатной технической информации для всех пользователей интернета. Все электронные копии представленных здесь документов могут распространяться без каких-либо ограничений. Поощряется распространение информации с этого сайта на любых других ресурсах. Каждый человек имеет право на неограниченный доступ к этим документам! Каждый человек имеет право на знание требований, изложенных в данных нормативно-правовых актах!

  


 

ГОСТ 9090-2000

(ИСО 2908-74)

МЕЖГОСУДАРСТВЕННЫЙ СТАНДАРТ

ПАРАФИНЫ НЕФТЯНЫЕ

Метод определения содержания масла

МЕЖГОСУДАРСТВЕННЫЙ СОВЕТ
ПО СТАНДАРТИЗАЦИИ, МЕТРОЛОГИИ И СЕРТИФИКАЦИИ

Минск

Предисловие

1 РАЗРАБОТАН Техническим комитетом по стандартизации ТК 88 «Парафины, церезины» (ГрозНИИ)

ВНЕСЕН Госстандартом России

2 ПРИНЯТ Межгосударственным Советом по стандартизации, метрологии и сертификации (протокол № 17-2000 от 22 июня 2000 г.)

За принятие проголосовали:

Наименование государства

Наименование национального органа по стандартизации

Азербайджанская Республика

Азгосстандарт

Республика Беларусь

Госстандарт Республики Беларусь

Республика Казахстан

Госстандарт Республики Казахстан

Кыргызская Республика

Кыргызстандарт

Республика Молдова

Молдовастандарт

Российская Федерация

Госстандарт России

Республика Таджикистан

Таджикгосстандарт

Туркменистан

Главгосинспекция «Туркменстандартлары»

Украина

Госстандарт Украины

3 Постановлением Государственного комитета Российской Федерации по стандартизации, метрологии от 3 октября 2000 г. № 246-ст межгосударственный стандарт ГОСТ 9090-2000 введен в действие непосредственно в качестве государственного стандарта Российской Федерации с 1 июля 2001 г.

4 Настоящий стандарт содержит аутентичный текст международного стандарта ИСО 2908-74 «Нефтяные парафины. Метод определения содержания масла» с дополнительными требованиями, отражающими потребности экономики страны

5 ВЗАМЕН ГОСТ 9090-81

ГОСТ 9090-2000

(ИСО 2908-74)

МЕЖГОСУДАРСТВЕННЫЙ СТАНДАРТ

ПАРАФИНЫ НЕФТЯНЫЕ

Метод определения содержания масла

Petroleum paraffins.

Method for determination of oil content

Дата введения 2001-07-01

1 Назначение и область применения

1.1 Настоящий стандарт устанавливает метод определения масла в нефтяных парафинах с температурой плавления 30 °С и выше и массовой долей масла не более 15 %.

Примечание - Для некоторых парафинов с массовой долей масла более 5 % могут возникнуть затруднения ввиду ограниченной растворимости масла в метилэтилкетоне, что может привести к образованию двух жидких фаз. В этом случае данный метод не применяют.

1.2 Содержание масла в парафине оказывает значительное влияние на прочность, твердость, эластичность, стойкость к соскабливанию, коэффициент трения, коэффициент расширения, точку плавления и образование масляных пятен. Важность данного влияния зависит от назначения парафина.

Требования, отражающие потребности экономики страны, выделены курсивом.

2 Нормативные ссылки

В настоящем стандарте использованы ссылки на следующие стандарты:

ГОСТ 61-75 Кислота уксусная. Технические условия

ГОСТ 400-80 Термометры стеклянные для испытаний нефтепродуктов. Технические условия

ГОСТ 1770-74 Посуда мерная лабораторная стеклянная. Цилиндры, мензурки, колбы, пробирки. Общие технические условия

ГОСТ 14870-77 Продукты химические. Методы определения воды

ГОСТ 18995.1-73 Продукты химические жидкие. Метод определения плотности

ГОСТ 18995.7-73 Продукты химические органические. Методы определения температурных пределов перегонки

ГОСТ 25336-82 Посуда и оборудование лабораторные стеклянные. Типы, основные параметры и размеры

ГОСТ 29227-91 Посуда лабораторная стеклянная. Пипетки градуированные. Часть 1. Общие требования

3 Сущность метода

Образец растворяют в метилэтилкетоне, охлаждают до минус 32 °С для осаждения парафина и фильтруют. Содержание масла в фильтре определяют выпариванием метилэтилкетона и взвешиванием остатка.

4 Растворитель

Метилэтилкетон должен соответствовать требованиям и нормам, указанным в таблице 1.

Таблица 1

Наименование показателя

Значение

Метод испытания

1 Относительная плотность 20/20 °С

0,805 - 0,807

ГОСТ 18995.1*

2 Внешний вид

Бесцветный как вода

Приложение Б

3 Пределы перегонки 100 % образца, °С

78 - 81

ГОСТ 18995.7

4 Массовая доля кислот в пересчете на уксусную кислоту, %, не более

0,003

Приложение Б

5 Содержание воды, %, не более

0,3

ГОСТ 14870

6 Остаток после выпаривания, %, не более

0,003

По 7.6 настоящего стандарта

7 Показатель преломления при 20 °С

1,3780 ± 0,002

ГОСТ 18995.2

* Может быть использован соответствующий метод, который дает показатель в тысячных долях.

Растворитель хранят над безводным сульфатом кальция (количество осушителя - 5 % (по массе) растворителя).

Перед употреблением растворитель фильтруют.

5 Аппаратура

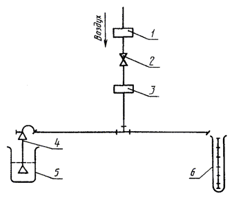
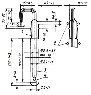
5.1 Прибор для фильтрования, состоящий из фильтровальной трубки диаметром 9 - 11 мм с диском из спекшегося стекла пористостью Р16 (размер пор от 10 до 15 мкм, метод определения описан в приложении А), снабженной входной трубкой, в которую подается под давлением воздух, и выпускным соплом. Фильтровальная трубка снабжена стеклянным шлифом, соответствующим пробирке размером 25 ´ 170 мм с минимальной толщиной 2 мм. Размеры соответствующего прибора для фильтрования приведены на рисунке 1.

1 - шлиф 24/29; 2 - стеклянные крючки; 3 - пробирка для охлаждения; 4 - диск из спекшегося стекла

Рисунок 1 - Прибор для фильтрования

Примечание - При необходимости может быть использована металлическая фильтровальная трубка. Для этой цели используют фильтровальную трубку из нержавеющей стали с диском из спекшегося стекла диаметром 12,7 мм и пористостью Р16 (размер пор от 10 до 15 мкм). Металлическую трубку вставляют в пробирку размером 25 ´ 150 мм и крепят с помощью корковой пробки.

5.2 Ванна охлаждающая, состоящая из изолированного ящика с отверстиями диаметром 25,4 мм в центре, чтобы можно было вставить любое необходимое количество пробирок, и заполненная соответствующей средой, например керосином. Ванна охлаждается циркуляцией хладагента через змеевик или путем использования твердой двуокиси углерода. Соответствующая охлаждающая ванна вместимостью 1000 см3, заполненная охлаждающей средой для трех пробирок показана на рисунке 2.

5.3 Пипетка капельная, снабженная резиновым шариком и калиброванная для подачи (1,0 ± 0,05) г расплавленного парафина.

5.4 Пипетка с одной меткой, калиброванная на (15 ± 0,06) см3 или пипетка исполнения 2 и 2а вместимостью 25 см3 по ГОСТ 29227.

1 - термометр; 2 - регулятор давления воздуха; 3 - фильтровальная трубка; 4 - панель из фенольного пластика; 5 - изоляция из стекловолокна; 6 - наружный корпус; 7 - охлаждающая трубка; 8 - металлический контейнер

Рисунок 2 - Охлаждающая ванна

1 - резиновая пробка с отверстием для воздуха; 2 - адсорбирующая вата; 3 - стеклянная трубка диаметром 6 - 8 мм; 4 - стеклянный цилиндр; 5 - ртуть

Рисунок 3 - Регулятор давления воздуха

5.5 Регулятор давления воздуха, предназначенный для подачи в прибор для фильтрования воздуха требуемого объема и давления, чтобы обеспечить равномерный поток фильтрата.

В данном случае допускается редукционный клапан, снижающий давление воздуха, или ртутный пузырьковый регулятор (рисунок 3), состоящий из стеклянного цилиндра вместимостью 250 см3 по ГОСТ 1770 и Т-образной трубки, которую вставляют в стеклянный цилиндр с помощью резиновой пробки с желобками по бокам для выпуска избыточного воздуха. Объем и давление воздуха, подаваемого в прибор для фильтрования, регулируют глубиной погружения Т-образной трубки в ртуть на дне цилиндра. Над ртутью помещают адсорбирующую вату для предотвращения потерь ртути при расплескивании. Регулятор давления воздуха соединен с фильтровальной трубкой и прибором для фильтрования с помощью резиновых трубок.

5.6 Термометр с неполным погружением, удовлетворяющий следующим требованиям:

температурные пределы, °С                                                                      от -37 до +21

погружение, мм                                                                                          76

деление шкалы, °С                                                                                      0,5

длинные линии на шкале через, °С                                                          1 и 5

цифры на шкале через, °С                                                                          5

погрешность шкалы, °С, не более                                                             0,2

камера расширения с нагревом до, °С                                                      105

общая длина, мм                                                                                         от 350 до 355

диаметр стержня, мм                                                                                   от 7,0 до 8,0

форма шарика                                                                                              цилиндрическая

длина шарика, мм                                                                                       от 15 до 20

диаметр шарика, мм                                                                                   от 6,0 до 7,0

длина градуированной части, мм                                                             от 105 до 140

расстояние от дна шарика до отметки минус 37 °С, мм                         от 170 до 185

верхний торец                                                                                             плоский

средняя температура в окружающей колонне при испытании, °С        21

Допускается применять термометры ТН-8 по ГОСТ 400.

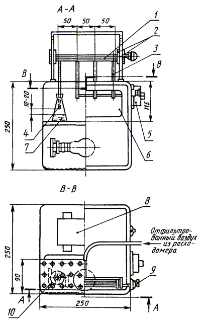
1 - система воздухопроводов; 2 - зубчатая рейка и шестерня для регулирования высоты форсунок; 3 - форсунки для воздуха; 4 - положение форсунок в начале выпаривания; 5 - термостат; 6 - дверца на петлях со стеклянным окном; 7 - бюкса вместимостью 15 мм; 8 - регулятор нагревателя; 9 - гнездо термометра; 10 - перфорированная металлическая плита основания

Рисунок 4 - Выпарной аппарат

5.7 Колбы конической формы со стеклянной крышкой вместимостью 15 см3 или стаканчики типа СВ по ГОСТ 25336.

5.8 Аппарат выпарной (рисунок 4), обеспечивающий температуру (35 ± 1) °С вокруг выпарных колб.

Устанавливают форсунки внутренним диаметром (4,0 ± 0,2) мм и наружным диаметром 6 мм для подачи чистого сухого воздуха вертикально вниз в колбу, установленную на перфорированную металлическую плиту с отверстиями диаметром 6,5 мм. Каждую форсунку устанавливают так, чтобы конец ее выступал на (15 ± 5) мм над поверхностью жидкости в начале выпаривания. Воздух подают со скоростью 2 - 3 дм3 в минуту на каждую форсунку. Воздух предварительно очищают, пропуская его через трубку с диаметром отверстия 10 мм, неплотно набитую адсорбирующей ватой на высоту 200 мм. Периодически контролируют чистоту воздуха, выпаривая 4 см3 метилэтилкетона, по методике, указанной в 7.6. Если остаток не превышает 0,1 мг, то выпарной аппарат работает удовлетворительно.

5.9 Весы аналитические точностью до 0,1 мг и диапазоном измерения от 0,0001 г до 200 г.

При применении весов со шкалой и стрелкой их чувствительность должна быть отрегулирована так, чтобы 0,1 мг соответствовал отклонению стрелки на полделения шкалы.

5.10 Мешалка проволочная, состоящая из куска негнущегося железа или проволоки из никель-хромового сплава диаметром 0,9 мм и длиной 250 мм. На каждом конце проволоки делают петли диаметром 10 мм. Петлю на нижнем конце загибают так, чтобы ее плоскость была перпендикулярна к оси проволоки.

6 Отбор образцов

Если масса образца парафина составляет 1 кг или менее, получают представительную часть, расплавив весь образец и тщательно перемешав. Если масса образца более 1 кг, осторожно отбирают часть его, учитывая, что масло может быть распределено неодинаково по всей массе образца и механические операции могут привести к потере некоторого количества масла.

7 Проведение испытания

7.1 Расплавляют представительную часть образца в химическом стакане на водяной бане или в печи, отрегулированных на температуру 70 - 100 °С. После полного расплавления парафина расплав тщательно перемешивают. Предварительно подогревают капельную пипетку, чтобы предотвратить застывание парафина на кончике пипетки, и отбирают 1 г образца сразу после расплавления парафина. Держат пипетку в вертикальном положении и осторожно переносят ее содержимое в чистую и сухую пробирку, предварительно взвешенную с точностью до 1 мг (см. примечание). Вращают пробирку таким образом, чтобы дно было равномерно покрыто парафином. Это обеспечивает впоследствии более быстрое растворение парафина. Затем пробирку охлаждают и взвешивают с точностью до 1 мг.

Примечание - Так как масса пробирки после промывки растворителем не изменяется в значительной степени, ее можно использовать многократно.

7.2 Переносят пипеткой 15 см3 метилэтилкетона в пробирку и помещают последнюю в горячую воду или паровую баню точно по уровню ее содержимого. Нагревают смесь растворитель - парафин, помешивая далее сверху вниз проволочной мешалкой до получения однородного раствора, избегая потерь растворителя при продолжительном кипении.

Примечание - Образцы парафина с очень высокой температурой плавления могут не образовывать прозрачных растворов. Поэтому смесь перемешивают до тех пор, пока нерастворимые частицы не диспергируются, образуя легкое помутнение.

7.3 Помещают пробирку в химический стакан вместимостью 800 см3 с ледяной водой и продолжают перемешивать содержимое пробирки до полного его охлаждения. Для полного охлаждения пробирку помещают в ледяную воду не менее чем на 10 мин. Затем извлекают мешалку, вынимают пробирку из ледяной бани, обтирают ее снаружи насухо и взвешивают с точностью до 0,1 г.

Примечание - Потери растворителя в результате испарения в ходе этой операции должны быть менее 1 %. Поэтому масса растворителя практически представляет собой постоянную величину. После взвешивания нескольких образцов эта масса, равная приблизительно 11,9 г, может быть использована в качестве постоянной величины.

7.4 Вставляют термометр в пробирку и помещают пробирку, содержащую суспензию парафин-растворитель, в охлаждающую баню, отрегулированную на температуру минус (34,5 ± 1,0) °С. Для того, чтобы получить суспензию одинаковой консистенции, во время охлаждения необходимо непрерывно перемешивать ее с помощью термометра, так как парафин осаждается. Не допускается осаждение парафина на стенках охлаждающего сосуда и образование комков кристаллов парафина. Перемешивают до тех пор, пока температура не достигнет минус (31,7 ± 0,3) °С.

7.5 Погружают в смесь чистую и сухую фильтровальную трубку, которую предварительно охлаждают, помещая ее в пробирку и выдерживая при температуре минус (34,5 ± 1,0) °С в охлаждающей бане в течение 10 мин. Подгоняют стеклянный шлиф фильтра так, чтобы обеспечить герметичность. Помещают открытую колбу, предварительно взвешенную вместе со стеклянной крышкой с точностью до 0,1 мг, под питающее сопло фильтровального прибора.

Примечание - Принимают меры предосторожности, чтобы обеспечить точность взвешивания колбы с крышкой. Перед взвешиванием чистые сухие колбы и крышку промывают метилэтилкетоном или ацетоном и протирают снаружи тканью, затем помещают на 5 мин в выпарной аппарат для сушки. После этого колбу и крышку вынимают, помещают около весов и выдерживают в течение 10 мин перед взвешиванием. Во время охлаждения колбу закрывают крышкой. После того как колба и крышка высушены в выпарном аппарате, их вынимают только пинцетом. Удаление и перемещение стеклянной крышки производится легким прикосновением.

7.6 Подают под давлением воздух в фильтровальный прибор и сразу же собирают в колбу около 4 см3 фильтрата. Затем выпускают сжатый воздух, чтобы дать жидкости медленно стечь с питающего сопла, и сразу же удаляют колбу, закрывают ее крышкой и взвешивают с точностью до 10 мг, не ожидая, пока она примет комнатную температуру. Открывают колбу и помещают ее под одну из форсунок выпарного аппарата, отрегулированного на температуру (35 ± 1) °С так, чтобы форсунка для воздуха была центрирована внутри горловины колбы и конец ее находился на высоте (15 ± 5) мм над поверхностью жидкости. После испарения растворителя, на которое, как правило, уходит не менее 30 мин, вынимают колбу, закрывают крышкой и помещают около весов. Выдерживают в течение 10 мин, затем взвешивают с точностью до 0,1 мг. Испарение повторяют в течение 5 мин до тех пор, пока разность последовательных взвешиваний будет не более 0,2 мг.

8 Обработка результатов

Массовую долю масла в парафине X, %, вычисляют по формуле

Х =  - 0,15,                                                         (1)

где m1 - масса масляного остатка после отгонки растворителя, г;

m2 - масса пробы для анализа парафина, г;

m3 - масса растворителя, полученная вычитанием массы пробирки и образца парафина (7.1) из массы пробирки и ее содержимого (7.3), г;

m4 - масса испарившегося растворителя, полученная вычитанием массы колбы и масляного остатка из массы колбы с фильтратом (7.6), г;

0,15 - средний поправочный коэффициент растворимости парафина в растворителе при температуре минус 31,7 °С.

За результат испытания принимают среднее арифметическое результатов двух параллельных определений. Если результат отрицательный, содержание масла записывают как нулевое.

9 Точность метода

Для определения приемлемости результатов (степень вероятности 95 %) используют критерии, указанные в 9.1 - 9.2.

9.1 Сходимость метода, то есть расхождения при определении содержания масла одного и того же парафина, на одном и том же приборе одним исполнителем, не должны превышать 0,06 - 8,00 % среднего арифметического результата.

9.2 Воспроизводимость метода, то есть расхождения при определении содержания масла одного и того же парафина, произведенных в разных лабораториях на разных приборах разными исполнителями, не должны превышать 0,2 - 11,0 % среднего арифметического результата.

ПРИЛОЖЕНИЕ А

(обязательное)

Определение индекса размера пор жестких пористых фильтров

А.1 Область применения

Настоящее приложение устанавливает метод испытания для определения пригодности жестких пористых фильтровальных трубок, применяемых для фильтрования, в соответствии с требованиями настоящего стандарта. Настоящий метод устанавливает индекс размера пор, а также предусматривает средства выявления и определения изменений, возникающих при длительном использовании фильтров.

А.2 Определение

Индекс размера пор - диаметр наибольшего отверстия в фильтре в микрометрах (мкм).

Примечание - Известно, что индекс размера пор, определенный выше, необязательно указывает физические размеры наибольшей поры в фильтре. Кроме того известно, что форма пор неодинакова. Из-за различия формы пор и других специфических характеристик фильтрования можно полагать, что фильтр удерживает все частицы, размер которых превышает индекс размера пор, как определено настоящим методом, и, как правило, удерживает частицы, размер которых намного меньше установленного диаметра.

А.3 Сущность метода

Фильтр очищают и смачивают водой. Затем его погружают в воду и на внешнюю поверхность подают под давлением воздух до тех пор, пока первые пузырьки воздуха не пройдут через фильтр. Индекс размера пор рассчитывают на основании поверхностного натяжения воды и приложенного давления.

А.4 Аппаратура

А.4.1 Манометр, наполненный ртутью, с делениями 0,5 мм, манометр деформационный образцовый МО-250-01 МПА-0,15.

А.4.2 Устройство для подачи чистого и отфильтрованного воздуха.

А.4.3 Регулятор давления воздуха типа игольчатого клапана.

А.4.4 Печь сушильная.

А.5 Методика определения

А.5.1 Очищают фильтровальную трубку, замачивая ее в концентрированной соляной кислоте, затем промывают дистиллированной водой. После этого фильтр промывают ацетоном, сушат воздухом и помещают на 30 мин в сушильную печь при 105 °С.

А.5.2 Тщательно очищенный, смоченный фильтр испытывают, пропитывая в дистиллированной воде.

А.5.3 Собирают аппарат, как показано на рисунке А.1. Медленно подают под давлением чистый воздух.

А.5.4 Погружают фильтр ниже поверхности воды.

Примечание - При наличии напора жидкости над поверхностью фильтра образовавшееся противодавление необходимо вычесть из наблюдаемого давления.

А.5.5 Увеличивают давление на 10 мм ниже заданного предела, а затем медленно подают воздух с постоянной скоростью около 3 мм ртути в минуту до тех пор, пока первый пузырек воздуха не пройдет через фильтр. Это удобно наблюдать, поместив химический стакан или пробирку на зеркало. Снимают показания манометра, когда первый пузырек воздуха покажется с обратной стороны фильтра.

А.6 Расчет

Диаметр пор D, мкм, вычисляют по формуле

D = ,                                                             (2)

где Р - показания манометра, мм рт. ст.

Примечание - По этому уравнению можно определить давления для верхнего и нижнего пределов диаметров пор. Эти давления можно использовать при приемочных испытаниях.

1 - воздушный фильтр; 2 - регулирующий клапан; 3 - сушильная колба; 4 - фильтровальная трубка; 5 - химический стакан с водой; 6 - манометр

Рисунок А.1 - Схема аппарата для контроля диаметра фильтровальных трубок

ПРИЛОЖЕНИЕ Б

(обязательное)

Определение внешнего вида и кислотности

Б.1 Определение внешнего вида

Для определения внешнего вида испытуемый продукт наливают в цилиндр из бесцветного стекла диаметром 25 - 30 мм и просматривают продукт в проходящем и отраженном свете. При просмотре устанавливают цвет испытуемого продукта.

Б.2 Определение кислотности в пересчете на уксусную кислоту

Б.2.1 Применяемые реактивы и посуда

раствор гидроксида натрия с (NaOH) = 0,01 моль/дм3 (0,01 н.);

фенолфталеин, раствор с массовой долей 1 %, приготовленный по ГОСТ 4919.1;

вода дистиллированная, не содержащая углекислоты по ГОСТ 4517;

колба коническая плоскодонная по ГОСТ 25336 вместимостью 250 см3;

кислота уксусная по ГОСТ 61.

Б.2.2 Проведение анализа

В коническую колбу вносят 50 см3 МЭК, разбавляют до 100 см3 дистиллированной водой и приливают 2 капли раствора фенолфталеина.

Раствор не должен окрашиваться в красный цвет, что указывает на отсутствие щелочной среды. Для определения кислотности раствор титруют 0,01 моль/дм3 раствором гидроксида натрия до появления розового окрашивания.

Массовую долю кислот X, %, в пересчете на уксусную кислоту определяют по формуле

Х = ,                                                   (3)

где V1 - объем точно 0,01 моль/дм3 раствора гидроксида натрия, израсходованный на титрование, см3;

V2 - объем испытуемого МЭК, см3;

0,0006 - масса уксусной кислоты, соответствующая 1 см3 точно 0,01 моль/дм3 раствора гидроксида натрия, г;

r - плотность МЭК, г/см3;

К - поправочный коэффициент для приведения концентрации раствора гидроксида натрия к 0,01 моль/дм3.

Для получения результата проводят два параллельных определения.

Значение параллельных измерений округляют до третьего десятичного знака.

За результат анализа принимают среднее арифметическое двух параллельных определений, которые считаются годными для усреднения, если расхождение между ними не превышает 10 % относительно среднеарифметического.

Окончательный результат округляют до третьего десятичного знака.

Ключевые слова: нефтепродукты, нефтяные парафины, химический анализ, определение содержания, масла, метод

 

 

СОДЕРЖАНИЕ

 

 

 




ГОСТЫ, СТРОИТЕЛЬНЫЕ и ТЕХНИЧЕСКИЕ НОРМАТИВЫ.
Некоммерческая онлайн система, содержащая все Российские Госты, национальные Стандарты и нормативы.
В Системе содержится более 150000 файлов нормативно-технической документации, действующей на территории РФ.
Система предназначена для широкого круга инженерно-технических специалистов.

Рейтинг@Mail.ru Яндекс цитирования

Copyright © www.gostrf.com, 2008 - 2026