Крупнейшая бесплатная информационно-справочная система онлайн доступа к полному собранию технических нормативно-правовых актов РФ. Огромная база технических нормативов (более 150 тысяч документов) и полное собрание национальных стандартов, аутентичное официальной базе Госстандарта. GOSTRF.com - это более 1 Терабайта бесплатной технической информации для всех пользователей интернета. Все электронные копии представленных здесь документов могут распространяться без каких-либо ограничений. Поощряется распространение информации с этого сайта на любых других ресурсах. Каждый человек имеет право на неограниченный доступ к этим документам! Каждый человек имеет право на знание требований, изложенных в данных нормативно-правовых актах!

  


 

ТИПОВЫЕ ТЕХНОЛОГИЧЕСКИЕ КАРТЫ
НА ПРОИЗВОДСТВО ОТДЕЛЬНЫХ ВИДОВ РАБОТ

Раздел 07

ТИПОВАЯ
ТЕХНОЛОГИЧЕСКАЯ КАРТА
НА МОНТАЖ СТРОИТЕЛЬНЫХ КОНСТРУКЦИЙ

7.01.01.58

ДУГОВАЯ МЕХАНИЗИРОВАННАЯ СВАРКА
ПОРОШКОВОЙ ПРОВОЛОКОЙ В ИНВЕНТАРНЫХ ФОРМАХ
ВЫПУСКОВ АРМАТУРЫ В УЗЛАХ СОПРЯЖЕНИЯ
РИГЕЛЬ-КОЛОННА И КОЛОННА-КОЛОННА

МОСКВА - 1989

РАЗРАБОТАНА:

ВНИПИ Промстальконструкция Минмонтажспецстроя СССР

 

СОГЛАСОВАНА:

Отделом организации и технологии строительства Госстроя СССР

Главный инженер

ВНИПИ Промстальконструкция

Б.Ф. Осипов

Письмо от 14.12.88 г. № 23-711

Начальник отдела

С. Жизняков

Введена в действие с 01.02.1989 г.

Главный инженер проекта

Ю.В. Малин

 

1. ОБЛАСТЬ ПРИМЕНЕНИЯ

1.1. Настоящая типовая технологическая карта разработана на дуговую механизированную сварку порошковой проволокой в инвентарных формах выпусков арматуры сборных железобетонных конструкций многоэтажных промышленных зданий серий 1.420-6, 1.420-12, 1.420-13 и 1.020-1/83.

1.2. В типовой технологической карте рассмотрены:

сварка горизонтальных одиночных и спаренных выпусков арматуры в узлах сопряжения ригель-колонна (тип С6 и С12 по ГОСТ 14098-85);

сварка вертикальных одиночных выпусков арматуры в узлах сопряжения колонна-колонна (тип С9 по ГОСТ 14098-85).

Типовая технологическая карта предусматривает сварку выпусков арматуры диаметром 16 - 40 мм класса А-III (стали марок 35ГС и 25Г2С) по ГОСТ 5781-82*.

1.3. Типовая технологическая карта содержит разделы:

Область применения

Организация и технология выполнения работ

Требования к качеству и приемке работ

Калькуляция затрат труда и заработной платы

График производства работ

Материально-технические ресурсы

Техника безопасности

Технико-экономические показатели

Фасетный классификатор факторов

2. ОРГАНИЗАЦИЯ И ТЕХНОЛОГИЯ ВЫПОЛНЕНИЯ РАБОТ

2.1. Организация сварочных работ

2.1.1. Сварочными работами должен руководить квалифицированный специалист, имеющий документ об образовании в области сварки (диплом об окончании высшего или среднего учебного заведения по специальности «Сварочное производство») или окончивший специальные курсы повышения квалификации по сварке для инженеров и техников строителей.

2.1.2. К производству сварочных работ по дуговой механизированной сварке порошковой проволокой в инвентарной форме выпусков арматуры допускаются сварщики, аттестованные на право производства указанных работ.

2.1.3. Перед началом сварочных работ необходимо:

укомплектовать участок определенным составом исполнителей соответствующей квалификации;

установить и настроить на заданный режим сварочное и вспомогательное оборудование;

оградить рабочее место сварщика от атмосферных осадков и сильного ветра, обеспечить доступ к свариваемым стыкам;

провести с рабочими инструктаж по технологии производства работ и технике безопасности с учетом требований к работе на высоте.

2.2. Подготовка стыков выпусков арматуры к сварке

2.2.1. Размер и расположение выпусков арматуры должны соответствовать рабочим чертежам.

2.2.2. При установке элементов железобетонных конструкций должны быть совмещены выпуски арматуры.

Допускаемая величина несоосности стыкуемых выпусков арматуры указана в табл. 1, перелом осей не должен превышать .

Таблица 1

Диаметр выпусков арматуры, мм

Допускаемая величина несоосности выпусков арматуры, % от номинального диаметра

16 - 28

15

32 - 40

10

2.2.3. Доводку выпусков арматуры до соосного положения следует производить отгибом с предварительным подогревом пламенем газовой горелки до температуры 600 - 800 °С (до темно-вишневого цвета). Подогрев выпусков арматуры следует выполнять на расстоянии не ближе 70 мм от бетона.

2.2.4. Перед сваркой выпусков арматуры необходимо с помощью кислородной резки выполнить разделку торцов (рис. 1 - 3).

Параметры разделки торцов и сборки под сварку, соответствующие требованиям ГОСТ 14098-85, приведены в табл. 2 - 4.

Не допускается обрезка выпусков арматуры электрической дугой.

Рис. 1

Таблица 2

Параметры разделки торцов горизонтальных одиночных выпусков арматуры

Размеры, мм

α

β

dн

l1

l2

20; 28; 32; 36; 40

12 - 20

5 - 12

90°-10°

10 - 15°

Рис. 2

Таблица 3

Параметры разделки торцов горизонтальных спаренных выпусков арматуры

Размеры, мм

α

β

dн

l1

25; 28; 32

36

9 - 12

12 - 18

90°-10°

12 - 15°

Рис. 3

Таблица 4

Параметры разделки торцов вертикальных выпусков арматуры

Размеры, мм

α1

β1

dн

l1

l2

z

16 - 40

5 - 15

8 - 20

≤ 0,15dн

90°-10°

40 - 50°

2.2.5. Длина выпусков арматуры из бетона должна быть не менее 150 мм.

Если величина зазора между стыкуемыми выпусками арматуры превышает допустимую, сварка производится с применением арматурных вставок того же диаметра, изготовленных из той же стали, что и выпуски арматуры. Длина вставки должна быть не менее 80 мм. Длина выпусков арматуры при этом должна быть не менее 100 мм.

2.2.6. Перед сваркой выпуски арматуры должны быть зачищены металлической щеткой от грязи, ржавчины и других загрязнений на длине не менее 10 мм от торцов. Вода, снег или лед должны быть удалены с поверхности выпусков путем нагрева их пламенем газовой горелки.

2.3. Установка инвентарных форм

2.3.1. По мере подготовки стыкуемых выпусков арматуры под сварку следует установить на них (симметрично относительно оси межторцового зазора) инвентарные графитовые или медные формы, состоящие из двух половинок с вертикальной плоскостью разъема.

2.3.2. Во избежание вытекания жидкого металла и шлака следует на расстоянии 15 - 20 мм от торцов уплотнить зазоры шнуровым асбестом. Шнуровой асбест должен соответствовать требованиям ГОСТ 1779-83.

2.3.3. Крепление инвентарных форм следует осуществлять скобами, струбцинами или другими быстроразъемными приспособлениями. Проскальзывание инвентарных форм не допускается.

2.4. Сварка выпусков арматуры

2.4.1. Сварку стыков выпусков арматуры разрешается производить после сдачи в установленном порядке узла сопряжения железобетонных элементов, куда входит свариваемый стык, и оформления записи в журнале сварочных работ.

2.4.2. Для сварки следует применять порошковую проволоку марок ППТ-9 диаметром 3 мм; СП-9 диаметром 2,8 мм; допускается применение порошковой проволоки марки СП-3 диаметром 2,6 мм.

Для заварки дефектов и выполнения прихваток рекомендуется применять электроды типа Э50А диаметром 4 мм.

2.4.3. Сварочные материалы должны храниться в заводской упаковке в сухом помещении.

На рабочее место сварочные материалы следует подавать в количестве необходимом для выполнения работы в течение одной смены. При этом сварочные материалы должны находиться в сухом, укрытом от осадков месте.

2.4.4. Перед употреблением сварочные материалы необходимо термообработать. Ориентировочные режимы термообработки приведены в табл. 5.

Таблица 5

Сварочные материалы

Режимы термообработки

температура, °С

время, ч

Порошковая проволока

 

 

ППТ-9

160 - 180

2,0 - 2,5

СП-9

160 - 180

1,5 - 2,0

СП-3

150 - 200

1,0 - 1,5

Электроды типа Э50А

350 - 400

1,0 - 2,0

Примечание. Повторная термообработка порошковой проволоки не допускается.

2.4.5. Режимы сварки порошковыми проволоками ППТ-9 и СП-9 приведены соответственно в табл. 6; 7.

Сварка выполняется постоянным током обратной полярности.

Таблица 6

Диаметр выпусков арматуры, мм

Скорость подачи проволоки, м/ч

Напряжение дуги, В

Сварочный ток, А

Длина вылета проволоки, мм

16; 20; 25

210 - 230

24 - 26

280 - 300

30 - 50

28; 32

210 - 230

25 - 27

310 - 340

30 - 50

36; 40

210 - 230

28 - 30

350 - 380

30 - 50

Примечание. Для сварки горизонтальных спаренных выпусков арматуры порошковая проволока ППТ-9 не применяется.

Таблица 7

Диаметр выпусков арматуры, мм

Скорость подачи проволоки, м/ч

Напряжение дуги, В

Сварочный ток, А

Джина вылета проволоки, мм

16; 20; 25

140 - 160

24 - 26

280 - 300

50 - 60

28

160 - 180

26 - 28

310 - 330

50 - 60

32

180 - 200

28 - 30

340 - 360

50 - 70

36

210 - 220

30 - 32

360 - 380

60 - 80

40

230 - 250

32 - 34

390 - 410

60 - 80

Примечание. Режимы сварки порошковой проволокой СП-3 аналогичны режимам сварки порошковой проволокой СП-9.

2.4.6. Дуговую механизированную сварку выпусков арматуры порошковой проволокой производить полуавтоматами ПДО-517 (А-765) или ПДФ-502 с использованием в качестве источников питания выпрямителя ВДУ-504-1 или преобразователя ПСГ-500-1.

2.4.7. При сварке выпусков арматуры с использованием вставки рекомендуется собрать один из стыков с зазором 0 - 5 мм, произвести прихватку, после чего установить инвентарную форму на второй стык и произвести механизированную сварку порошковой проволокой. Затем установить инвентарную форму на первый стык и произвести сварку.

Прихватку следует выполнять постоянным током обратной полярности, сила тока 110 - 160 А; в качестве источника питания должны быть применены выпрямители ВДУ-504-1, ВДУ-505 или другие с падающими вольтамперными характеристиками.

Прихватку допускается выполнять механизированным способом на режимах, приведенных в табл. 6; 7.

2.4.8. В случае выполнения сварки при отрицательной температуре необходимо:

повысить сварочный ток на 1 % при понижении температуры на каждые 3 °С;

произвести после установки и закрепления инвентарных форм предварительный подогрев выпусков арматуры газовой горелкой до температуры 200 - 250 °С на длину 90 - 150 мм от центра стыка (контроль температуры следует осуществлять термоиндикаторными карандашами марки 240 по ТУ 6-10-1110-75);

снизить скорость охлаждения после сварки (сваренные стыки закрыть асбестовой тканью по ГОСТ 6102-78*).

Производить сварку при температуре окружающего воздуха ниже минус 30 °С не допускается.

2.4.9. Для получения стыкового соединения выпусков арматуры следует:

при сварке горизонтальных выпусков арматуры возбудить дугу путем касания сварочной проволокой торца выпуска (не допускается возбуждать дугу путем замыкания проволоки на элементы инвентарной формы);

проплавить нижнюю часть торца одного из выпусков, сообщая проволоке колебательные движения, показанные на рис. 4 и 5 стрелками; переместить конец проволоки на нижнюю часть второго выпуска и проплавить ее;

после образования ванны жидкого металла и шлака путем быстрых перемещений конца сварочной проволоки по краям ванны постепенно заполнить плавильное пространство (рис. 4,б и 5,б);

при сварке вертикальных выпусков арматуры возбудить дугу путем касания сварочной проволокой торца нижнего выпуска (не допускается возбуждать дугу путем замыкания проволоки на элементы инвентарной формы);

проплавить торец нижнего выпуска, сообщая проволоке колебательные движения, показанные на рис. 6 стрелками;

после образования ванны жидкого металла и шлака заполнить всю разделку соединения, при этом колебательные движения конца проволоки в районе скоса верхнего выпуска арматуры следует чередовать с круговыми движениями по периметру ванны ис. 6,б).

При сварке горизонтальных и вертикальных выпусков арматуры для обеспечения стабильности процесса и малого разбрызгивания электродного металла порошковую проволоку по возможности следует подавать перпендикулярно поверхности ванны с постоянной скоростью.

В конце сварки с целью избежания образования усадочной раковины и подрезов рекомендуется сделать два-три перерыва с интервалом 3 - 4 с; сварочную проволоку при этом следует располагать перпендикулярно сварочной ванне, не допуская ее приближения к центру плавильного пространства.

Процесс сварки следует закончить, когда поверхность шлаковой ванны достигнет уровня верхнего края инвентарной формы.

2.4.10. Снимать форму следует через 5 - 10 мин. после окончания сварки легким ударом молотка, после чего охладить ее на воздухе и очистить от шлака.

2.4.11. По окончании сварки сварное соединение должно быть очищено от шлака и брызг и замаркировано личным клеймом сварщика.

3. ТРЕБОВАНИЯ К КАЧЕСТВУ И ПРИЕМКЕ РАБОТ

3.1. Контроль качества производства сварочных работ должен быть комплексным и включать в себя:

предварительный (входной);

операционный (в процессе производства сварочных работ);

окончательный (приемочный).

Этапы, содержание и объем контроля качества даны в табл. 8.

1 - точка возбуждения дуги; 2 - сварочная проволока; 3 - инвентарная форма; 4 - уплотнение из шнурового асбеста; 5 - наплавленный металл; 6 - шлак

Рис. 4

1 - точка возбуждения дуги; 2 - сварочная проволока; 3 - инвентарная форма; 4 - уплотнение из шнурового асбеста; 5 - наплавленный металл; 6 - шлак

Рис. 5

1 - точка возбуждения дуги; 2 - сварочная проволока; 3 - инвентарная форма; 4 - уплотнение из шнурового асбеста; 5 - наплавленный металл; 6 - шлак

Рис. 6

3.2. При выполнении этапов контроля и приемки сварных соединений необходимо руководствоваться требованиями следующих нормативных документов:

ГОСТ 14098-85. Соединения сварные арматуры железобетонных изделий и конструкций. Контактная и ванная сварка. Основные типы и конструктивные элементы;

ГОСТ 10922-75. Арматурные изделия и закладные детали сварные для железобетонных конструкций. Технические требования и методы испытаний;

ГОСТ 23858-79. Соединения сварные стыковые и тавровые арматуры железобетонных конструкций. Ультразвуковые методы контроля качества. Правила приемки.

Таблица 8

Наименование процессов, подлежащих контролю

Предмет контроля

Инструмент и способ контроля

Периодичность контроля

Ответственный контролер

Технические критерии оценки качества

Предварительный контроль

 

 

 

 

 

Состояние сварочного оборудования, оборудования для газопламенной обработки, инструмента и приспособлений

Правильность подключения исправного сварочного оборудования и оборудования для газопламенной обработки, исправность инструмента и приспособлений

Внешний осмотр

До начала работ

Мастер, прораб

Работоспособность оборудования, инструмента и приспособлений

Качество сварочных материалов, их подготовка и условия хранения

Сертификаты на сварочные материалы, качество поверхности порошковой проволоки, соблюдение температуры и времени термообработки порошковой проволоки и электродов, условия хранения сварочных материалов

Внешний осмотр, термометром - температуру термообработки порошковой проволоки и электродов, по часам - время термообработки

То же

То же

Наличие сертификатов на сварочные материалы. Отсутствие дефектов на поверхности порошковой проволоки и электродов. Правильность режима термообработки сварочных материалов (см. табл. 5)

Квалификация сварщиков

Протоколы испытаний и удостоверения сварщиков

Визуально

Перед началом работ

Мастер, прораб

Наличие протоколов испытаний и удостоверений сварщиков, допускающих к выполнению механизированной сварки выпусков арматуры порошковой проволокой в инвентарных формах

Подготовка стыков выпусков арматуры

Геометрические параметры стыкуемых выпусков арматуры. Качество зачистки выпусков арматуры

Внешний осмотр; линейкой, шаблоном - разделку торцов

То же

То же

Соответствие требованиям табл. 2 - 4 и п. 2.2.6

Операционный контроль

 

 

 

 

 

Точность сборки выпусков арматуры

Соосность выпусков и величина переломов осей, величина зазора в стыке и точность сборки форм

Внешний осмотр; линейкой - величину переломов осей и зазора в стыке

Перед выполнением сварки соединений

"

Соответствие требованиям п. 2.2.2

Правильность выбора режима сварки

Наличие наружных дефектов и размеры сварных соединений, механические свойства 3-х пробных образцов сварных соединений, изготовленных на выбранном режиме

Внешний осмотр; линейкой - проверка размеров образцов; оборудование для механических испытаний

Перед выполнением сварки соединений

Мастер, прораб, сварочная лаборатория строительно-монтажной организации

Соответствие размеров пробных образцов требованиям п. 3.3 и табл. 9, соответствие механических свойств (результатов испытаний на статическое растяжение) требованиям п. 3.6 и табл. 10

Качество сварных соединений в процессе их выполнения

Наличие наружных дефектов и размеры полученных сварных соединений

Внешний осмотр; линейкой - проверка размеров сварных соединений

Два раза в смену

Мастер, прораб

Соответствие размеров сварных соединений требованиям п. 3.3 и табл. 9. Наличие дефектов, выявленных внешним осмотром и приведенных в п. 3.4 и табл. 10

Окончательный контроль

 

 

 

 

 

Качество сварных соединений

Наличие наружных дефектов и размеры 100 % сварных соединений, механические свойства 3-х контрольных образцов от партии сварных соединений, выполненных одним сварщиком, или результаты ультразвукового контроля 10 % сваренных стыков (только одиночных выпусков арматуры)

Внешний осмотр; линейкой - проверка размеров образцов; оборудование для механических испытаний, ультразвуковой дефектоскоп

После сварки партии соединений

Сварочная лаборатория строительно-монтажной организации

Соответствие размеров сваренных соединений требованиям п. 3.3. Наличие дефектов, выявленных внешним осмотром (п. 3.4 и табл. 10) и ультразвуковым контролем. Соответствие механических свойств (результатов испытаний на статическое растяжение) требованиям п. 3.6, табл. 11

3.3. Конструктивные элементы сварных соединений выпусков арматуры, а также пробных и контрольных образцов (рис. 7) должны иметь размеры, приведённые в табл. 9, соответствующие требованиям ГОСТ 14098-85.

Рис. 7

Таблица 9

Обозначение сварного соединения по ГОСТ 14098-85

Размеры, мм

dн

l

h1

h2

С6

20

≤ 30

2 - 3

≤ 4

25

≤ 37

3 - 4

≤ 5

28

≤ 42

3 - 4

≤ 6

32

≤ 48

3 - 5

≤ 6

36

≤ 54

4 - 5

≤ 7

40

≤ 60

4 - 6

≤ 8

С12

25

33

3 - 4

≤ 5

28

34

3 - 4

≤ 6

32

38

3 - 5

≤ 6

36

43

4 - 6

≤ 7

С9

16

≤ 32

25

≤ 2

20

≤ 40

≤ 3

22

≤ 44

≤ 3

25

≤ 50

≤ 4

28

≤ 56

≤ 4

32

≤ 64

≤ 5

36

≤ 72

≤ 5

40

≤ 80

≤ 6

3.4. Согласно требованиям ГОСТ 10922-75 в сварных соединениях по результатам внешнего осмотра не допускаются трещины, резкие сужения швов, скопления и цепочки пор, шлаковых включений.

Наружные дефекты сварных соединений не должны превышать значений, приведенных в табл. 10.

Таблица 10

Наименование дефекта

Единица измерения

Величина дефекта, не более

Количество наружных пор и шлаковых включений

шт.

5

Диаметр отдельных наружных пор и плоских включений

мм

2,0

Для исправления вышеперечисленных дефектов следует выбрать дефектное место абразивным инструментом, произвести предварительный подогрев до 200 - 250 °С, после чего подварить электродами типа Э50А.

3.5. При выявлении дефектов, которые невозможно исправить способом, указанным в п. 3.4, сварное соединение необходимо удалить с помощью кислородной резки. На место вырезанного стыка приварить промежуточную вставку длиной не менее 80 мм, после чего произвести внешний осмотр и ультразвуковой контроль обоих стыков (только одиночных выпусков).

3.6. По результатам механических испытаний на статическое растяжение контрольных образцов (из арматурных стержней) наименьшее и среднее арифметическое значения показателей прочности должны быть не менее соответствующих значений С1 и С2, приведенных в табл. 11 (согласно требованиям ГОСТ 10922-75).

Таблица 11

Класс арматуры

Браковочные минимумы значений показателей прочности сварных соединений, МПа (кгс/мм2)

наименьшего С1

среднего арифметического С2

А-III

500 (51)

586 (60)

Для выпусков арматуры диаметром 36 и 40 мм допускается снижение браковочных значений С1 и С2 на 10 %.

4. КАЛЬКУЛЯЦИЯ ЗАТРАТ ТРУДА И ЗАРАБОТНОЙ ПЛАТЫ НА 100 СТЫКОВ

Таблица 12

Наименование процесса

Номера фасета для пересчета показателей

Единица измерения

Объем работ

Обоснование (нормативный документ)

Диаметр выпусков арматуры, мм

Норма времени на 1 стык, чел.-ч

Расценка на 1 стык, р.-к.

Затраты труда, чел.-ч

Заработная плата, р.-к.

Горизонтальные одиночные выпуски арматуры

Подготовка выпусков арматуры к сварке

01

стык

100

Сборник типовых норм и расценок на строительные и ремонтно-строительные работы, выпуск 8, ЦБНТС, 1979 г., ЕНиР сборник Е22, Сварочные работы, выпуск 1, §§ Е22-1-22; Е22-1-26

20

0,125

0-08,91

12,5

8-91

25

0,132

0-09,39

13,2

9-39

28

0,138

0-09,83

13,8

9-83

32

0,144

0-10,25

14,4

10-25

36

0,151

0-10,76

15,1

10-76

40

0,157

0-11,18

15,7

11-18

Сварка выпусков арматуры

 

"

100

 

20

0,143

0-14,60

14,3

14-60

25

0,153

0-15,61

15,3

15-61

28

0,159

0-16,25

15,9

16-25

32

0,166

0-16,97

16,6

16-97

36

0,174

0-18,15

17,4

18-15

40

0,182

0-18,52

18,2

18-52

Заключительные работы после сварки

 

"

100

 

20

0,124

0-08,83

12,4

8-88

25

0,132

0-09,39

13,2

9-39

28

0,138

0-09,83

13,8

9-83

32

0,143

0-10,18

14,3

10-18

36

0,151

0-10,76

15,1

10-76

40

0,157

0-11,18

15,7

11-18

Горизонтальные спаренные выпуски арматуры

Подготовка выпусков арматуры к сварке

01

стык

100

Сборник типовых норм и расценок на строительные и ремонтно-строительные работы, выпуск 8, ЦБНТС, 1979 г., ЕНиР сборник Е22, Сварочные работы, выпуск 1, §§ Е22-1-22, Е22-1-26

25

0,242

0-17,23

24,2

17-23

28

0,249

0-17,74

24,9

17-74

32

0,256

0-18,23

25,6

18-23

36

0,264

0-18,80

26,4

18-80

Сварка выпусков арматуры

 

"

100

 

25

0,285

0-29,05

28,5

29-05

28

0,287

0-29,23

28,7

29-23

32

0,295

0-30,14

29,5

30-14

36

0,306

0-31,23

30,6

31-23

Заключительные работы после сварки

 

"

100

 

25

0,242

0-17,23

24,2

17-23

28

0,249

0-17,74

24,9

17-74

32

0,256

0-18,23

25,6

18-23

36

0,264

0-18,80

26,4

18-80

Вертикальные выпуски арматуры

Подготовка выпусков арматуры к сварке

01

стык

100

Сборник типовых норм и расценок на строительные и ремонтно-строительные работы, выпуск 8, ЦБНТС, 1979 г., ЕНиР сборник Е22

Сварочные работы, выпуск 1, §§ Е22-1-22; Е22-1-26

16

0,113

0-08,05

11,3

8-05

20

0,140

0-09,97

14,0

9-97

22

0,145

0-10,33

14,5

10-33

25

0,150

0-10,68

15,0

10-68

28

0,155

0-10,90

15,3

11-04

32

0,162

0-11,53

16,2

11-53

36

0,170

0-12,10

17,0

12-10

40

0,177

0-12,61

17,7

12-61

Сварка выпусков арматуры

 

"

100

 

16

0,129

0-13,16

12,9

13-16

20

0,160

0-16,34

16,0

16-34

22

0,169

0-17,25

16,9

17-25

25

0,174

0-17,79

17,4

17-79

28

0,182

0-18,52

18,2

18-52

32

0,186

0-18,97

18,6

18-97

36

0,197

0-20,00

19,7

20-00

40

0,203

0-20,70

20,3

20-70

Заключительные работы после сварки

 

"

100

 

16

0,112

0-07,97

11,2

7-97

20

0,140

0-09,90

14,0

9-97

22

0,145

0-10,33

14,5

10-33

25

0,150

0-10,68

15,0

10-68

28

0,155

0-10,90

15,5

11-03

32

0,161

0-11,47

16,1

11-47

36

0,170

0-12,10

17,0

12-10

40

0,176

0-12,53

17,6

12-53

Примечания:

1. Калькуляция затрат труда и заработной платы составлена для варианта сварки порошковой проволокой марки СП-9.

2. Для расценок газорезчиков и электросварщиков введен коэффициент 1,12 (ЕНиР на строительные, монтажные и ремонтно-строительные работы. Общая часть. Приложение 4).


5. ГРАФИК ПРОИЗВОДСТВА РАБОТ НА 1 УЗЕЛ

Таблица 13

Продолжение табл. 13

Продолжение табл. 13

Продолжение табл. 13

Продолжение табл. 13

Продолжение табл. 13

Примечание. График производства работ составлен для варианта сварки порошковой проволокой марки СП-9.


6. МАТЕРИАЛЬНО-ТЕХНИЧЕСКИЕ РЕСУРСЫ

6.1. Потребность в оборудовании, инструментах и приспособлениях приведена в табл. 14.

Таблица 14

Наименование

Марка, техническая характеристика, ГОСТ

Количество

Назначение

Сварочный полуавтомат в комплекте с источниками питания

ПДФ-502

ТУ 16-683.005-84

ПДО-517 (А-765)

ТУ 16-739.379-83

1

Для механизированной сварки

Сварочные выпрямители

ВДУ-504-1

ТУ 16-739.143-78

ВД-306

ТУ 16-739-198-79

ВДУ-505

ТУ 16.739.198-79

1

Для ручной дуговой сварки

Электропечь

СНО-5,5.5/5-И1

Утенский завод лабораторных электропечей

1

Для термообработки порошковой проволоки и электродов

Передвижное машинное помещение с инвентарным сварочным постом

Изготовленное по чертежам, утвержденным в установленном порядке

1

Для размещения сварочного оборудования

Резак

РЗП-01

«Маяк 2-02»

1

Для обрезки выпусков арматуры

Горелка

ГЗУ-4

ТУ 26-05-468-77

ГВ-1

ТУ 26-05-466-77

1

Для подогрева выпусков арматуры

Редуктор пропан-бутановый

ДПП-1-65

ТУ 26-05-463-76

1

 

Редуктор кислородный

ДКП-1-65

ТУ 26-05-463-76

1

 

Баллон кислородный

ГОСТ 949-73*

4

 

Баллон пропан-бутановый

ГОСТ 15860-84

1

 

Рукав резиновый для газовой резки Æ 9 мм

ГОСТ 9356-75*

 

 

класс I

 

60 м

 

класс II

 

60 м

 

Очки защитные

ОД2

ГОСТ 12.4.013-85Е

1

Для газорезчика

Кабели силовые гибкие

КОГ1 1 ´ 50 или КОГ2 1 ´ 50

ГОСТ 6731-77*Е

60 м

Для подвода тока к сварочному оборудованию

Электрододержатель пассатижного типа

ЭД-310-2У1

ГОСТ 14651-78

1

 

Наголовный щиток

НС-1 или НСП-1

ГОСТ 12.4.023-84

2

Для электросварщиков

Инвентарная форма из графита ГТ-1; ГТ-2; ГТ-3 или меди М-1; М-2

Чертежи треста Мосоргстрой

24

 

Струбцины или скобы

 

24

Для крепления инвентарных форм

Шнуровой асбест

ГОСТ 1779-83

1 кг

Для уплотнения зазоров между выпусками арматуры и инвентарной формой

Термоиндикаторные карандаши

240

ТУ 6-10-1110-76

1 компл.

Для измерения температуры предварительного подогрева

Клещи для переноски горячих форм

ГОСТ 14184-83

1

 

Кувалда тупоносая 5 кг

ГОСТ 11401-75Е

1

Для правки выпусков арматуры

Щетка металлическая

 

2

Для зачистки поверхности выпусков арматуры

Зубило

ГОСТ 7211-86Е

2

Для зачистки сварного соединения от шлака

Молоток

ГОСТ 3210-77*Е

1

То же

Клеймо сварщика

 

1

Клеймение сварных соединений

Пояс предохранительный

ГОСТ 12.4.089-80

3

 

6.2. Потребность в сварочных материалах, необходимых для сварки 100 стыков, приведена в табл. 15.

Таблица 15

Вид соединения выпусков арматуры

Наименование материала (марка, ГОСТ, ТУ)

Единица измерения

Норма расхода на 100 стыков

диаметр, мм

16

20

22

25

28

32

36

40

Горизонтальные одиночные

Порошковая проволока ППТ-9

ТУ 36-2708-85;

или СП-9

ТУ 36.44.15-2-86;

или СП-3

ТУ 36-2516-83

кг

-

8,0

-

14,3

17,9

24,8

32,6

42,3

Электроды тип Э50А ГОСТ 9467-75

кг

-

0,5

-

0,6

0,7

0,8

0,9

1,0

Кислород

ГОСТ 5583-78*

л

-

1200

-

1580

1820

2380

3020

3766

Пропан-бутан

ГОСТ 20448-80*

л

-

92

-

114

126

148

172

196

Горизонтальные спаренные

Порошковая проволока СП-9

ТУ 36.44.15-2-86;

или СП-3

ТУ 36-2516-83

кг

-

-

-

21,0

28,2

39,6

50,8

-

Электроды тип Э50А ГОСТ 9467-75

кг

-

-

-

0,6

0,7

0,8

0,9

-

Кислород

ГОСТ 5583-78*

л

-

-

-

2940

3640

4760

6040

 

Пропан-бутан

ГОСТ 20448-80*

л

-

-

-

228

252

296

344

-

Вертикальные

Порошковая проволока ППТ-9

ТУ 36-2708-85

или СП-9

ТУ 36.44.15-2-86,

или СП-3

ТУ 36-2516-83

кг

19,1

21,3

24,1

32,5

45,9

63,8

85,8

108,1

Электроды тип Э50А ГОСТ 9467-75

кг

0,4

0,5

0,5

0,6

0,7

0,8

0,9

1,0

Кислород

ГОСТ 5583-78*

л

1000

1200

1310

1470

1820

2380

3020

3766

Пропан-бутан

ГОСТ 20448-80*

л

70

92

95

114

126

148

172

196

7. ТЕХНИКА БЕЗОПАСНОСТИ

7.1. При производстве работ по сборке и сварке выпусков арматуры железобетонных конструкций следует соблюдать требования СНиП III-4-80, ГОСТ 12.3.003-86 и ГОСТ 12.1.004-85.

7.2. При работе на высоте более 1,3 м (от земли или перекрытия) рабочие обязаны пользоваться предохранительными поясами.

7.3. Сварочные работы на высоте необходимо производить с лесов, подмостей, имеющих огражденные рабочие площадки с настилом из несгораемых (трудносгораемых) материалов. Конструкции подмостей должны применяться в соответствии с проектом производства работ. Выполнение сварочных работ с лесов и подмостей разрешается только после проверки их руководителем работ. Сварочные работы допускается производить с ранее смонтированных конструкций, имеющих ограждения или обеспечивающих возможность закрепления предохранительных поясов.

7.4. Места выполнения сварочных работ, а также размещения сварочного оборудовали и баллонов с газами в радиусе не менее 5 м должны быть очищены от горючих материалов, а от легко воспламеняющихся и взрывоопасных материалов - в радиусе не менее 10 м.

7.5. Собираемые под сварку колонны, ригели во избежание падения c высоты должны быть надежно закреплены до их освобождения от крюка крана.

7.6. При производстве сварочных работ на открытом воздухе источники питания следует размещать в передвижных помещениях (машзалах), оборудованных пускорегулирующей и защитной аппаратурой, а над сварочными установками и газоразборными постами должны быть оборудованы навесы из несгораемых материалов.

7.7. Сварочное оборудование должно быть заземлено.

7.8. Соединение сварочных кабелей следует производить с помощью специальных зажимов, муфт, а также сварки, пайки с последующей электроизоляцией мест соединения.

Подключение кабелей к сварочному оборудованию должно осуществляться только через кабельные наконечники.

7.9. Газоразборные посты не должны находиться под зоной, где ведутся сварочные и газорезательные работы, и не ближе 5 метров от сварочных горелок и резаков.

7.10. Баллоны надлежит хранить в специальных сухих, хорошо проветриваемых помещениях, раздельно пустые и наполненные газом, раздельно с кислородом и горючим газом.

7.11. Перемещать газовые баллоны необходимо на специально приспособленных тележках или носилках, а поднимать на высоту - с помощью грузоподъемных механизмов в специальных закрытых контейнерах, гарантирующих устойчивое и безопасное положение баллонов при транспортировке.

7.12. При резке выпусков арматуры, срезке временных приспособлений, снятии форм должны быть приняты меры, исключающие их падение на нижние ярусы.

7.13. Сварщики и газорезчики при работе с электрической дугой и газовым пламенем должны пользоваться защитными щитками и очками закрытого типа, а также спецодеждой установленного образца.

7.14. В темное время суток все рабочие места должны быть хорошо освещены.

7.15. Присоединение и отключение от сети электросварочного оборудования, а также наблюдение за его исправным состоянием в процессе эксплуатации и выполнения ремонтных работ должно производиться обученным электротехническим работам персоналом, имеющим квалификационную группу по технике безопасности не ниже 3.

8. ТЕХНИКО-ЭКОНОМИЧЕСКИЕ ПОКАЗАТЕЛИ НА 100 СТЫКОВ

Нормативные затраты труда рабочих, чел.-ч

Горизонтальные одиночные выпуски арматуры

диаметр 20 мм - 39,2

диаметр 25 мм - 41,7

диаметр 28 мм - 43,5

диаметр 32 мм - 45,3

диаметр 36 мм - 47,6

диаметр 40 мм - 49,6

Горизонтальные спаренные выпуски арматуры

диаметр 25 мм - 76,9

диаметр 28 мм - 78,5

диаметр 32 мм - 80,7

диаметр 36 мм - 83,4

Вертикальные выпуски арматуры

диаметр 16 мм - 35,4

диаметр 20 мм - 44,0

диаметр 22 мм - 45,9

диаметр 25 мм - 47,4

диаметр 28 мм - 49,2

диаметр 32 мм - 51,0

диаметр 36 мм - 53,7

диаметр 40 мм - 55,6

Нормативные затраты машинного времени, маш.-ч

Горизонтальные одиночные выпуски арматуры

диаметр 20 мм - 12,16

диаметр 25 мм - 13,01

диаметр 28 мм - 13,52

диаметр 32 мм - 14,11

диаметр 36 мм - 14,79

диаметр 40 мм - 15,47

Горизонтальные спаренные выпуски арматуры

диаметр 25 мм - 24,23

диаметр 28 мм - 24,40

диаметр 32 мм - 25,08

диаметр 36 мм - 26,01

Вертикальные выпуски арматуры

диаметр 16 мм - 10,96

диаметр 20 мм - 13,60

диаметр 22 мм - 14,36

диаметр 25 мм - 14,79

диаметр 28 мм - 15,47

диаметр 32 мм - 15,81

диаметр 36 мм - 16,74

диаметр 40 мм - 17,26

Заработная плата электросварщика на автоматических и полуавтоматических машинах, р.-к.

Горизонтальные одиночные выпуски арматуры

диаметр 20 мм - 14-60

диаметр 25 мм - 15-61

диаметр 28 мм - 16-25

диаметр 32 мм - 16-97

диаметр 36 мм - 18-15

диаметр 40 мм - 18-52

Горизонтальные спаренные выпуски арматуры

диаметр 25 мм - 29-05

диаметр 28 мм - 29-23

диаметр 32 мм - 30-14

диаметр 36 мм - 31-23

Вертикальные выпуски арматуры

диаметр 16 мм - 13-16

диаметр 20 мм - 16-34

диаметр 22 мм - 17-25

диаметр 25 мм - 17-79

диаметр 28 мм - 18-52

диаметр 32 мм - 18-97

диаметр 36 мм - 20-00

диаметр 40 мм - 20-70

Заработная плата арматурщика, р.-к.

Горизонтальные одиночные выпуски арматуры

диаметр 20 мм - 7-94

диаметр 25 мм - 8-44

диаметр 28 мм - 8-84

диаметр 32 мм - 9-15

диаметр 36 мм - 9-67

диаметр 40 мм - 10-05

Горизонтальные спаренные выпуски арматуры

диаметр 25 мм - 15-49

диаметр 28 мм - 15-95

диаметр 32 мм - 16-39

диаметр 36 мм - 16-90

Вертикальные выпуски арматуры

диаметр 16 мм - 7-16

диаметр 20 мм - 8-96

диаметр 22 мм - 9-28

диаметр 25 мм - 9-60

диаметр 28 мм - 9-92

диаметр 32 мм - 10-30

диаметр 36 мм - 10-88

диаметр 40 мм - 11-26

Заработная плата газорезчика, р.-к.

Горизонтальные одиночные выпуски арматуры

диаметр 20 мм - 9-80

диаметр 25 мм - 10-34

диаметр 28 мм - 10-82

диаметр 32 мм - 11-28

диаметр 36 мм - 11-85

диаметр 40 мм - 12-31

Горизонтальные спаренные выпуски арматуры

диаметр 25 мм - 18-97

диаметр 28 мм - 19-53

диаметр 32 мм - 20-07

диаметр 36 мм - 20-70

Вертикальные выпуски арматуры

диаметр 16 мм - 8-86

диаметр 20 мм - 10-98

диаметр 22 мм - 11-38

диаметр 25 мм - 11-76

диаметр 28 мм - 12-15

диаметр 32 мм - 12-70

диаметр 36 мм - 13-32

диаметр 40 мм - 13-88

Продолжительность выполнения работ, смена

Горизонтальные одиночные выпуски арматуры

диаметр 20 мм - 5,0

диаметр 25 мм - 5,3

диаметр 28 мм - 5,6

диаметр 32 мм - 5,8

диаметр 36 мм - 6,1

диаметр 40 мм - 6,3

Горизонтальные спаренные выпуски арматуры

диаметр 25 мм - 9,8

диаметр 28 мм - 10,0

диаметр 32 мм - 10,3

диаметр 36 мм - 10,6

Вертикальные выпуски арматуры

диаметр 16 мм - 4,5

диаметр 20 мм - 5,6

диаметр 22 мм - 5,9

диаметр 25 мм - 6,0

диаметр 28 мм - 6,3

диаметр 32 мм - 6,5

диаметр 36 мм - 6,8

диаметр 40 мм - 7,1

Выработка на одного рабочего в смену, стык

Горизонтальные одиночные выпуски арматуры

диаметр 20 мм - 7

диаметр 25 мм - 7

диаметр 28 мм - 6

диаметр 32 мм - 6

диаметр 36 мм - 6

диаметр 40 мм - 5

Горизонтальные спаренные выпуски арматуры

диаметр 25 мм - 4

диаметр 28 мм - 4

диаметр 32 мм - 3

диаметр 36 мм - 3

Вертикальные выпуски арматуры

диаметр 16 мм - 8

диаметр 20 мм - 6

диаметр 22 мм - 6

диаметр 25 мм - 6

диаметр 28 мм - 6

диаметр 32 мм - 5

диаметр 36 мм - 5

диаметр 40 мм - 5

Условные затраты на механизацию для базового варианта, р.-к.

Горизонтальные одиночные выпуски арматуры

диаметр 20 мм - 6-74

диаметр 25 мм - 7-19

диаметр 28 мм - 7-48

диаметр 32 мм - 7-82

диаметр 36 мм - 8-20

диаметр 40 мм - 8-54

Горизонтальные спаренные выпуски арматуры

диаметр 25 мм - 13-39

диаметр 28 мм - 13-47

диаметр 32 мм - 13-88

диаметр 36 мм - 14-39

Вертикальные выпуски арматуры

диаметр 16 мм - 6-07

диаметр 20 мм - 7-53

диаметр 22 мм - 7-95

диаметр 25 мм - 8-20

диаметр 28 мм - 8-54

диаметр 32 мм - 8-74

диаметр 36 мм - 9-25

диаметр 40 мм - 9-54

Сумма измеряемых затрат, р.-к.

Горизонтальные одиночные выпуски арматуры

диаметр 20 мм - 39-08

диаметр 25 мм - 41-58

диаметр 28 мм - 43-89

диаметр 32 мм - 45-22

диаметр 36 мм - 47-87

диаметр 40 мм - 49-42

Горизонтальные спаренные выпуски арматуры

диаметр 25 мм - 76-90

диаметр 28 мм - 78-18

диаметр 32 мм - 80-48

диаметр 36 мм - 83-22

Вертикальные выпуски арматуры

диаметр 16 мм - 35-25

диаметр 20 мм - 43-81

диаметр 22 мм - 45-86

диаметр 25 мм - 47-35

диаметр 28 мм - 49-13

диаметр 32 мм - 50-71

диаметр 36 мм - 53-45

диаметр 40 мм - 55-38

9. ФАСЕТНЫЙ КЛАССИФИКАТОР ФАКТОРОВ

ФАСЕТ 01

Наименование фактора

Обоснование

Код

Значение фактора

Порошковая проволока марки ППТ-9

Сборник типовых норм и расценок на строительные и ремонтно-строительные работы, выпуск 8, ЦБНТС, 1979 г.;

ЕНиР сборник Е22, Сварочные работы, выпуск 1, §§ Е22-1-22; Е22-1-26

01

Н.вр. и Расц. на сварку горизонтальных одиночных и вертикальных выпусков арматуры умножить на 1,13

Приложение

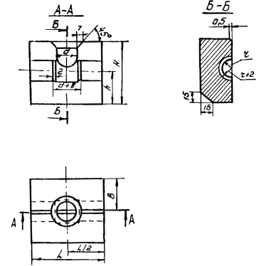
7.01.01.58-01 Инвентарная форма для сварки горизонтальных одиночных выпусков арматуры

Размеры, мм

Диаметр арматуры

H

h

L

B

r

d

Масса, кг

Графит

Медь

20

70

38,5

80

36

11,5

25

0,9

3,6

22

75

39,5

80

38

12,5

27

0,9

3,6

25

80

41,0

80

38

14,0

30

1,0

4,1

28

85

43,0

100

42

16,0

32

1,2

4,9

32

90

45,0

100

42

18,0

36

1,3

5,3

36

95

47,5

120

46

20,5

40

1,4

5,7

40

100

49,5

120

46

22,5

42

1,5

6,2

 

Обозначение

Материал

7.01.01.58-01

Графит марок ГТ-1; ГТ-2; ГТ-3; по ГОСТ 17022-81

7.01.01.58-01-01

Медь марок М1; М2; М3 по ГОСТ 859-78*

7.01.01.58-02 Инвентарная форма для сварки вертикальных выпусков арматуры

Размеры, мм

Диаметр выпусков арматуры, мм

A

B

H

D

D1

b

l

Масса, кг

Графит

Медь

25; 28; 32

110

110

120

38

40

40

42

3,1

12,6

36

120

120

130

42

44

40

46

3,9

16,0

40

120

120

140

46

48

40

50

4,2

17,2

 

Обозначение

Материал

7.01.01.58-02

Графит марок ГТ-1; ГТ-2; ГТ-3 по ГОСТ 17022-81

7.01.01.58-02-01

Медь марок М1; М2; М3 по ГОСТ 859-78*

7.01.01.58-03 Инвентарная форма для сварки вертикальных выпусков арматуры

Размеры, мм

Диаметр арматуры

A

H

h

Б

d

r

k

а ´ б

Масса, кг

Графит

Медь

20

100

90

40

38,0

23

12

38

20 ´ 20

1,04

4,25

22

100

90

40

40,0

25

13

40

20 ´ 20

1,06

4,35

25

100

90

40

42,0

28

15

43

20 ´ 20

1,08

4,45

28

110

100

50

44,0

32

16

45

20 ´ 20

1,34

5,50

32

110

100

50

45,0

36

18

47

20 ´ 20

1,36

5,60

36

120

115

55

47,0

41

20

53

25 ´ 25

1,58

6,50

40

120

115

55

50,0

45

23

58

25 ´ 25

1,70

7,00

 

Обозначение

Материал

7.01.01.58-03

Графит марок ГТ-1; ГТ-2; ГТ-3 по ГОСТ 17022-81

7.01.01.58-03-01

Медь марок М1; М2; М3 по ГОСТ 859-78*

СОДЕРЖАНИЕ

1. Область применения. 1

2. Организация и технология выполнения работ. 1

3. Требования к качеству и приемке работ. 6

4. Калькуляция затрат труда и заработной платы на 100 стыков. 11

5. График производства работ на 1 узел. 14

6. Материально-технические ресурсы.. 20

7. Техника безопасности. 21

8. Технико-экономические показатели на 100 стыков. 22

9. Фасетный классификатор факторов. 26

Приложение. 27

7.01.01.58-01 инвентарная форма для сварки горизонтальных одиночных выпусков арматуры.. 27

7.01.01.58-02 инвентарная форма для сварки вертикальных выпусков арматуры.. 27

7.01.01.58-03 инвентарная форма для сварки вертикальных выпусков арматуры.. 28

 

 




ГОСТЫ, СТРОИТЕЛЬНЫЕ и ТЕХНИЧЕСКИЕ НОРМАТИВЫ.
Некоммерческая онлайн система, содержащая все Российские Госты, национальные Стандарты и нормативы.
В Системе содержится более 150000 файлов нормативно-технической документации, действующей на территории РФ.
Система предназначена для широкого круга инженерно-технических специалистов.

Рейтинг@Mail.ru Яндекс цитирования

Copyright © www.gostrf.com, 2008 - 2026