|
|
Лотки кабельные сварные Технические условия ТУ 3449-006-17416124-00
Дата введения 01.03.2001 г.
Главный специалист ООО «НОРМА-РТМ» Чудинов М.А.
СОДЕРЖАНИЕ Настоящие технические условия распространяются на лотки сварные, в дальнейшем лотки, предназначенные для монтажа трубных и электрических проводок систем автоматизации. Лотки имеют рабочую ширину от 200 или 400 мм и высоту бортов 50, 70 или 100 мм. Лотки могут поставляться с крышками для защиты проводок от солнечной радиации, от прямого попадания на проводки технологических жидкостей, пыли, осадков и т. др. В зависимости от несущей способности прямые секции лотков подразделяются на лотки легкой или средней серии. В состав поставляемых изделий входят детали, обеспечивающие повороты, ответвления лотков и переходы на лотки разной ширины. Лотки могут устанавливаться на опорные кабельные конструкции или иные конструкции в различном пространственном положении. Лотки могут эксплуатироваться в климатических зонах У, УХЛ с категорией размещения 1. Стойкость к промышленной атмосфере определяется типом покрытия. Настоящие технические условия разработаны впервые. Примеры записи лотков в спецификации оборудования, изделий и материалов (рабочая документация СА) и в спецификации других изделий: Секция прямая шириной 400 мм высотой борта 50 мм легкой серии с покрытием эмаль ПФ-133 светло-серая: ЛСП400-50л-2 ТУ 3449-006-17416124-00. Секция тройниковая шириной 200 мм высотой 100 мм средней серии с покрытием грунтом ГФ021: ЛСТ200-100с-1 ТУ 3449-006-17416124-00 Секция угловая шириной 200 мм высотой борта 70 мм с цинковым покрытием (из оцинкованного листа): ЛСУ200-70-3 ТУ 3449-006-17416124-00 Перечень документов, на которые приведены ссылки в настоящих технических условиях приведен в приложении А, перечень оборудования и инструментов, необходимых для контроля изделий приведен в приложении Б, перечень эталонов приведен в приложении В, общие виды лотков приведены в приложении Г. 1. Технические требования1.1. Общие требования1.1.1 Лотки должны соответствовать требованиям настоящих технических условий и комплекта документации, приведенной в таблице 1. 1.2. Основные параметры и размеры.1.2.1 Краткое обозначение, наименование, габаритные размеры и коды ОКП лотков приведены в таблице 1. Таблица 1
1.2.2 Лотки в горизонтальном положении при расстоянии между опорами 2 м должны выдерживать распределенную нагрузку по таблице 2. Упругая деформация от равномерно распределенной нагрузки должна быть не более 10 мм. Остаточная деформация лотков не более 2 мм. Таблица 2
1.2.3 Обозначения видов покрытий приведены в таблице 3. Таблица 3.
Примечание. Вид покрытия 1 является предварительным. Для обеспечения требуемых условий эксплуатации, после монтажа на лотки должны быть нанесены покрытия по указаниям рабочей документации систем автоматизации, по ГОСТ 9.401, либо по технологическим инструкциям монтажной организации. 1.3. Характеристики.1.3.1 Группа условий эксплуатации лотков в части воздействия механических факторов внешней среды - М2 по ГОСТ 17516. 1.3.2 Лотки предназначены для условий эксплуатации УХЛ1 по ГОСТ 9.104. Тип атмосферы - II по ГОСТ 15150. 1.3.3 Места соединения лотков должны обеспечивать надежную электрическую цепь заземления. В лотках должно быть обеспечено электрическое соединение крышки с корпусом, а также электрическое соединение металлических опор, служащих для установки лотка, с корпусом лотка. Заземление накладок, входящих в комплект крышек, необязательно. 1.3.4 Используемые материалы должны соответствовать действующим стандартам и техническим условиям на них. 1.3.5 Заусенцы и острые кромки не допускаются. 1.3.6 Сварные соединения не должны иметь прожогов, непроваров, а также вмятин, глубина которых превышает 10 % от суммарной толщины свариваемых листов. 1.3.7 Секции из одного размерного ряда по ширине и высоте (прямые, угловые, тройниковые и переходные) должны собираться между собой без дополнительной подгонки или правки. 1.3.8 Лакокрасочные покрытия должны быть не ниже класса V по ГОСТ 9.032. Толщина покрытий должна быть не менее указанной в рабочих чертежах. Допускаются изделия, покрытые только грунтом. Системы покрытий должны соответствовать требованиям ГОСТ 9.401. 1.3.9 Металлические покрытия поверхностей лотков (за исключением метизов) должны соответствовать требованиям на оцинкованный лист по ГОСТ 14918 1-й группы. Детали изделий из оцинкованного листа на срезах могут не защищаться. Защита от коррозии мест обрезки листов обеспечивается протекторным эффектом. Метизы для соединения лотков (болты, шайбы, гайки) должны иметь цинковые покрытия толщиной не менее 9 мКм. 1.3.10 Установленный срок службы лотков до замены - не менее 20 лет при условии применения типа покрытия в соответствии с условиями промышленной атмосферы и их восстановления по мере разрушения. Критерием предельного состояния является наличие ржавых пятен на поверхности деталей при глубине очагов коррозии более 0,2 мм. 1.4. Комплектность1.4.1 В комплект поставки входят: изделия (в наборе, определяемом потребителем) по таблице 1; В комплект прямой, угловой и тройниковой секций входит: прямая или угловая, или тройниковая секция; болты с гайками и шайбами оцинкованные - по 4 комплекта. В комплект крышки входит: крышка -1 шт.; зажим (для крепления крышки к корпусу секции) - 2 шт.; накладка (для закрытия стыка крышек) - 1 шт.; гайка М8 - 1 шт.; шайба -1 шт. В комплект соединителя переходного входит: соединительная планка - 1 шт.; направляющая планка - 1 шт.; болты с гайками и шайбами оцинкованные по 3 комплекта. В комплект накладки входит: накладка; зажим. В комплект угольника входит: угольник; болт - 3 шт., гайка - 3 шт., шайба - 6 шт. В комплект шарнира входят: шарнир; болт - 4 шт., гайка - 4 шт., шайба - 8 шт. Для изделий с лакокрасочными покрытиями болты должны комплектоваться зубчатыми шайбами. 1.5. Маркировка1.5.1 Секции лотков должны иметь маркировку, содержащую следующие данные: товарный знак завода-изготовителя; краткое обозначение лотка; дату изготовления (месяц, год); количество изделий. 1.5.2 Маркировочные данные следует наносить любым способом на бирку, прикрепляемую к одному упаковочному месту. Четкость надписей должна сохраняться в течение всего срока транспортирования и хранения. 1.5.3 Транспортная маркировка грузовых мест должна быть выполнена в соответствии с ГОСТ 14192 на ярлыках, прикрепляемых к упаковке. 1.6. Упаковка.1.6.1 Прямые секции лотков и крышки прямые упаковывают в пакеты. Масса пакета не должна превышать 500 кг. Секции пакетируют с помощью стяжек. Стяжки должны обеспечивать устойчивость пакетов в процессе транспортирования и хранения. Допускается другие способы упаковки, обеспечивающие сохранность при транспортировании и хранении. Другие изделия и комплектующие детали, входящие в состав изделий упаковывают в ящики по ГОСТ 5959 тип VI. Упаковка должна обеспечивать предохранение покрытий от повреждения при транспортировании. 1.6.2 В каждый ящик должен быть вложен упаковочный лист, содержащий следующие данные: товарный знак завода-изготовителя; краткое обозначение лотка; дату изготовления (месяц, год); количество изделий. К пакету прикрепляется бирка, содержащая эти же данные. В ящик могут быть упакованы разные типы изделий. 1.6.4 Упаковка, маркировка, транспортирование и хранение лотков, отправляемых в районы Крайнего Севера и труднодоступные районы по ГОСТ 15846. 2. Требования безопасности.Эксплуатация лотков должна производиться в соответствии с «Правилами технической эксплуатации электроустановок потребителей и правилами техники безопасности при эксплуатации электроустановок потребителей». 3. Правила приемки3.1. Для проверки соответствия лотков требованиям настоящих технических условийпредприятие-изготовительобязанопроизводитьприемосдаточные, и периодические испытания. 3.2. При приемо-сдаточных испытаниях должен проводиться 100% контроль на соответствие требованиям п.п.1.4, 1.5, 1.6 и выборочный контроль в размере не менее одного изделия каждого вида и исполнения за смену на соответствие требованиям п.п.1.1, 1.3.4 - 1 3.9. Изделие должно выбираться методом случайной выборки. 3.3. Периодические испытания проводятся один раз в три года. Им подвергаются: представители каждого типа покрытия на соответствие требованиям п.1.3.1; представители изделий с каждым типом покрытия (по три представителя любого типа на один тип покрытия) на соответствие требованиям п. 1.3.2; представителей секций лотков всех типов контрольной сборке между собой (с любым видом покрытия); представители двух лотков с крышкой в сборе (прямая с прямой, прямая с угловой, прямая с тройниковой, по одной сборке лотка любого размера с каждым типом покрытия) на соответствие требованиям п. 1.3.3. 3.4. При получении неудовлетворительных результатов при испытаниях хотя бы по одному из показателей, должны проводиться повторные испытания на удвоенном количестве изделий. Результаты повторных испытаний являются окончательными. 3.5. Требования п.1.3.10 не проверяются, а обеспечиваются расчетом конструкции. 3.6. Типовым испытаниям при изменении конструкции лотков или используемых материалов подвергаются лотки по п. 1.2.2, а также по пунктам, показатели которых подверглись изменению. 4. Методы контроля4.1. Проверку лотков на соответствие п.1.1, 1.3.4 - 1.3.6, 1.4, 1.5, 1.6 проводят внешним осмотром, используя при необходимости 2х кратную лупу. 4.2. Проверку размеров на соответствие п.1.2.1 проводят сравнением с чертежом и с использованием универсального мерительного инструмента, приведенного в приложении Б. 4.3. Проверку на собираемость по п.1.3.7 проводят путем сборки двух секций между собой, при этом не должно потребоваться какой либо правки или рихтовки изделий. 4.4. Проверку на вибропрочность по п.1.3.1 проводить в соответствии с ГОСТ 16962 метод 103-1. Собранные две секции лотков (прямая с тройниковой) и с полкой кабельной, в горизонтальном положении крепятся на платформу вибрационного стенда. Прямая секция может быть укороченной длины. Испытание проводить при воздействии вибрации в вертикальном положении. Диапазон частот 10-5- Гц, ускорение - 10 м/с2 , время испытания в соответствии с ГОСТ 17516 - 5 часов. Испытание проводится совместно с испытаниями по п.4.5. Испытания считаются положительными, если после испытания не произошло нарушения конструкции, резьбовых креплений и не ухудшилось электрическое сопротивление между элементами. 4.5. Проверку на соответствие п.1.3.3 проводить по схеме рис.1. Проверку сопротивления проводить после сборки секций и закрепления полки, после чего произвести испытания по п.4.3, и повторить проверку сопротивления. Величина сопротивления во всех случаях не должна превышать 0,1 Ом.
1 - секция лотка прямая; 2 - полка кабельная; 3 - точки присоединения измерительных цепей; 4 - узлы заземления лотка с полкой; 5 - секция тройниковая. Рисунок 1 Схема сборки лотков для испытания электрического сопротивления 4.6. Проверку качества покрытий на соответствие п.1.3.8, 1.3.9 проводить визуальным контролем, измерением толщины покрытия (в соответствии с чертежом) и определением балла адгезии (который должен быть не менее 2). Метод контроля внешнего вида покрытия по ГОСТ 9.302, раздел 2. Измерение толщины лакокрасочных покрытий производить толщиномерами с пределом измерения от 0 до 2 мм. Проверку балла адгезии проводить по ГОСТ 15140. Проверку металлических покрытий проводить по ГОСТ 9.302. 4.7. Проверку на соответствие требованиям раздела 5 на прочность при транспортировании проводить испытанием на ударную прочность по ГОСТ 16962 метод 104-1, степень жесткости 1. Допускается проводить испытания следующим образом: транспортную тару с упакованными в ней изделиями устанавливают и укрепляют в кузове грузового автомобиля. Испытание проводят при движении по грунтовым проселочным дорогам со скоростью 20-30 км/час на расстояние 200-300 км. Изделия считаются выдержавшими испытания, если после испытания внешним осмотром не обнаружены механические повреждения покрытий и упаковки. 5. Транспортирование и хранение5.1. Транспортирование может производиться любым видом транспорта при условии обеспечения сохранности груза и в соответствии с действующими правилами на транспорте. 5.2. Условия транспортирования упакованных лотков в части воздействия климатических факторов должны соответствовать условиям 8 (ОЖЗ) по ГОСТ 15150, в части воздействия механических факторов - «Л» по ГОСТ 23170. 5.3. Хранение изделий должно соответствовать условиям хранения 6 (ОЖ2) по ГОСТ 15150. 6. Указания по монтажу и эксплуатации6.1. Лотки не должны нагружаться основными и дополнительными нагрузками (масса электрических или трубных проводок, монтажные, снеговые, ветровые, гололедные, вибрационные, сейсмические нагрузки) свыше указанных в таблице 2. 6.2. Опорные конструкции должны располагаться на расстоянии не далее 60 см от места соединения секций. 6.3. Лотки, предназначенные для монтажа электрических проводок необходимо соединить с контуром заземления в соответствии с требованиями ПУЭ. 6.4. На лотки с видом покрытия 1 после монтажа должны быть нанесены лакокрасочные покрытия по указаниям рабочей документации систем автоматизации. 7. Гарантии изготовителя7.1. Изготовитель гарантирует соответствие лотков требованиям настоящих технических условий при соблюдении условий транспортирования, хранения, монтажа и эксплуатации. 7.2. Гарантийный срок эксплуатации лотков 18 месяцев со дня ввода в эксплуатацию, при условии, что глубина коррозионного износа не превысит показатель, приведенный в п.1.3.10, но не более 24 месяцев со дня получения потребителем. Приложение А
Приложение
Б
|
|||||||||||||||||||||||||||||||||||||||||||||||||||||||||||||||||||||||||||||||||||||||||||||||||||||||||||||||||||||||||||||||||||||||||||||||||||||||||||||||||||||||||||||||||||||||||||||||||||||||||||||||||||||||||||||||||||||||||||||||||||||||||||||||||||||||||||||||||||||||||||||||||||||||||||||||||||||||||||||||||||||||||||||||||||||||||||||||||||||||||||||||||||||||||||||||||||||||||||||||||||||||||||||||||||||||||||||||
|
Наименование |
Характеристика |
|
Линейка |
Пределы измерения 1 м, цена деления 1 мм. |
|
Мост постоянного тока |
Измерение сопротивления с точностью до 0,01 Ом |
|
Рулетка |
Пределы измерения 2 м, цена деления 1 мм. |
|
Стенд имитации транспортирования "СИТ" |
По документации, прилагаемой к стенду |
|
Толщиномер лакокрасочных покрытий |
Шкала 0 - 2 мм. |
|
Толщиномер металлических покрытий по подложке из стали |
Шкала до 100 мКм. |
|
Штангенциркули ШЦ-1, ШЦ-2, ШЦ-3 ГОСТ 166-80 |
Цена деления 0,1 мм, пределы измерения 0 - 125 мм, 0 - 200 мм, 0 - 400 мм |
Примечание. Все применяемые средства измерений и испытаний должны иметь свидетельства, клейма, отметки в паспортах или аттестатах о проведении проверки. Допускается применение другого оборудования с аналогичными характеристиками.
1 Эталон лакокрасочного покрытия


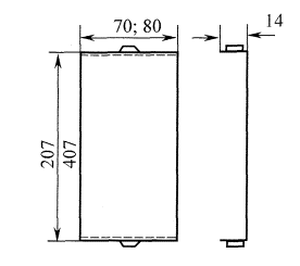
B = 200; 400
H = 50; 70; 100
h = 32,5; 52,5; 82,5
Рисунок Al Секция прямая «ДСП»

Н=50; 70; 100

Рисунок А2 Секция угловая «ЛСУ200»

Н=50;70; 100

Рисунок A3 Секция угловая «ЛСУ400»


Рисунок А4 Секция тройниковая «ЛСТ»

1 - скоба соединительная; 2 - направляющая планка
Рисунок А5. Соединитель переходной


Рисунок А6 Крышка прямая КРП
|
|
|
|
Рисунок А7 Крышка угловая КРУ |
Рисунок А8 Крышка тройниковая КРТ |

Н=37; 55; 85
Рисунок А9 Угольник
|
|
|
|
Рисунок А10 Накладка |
Рисунок А11 Шарнир |
|
Лист регистрации изменений |
|||||||||
|
Изм |
Номера листов (страниц) |
Всего листов (страниц) в докум. |
№ документа |
Входящий № сопроводительного документа |
Подпись |
Дата |
|||
|
Измененных |
Замененных |
Новых |
Аннулированных |
||||||
|
|
|
|
|
|
|
|
|
|
|
КАТАЛОЖНЫЙ ЛИСТ ПРОДУКЦИИ
|
Регистрационный номер |
|
|
|
Код ЦСМ |
01 |
|
|
Группа КГС |
02 |
Е78 |
|
код ОКП |
11 |
344961 |
|
Наименование и обозначение продукции |
12 |
Лотки кабельные сварные |
|
Обозначение нормативного или технического документа |
14 |
ТУ 3449-006-17416124-00 |
|
Наименование нормативного или технического документа |
15 |
Лотки кабельные сварные |
|
Код предприятия- изготовителя по ОКПО, штриховой код |
16 |
01394509 |
|
Наименование предприятия- изготовителя |
17 |
Люберецкий филиал АО НПО «Монтажавтоматика» |
|
Адрес предприятия- изготовителя |
18 |
140000, г. Люберцы, Моск. обл., ул. Котельническая, д.22 |
|
телефон |
19 |
503-84-88 |
|
Телефакс |
20 |
|
|
Телетайп |
22 |
206-721 ЩИТ |
|
30. Характеристики |
|
|
|
Наименование держателя подлинника ТУ |
23 |
ООО "Норма-РТМ" |
|
Адрес держателя подлинника |
24 |
123298, Москва, Д298, ул.3-я Хорошевская, д.2 |
|
Дата начала выпуска продукции |
25 |
1 марта 2001 г. |
|
Дата введения в действие нормативного документа |
26 |
1 марта 2001 г. |
|
Номер сертификата соответствия |
27 |
|
30. Характеристики продукции
Лотки сварные предназначены для прокладки трубных и электрических проводок систем автоматизации.
Лотки могут устанавливаться на горизонтальных и вертикальных участках. Имеют поворотные, ответвительные и переходные секции. Длина прямых секций 2 м.
Ширина лотков 200 и 400 мм.
Высота - 50; 70; 100 мм.
Максимальная распределенная нагрузка Н/м
Соединение - на болтах.
Лотки выпускаются с лакокрасочными и металлическими покрытиями.
Климатическое исполнение и категория размещения У1, УХЛ1.
|
|
|
Фамилия |
Подпись |
Дата |
Телефон |
|
Заполнил |
04 |
Чудинов |
|
20.12.2000 |
191-11-24 |
|
Зарегистрировал |
05 |
|
|
|
|
|
Ввел в каталог |
05 |
|
|
|
|
|
ГОСТЫ, СТРОИТЕЛЬНЫЕ и ТЕХНИЧЕСКИЕ НОРМАТИВЫ. Некоммерческая онлайн система, содержащая все Российские Госты, национальные Стандарты и нормативы. В Системе содержится более 150000 файлов нормативно-технической документации, действующей на территории РФ. Система предназначена для широкого круга инженерно-технических специалистов. Copyright © www.gostrf.com, 2008 - 2026 |