Крупнейшая бесплатная информационно-справочная система онлайн доступа к полному собранию технических нормативно-правовых актов РФ. Огромная база технических нормативов (более 150 тысяч документов) и полное собрание национальных стандартов, аутентичное официальной базе Госстандарта. GOSTRF.com - это более 1 Терабайта бесплатной технической информации для всех пользователей интернета. Все электронные копии представленных здесь документов могут распространяться без каких-либо ограничений. Поощряется распространение информации с этого сайта на любых других ресурсах. Каждый человек имеет право на неограниченный доступ к этим документам! Каждый человек имеет право на знание требований, изложенных в данных нормативно-правовых актах!

  


 

МЕЖГОСУДАРСТВЕННЫЙ СОВЕТ ПО СТАНДАРТИЗАЦИИ, МЕТРОЛОГИИ И СЕРТИФИКАЦИИ

(МГС)

INTERSTATE COUNCIL FOR STANDARDIZATION, METROLOGY AND CERTIFICATION

(ISC)

МЕЖГОСУДАРСТВЕННЫЙ
СТАНДАРТ

ГОСТ 31325-2006
(ИСО 4872:1978)

Шум

ИЗМЕРЕНИЕ ШУМА СТРОИТЕЛЬНОГО ОБОРУДОВАНИЯ, РАБОТАЮЩЕГО ПОД ОТКРЫТЫМ НЕБОМ

Метод установления соответствия нормам шума

ISO 4872:1978

Acoustics - Measurement of airborne noise emitted by construction equipment intended for outdoor use - Method for determining compliance with noise limits

(MOD)

Москва

Стандартинформ

2007

Предисловие

Цели, основные принципы и основной порядок проведения работ по межгосударственной стандартизации установлены ГОСТ 1.0-92 «Межгосударственная система стандартизации. Основные положения» и ГОСТ 1.2-97 «Межгосударственная система стандартизации. Стандарты межгосударственные, правила и рекомендации по межгосударственной стандартизации. Порядок разработки, принятия, применения, обновления и отмены»

Сведения о стандарте

1. ПОДГОТОВЛЕН Открытым акционерным обществом «Научно-исследовательский центр контроля и диагностики технических систем» на основе собственного аутентичного перевода стандарта, указанного в пункте 4

2. ВНЕСЕН Федеральным агентством по техническому регулированию и метрологии

3. ПРИНЯТ Межгосударственным советом по стандартизации, метрологии и сертификации (протокол 29 от 24 июня 2006 г.)

За принятие проголосовали:

Краткое наименование страны по МК (ИСО 3166) 004-97

Код страны по МК (ИСО 3166) 004-97

Сокращенное наименование национального органа по стандартизации

Азербайджан

AZ

Азстандарт

Беларусь

BY

Госстандарт Республики Беларусь

Казахстан

KZ

Госстандарт Республики Казахстан

Кыргызстан

KG

Национальный институт стандартов и метрологии

 

 

Кыргызской Республики

Российская Федерация

RU

Федеральное агентство по техническому регулированию и метрологии

Таджикистан

TJ

Таджикстандарт

Узбекистан

UZ

Узстандарт

Украина

UA

Госпотребстандарт Украины

(Поправка. ИУС 10-2007)

4. Настоящий стандарт является модифицированным по отношению к международному стандарту ИСО 4872:1978 «Акустика. Измерение шума строительного оборудования, предназначенного для использования вне помещения. Метод установления соответствия нормам по шуму» (ISO 4872:1978 «Acoustics - Measurement of airborne noise emitted by construction equipment intended for outdoor use - Method for determining compliance with noise limits»). При этом дополнительные слова и фразы, включенные в текст стандарта для учета потребностей национальной экономики указанных выше государств или особенностей межгосударственной стандартизации, выделены курсивом. Отличия настоящего стандарта от примененного в нем международного стандарта ИСО 4872:1978 указаны во введении

5. Приказом Федерального агентства по техническому регулированию и метрологии от 28 ноября 2006 г. 273-ст межгосударственный стандарт ГОСТ 31325-2006 (ИСО 4872:1978) введен в действие в качестве национального стандарта Российской Федерации с 1 апреля 2007 г.

6. ВВЕДЕН ВПЕРВЫЕ

Информация о введении в действие (прекращении действия) настоящего стандарта публикуется в указателе «Национальные стандарты».

Информация об изменениях к настоящему стандарту публикуется в указателе «Национальные стандарты», а текст изменений - в информационных указателях «Национальные стандарты». В случае пересмотра или отмены настоящего стандарта соответствующая информация будет опубликована в информационном указателе «Национальные стандарты»

Содержание

1. Общие положения и область применения

1.1. Общие положения

1.2. Область применения

2. Нормативные ссылки

3. Термины, определения и обозначения

4. Акустические условия

4.1. Критерий соответствия условиям испытательного пространства

4.2. Критерий фонового шума

4.3. Ветер

5. Средства измерений

5.1. Общие положения

5.2. Микрофон и прилагаемый кабель

5.3. Частотная характеристика измерительной системы

5.4. Калибровка

6. Установка источника шума и его режим работы

6.1. Общие положения

6.2. Вспомогательное оборудование

6.3. Режим работы источника во время испытаний

7. Измерение уровня звука

7.1. Огибающий параллелепипед и измерительная поверхность

7.2. Точки измерений на полусферической измерительной поверхности

7.3. Положение точек измерений на измерительной поверхности в форме параллелепипеда

7.4. Выбор измерительной поверхности

7.5. Коррекции на фоновый шум

7.6. Выполнение измерений

7.7. Продолжительность наблюдения

7.8. Измерение импульсного шума

8. Вычисление среднего уровня звука и уровня звуковой мощности

8.1. Вычисление среднего уровня звука

8.2. Вычисление уровня звуковой мощности

9. Информация, вносимая в протокол испытаний

9.1. Испытуемый источник шума

9.2. Акустические условия

9.3. Средства измерений

9.4. Акустические данные

Приложение А (рекомендуемое) Испытательное пространство

Приложение В (рекомендуемое) Показатель направленности

Введение

Настоящий стандарт имеет следующие отличия от примененного в нем международного стандарта ИСО 4872.

Из раздела «Нормативные ссылки» исключен отмененный международный стандарт ИСО 2204, ссылки на который в тексте ИСО 4872 отсутствуют. Добавлена ссылка на ГОСТ 17187 как аналог публикации МЭК 61672, заменяющей исключенные из нормативных ссылок публикации МЭК 179 и МЭК 179А.

Терминология приведена в соответствие с применяемыми в межгосударственных стандартах терминами, в частности исключен термин «квазипостоянный шум» как не имеющий эквивалента на русском языке и не определяемый в ИСО 4872, добавлены два термина (статьи 3.2 и 3.7), изменено определение термина «фоновый шум» (статья 3.6).

Из подраздела 5.4 исключены требования о сроках поверки калибратора, определяемые не настоящим стандартом, а документами метрологических служб.

В подразделе 7.8 вместо указанного в ИСО 4872 значения разности в показаниях шумомера в режимах «медленно» и «импульс», равного 4 дБ, для установления импульсного характера шума в соответствии с ГОСТ 12.1.003-83 приведено значение 7 дБ.

Внесены изменения, касающиеся применения эквивалентного уровня звука для выявления импульсного характера шума и вычисления уровня звуковой мощности импульсного источника (см. 5.1, 7.8, 9.4).

Исключен раздел 10, поскольку межгосударственными стандартами, относящимися к испытаниям на шум, предусмотрен только один отчетный документ - протокол испытаний.

МЕЖГОСУДАРСТВЕННЫЙ СТАНДАРТ

Шум

ИЗМЕРЕНИЕ ШУМА СТРОИТЕЛЬНОГО ОБОРУДОВАНИЯ, РАБОТАЮЩЕГО ПОД ОТКРЫТЫМ НЕБОМ

Метод установления соответствия нормам шума

Noise. Measurement of noise emitted by construction equipment intended for outdoor use. Method for determining compliance with noise limits

Дата введения - 2007-04-01

1. Общие положения и область применения

1.1. Общие положения

Настоящий стандарт устанавливает метод измерения уровней звука в заданных точках вблизи предназначенного для применения вне помещений строительного оборудования - устройств или машин (далее - машины) с целью определить их соответствие нормам шума. Корректированные по частотной характеристике А уровни звуковой мощности вычисляют на основе значений измеренных уровней звука.

Примечания

1. Стандартное отклонение результатов измерения уровня звука в соответствии с настоящим стандартом в девяти и более точках измерений вблизи источника шума (в соответствии с разделом 7) и при отсутствии в спектре дискретных частотных компонентов составляет порядка 2,0 дБА. При наличии дискретных составляющих в спектре стандартное отклонение будет больше, однако нет общего правила вычисления неопределенностей измерений в данном случае. Стандартное отклонение отражает суммарное воздействие всех причин неопределенности измерений, кроме изменений уровней звуковой мощности от машины к машине или от испытания к испытанию, которые могут быть вызваны, например, неточностью воспроизведения условий размещения или режима работы источника.

2. Для измерений, выполняемых на полусферической измерительной поверхности, показатель направленности источника может быть вычислен в соответствии с приложением В.

3. Измерения уровня звука на рабочем месте оператора настоящий стандарт не рассматривает.

4. Полученные в соответствии с настоящим стандартом результаты измерений шума, определяемые в том числе и заданными условиями испытаний, не обязательно будут совпадать с характеристиками реального шума той же машины, когда она работает на строительной площадке.

1.2. Область применения

1.2.1. Виды шума

Настоящий стандарт применяют к источникам, которые излучают широкополосный шум, узкополосный шум, дискретные тоны и их комбинации. Методы настоящего стандарта применяют, прежде всего, к источникам, излучающим постоянный шум. При выявлении непостоянного характера шума (см. 7.8) эти методы могут быть также применимы к источникам, излучающим непостоянный и импульсный шум.

1.2.2. Размеры источника

Метод, описываемый в настоящем стандарте, не налагает никаких ограничений на размеры испытуемых машин, однако для очень больших машин могут возникнуть трудности размещения микрофонов в заданных точках.

Примечание - Источник шума может быть определен как часть сложной машины. Большие машины, например конвейеры, имеющие длину несколько десятков метров и более, разделяют на шумящие части, по отношению к которым методы настоящего стандарта применяют индивидуально.

2. Нормативные ссылки

В настоящем стандарте использованы нормативные ссылки на следующие межгосударственные стандарты:

ГОСТ 17187-81 Шумомеры. Общие технические требования и методы испытаний (МЭК 61672-1:2002 «Электроакустика. Шумомеры. Часть 1. Требования», NEQ)

ГОСТ 31274-2004 (ИСО 3741:1999) Шум машин. Определение уровней звуковой мощности по звуковому давлению. Точные методы для реверберационных камер (ИСО 3741:1999 «Акустика. Определение уровней звуковой мощности источников шума по звуковому давлению. Точные методы для реверберационных камер», MOD)

ГОСТ 31296.1-2005 (ИСО 1996-1:2003) Шум. Описание, измерение и оценка шума на местности. Часть 1. Основные величины и процедуры оценки (ИС01996-1:2003 «Акустика. Описание, измерение и оценка шума на местности. Часть 1. Основные величины и процедуры оценки», MOD)

Примечание - При пользовании настоящим стандартом целесообразно проверить действие ссылочных стандартов по указателю «Национальные стандарты», составленному по состоянию на 1 января текущего года, и по соответствующим информационным указателям, опубликованным в текущем году. Если ссылочный стандарт заменен (изменен), то при пользовании настоящим стандартом следует руководствоваться замененным (измененным) стандартом. Если ссылочный стандарт отменен без замены, то положение, в котором дана ссылка на него, применяется в части, не затрагивающей эту ссылку.

3. Термины, определения и обозначения

Для целей настоящего стандарта применены следующие термины с соответствующими определениями и обозначениями:

3.1. уровень звукового давления (sound pressure level) Lp, дБ: Величина, представляющая собой десять десятичных логарифмов отношения квадрата данного звукового давления к квадрату опорного звукового давления.

Примечание - Опорное звуковое давление равно 20 мкПа.

3.2. уровень звука (A-weighted sound pressure level) LpA, дБА: Корректированный по частотной характеристике А уровень звукового давления.

3.3. уровень звука на поверхности (surface sound pressure level) LpA, дБЛ: Усредненный (в энергетическом смысле) по совокупности точек измерений и числу измерений в этих точках уровень звука на измерительной поверхности.

3.4. уровень звуковой мощности (sound power level) Lw, дБ: Величина, представляющая собой десять десятичных логарифмов отношения данной звуковой мощности к опорной звуковой мощности при необходимости с частотной коррекцией.

Примечания

1. Опорная звуковая мощность равна 1 пВт(10-12Вт).

2. В настоящем стандарте использован корректированный по частотной характеристике А (далее - корректированный по А) уровень звуковой мощности (A-weighted sound power level) LWA, дБА

3.5. измерительная поверхность (measurement surface): Воображаемая поверхность площадью S, охватывающая источник шума, на которой расположены точки измерений.

3.6. фоновый шум (background noise): Шум от всех источников, кроме испытуемой машины.

3.7. эквивалентный уровень звука (equivalent A-weighted sound pressure level) LpAeq,T, дБА: Уровень звука постоянного шума, у которого средний по времени квадрат корректированного по частотной характеристике А звукового давления имеет то же значение, что у данного непостоянного шума при заданной продолжительности измерений.

Примечание - Эквивалентный уровень звука определяют по формуле

где T - продолжительность измерений.

4. Акустические условия

4.1. Критерий соответствия условиям испытательного пространства

За исключением отражающей плоскости, испытательное пространство должно быть свободно от отражающих объектов таким образом, чтобы источник создавал свободное звуковое поле над отражающей плоскостью. В приложении А приведен метод определения коррекции на акустические условия для учета (при необходимости) отклонений реальных условий испытательного пространства от идеальных.

4.2. Критерий фонового шума

В точках измерений уровень звука фонового шума должен быть по меньшей мере на 6 дБА (желательно более чем на 10 дБА) ниже уровня звука во время работы источника.

4.3. Ветер

Скорость ветра на строительной площадке должна быть менее 8 м/с. При скорости ветра, превышающей 1 м/с, следует использовать ветрозащитный экран. При калибровке измерительной системы следует соответствующим образом компенсировать влияние экрана.

5. Средства измерений

5.1. Общие положения

Средства измерений должны позволять проводить измерения уровня звука и эквивалентного уровня звука.

Примечания

1. В качестве средства измерений допускается использовать шумомер 1-го класса по ГОСТ 17187 при характеристике «медленно». Для  установления наличия импульсного шума используют характеристику «импульс».

2. Альтернативным средством измерений является интегрирующий шумомер, осуществляющий аналоговое или цифровое интегрирование квадратичного сигнала на заданном промежутке времени.

5.2. Микрофон и прилагаемый кабель

Для минимизации влияния наблюдателя на измерения предпочтительно использовать кабель, чтобы расположить шумомер подальше от микрофона. Наблюдатель не должен стоять между микрофоном и испытуемым источником шума. Микрофон должен соответствовать требованиям ГОСТ 17187.

5.3. Частотная характеристика измерительной системы

Частотная характеристика измерительной системы для указанных изготовителем углов падения звуковой волны должна быть в пределах, заданных в 1.8 и 1.23 ГОСТ 17187.

5.4. Калибровка

Микрофон вместе с измерительным кабелем по меньшей мере перед началом и в конце серии измерений должны быть калиброваны с помощью акустического калибратора на одной частоте или более. Одна из калибровочных частот должна находиться в диапазоне от 250 до 1000 Гц. Точность калибровки должна соответствовать требованиям ГОСТ 17187.

6. Установка источника шума и его режим работы

6.1. Общие положения

Во многих случаях шум, излучаемый источником, зависит от условий установки и/или закрепления, а также от режима его работы. Настоящий раздел дает общие рекомендации относительно установки и режима работы источника. Более подробную информацию относительно установки и режима работы машин конкретных типов можно найти в стандартах, устанавливающих требования к испытаниям на шум этих машин, на которые следует ссылаться при проведении испытаний рассматриваемых машин.

6.2. Вспомогательное оборудование

Описание испытуемого источника шума (см. 9.1) должно точно определять дополнительное оборудование, непосредственно относящееся к источнику шума, и вспомогательные части.

По возможности, все вспомогательное оборудование, необходимое для работы испытуемой машины и не являющееся ее составной частью, должно быть размещено так, чтобы не оказывать влияния на результаты измерений. В частности, все вспомогательное оборудование должно быть размещено вне испытательного пространства или быть акустически изолировано от него. Испытуемые машины, эксплуатируемые совместно со сменным оборудованием (например, пневматическим инструментом), во время испытаний должны работать с основным устройством, производящим максимальный шум.

6.3. Режим работы источника во время испытаний

Во время акустических измерений источник шума должен работать в заданном режиме, характерном для обычного применения. Перед началом измерений должен быть установлен стационарный режим работы испытуемой машины. Если имеется соответствующий стандарт, устанавливающий требования к испытаниям на шум машины, режим работы во время испытаний следует устанавливать в соответствии с этим стандартом.

Каждое испытание, по возможности, должно включать в себя оценку шума машины при работе без нагрузки (холостой ход) при номинальном числе оборотов двигателя и одно или более измерение под нагрузкой. При работе под нагрузкой могут быть заданы как реальные, так и моделированные условия работы.

Если стандарта, относящегося к испытаниям на шум машин данного вида, нет, то могут быть заданы один или несколько следующих режимов работы:

a) заданный режим работы;

b) режим полной нагрузки (если он отличается от предыдущего);

c) режим без нагрузки (холостой ход);

d) режим, соответствующий максимальному излучению шума.

При определении режима работы машины во время испытаний важно рассматривать шум, излучаемый не только самой машиной, но и учитывать шум, производимый инструментами, рабочими материалами или поверхностями, находящимися в соприкосновении с машиной или возбуждаемыми ею. Например, шум, излучаемый циркулярной пилой на холостом ходу, значительно отличается от шума при резке фанеры. Необходимо, чтобы для подобных машин стандарты, устанавливающие требования к испытаниям на шум, детально регламентировали режим работы машин, включая инструменты, рабочие материалы и поверхности, излучающие шум во время работы испытуемой машины.

7. Измерение уровня звука

7.1. Огибающий параллелепипед и измерительная поверхность

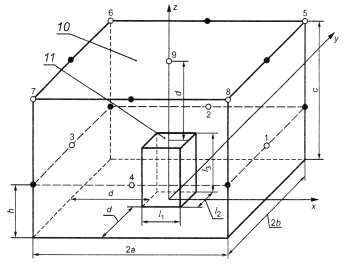
Облегчить размещение точек измерений позволяет воображаемый прямоугольный параллелепипед наименьших размеров (длиной /1 шириной /2, высотой /3), плотно охватывающий источник и ограниченный снизу отражающей плоскостью. Определяя огибающий параллелепипед, можно пренебречь выступающими за контуры источника шума малыми элементами, которые не являются главными излучателями звуковой энергии.

Точки расположения микрофона (точки измерений) лежат на измерительной поверхности - гипотетической поверхности площадью S, охватывающей как источник, так и огибающий параллелепипед и заканчивающейся на отражающей плоскости. Может быть использована одна из двух измерительных поверхностей:

- полусферическая поверхность;

- поверхность в форме прямоугольного параллелепипеда, стороны которого параллельны сторонам огибающего параллелепипеда (в этом случае измерительное расстояние d - это минимальное расстояние между измерительной поверхностью и огибающим параллелепипедом).

Конфигурация огибающего параллелепипеда, размеры и форма измерительной поверхности, так же как и измерительное расстояние или радиус полусферы, должны быть заданы, как определено в стандартах, устанавливающих требования к испытаниям на шум машин рассматриваемого вида. При испытаниях серии подобных машин (например, бетономешалок, компрессоров) рекомендуется применять одну и ту же измерительную поверхность.

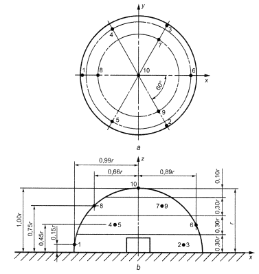
7.2. Точки измерений на полусферической измерительной поверхности

7.2.1. Общие положения

Точки измерений должны быть расположены на гипотетической полусферической поверхности площадью S = 2πr2, охватывающей источник и заканчивающейся на отражающей плоскости. Центром полусферы является проекция геометрического центра огибающего параллелепипеда на отражающую плоскость. Радиус полусферы r по крайней мере в два раза превышает наибольший размер огибающего параллелепипеда (l1 l2, l3). Значение радиуса полусферы должно быть округлено до ближайшего целого значения из предпочтительного ряда 4,6,8,10 м. Полусфера того же радиуса должна быть применена при измерениях для всех машин того же типа, если иное не указано в стандарте, устанавливающем требования к испытаниям на шум. Для больших машин огибающий параллелепипед возможно определять лишь для главного источника/источников шума, уменьшая, таким образом, радиус измерительной полусферы. В этом случае выполняют предварительные измерения для одной из машин данного типа (в дополнение к измерениям в соответствии с 7.2.2) с целью убедиться в равенстве вычисленного уровня звуковой мощности и той же величины для полусферической измерительной поверхности большего радиуса.

В 7.2.2 и 7.2.3 даны два альтернативных способа размещения точек измерений на полусферической измерительной поверхности. В протоколе испытаний необходимо указать, который из вариантов - А или В был выбран для размещения точек измерений.

Примечание - Для источников, излучающих широкополосный шум, оба способа размещения точек измерений дают одинаковые результаты определения уровней звуковой мощности в пределах заданной точности.

7.2.2. Вариант А

Положение десяти точек измерений, распределенных по полусферической измерительной поверхности радиуса r, - показаны на рисунке 1, а их координаты приведены в таблице 1.

Примечания

1. Верхняя позиция (положение микрофона 10 на рисунке 1) может быть исключена по соображениям безопасности или на основании результатов предварительных измерений, показавших, что исключение этой точки незначительно влияет на вычисляемый уровень звуковой мощности.

2. Для машин с ненаправленным излучением или машин с редко встречающейся конфигурацией любая из точек сетки, показанных на рисунке 1, может быть исключена, если это предписано стандартом, устанавливающим требования к испытаниям на шум рассматриваемых машин.

r - радиус полусферы; 1-10 - номера точек измерений; а - вид сверху; b - вид сбоку

Рисунок 1 - Размещение точек измерений на полусфере (вариант А) (см. 7.2.2)

Таблица 1 - Координаты 10 точек измерений

Номер точки измерений

х/r

y/r

z/r

1

-0,99

0

0,15

2

0,50

-0,85

0,15

3

0,50

0,85

0,15

4

-0,45

0,77

0,45

5

-0,45

-0,77

0,45

6

0,89

0

0,45

7

0,33

0,57

0,75

8

-0,66

0

0,75

9

0,33

-0,57

0,75

10

0

0

1

7.2.3. Вариант В

Положение 12 точек измерений, распределенных по полусферической измерительной поверхности радиуса r, показано на рисунке 2, а их координаты приведены в таблице 2.

Примечание - Для машин с ненаправленным излучением или машине редко встречающейся конфигурацией любая из точек сетки, показанных на рисунке 2, может быть исключена в соответствии со стандартом, устанавливающим требования к испытаниям на шум данных машин.

r - радиус полусферы; 1-12 - номера точек измерений; а - вид сверху; b - вид сбоку

Рисунок 2 - Размещение точек измерений на полусфере (вариант В) (см. 7.2.3)

Таблица 2 - Координаты 12 точек измерений

Номер точки измерений

x/r

у/r

z/r|

1

1

0

1,5м

2

0,7

0,7

1,5 м

3

0

1

1,5 м

4

-0,7

0,7

1,5 м

5

-1

0

1,5 м

6

-0,7

-0,7

1,5 м

7

0

-1

1,5 м

8

0,7

-0,7

1,5 м

9

0,65

0,27

0,71 r

10

-0,27

0,65

0,71 r

11

-0,65

-0,27

0,71 r

12

0,27

-0,65

0,71 r

7.3. Положение точек измерений на измерительной поверхности в форме параллелепипеда

Точки измерений лежат на охватывающей источник гипотетической измерительной поверхности площадью S, стороны которой параллельны сторонам огибающего параллелепипеда, на расстоянии d (измерительном расстоянии) от огибающего параллелепипеда. Измерительное расстояние d предпочтительно должно быть выбрано из ряда 1,2,4 м. Для больших машин девять основных точек измерений могут быть дополнены точками, показанными на рисунке 3 темным цветом. При необходимости дополнительные точки измерений должны быть расположены так, чтобы расстояние между соседними точками было больше удвоенного расстояния d (см. примечание 3). Высоту h четырех самых низких точек измерений и высоту с пяти самых высоких точек задают формулой

h = 0,5 с = 0,5 (l3 + d),

где l3 - высота огибающего параллелепипеда.

Примечания

1. Верхняя точка может быть исключена по соображениям безопасности или на основании результатов предварительных измерений, показавших, что исключение этой точки незначительно влияет на вычисляемый уровень звуковой мощности.

2. Для машин с ненаправленным излучением или машин с редкой конфигурацией любая из точек сетки, показанных на рисунке 3, может быть исключена, если это предписано стандартом, устанавливающим требования к испытаниям на шум для данных машин.

3. Измерения в дополнительных точках измерений не являются необходимыми, если разность в децибелах между наибольшим и наименьшим значениями уровня звукового давления, измеренного в указанных на рисунке 3 основных позициях, меньше числа точек измерений.

10 - измерительная поверхность; 11 - огибающий параллелепипед; - основные точки измерений; - дополнительные точки измерений

Рисунок 3 - Размещение точек измерений на параллелепипеде (см. 7.3)

7.4. Выбор измерительной поверхности

Хотя полусферическая измерительная поверхность подходит для многих строительных машин, она не всегда может быть применена для очень больших машин, установленных на испытательных площадках, где относительно высок уровень фонового шума и не имеется отражающей плоскости, выступающей за пределы измерительной поверхности. При таких условиях предпочтительна измерительная поверхность в форме параллелепипеда.

7.5. Коррекции на фоновый шум

Измеренные в точках расположения микрофона уровни звука корректируют в соответствии с таблицей 3 для учета влияния фонового шума.

Таблица 3 - Коррекция на фоновый шум

Значения в децибелах

Разность между уровнем звукового давления, измеренного при работающем испытуемом источнике, и уровнем звукового давления только фонового шума

Коррекция, которую вычитают из значения уровня звука, измеренного при работающем испытуемом источнике, для получения уровня звука только источника

< 6

6

7

8

9

10

> 10

Результаты измерений недостоверны

1,0

1,0

1,0

0,5

0,5

0,0

7.6. Выполнение измерений

Измерения шумомером выполняют при его характеристике «медленно». Если во время измерений показания шумомера изменяются менее чем на ± 3 дБ, то следует шум рассматривать как постоянный и за измеренный уровень принимать среднеарифметическое значение максимального и минимального значений на интервале измерений. Если показания шумомера изменяются более чем на ± 3 дБ, то для определения уровня звукового давления выполняют усреднение в энергетическом смысле. Процедура усреднения описана в ГОСТ 31296.1. Как альтернатива для определения уровня звукового давления может быть использован интегрирующий шумомер.

7.7. Продолжительность наблюдения

Для изменяющегося во времени шума важно задать продолжительность наблюдения и число рабочих циклов машины, выполняемых за время наблюдения. В общем случае измерение следует выполнять по меньшей мере на трех рабочих циклах машины. Общая продолжительность измерений в каждой точке должна быть не менее 15 с. Если машина имеет два характерных режима работы с различными уровнями шума, возможно потребуется выбрать различные продолжительности измерений для каждого режима работы.

7.8. Измерение импульсного шума

Сравнение показаний шумомера при измерении эквивалентного уровня звука на характеристике «медленно» с показаниями, полученными в режиме шумомера «импульс» (см. ГОСТ 17187), может быть полезным при выявлении наличия в шуме значительных импульсных составляющих. Если разность между отсчетами в режимах «медленно» и «импульс» равна или превышает 7 дБ, то шум следует считать импульсным. Сравнение следует проводить для одного или более положения микрофона на измерительной поверхности. В случае установления импульсного характера шума при вычислении звуковой мощности (см. раздел 8) вместо уровней звука LpA следует применять эквивалентные уровни звука LpAtq,T, а в протокол испытаний согласно 9,4 должна быть внесена соответствующая запись.

8. Вычисление среднего уровня звука и уровня звуковой мощности

8.1. Вычисление среднего уровня звука

Средний уровень звука  дБД вычисляют по измеренным значениям уровня звука LpAi (при необходимости корректированным в соответствии с 7.5) по формуле

                                                              (1)

где LpAi - уровень звука в i-м измерении с коррекцией на фоновый шум, дБА;

N - общее число измерений;

К2 - коррекция на акустические условия, дБА (см. приложение А).

Примечания

1. Когда интервал изменения значений LpAi не превышает 5 дБА может быть использовано обычное арифметическое усреднение. Это среднее значение будет отличаться от результата, вычисленного по формуле (1), не более чем на 0,7 дБА

2. Полученные в результате измерений значения уровня звука корректируют для учета влияния температуры, влажности, высоты строительной площадки над уровнем моря и ветра согласно инструкциям изготовителей акустических измерительных приборов.

8.2. Вычисление уровня звуковой мощности

Корректированный по А уровень звуковой мощности LWA, дБА, вычисляют по формуле

                                                                               (2)

где S - площадь измерительной поверхности, м2;

S0 - опорная площадь; S0 = 1 м2.

Для полусферической измерительной поверхности S = 2πr2.

Площадь измерительной поверхности S, м2, имеющей форму прямоугольного параллелепипеда, определяют по формуле

S = 4(аb + bс + ас),

где   

l1, l2, l3 - размеры огибающего параллелепипеда, м;

d - измерительное расстояние, м.

9. Информация, вносимая в протокол испытаний

Должна быть собрана и внесена в протокол испытаний следующая информация.

9.1. Испытуемый источник шума

a) Описание испытуемого источника шума (включая его размеры).

b) Размеры огибающего параллелепипеда.

c) Режимы работы.

d) Условия установки (монтажа).

e) Дата и время проведения измерений.

9.2. Акустические условия

a) Описание испытательного пространства (включая эскиз расположения источника по отношению к отражающим объектам и окружающей территории).

b) Результаты проверки испытательного пространства в соответствии с приложением А.

c) Температура (°С), барометрическое давление (мбар) и относительная влажность (%) воздуха, скорость и направление ветра на высоте 2 м над землей (м/с).

9.3. Средства измерений

a) Измерительное оборудование с указанием наименования, типа, серийного номера и изготовителя.

b) Метод калибровки измерительной системы, как описано в 5.4.

c) Дата и место калибровки акустического калибратора.

9

9.4. Акустические данные

a) Точки размещения микрофона (при необходимости с эскизом) и измерительное расстояние. В случае полусферической измерительной поверхности следует отметить, какой вариант - А или В (см. 7.2) был выбран.

b) Форма и площадь измерительной поверхности.

c) Уровень звука в каждой точке измерений.

d) Уровень звука фонового шума в каждой точке измерений и соответствующая коррекция, если применима.

e) Коррекция на акустические условия в соответствии с приложением А.

f) Средний уровень звука на измерительной поверхности LpA относительно 20 мкПа, дБА

g) Вычисленное значение корректированного по Л уровня звуковой мощности относительно 1 пВт (10-12 Вт), дБА округленное до целого числа. Разность между эквивалентными уровнями звука, измеренными в режимах «импульс» и «медленно» в одной или более точке измерений, если эта разность равна или более 7дБА

h) Пояснения или субъективные ощущения относительно характера шума (слышимые дискретные тоны, импульсный характер, спектральный состав, временные характеристики и т. д.).

i) Показатель направленности в соответствии с приложением В.

Приложение А
(рекомендуемое)
Испытательное пространство

А.1. Общие положения

Перед проведением измерений окружающие условия на испытательной площадке должны быть проверены. Следует рассмотреть такие факторы, как:

a) свойства отражающей плоскости;

b) фоновый шум;

c) атмосферные условия, включая ветер, температуру, относительную влажность и атмосферное давление.

А.2. Свойства отражающей плоскости

В идеальном случае измерения проводят в испытательном пространстве, в котором обеспечено свободное звуковое поле над абсолютно отражающей плоскостью.

Окружающее пространство должно быть свободным от отражающих объектов, за исключением отражающей плоскости. Настоящее приложение представляет метод для определения влияния отражающих объектов или отклонения от идеальных условий на строительной площадке. Установлен метод определения коррекции на акустические условия К2 для учета отличий реальных условий испытаний от свободного звукового поля над идеальной отражающей плоскостью. Испытания для определения коррекции К2 выполняют с образцовым источником шума, который обладает характеристиками по ГОСТ 31274 (приложение В) и который может быть калиброван в свободном звуковом поле над отражающей плоскостью.

Образцовый источник шума устанавливают в испытательном пространстве в точности на то же место, что и испытуемый источник во время испытаний. Определяют уровни звука образцового источника методом, описанным в разделах 7 и 8, без коррекции на акустические условия (т. е. предполагают, что К2 = 0). Туже самую измерительную поверхность используют во время измерений с испытуемой машиной. Затем вычисляют коррекцию на акустические условия по формуле

K2 = Lw - LWr,

где Lw - вычисленный в соответствии с разделами 7 и 8 корректированный подуровень звуковой мощности образцового источника шума, дБД;

LWr - уровень звуковой мощности образцового источника над отражающей плоскостью, задаваемый изготовителем как характеристика образцового источника, дБ.

Для испытательных площадок с твердой плоской поверхностью, например асфальтовых или бетонных, которые не имеют отражающих звук препятствий на расстоянии от источника, равном утроенному наибольшему расстоянию от центра источника до самых низких точек измерений, можно предположить, что коррекция на акустические условия меньше или равна 0,5 дБА и ею можно пренебречь.

Примечание - Препятствие вблизи источника рассматривают как способное отражать звук, если его ширина (например, диаметр стойки или несущего элемента) превышает одну десятую часть расстояния от него до огибающего параллелепипеда.

В любом случае отражающая плоскость должна быть больше, чем проекция измерительной поверхности на поверхность земли.

А.3. Коррекция на акустические условия для отражающих и неотражающих поверхностей

Не следует определять коррекцию К2 на акустические условия, если поверхность испытательной площадки является бетонной или покрыта непористым асфальтом и не имеет отражающих объектов. Для других испытательных площадок важно, чтобы коррекция К2 на акустические условия была определена в соответствии с А.2. Когда же в соответствии со стандартом, устанавливающим требования к испытаниям на шум, необходимо использовать поверхность с пониженным отражением (например, покрытую травой), звукопоглощающие свойства поверхности могут быть определены с использованием коррекции на акустические условия К2.

Если коррекция К2, определенная описанным в А.2 методом, меньше 2 и больше минус 1 дБА, то испытательное пространство удовлетворяет требованиям для проведения измерений в соответствии с настоящим стандартом. Определенное таким образом значение К2 используют в формуле (1) в 8.1.

В определенных случаях, предписанных стандартом, устанавливающим требования к испытаниям на шум, поглощающую поверхность следует рассматривать как часть испытуемой машины и проводить коррекцию на акустические условия. В таких случаях испытательное пространство должно быть свободно от отражающих объектов.

А.4. Фоновый шум

Уровень звука, измеренный в точках измерений при неработающем источнике, должен быть по крайней мере на 6 дБА меньше уровня звука, измеренного при работающем источнике. Коррекцию на фоновый шум определяют по таблице 3.

А.5. Метеорологические условия и высота испытательной площадки над уровнем моря

Необходимо убедиться в том, что неблагоприятные метеорологические условия (например, температура, относительная влажность, ветер, осадки) так же, как высота испытательной площадки над уровнем моря, не влияют на результаты измерений шума. Коррекцию на неблагоприятные условия применяют к измеренным данным, как описано в примечании 2 в 8.1.

Приложение В
(рекомендуемое)
Показатель направленности

Для целей настоящего стандарта показатель направленности DI источника, работающего в условиях свободного звукового поля над отражающей плоскостью, определяют как разность между максимальным уровнем звука в одной из точек расположения микрофона и средним уровнем звука на измерительной поверхности по формуле

                                                                                         (B.1)

где  - максимальный уровень звука с коррекцией на фоновый шум, дБА;

 - средний уровень звука на измерительной поверхности с коррекцией на фоновый шум, дБА

Примечание - Для некоторых целей требуется рассчитать показатель направленности в заданной плоскости, например в горизонтальной. В этом случае показатель направленности определяют как разность между максимальным уровнем звука в одной точке, лежащей в этой плоскости, и средним уровнем звука по всем точкам измерений в той же плоскости:

                                                                                         (B.2)

где  - максимальный уровень звука с коррекцией на фоновый шум в одной точке в заданной плоскости, дБА;

 - средний (в энергетическом смысле) по всем точкам измерений в той же плоскости уровень звука с коррекцией на фоновый шум, дБА

Ключевые слова: шум машин, шумовая характеристика, уровни звука, уровни звуковой мощности, строительное оборудование, акустические условия, фоновый шум, измерительная поверхность

 

 




ГОСТЫ, СТРОИТЕЛЬНЫЕ и ТЕХНИЧЕСКИЕ НОРМАТИВЫ.
Некоммерческая онлайн система, содержащая все Российские Госты, национальные Стандарты и нормативы.
В Системе содержится более 150000 файлов нормативно-технической документации, действующей на территории РФ.
Система предназначена для широкого круга инженерно-технических специалистов.

Рейтинг@Mail.ru Яндекс цитирования

Copyright © www.gostrf.com, 2008 - 2026