|
|
|
Система нормативных документов в строительстве СВОД ПРАВИЛ ПО ПРОЕКТИРОВАНИЮ И СТРОИТЕЛЬСТВУ ОТКРЫТЫЕ ПЛОСКОСТНЫЕ СП 31-115-2006 Москва 2007 Предисловие 1 РАЗРАБОТАН ФГУП «Научно-проектный институт учебно-воспитательных, торгово-бытовых и досуговых зданий» (Институт общественных зданий) и ФГОУ ВПО «Санкт-Петербургская государственная академия физической культуры им. П.Ф. Лесгафта» (СПбГАФК) 2 ВНЕСЕН ФГОУ ВПО «Санкт-Петербургская государственная академия физической культуры им. П.Ф. Лесгафта» (СПбГАФК) 3 УТВЕРЖДЕН приказами директора ФГУП «Институт общественных зданий» 27 марта 2006 г. № 10 и ректора ФГОУ ВПО «Санкт-Петербургская государственная академия физической культуры им. П.Ф. Лесгафта» 17 февраля 2006 г. № 18 4 РАССМОТРЕН И ЗАРЕГИСТРИРОВАН письмом Министерства регионального развития Российской Федерации от 10 мая 2006 г. № 3447-СК/07 5 ОДОБРЕН И РЕКОМЕНДОВАН приказом Федерального агентства по физической культуре и спорту от 3 июля 2006 г. № 407 6 СОГЛАСОВАН Федеральной службой по надзору в сфере защиты прав потребителей и благополучия человека (Роспотребнадзор) 12 декабря 2006 г. № 0100/13233-06-31 и Управлением государственного пожарного надзора МЧС России 10 января 2007 г. № 19-2-13 7 ВВЕДЕН ВПЕРВЫЕ Содержание ВведениеСвод правил разработан в рамках подпрограммы «Физическое воспитание и оздоровление детей, подростков и молодежи в Российской Федерации (2002-2005 годы)», п. 17 «Разработка архитектурно-планировочных стандартов для их применения при строительстве физкультурно-оздоровительных и спортивных сооружений» (Госконтракт с Госкомспорта России № 209 от 10 декабря 2002 г.). Социальные изменения, происходящие в стране, вызвали к жизни новые виды и формы спортивных, физкультурно-оздоровительных и досуговых занятий, поэтому физкультурно-спортивные сооружения, в том числе открытые, используются всеми возрастными и социальными группами населения: от абсолютно здоровых людей до инвалидов, от профессиональных спортсменов до лиц, использующих эти сооружения для досуга. Определенные группы населения отдали предпочтение отдельным видам и формам спортивных занятий, таким, например, как боулинг, аэробика, скалолазание, мотобайк и др. Массовый характер приобретают оздоровительные и спортивно-развлекательные разновидности досуга, доступные практическим всем, вне зависимости от степени физической подготовленности и ограничений со стороны физического состояния (т.е. детям, пожилым, инвалидам и т.п.). Спрос на физкультурно-спортивные услуги у населения (особенно на физкультурно-оздоровительные и развлекательные формы в качестве досуговых занятий) в настоящее время во много раз превысил возможности их реализации. В условиях недостаточного финансирования наименее затратными, но обеспечивающими наибольшую пропускную способность являются открытые плоскостные спортсооружения; стоимость строительства и их эксплуатации (а также и модернизации - при необходимости) значительно ниже, чем у сооружений крытого типа. Цель разработки - внедрение в проектирование и строительство прогрессивных функциональных и технических новых решений, а также совершенствование процесса проектирования в связи с отсутствием типового проектирования. Настоящий Свод правил выполнен в развитие СНиП 2.08.02-89* «Общественные здания и сооружения» и частично базируется на СП 31-112-2004, части 1 и 2 «Физкультурно-спортивные залы». В нем рассматриваются спортивно-функциональные требования к проектированию массовых типов открытых плоскостных физкультурно-спортивных сооружений, учитываются современные требования к спортивно-тренировочному процессу и физкультурно-оздоровительным занятиям. В развитие СНиП 35-01-2001 «Доступность зданий и сооружений для маломобильных групп населения» рассматривается доступность площадок и полей для реабилитирующих занятий инвалидов. В документ также включены площадки для наиболее популярных видов физкультурно-спортивных занятий за рубежом. При разработке Свода правил учитывались требования и нормы международных спортивных организаций; опыт проектирования, эксплуатации физкультурно-спортивных сооружений, рекомендации спортивно-тренерского состава, материалы научных исследований и нормативно-методические документы по организации и проведению физкультурных занятий и спортивных соревнований. В тексте и графической части Свода правил частично использованы следующие материалы: - ВСН 46-86 / Госгражданстрой. Спортивные и физкультурно-оздоровительные сооружения. Нормы проектирования. - М.: Стройиздат, 1987. - Нормали планировочных элементов жилых и общественных зданий: Выпуск НП 5.3.1-72 Открытые плоскостные спортивные сооружения. - М.: Стройиздат, 1972. Выпуск НП 5.3.2-76 Вспомогательные помещения спортивных сооружений. - М.: Стройиздат, 1976. - Правила спортивных игр и состязаний / Пер. с англ. - М.: ООО «Попурри», 2000. - Пособия к МГСН 4.08-97 Массовые типы физкультурно-оздоровительных сооружений. Выпуски 2 и 3. - М.: ГУП «НИАЦ», 2003. - Рекомендации по проектированию окружающей среды, зданий и сооружений с учетом потребностей инвалидов и других маломобильных групп населения: Выпуск 12. Общественные здания и сооружения. Спортивные сооружения. - М.: ГУП ЦПП, 1999. Выпуск 13. Общественные здания и сооружения. Физкультурно-оздоровительные сооружения. - М.: ГУП ЦПП, 1997. - Физкультурно-спортивные сооружения / Под ред. Л.В. Аристовой. - М.: Спорт Академ Пресс, 1999. - Рекомендации по проектированию освещения для спортивных залов, крытых бассейнов и открытых спортивных площадок. Сборник типовых светотехнических решений (группа компаний «Азбука света»). - М., 2003. - Сертификация стадионов. Нормативный документ: Концепт качества ФИФА. Руководство по требованиям в отношении искусственных газонов; Руководство и рекомендации по освещению стадионов для всех соревнований УЕФА (Российский футбольный союз. - М., 2006). - EQUIPEMENTS SPORTIFS ET SOCIO-EDUCATIFS. Guide technique juridique et reglementaire. Paris, 11е Edition 1993. - GUIDANCE NOTES. The Sports council for Wales. Cardiff, November, 1994. - Planungsgrundlagen «Sportplätze/Stadien», IAKS Jnternationale Vereinigung Sport - und Freizeiteinrichtungen, Köln, 1993. - ÖISS. Sportstättenguide. Stand: 1/01; 7/00; 7/01; Österreichisches Institut für Schule - und Sportstättenbau, Wien. Свод правил разработан научно-творческим коллективом под руководством Л.В. Аристовой, профессора СПбГАФК им. П.Ф. Лесгафта. Авторы и ответственные исполнители: канд. экон. наук Л.В. Аристова (СПбГАФК), канд. архитектуры A.M. Гарнец (Институт общественных зданий), арх. Ю.Г. Жура (ВНИИФК) при участии - канд. архитектуры Б.П. Анисимова (Институт общественных зданий), канд. архитектуры М.В. Винодаровой (ВНИИФК), инж. A.M. Гаямова (ООО «Сигма-Политан») и арх. А.Ю. Смывина (Институт общественных зданий). Научный редактор - канд. архитектуры A.M. Гарнец. Компьютерная графика - канд. техн. наук В.Ф. Кротюк, арх. А.Ю. Смывин и канд. техн. наук А.Ю. Цыганов (Институт общественных зданий). СВОД ПРАВИЛ ПО ПРОЕКТИРОВАНИЮ И СТРОИТЕЛЬСТВУ
1 Область применения1.1 Настоящий Свод правил предназначен для технологического проектирования открытых плоскостных физкультурно-спортивных и физкультурно-досуговых площадок и полей, используемых в летнее время года как индивидуально, так и для организованных занятий всех категорий населения. 1.2 Габариты и разметка игровых площадок и мест проведения соревнований (занятий), параметры зон безопасности игровых полей и мест проведения соревнований установлены правилами проведения соответствующих видов соревнований и поэтому являются обязательными как технологические требования. 1.3 Параметры плоскостных физкультурно-спортивных сооружений с сопутствующими группами необходимых помещений, приведенные в настоящем Своде правил, являются функционально-технологической основой составления программы проектирования спортивных сооружений и комплексов, которые следует проектировать по соответствующим строительным нормативным документам. 1.4 Положения документа следует использовать для определения единовременной пропускной способности мест проведения занятий (т.е. количества занимающихся), а также для расчета оборудования вспомогательных помещений: гардеробных, умывальных, душевых, уборных для занимающихся, инвентарных и т.п. Это будет способствовать полноценному и комфортному функционированию открытых плоскостных физкультурно-спортивных сооружений. 1.5 Свод правил распространяется на проектирование новых и реконструируемых открытых плоскостных физкультурно-спортивных сооружений (площадок, полей), которые могут размещаться как в спортивных комплексах, так и при других объектах независимо от их организационно-правовых форм собственности и ведомственной принадлежности. 1.6 При проектировании физкультурно-спортивных и физкультурно-досуговых объектов и определении мест их размещения наряду с технологическими требованиями настоящего документа следует учитывать требования санитарного законодательства и нормативную документацию по планировке территории, а также ГОСТ Р 52024 и ГОСТ Р 52025. 1.7 Свод правил содержит в основном рекомендательные положения и правила, за исключением указанных в п. 1.2. При включении их в задание на проектирование положения данного документа становятся обязательными при проектировании и экспертизе проектов. Заданием на проектирование устанавливаются состав открытых плоскостных сооружений (рисунок 1.1*), требования к их блокировке, наличию мест для зрителей и мест для стоянки личного автотранспорта. *Рисунки 1.1 - 10.1 приведены в приложении Ж. 2 Нормативные ссылкиВ настоящем Своде правил даны ссылки на следующие нормативные документы: СНиП 2.04.01-85* Внутренний водопровод и канализация зданий СНиП 2.04.02-84* Водоснабжение. Наружные сети и сооружения СНиП 2.07.01-89* Градостроительство. Планировка и застройка городских и сельских поселений СНиП 2.08.02-89* Общественные здания и сооружения СНиП 21-01-97* Пожарная безопасность зданий и сооружений СНиП 23-05-95* Естественное и искусственное освещение СНиП 35-01-2001 Доступность зданий и сооружений для маломобильных групп населения СП 31-112-2004 Физкультурно-спортивные залы СП 35-101-2001 Проектирование зданий и сооружений с учетом доступности для маломобильных групп населения. Общие положения СП 35-103-2001 Общественные здания и сооружения, доступные маломобильным посетителям ГОСТ 12.1.004-91 Пожарная безопасность. Общие требования ГОСТ 17.1.3.07-82 Охрана природы. Гидросфера. Правила контроля качества воды водоемов и водотоков ГОСТ 2874-82 Вода питьевая. Гигиенические требования и контроль качества ГОСТ Р 52024-2003 Услуги физкультурно-оздоровительные и спортивные. Общие требования ГОСТ Р 52025-2003 Услуги физкультурно-оздоровительные и спортивные. Требования безопасности потребителей СанПиН 2.2.1./2.1.1.1200-03 Санитарно-защитные зоны и санитарная классификация предприятий, сооружений и иных объектов ППБ 01-03 Правила пожарной безопасности в Российской Федерации МГСН 1.02-02 Нормы и правила проектирования комплексного благоустройства на территории города Москвы МГСН 2.06-99 Естественное, искусственное и совмещенное освещение. 3 Открытые игровые плоскостные сооруженияИгровые площадки3.1 Планировочные размеры открытых плоскостных спортивных сооружений, специализированных по видам спорта, и их пропускную способность, необходимую для определения площади вспомогательных помещений для занимающихся, следует принимать по таблице 3.1. 3.2 Площадки для спортивных игр (кроме площадок для городков) следует ориентировать продольными осями в направлении север-юг. Допустимое отклонение не должно превышать, как правило, 15° в каждую из сторон, таблица 3.2. При наличии в составе спортивных сооружений нескольких площадок для спортивных игр одного вида не более одной трети этих площадок допускается ориентировать продольными осями в направлении восток-запад. Таблица 3.1
Таблица 3.2 - Допустимое отклонение осей площадок от меридиана, град
В районах многоэтажной застройки игровые площадки рекомендуется размещать с восточной стороны зданий и ориентировать их экваториально. При таком размещении площадок солнце не будет мешать игре ни в вечернее, ни в дневное время. Ориентация городошной площадки должна обеспечивать направление игры на север, северо-восток, в крайнем случае - на восток. Места для зрителей следует ориентировать на север или восток. 3.3 Основные параметры площадок для спортивных игр приведены на рисунках 3.1 и 3.2 и в СП 31-112. 3.4 Площадка для бадминтона. Размер площадки для одиночной игры 13,4×5,18 м, а для одиночной и парной игры 13,4×6,1 м. Зоны безопасности шириной не менее 1 м должны быть свободны от каких-либо препятствий или предметов, представляющих опасность для игроков. Ширина линий разметки (0,04 м) входит в размеры ограничиваемых линиями расстояний. Основное оборудование состоит из двух стоек и натянутой между ними сетки длиной 6,1 м и шириной 0,75 м. Верхний край сетки устанавливается на высоте 1,55 м. Стойки круглого сечения должны изготовляться из любого прочного и жесткого материала, иметь приспособления для крепления сетки и крепиться на растяжках или иметь тяжелые основания. В случае расположения двух или более площадок смежно торцевыми сторонами между площадками следует устраивать фоны (желательно темно-зеленого цвета) длиной не менее 5 м и на высоту не менее 3 м. Материал для фона и способ его крепления определяются местным и условиями. 3.5 Площадка для баскетбола. Площадка состоит из поля для игры прямоугольной формы с размерами от 24×13 до 28×15 м, ограниченного боковыми и лицевыми линиями, и полос вне поля для игры шириной не менее 1 м, свободных от каких-либо предметов. При наличии у площадки мест для зрителей они должны размещаться не ближе 2 м от границ поля для игры. В виде исключения для игр по упрощенным правилам, а также на затесненных участках в условиях сложившейся застройки допускается проектировать поле для игры уменьшенных размеров (но не менее чем 20×10 м), что должно оговариваться в задании на проектирование и быть согласовано с соответствующим комитетом по физической культуре и спорту. Ширина разметочных линий (0,05 м) входит в размеры обозначаемых ими центрального круга, трехсекундной зоны, области и линии штрафного броска; ширина боковых и лицевых линий в размеры поля для игры не входит. В зависимости от места установки щитов длину трехсекундной зоны уменьшают так, чтобы расстояние от линии штрафного броска до щита (в плане) оставалось неизменным и равным 4,6 м; при этом расстояние от лицевой линии до ближайшего к ней усика соответственно укорачивают. Щиты должны прочно прикрепляться к стойкам, которые могут иметь любое конструктивное решение, обеспечивающее жесткость, прочность и безопасность конструкций. Если опорная часть стоек решена в виде одного или двух столбов (труб, стержней и тому подобных элементов круглого сечения), они должны отстоять не менее чем на 0,4 м от лицевых линий; при пространственной криволинейной (или прямоугольной) конструкции опорной части стойки должны отстоять от лицевых линий не менее чем на 1 м. Конструкция стоек должна обеспечивать крепление щитов так, чтобы они выходили внутрь поля для игры на 1,2 м. На площадках уменьшенных размеров для игр по упрощенным правилам разрешается уменьшать размеры щитов (но не менее чем до 1 м в ширину и 0,8 м в высоту) с креплением их непосредственно к столбам (или стене). При этом щиты могут вдаваться внутрь площадки менее чем на 1,2 м или располагаться непосредственно над лицевой линией; допускается также и снижение высоты прикрепления кольца (но не ниже 2,5 м). 3.6 Площадка для волейбола. Площадка состоит из поля для игры прямоугольной формы размером 18×9 м, ограниченного боковыми и лицевыми линиями, и свободных полос вне поля для игры шириной не менее 3 м. Ширина линий разметки (0,05 м) входит в размеры ограничиваемых линиями площадей и расстояний. На площадках, предназначенных для проведения крупных соревнований и тренировок команд мастеров, рекомендуется максимально увеличивать ширину полосы вне поля для игры у места подачи (расстояние от лицевой линии до наружной границы площадки у места подачи). В исключительных случаях (для игр по упрощенным правилам) допускается принимать уменьшенные размеры поля для игры и защитных полос вне поля. Изменения размеров площадок должны в каждом отдельном случае оговариваться заданием на проектирование, согласованным с соответствующим комитетом по физической культуре и спорту. Площадка оборудуется сеткой длиной 9,5 м и шириной 1 м, натянутой на тросе между двумя стойками. В зависимости от возраста и пола играющих верхний край сетки устанавливается на разной высоте от поверхности поля для игры (минимально - 2,1 м, максимально - 2,43 м). Стойки должны быть круглого сечения, изготавливаться из любого прочного и жесткого материала. Они могут быть стационарными или съемными. Конструкция стоек должна обеспечивать возможность установки сетки на любой из необходимых высот. 3.7 Примеры блокировок игровых площадок приведены на рисунках 3.3 и 3.4. 3.8 Площадка для гандбола. Площадка состоит из поля для игры прямоугольной формы размером 40×20 м, ограниченного боковыми и лицевыми линиями, и полос в одном уровне с поверхностью поля вне его ширины, указанной на рисунке 3.1. Ширина всех линий разметки (кроме линий ворот) 0,05 м, ширина линии ворот (между вертикальными стойками) 0,08 м. Ширина линий разметки входит в размеры ограничиваемых ими площадей и расстояний. При блокировке нескольких площадок предпочтительнее располагать их смежно по боковым линиям (смежное расположение по лицевым линиям влечет за собой необходимость устройства ограждения для перехвата мячей). При смежном размещении площадок общую ширину полос вне поля для игры допускается уменьшать: до 2 м между боковыми линиями смежных полей; до 3 м - между лицевыми линиями. На площадке устанавливают двое ворот, вплотную к внешнему краю лицевых линий на равном расстоянии от углов поля для игры. Ворота могут быть стационарными или переносными, прочно закрепленными и должны окрашиваться в контрастные цвета поперечными полосами (длина каждой полосы 0,2 м). 3.9 Площадка для городков. Поле для игры представляет собой прямоугольник длиной от 26 до 30 м и шириной от 13 до 15 м (оптимально 30×15 м). Оно имеет в своем составе размеченные «города» с «пригородами» и «коны» с «полуконами» (рисунок 3.5). Размер площадки, на которой размещаются «города» с «пригородами», должен быть не менее 9×4 м. «Коны» и «полуконы» должны иметь ширину 2 м и длину 3 м. Передние линии «конов» проводятся параллельно лицевой линии «города» на расстоянии в зависимости от возраста участников: для взрослых и юношей старшего возраста 13 м, для юношей младшего возраста и мальчиков 10 м. Передние линии «полуконов» проводятся также параллельно лицевой линии «города» и в зависимости от возраста соответственно на расстоянии 6,5 и 5 м. Размечают «города» с «пригородами» краской (линиями шириной 0,02-0,03 м), а «коны» и «полуконы» по передним и боковым линиям деревянными планками (шириной 0,02-0,03 м), выступающими над уровнем поверхности площадки на 0,02-0,03 м. Задние линии «конов» и «полуконов» не отмечают. По бокам у «конов» вдоль границ внутри участка устанавливаются скамьи для участников, а у «городов» (с одной из сторон) отводится место для судей. Места для зрителей должны располагаться за барьером (границами участка) с боковых сторон, но не ближе лицевой линии «городов» (ее продолжения) и с задней стороны участка. 3.10 Площадка для тенниса. Игровая площадка (корт) состоит из поля прямоугольной формы размером 23,77×10,97 м для парной игры и размером 23,77×8,23 м для одиночной игры. Поле ограничено боковыми и задними линиями, а также свободными полосами по внешнему его периметру - забегами. Посередине оно разделено поперечной сеткой. Габариты корта предусматриваются для парной игры и определяются уровнем соревнования, при этом на городских спортивных комплексах в числе площадок для тенниса не менее чем один корт должен иметь размер 40x20 м. Независимо от принятых габаритов площадки размеры поля для игры остаются неизменными (рисунок 3.1). На затесненном участке в условиях сложившейся застройки допускается устройство отдельно расположенного корта с размерами поля для одиночной игры. При смежном боковом расположении площадок расстояние между линиями полей для игры должно быть не менее 5 м, а при торцевой их блокировке площадки разделяются сеткой. При кортах на несколько полей следует предусматривать тренировочные площадки с теннисной стенкой. Параметры приведены на рисунке 3.6. 3.11 Пляжный волейбол и пляжный футбол - игры, проводящиеся на песке (рисунок 3.7, А и Б). Игровое поле для футбола не имеет жестко закрепленных размеров. Обычно принимают размеры площадки, включая зону безопасности, от 20×30 м (пляжный спорт) до 30×40 м (размер для соревнований); число игроков - 4×4 человека. Для волейбола необходима площадка не менее 15×26 м. включая зону безопасности; число игроков - 2×2 или 4×4 человека. Зрители или препятствия размещаются за пределами песчаных площадок. Для разметки поля применяется маркировочная лента из синтетического материала темно-синего цвета шириной 5-8 см. Она закрепляется эластичными держателями к заглубленным на 30 см плоским плитам. Размещать площадки пляжного волейбола и футбола для массовых физкультурно-оздоровительных занятий рекомендуется в прибрежных зонах водоемов, в парках и на озелененных территориях, в составе городских пляжей. Количество площадок определяется по месту, с учетом площади и вместимости пляжа или емкости рекреационной территории. Рекомендуемое минимальное количество площадок две. Почва на месте, где делается площадка, должна легко впитывать воду (см. раздел 8). Площадки для массовых самостоятельных физкультурно-оздоровительных занятий допускается размещать без строительства отдельных вспомогательных помещений. При этом рекомендуется использовать предусмотренные для посетителей пляжа или зоны отдыха буфеты и санитарно-гигиенические устройства (уборные, душевые кабины, кабины для переодевания). Игровые поля3.12 Для проведения спортивных игр устраиваются следующие виды игровых полей: футбольное, для гандбола, регби, хоккея на траве, бейсбола и др. Их основные характеристики приведены в таблице 3.3. 3.13 Поля для спортивных игр с воротами (регби, футбол, хоккей на траве и т.п.) следует ориентировать продольными осями в направлении север - юг. Допускается отклонение в любую сторону, не превышающее 20°. Поле для бейсбола следует ориентировать с запада на восток. При наличии в составе спортивных сооружений нескольких спортивных полей одного вида допускается ориентация не более одной трети этих полей в направлении восток - запад. 3.14 Футбольные поля. Футбольное поле представляет собой ровную площадку, окруженную по периметру зоной безопасности, свободной от каких-либо предметов. Таблица 3.3 - Основные характеристики игровых полей
Поле для игры в футбол имеет прямоугольную форму и ограничено боковыми линиями и линиями ворот. Оно должно иметь ширину от 60 до 75 м и длину от 90 до 110 м (оптимальный размер 68×105 м). Для всероссийских и международных соревнований размеры поля для игры не должны быть менее 64×100 м (рисунки 3.8, А и 3.9). При нескольких футбольных полях в одном комплексе не более половины из них допускается принимать размером 98×64 м. Такие же размеры следует, как правило, принимать для футбольных полей (независимо от их числа), размещаемых в малых населенных пунктах, в сельской местности и в жилых районах, без уменьшения пропускной способности, приведенной в таблице 3.3. В виде исключения на затесненных участках в условиях сложившейся застройки допускается (для игр по упрощенным правилам) уменьшение размеров игрового поля до 50×75 м, а для детей возраста 10-14 лет до 40×60 м. Проектирование полей уменьшенного размера должно оговариваться заданием на проектирование и согласовываться с соответствующим комитетом по физической культуре и спорту. Для тренировок футболистов в комплексе должны быть отдельные футбольные поля различных размеров, некоторые из них с безгазонными покрытиями (рисунок 3.10). 3.15 Вне поля игры (независимо от его размеров) должны предусматриваться свободные от каких-либо предметов зоны (полосы, параллельные линиям ворот и боковым линиям); ширина зоны за линиями ворот - 4-8 м, а вдоль боковых линий - 2-4 м. Ширина зоны между полями для игры, располагаемыми смежно длинными сторонами, может приниматься не менее 2 м. При смежном расположении полей торцами необходимо предусматривать устройства для задержки мячей, устанавливаемые не ближе 4 м от линии ворот. На полях, входящих в состав спортивного ядра, допускается уменьшение ширины полос в пределах до внутренней бровки беговой дорожки. 3.16 На футбольных полях всех размеров, кроме полей для игры детей возраста 12-13 лет, применяют одинаковую, обычную разметку, а для игр детей на поле уменьшенного размера применяют упрощенную разметку (рисунок 3.9, Б). Размечать следует ясно видимыми линиями шириной не более 0,12 м; ширина линий входит в размер поля для игры и других ограничиваемых ими площадей. Оборудование поля состоит из одной пары ворот (стационарных или съемных) и четырех угловых флагов. Основные размеры стационарных ворот на обычных полях приведены на рисунке 3.9. На полях с упрощенной разметкой (для детей возраста 10-14 лет) следует устанавливать переносные ворота длиной 6 м и высотой 2 м (оба размера - в свету). 3.17 Поле для хоккея на траве. Строительные размеры площадки 99,4×61 м, размер игрового поля составляет по длине 91,4 м и по ширине 50-55 м. Разметка игрового поля показана на рисунке 3.8, Б. Поле размечается белыми линиями шириной 7,5 см. Ворота устанавливают посередине лицевой линии. Размер ворот 3,66 м по ширине и 2,14 м по высоте. От каждой внешней стороны стойки ворот делаются четыре отметки длиной 30-40 см, две на расстоянии 4,5 м. и две на расстоянии 9,15 м. По углам поля устанавливаются флаги (1,2-1,5 м). 3.18 Бейсбол - игра удара и бега между двумя командами по 9 игроков в каждой. Целью игры является совершить больше перебежек через все базы, чем команда соперников. Во время каждой подачи игроки отбивающей команды стараются обежать все базы максимальное количество раз. Игра проводится на площадке, состоящей из внутреннего и внешнего полей. Внутреннее поле размером 27,44×27,44 м - это площадка, расположенная между четырьмя базами. Внешнее поле размером 114,5×114,5 м - площадка, примыкающая к внутреннему полю и ограниченная продолжением двух его линий. Разметка элементов поля приведена на рисунке 3.11. Ширина линий разметки 5-10 см. Цвет не устанавливается, но он должен контрастировать с полем, предположительно белый. Внешнее поле ограничено примыкающей полосой шириной 5 м (обычно из твердой земли), которая служит зоной безопасности. Переход с травяного покрытия на твердый грунт повышает внимательность игрока вблизи границы игрового поля. База дома представляет собой пятиугольную пластину из белой резины, а три остальные базы обозначены белыми брезентовыми мешками. Площадка питчера, игрока, подающего мяч, - прямоугольная пластина из белой резины, размером 60×15 см. Она обычно устанавливается на возвышении. Позади базы дома на площадке круглой формы диаметром не менее 5,5 м (оптимально 10 м) находится кетчер - игрок, ловящий мяч. 3.19 Поле для регби. Стандартные строительные размеры поля 120×72 м, пропускная способность 34 человека в смену. В соответствии с правилами соревнований размер игрового поля может иметь длину от 107 до 132 м, ширину - от 66 до 68,57 м. План игрового поля для регби приведен на рисунке 3.12. Разметка поля производится белыми линиями шириной 12 см. Ширина боковой линии в размер игрового поля не входит. Линии ворот относятся к зачетному полю, боковые линии и стойки угловых флагов не входят в размер зачетного поля. Ворота устанавливаются на лицевой линии. Расстояние между внутренними гранями вертикальных стоек ворот 5,65 м, а от поверхности грунта до верхней грани перекладины - 3 м. Конструкции полей для регби принимают такие же, как и для футбольных полей (газонные - НВ-2, безгазонные из оптимальной смеси - НВ-1, с синтетической травой - В-1). Игра в регби возможна и на обычном футбольном поле. При этом ворота устанавливают на лицевых линиях футбольного поля. Поле для американского регби размером 109,75×48,8 м имеет такое же газонное покрытие, как и поле для футбола, но отличается от него особой разметкой: поперечными полосами (коридорами) через каждые 6 м. 4 Места для легкой атлетики4.1 На открытом воздухе футбол с легкой атлетикой объединяются на одном общем для них сооружении - футбольно-легкоатлетическом спортивном ядре (спортивной арене). На спортивном ядре возможны тренировочные занятия как по футболу, так и по легкой атлетике, а при устройстве вдоль одной или нескольких сторон спортивного ядра трибуны для зрителей возможно проведение соревнований. Состав и размеры мест для всех видов легкой атлетики и футбола приняты по требованиям для международных соревнований с учетом наличия соответствующих зон безопасности. Компоновка и размеры мест для легкой атлетики в составе спортядра в зависимости от местных условий и уровня спортивной квалификации занимающихся могут отличаться от приведенных на рисунке 4.1. 4.2 Размеры спортивного ядра следует принимать в соответствии с требованиями к размерам круговой легкоатлетической беговой дорожки, а пропускную способность - исходя из суммы пропускной способности беговых дорожек и остальных мест для легкой атлетики (таблица 4.1), не совмещающихся друг с другом и используемых одновременно. При одноцентровых поворотах дорожки для бега по кругу «поле для игры» в футбол размером 105×68 м хорошо вписывается в дорожку длиной 400 м для бега по кругу с радиусом поворотов 36,5 м. При этом обеспечиваются хорошие условия для расположения мест для легкоатлетических прыжков и метаний в секторах. 4.3 В случаях когда размеры спортивного ядра, приведенного на рисунке 4.1, не позволяют расположить его на отведенной территории, можно сократить размеры спортивного ядра при сохранении параметров футбольного поля - 105×68 м и расчетной длины дорожки для бега по кругу. В этом случае повороты следует описывать не из одного центра, а из трех. На рисунке 4.2, Б приведен пример плана такой дорожки длиной 400 м, при котором прямые отрезки и повороты имеют одинаковую протяженность (по 100 м). Длина большой оси ядра (арены) по сравнению с одноцентровым (по радиусу 36,5 м) вариантом уменьшается на 4,32 м, а ширина ядра (арены) уменьшается на 1,05 м. Параметры легкоатлетических секторов по торцам футбольного поля в этом случае несколько уменьшаются, т.е. условия размещения отдельных мест для легкой атлетики (особенно разбега при метании копья) ухудшаются. Таблица 4.1 - Планировочные размеры, пропускная способность и тип покрытия мест для легкой атлетики
Приведенные параметры не единственно возможные. Если принять размеры футбольного поля для игры 90×60 м, то это позволит увеличить легкоатлетические секторы в торцах футбольного поля, возможны и иные параметры (рисунок 4.2, В). 4.4 При значительной численности или высоком уровне спортивной квалификации участников учебно-тренировочных занятий по футболу и по легкой атлетике целесообразно устройство отдельных специализированных сооружений для этих видов спорта (вместо футбольно-легкоатлетического спортядра). Это исключает взаимные помехи футбола и легкой атлетики и обеспечивает полную загрузку сооружений в суточном цикле их использования. Варианты компоновки комплексных сооружений для легкой атлетики разнообразны - от размещения всех мест для прыжков и метаний внутри контура круговой беговой дорожки (рисунок 4.3) до вынесения мест для прыжков и метаний и дорожки для бега на дистанции до 110 м за внешние пределы круговой дорожки. Это предпочтительно для тренировочных сооружений, так как исключает взаимные помехи и обеспечивает максимальную безопасность во время проведения занятий. Компоновка и размеры мест для легкой атлетики в зависимости от местных условий и уровня спортивной квалификации занимающихся могут отличаться от приведенных на рисунке 4.3. Состав и габариты мест для легкой атлетики приняты по требованиям для международных соревнований с учетом наличия соответствующих зон безопасности. 4.5 Места для различных видов тренировочных занятий по легкой атлетике могут быть компактно сблокированы на площадках небольшой ширины. Над ними возможно устройство легких покрытий из современных тканевых или пленочных материалов по легким металлическим несущим конструкциям для защиты от атмосферных осадков и «всепогодного» использования сооружений с целью удлинения периода занятий на открытом воздухе (рисунок 4.4). 4.6 Местами для бега и спортивной ходьбы являются прямая и круговая беговые дорожки. Для бега на дистанцию до 400 м включительно (и для эстафет с этапами этой же длины), который проводится по отдельным дорожкам, ширину каждой отдельной дорожки принимают 1,22 м. Для прямой и круговой беговых дорожек оптимальной является ширина, рассчитанная на 6-8 отдельных дорожек. В виде исключения на сооружениях небольшого масштаба допускается принимать ширину на 4-5 отдельных дорожек. Примечание - Возможен вариант, при котором ширина круговой беговой дорожки на финишном прямом участке имеет ширину на 1-2 дорожки больше, чем в остальной своей части. 4.7 Прямая беговая дорожка (для бега на дистанции до 110 м включительно) (рисунки 4.1 и 4.5) имеет длину, на 15-20 м превышающую дистанцию, для бега на которую она предназначается (3-5 м свободного пространства перед стартом и 12-15 м - после финиша). Оптимальной является длина 125-130 м, позволяющая проведение бега по прямой на все дистанции. На затесненных участках допускается проектировать прямые беговые дорожки для дистанций 60, 80 или 100 м. Поскольку длина прямых участков круговой дорожки не позволяет проводить бег на дистанции 100 и 110 м, один из прямых участков (или оба) удлиняют до необходимого размера и на спортивном ядре прямая и круговая беговые дорожки оказываются совмещенными. 4.8 Круговая беговая дорожка (для бега на дистанции свыше 110 м и спортивной ходьбы) (рисунки 4.2, 4.3) представляет собой замкнутый контур, состоящий из двух параллельных равной длины прямых участков и плавно сопряженных с ними двух поворотов. Оптимальная расчетная длина круговой беговой дорожки - 400 м достигается при длине прямых участков по 84,39 м каждый и поворотах, описанных радиусом 36,5 м. Примечания 1 Длина круговой беговой дорожки (расчетная) считается по условной «линии измерения», отстоящей на расстоянии 0,3 м от наружного края внутренней бровки контура дорожки. 2 При ограниченных (по большой оси) размерах участка допускается, в виде исключения, изменение параметров контура круговой дорожки и построение поворотов по кривой, очерченной не одним, а несколькими радиусами (см. рисунок 4.2, Б). 4.9 На затесненных участках в условиях сложившейся застройки допускается, а на сооружениях небольшого масштаба (при школах, профтехучилищах и т.п.) рекомендуется предусматривать круговую беговую дорожку меньшей длины (200, 300 или 333,33 м). Прямую беговую дорожку можно проектировать как отдельное плоскостное сооружение (на затесненных участках), круговую же беговую дорожку предусматривают, как правило, только в составе спортивного ядра. Ею окаймляют поле (площадку) для спортивных игр и секторы с местами для легкоатлетических прыжков и толкания ядра. 4.10 Старты на различные дистанции, общий финиш, границы отдельных дорожек и этапы эстафетного бега размечают белыми линиями шириной 5 см. С внешней и внутренней сторон беговой дорожки предусматривают полосу шириной не менее 1 м, свободную от посторонних предметов (зону безопасности). По внутреннему периметру круговой беговой дорожки устраивают бровку из твердых материалов, выступающую над полотном беговой дорожки на 0,05 м. Ширина бровки - не более 0,05 м. Верхний край бровки должен быть закруглен и иметь по всему периметру одинаковую вертикальную отметку (рисунок 4.5). Финиш на спортивном ядре делают общим для всех дистанций и размещают в конце одной из прямых, на сопряжении ее с поворотом. По обе стороны линии финиша вне беговой дорожки (на расстоянии не менее 0,3 м от ее границ) необходимо предусматривать закладные устройства для установки финишных стоек. С одной или с обеих сторон беговой дорожки против финишной линии предусматривают место для установки ступенчатых вышек (или мест на зрительской трибуне), на которых размещаются бригады судей на финише и судей-секундометристов. Передний край этих вышек должен быть не ближе 5 м от ближней границы беговой дорожки. 4.11 Для барьерного бега и стипль-чеза на беговых дорожках устанавливают препятствия (барьеры) (рисунок 4.6). Для бега на дистанции 1500, 2000 и 3000 м с препятствиями, проводимого по круговой дорожке, следует также предусматривать устройство ямы с водой (рисунок 4.6, В). Яму можно располагать за пределами круговой беговой дорожки - за ее внешней границей или внутри (в секторе). Как правило, ее следует размещать у продольной оси спортядра, в районе поворота, противоположного финишу (см. рисунки 4.1 и 4.3). 4.12 Место для прыжков состоят из двух основных частей: дорожки (сектора) для разбега и места (ямы) для приземления. Планы и основные размеры мест для прыжков и отдельных их частей приведены на рисунках 4.7-4.9. Эти размеры соответствуют требованиям правил соревнований и являются оптимальными как для проведения соревнований, так и тренировок независимо от квалификации, пола и возраста спортсменов. 4.13 У отдельно расположенных (не в составе спортивного ядра или иного комплекса открытых плоскостных сооружений) мест для прыжков по границам участка каждого места устанавливают бровку, отделяющую эти места от окружающей территории. Верхний край бровки может находиться в одной отметке с окружающей поверхностью или возвышаться над нею на 0,02-0,05 м. По боковым сторонам дорожек (секторов) для разбега и мест (ям) для приземления предусматривается свободная полоса (зона безопасности), имеющая ширину, указанную на рисунках 4.7-4.9. Дорожки для прыжков в длину и тройного предусматриваются одинарные или двойные (рисунок 4.7). Примечание - При проектировании мест, специально предназначенных для групповых учебных и тренировочных занятий, рекомендуется ямы для приземления объединять в одну, ширина которой равна ширине строенной, счетверенной или упятеренной ямы. Количество дорожек или ширина общей дорожки для разбега соответственно увеличивается (размеры - на рисунке 4.7, Б). 4.14 В конце дорожки для разбега в зоне установки бруска для отталкивания (перед ямой для приземления) дорожка расширяется до ширины ямы. Брусок для отталкивания вкапывают заподлицо с поверхностью дорожки для разбега. Расстояние от ямы для приземления до бруска зависит от квалификации прыгунов и вида прыжков (в длину или тройной) и решается в каждом отдельном случае в процессе эксплуатации. Яма для приземления должна иметь глубину 0,5 м и обрамляться со всех четырех сторон бортами; верх трех бортов (с мягкой обивкой) должен находиться на одном уровне с поверхностью вокруг ямы, а переднего (ближнего к дорожке для разбега) - утоплен не менее чем на 0,03 м ниже уровня дорожки для разбега. Яму заполняют песком. Уровень смоченной и взрыхленной поверхности песка должен быть на одной отметке с полотном дорожки для разбега. 4.15 На рисунке 4.8 приведены план и основные размеры места для прыжков в высоту оптимальных конфигураций и величины. Место для приземления может быть стационарным или выполняться накладным, переносным (перевозным). Оно имеет четыре борта. Боковые и задние борта должны иметь мягкую обивку. Вдоль переднего борта (обращенного к сектору для разбега и находящегося на одной отметке с поверхностью сектора для разбега) с внешней его стороны на одном с ним уровне вкапывается планка длиной 4,5 м и шириной 0,05 м. В качестве заполнителя ямы рекомендуются мягкие синтетические материалы. При поднятом уровне стационарного места для приземления, а также у переносных (перевозных) мест борта (кроме переднего) следует поднимать над уровнем сектора для разбега на 0,3-0,4 м. Для спортсменов-разрядников, тренирующихся и соревнующихся на значительных высотах, уровень места для приземления рекомендуется поднимать на 0,5-0,75 м выше полотна сектора для разбега. Стойки для прыжков устанавливают вертикально в одной плоскости с передним бортом. Они могут быть переносными или стационарными; в последнем случае с внутренней стороны переднего борта предусматривают устройство для их установки. Для учебной работы по прыжкам в высоту рекомендуется делать одно общее место для приземления на несколько пар стоек, имеющее ширину двух - пяти обычных мест. 4.16 План и основные размеры места для прыжков с шестом приведены на рисунке 4.9. Верхний уровень места для приземления в прыжках с шестом должен превышать уровень полотна дорожки для разбега не менее чем на 0,8 м, поэтому для приземления в прыжках с шестом следует предусматривать стационарное накладное место или сборно-разборную конструкцию. Вдоль передней стороны места для приземления, заподлицо с поверхностью дорожки для разбега в грунт закапывают планку длиной 3,5-4 м и шириной 0,1 м; также заподлицо с полотном дорожки для разбега вплотную к планке вкапывают ящик для упора шеста (рисунок 4.9, Б). Дорожка для разбега в районе ящика для упора шеста расширяется; на ней намечают метраж разбега, начиная с 5 м, считая от внутреннего края задней (ближней к месту приземления) стенки ящика для упора. Для учебно-тренировочной работы по прыжкам с шестом рекомендуется установка двух и более пар стоек у общего места для приземления, имеющего соответственно увеличенную ширину. 4.17 Места для метания (толкания) состоят из двух основных частей: площадки (на которой расположен круг, ограниченный кольцом) или дорожки для разбега, с которых производится бросок (толчок), и сектора или коридора для приземления снарядов. Для метания диска, молота и толкания ядра - это круг и сектор для приземления; для метания копья - дорожка для разбега и сектор для приземления. Планы и основные размеры мест и отдельных их частей приведены на рисунках 4.10 - 4.12. Это оптимальные размеры, которые соответствуют как правилам любых соревнований, так и условиям тренировочных занятий спортсменов любой квалификации и любого пола. В зависимости от характера использования и размеров участка допускается уменьшение длины секторов (коридоров) для приземления по согласованию с соответствующим комитетом по физической культуре и спорту. 4.18 При размещении мест для учебно-тренировочных занятии по толканию ядра и метанию диска, молота, копья, гранаты вне спортивного ядра направление метания (толкания) должно быть ориентировано, как правило, на север, северо-восток или восток. 4.19 Метание копья производится от планки шириной 0,07 м (рисунок 4.10). Для метания копья планка изогнута по дуге с радиусом 8 м (по внутреннему краю планки). Расстояние между ее концами (по хорде) 4 м. Для метания гранаты и мяча планка прямолинейная длиной 4 м. Планки изготовляют из дерева (доски, фанеры) или металлического листа, укрепляют заподлицо с грунтом дорожки для разбега и окрашивают в белый цвет. У обоих концов планки для метания копья на грунте размечают «усы», направленные перпендикулярно оси дорожки для разбега, имеющие длину 0,75 м каждый и ширину 0,07 м. По концам планки для метания гранаты и мяча устанавливают цветные флажки. 4.20 У места для толкания ядра в середине передней части кольца устанавливают и прочно закрепляют деревянный «сегмент» (рисунок 4.11, А). Сегмент окрашивают в белый цвет. Он прикрывает кольцо сверху и совпадает внутренней своей поверхностью с внутренним краем кольца. У мест для метания диска и молота устанавливают предохранительное сетчатое ограждение (рисунок 4.12). Кольца, изготавливаемые из металла или другого твердого и прочного материала, могут быть стационарными (постоянно врытыми в грунт) или переносными (накладываемыми на поверхность площадки), не сдвигающимися при упоре в их вертикальную внутреннюю грань. Верх кольца должен возвышаться над площадкой не более чем на 2 см (допустимое отклонение 0,2 см в сторону уменьшения). 4.21 По боковым сторонам дорожек для разбега и секторов (коридоров) для приземления снарядов, а также вокруг колец (кругов) для метания (толкания), а в метании диска и молота вокруг предохранительного ограждения должна предусматриваться свободная полоса, имеющая ширину, указанную на рисунках 4.10-4.12. 4.22 Границы секторов (коридоров) для приземления снарядов размечают линиями шириной 5 см начиная от внешнего края круга (кольца) или планки. На дальнем конце пограничных линий устанавливают секторные флаги. Ширина пограничных линий не входит в размеры сектора (коридора). Во всех видах метаний секторы (коридоры) для приземления снарядов размечают линиями шириной 0,05 м через каждые 5 м (в толкании ядра - через 1 м). Ширина линии входит в размер, указывающий расстояние от нее до внутреннего края кольца (планки). Площади секторов (коридоров) размечают в следующих оптимальных пределах: сектора для толкания ядра от 8 до 21 м, для метания диска - от 30 до 60 м, для метания молота - от 35 до 70 м; коридора для метания гранаты - от 20 до 90 м; сектора для метания копья - от 30 до 90 м. 4.23 Пограничные боковые и другие разметочные линии секторов (коридоров) для приземления обозначают краской или съемными лентами белого цвета (в толкании ядра - только краской по грунту сектора для приземления снарядов). Если приземление осуществляется на площадь, используемую не только для приземления снарядов (например, на поле для игр - на спортивном ядре), разметка должна выполняться только лентами. Дорожку для разбега в метании копья ограничивают белыми линиями (обозначаемыми краской или лентой) шириной 0,05 м, не входящими в габарит дорожки. В местах пересечения линий разметки сектора (коридора) с пограничными боковыми линиями устанавливают указатели с цифрами, показывающими расстояние от внутреннего края кольца (планки). 5 Площадки для физкультурных, развлекательных игр и оздоровительных занятий5.1 Открытые физкультурно-спортивные площадки и сооружения делятся на 3 группы: 1. Сооружения для физкультурно-оздоровительных и спортивно-развлекательных занятий (рассчитываемые на обслуживание любых групп населения); 2. Сооружения для массовых спортивных занятий (т.е. сооружения с нормативными планировочными параметрами, но не рассчитанные на проведение соревнований высокого уровня); 3. Сооружения для наиболее несложных видов нетрадиционного и экстремального спорта (как правило, чрезвычайно популярных ввиду зрелищности и доступности среди молодежно-юношеского контингента). Примерная классификация разновидностей массового спорта приведена в таблице 5.1. Таблица 5.1
5.2 Несложные правила спортивно-развлекательных игр делают их доступными и привлекательными для людей всех возрастов и разного уровня физического развития. Игры предполагают свободное общение между участниками, а часто и между участниками и наблюдающими. Спортивно-развлекательные игры можно разделить на три группы: игры, используемые в международных соревнованиях и для отдыха и развлечения; спортивные игры по упрощенным правилам и для отдыха и развлечения; игры по национальным видам спорта, используемые для отдыха и развлечения (таблица 5.2). Варианты покрытий и специфика их оборудования приведены в приложении А. Таблица 5.2 - Поля и площадки для развлекательных спортивных игр. Основные характеристики
5.3 К первой группе спортивно-развлекательных игр можно отнести распространенные в России спортивные игры: волейбол, баскетбол, настольный теннис, бадминтон, теннис, а также лапту. Менее известны и распространены - гольф, лякросс и т.п. В спорте требуется строгое выполнение правил, соблюдение возрастных ограничений и установленных технологических размеров площадок. Для отдыха и развлечения точное соблюдение требований не обязательно, в связи с чем эти игры становятся доступными для оздоровительных занятий людей среднего и пожилого возраста. 5.4 Русская лапта - двухсторонняя командная игра с мячом и битой (лаптой). Цель одной команды - совершить как можно больше перебежек, где каждый игрок, совершивший полную пробежку, приносит своей команде очки. Цель другой команды - не дать соперникам сделать перебежки «осаливанием» мячом и поймать больше «свечей». Игровая площадка (рисунок 5.1) представляет собой прямоугольник, имеющий твердую поверхность (травяное или искусственное покрытие), размером 40-55 м в длину и 25-40 м в ширину. Размеры измеряют по внутреннему краю линий, ограничивающих площадку. Организаторы соревнований, исходя из местных условий, устанавливают размеры площадки, но в пределах указа иных выше размеров. Игровая площадка размечается хорошо видимыми линиями шириной 8 см. Линии, расположенные по длинным сторонам игровой площадки, называются боковыми линиями, линии вдоль коротких сторон - линиями дома и линиями кона. Площадка должна быть окружена свободной зоной: за линией дома - не менее 5 м, за боковыми линиями - 5-10 м, за линией кона - не менее 20 м. В 10 м от линии дома проводится контрольная линия, которая образует штрафную зону. Штрафная зона представляет собой прямоугольную площадку размером 10 м на 25-40 м, необходимую для определения действительности удара по мячу. Площадка очередности предназначена для ожидания игроками очередности удара по мячу. Пригород - место, откуда совершаются перебежки игроками, выполнившими удары по мячу. Площадка подающего расположена в центре линии дома. Ширина площадки 3 м, в центре, на расстоянии 50 см от линии дома чертится круг подачи диаметром 50 см. Два сектора для запасных игроков расположены сзади пригорода, площадки подающего и площадки очередности. Размер каждого сектора (длина - 5 м, ширина - 2 м) обозначается разметкой. В каждом секторе должны быть скамейки или кресла на 12 человек. 5.5 Поле для гольфа. Поле представляет собой участок с пологими склонами, разделенными перелесками или небольшими рощицами с высокой травой, кустарником, оврагами, речками, прудами либо песчаными дюнами у моря, т.е. многочисленными естественными препятствиями. Площадка для начала и конца игры обычно устраивается перед зданием с раздевальными (гольф-клуб). Вблизи него размещают место для первого удара и 18-ю лунку. Желательно приблизить к зданию и 9-ю лунку и место 10-го удара (рисунок 5.2, А). Отдельные дорожки или полосы (всего их может быть 18) не должны располагаться близко друг к другу и не пересекаться. Направление дорожек определяется так, чтобы солнце не слепило играющих. Следует учесть также преобладающее направление ветра для этой местности. Размеры отдельных игровых дорожек или полос принимают: по длине 150-130 м (допускается до 500 м), по ширине 50-70 м. Иногда предусматривают их более длинными. Из всех 18 игровых полос 4 должны быть короткими: две между первой и девятой лунками и две между 10-й и 18-й лунками. Для игры отводится участок площадью 25-50 га. Количество лунок - 9 или 18. Можно отвести и участок меньшей площади, например 10 га, тогда игра ведется с девятью лунками в два круга. Общая длина всех дорожек обычно составляет 3-6 км. Ограждение участков и специальное благоустройство не требуются. Выбор игровых дорожек и полос зависит от местных условий, но территорию специально не выравнивают, не срубают зеленые насаждения и т.д. 5.6 Виды игровых площадок для гольфа (рисунок 5.2, Б). Тренировочные площадки для короткой игры уменьшенного масштаба относительно основных полей с 18 короткими игровыми полосами с лунками имеют длину примерно 40-80 м. Необходимая площадь около 10 га. Площадки укороченных размеров с тремя парами лунок. Длина игровой полосы максимум 228 м. Необходимая площадь для игры около 20 га. Стандартная площадка для гольфа на 18 лунок, как правило, имеет от 68 до 72 лунок, при оптимальном распределении - 10 пар по 4 лунки, 4 пары по 3 лунки, 4 пары по 5 лунок. Средняя длина игровых дорожек от 5670 до 6218 м, необходимая площадь для игры 50-60 га. Профессиональная площадка для гольфа на 18 лунок с тренировочными сооружениями и дополнительными лунками должна иметь площадь 60-70 га. 5.7 Ко второй группе спортивно-развлекательных игр относятся игры, проводимые по упрощенным правилам соответствующих спортивных игр, на меньших площадках, часто с меньшим числом участников и упрощенным оборудованием. Практически это уже другие игры. К ним относятся известные и распространенные у нас: малый теннис, мини-баскетбол, мини-волейбол, в том числе для детей и подростков. В спортивных целях они используются как физкультурные занятия и спортивные развлечения детей и подростков. Мини-футбол возник как упрощенный футбол для спортивных соревнований. В настоящее время это самостоятельный вид спорта, по которому стали проводиться игры, вплоть до международных соревнований. 5.8 Особый интерес представляет мини-гольф как с точки зрения развлечения и пользы для здоровья, так и по удобству размещения небольшой и нешумной площадки. Мини-гольф, или гольф по дорожке, - это игра с клюшкой и мячом стандартных размеров, в которой игрок ищет возможность завести мяч в лунку при наименьшем количестве ударов. Игры проводятся одиночные и командные. Каждое сооружение для мини-гольфа должно иметь 18 игровых дорожек с лунками. Размеры, оборудование и конструкции основания игровых дорожек определяются разновидностью игры (рисунки 5.3, 5.4). Примерные размеры игровых дорожек, применяемых в Австрии, даны в таблице 5.3. Для любительских тренировок площадь участка для мини-гольфа может быть уменьшена до 800 м2 при 6 лунках и троекратном использовании каждой из них в одной игре. Маркировка дорожек. Линейные препятствия и разделительная линия (линия, до которой мяч может быть в игре) красные. Ширина и цвет других линий и элементов дорожки не уточнены, но окрашенные поверхности должны хорошо контрастировать. Таблица 5.3
Для игроков и зрителей в обязательном порядке следует предусмотреть клубный дом с необходимыми помещениями для игроков и организаторов игры, где имеется киоск с продажей карт и игровых принадлежностей. Необходимо предусмотреть защиту против вандализма. 5.9 Стритбол - играется по правилам для улицы командами по 3 человека в одну корзину. Для игры необходима идеально плоская поверхность с хорошим отскоком мяча. Размер площадки может быть в пределах от не менее 6×6 м до не более 10×10 м. Разметка линий должна четко различаться на поверхности площадки (рисунок 5.5, Б). 5.10 Нетбол - игра женская. Цель игры - забросить мяч в корзину противника. Каждая команда из 12 человек, на площадке одновременно играют по 7 человек. Размер корта 30,5×15,25 м для любого уровня соревнований. Основные размеры даны на рисунке 5.5, А. За столбом (h = 3,05 м) с корзиной предусматривается сетка из пластика (акрил) высотой в центре 3,8 м. Покрытие корта для игры на открытом воздухе - песчано-цементное. Уклон для стока воды односторонний, равный 0,01. Требование к качеству поверхности - гладкая, плоская без фактуры, водонепроницаемая или дренированная, хорошее сцепление с подошвой, хороший отскок мяча. 5.11 К третьей группе относятся известные у нас, но сейчас (за исключением некоторых) мало распространенные игры: бабки, крокет, кегли и их разновидность - боулинг, метание подковы или резинового кольца, спиральбол (за рубежом пендельбол), стенбол, а также распространенные за рубежом ринг-теннис, игра в шары и ее разновидность - бочча, шафлбод и др. Игры этой группы доступны всем возрастам и, что особенно важно, - среднему и пожилому возрастам. 5.12 Крокет - игра для двух или четырех человек. Цель игры состоит в том, чтобы набрать очки, прокатывая шары ударами деревянного молотка в определенной последовательности (рисунок 5.6) через ряд ворот по направлению к центральному колышку. Корт для крокета обычно представляет собой прямоугольную лужайку, покрытую травой и ограниченную белыми линиями, названными по сторонам света. Применяются ворота из закаленного железного прута, а центральный и угловые колышки - из дерева. 5.13 Поля и площадки на открытом воздухе для наиболее популярных спортивно-развлекательных игр из таблицы 5.2 небольших размеров и без сложного оборудования, а потому применяются широко - от микрорайона до крупных городских и загородных физкультурно-спортивных комплексов и учреждений отдыха. В том числе такие виды игр, как спиральбол и стенбол (вандбол) (рисунок 5.7). 5.14 Самым целесообразным в условиях массового спорта является создание площадок и полей комплексного типа, допускающих массовое использование их для нескольких различных видов спортивной деятельности. В немецких спортивных нормах* упоминаются игровые поля, а также площадки для досуговых занятий и игровые лужайки комплексного типа (приложение Б). *D1N 18035 «Спортивные площадки», часть I «Планировка и обустройство». Досуговые поля делятся по размерам и соответствующим им видам занятий. Игровое поле I, размер 7×14 м. Размеры поля допускают занятия по следующим видам: волейбол, футбол-теннис, теннис на деревянной платформе, индиака-теннис (игра через дырявую стену), баскетбол, прельбол, ринг-теннис, настольный теннис, народный мяч и т.д. Игровое поле II, размер 5×25 м. Возможности поля позволяют заниматься: бочча, шарами, бадминтоном, прыжками, индиака-теннисом, крокетом, мини-кеглями, перетягиванием каната, бросанием подковы. Игровое поле III, размер 27×45 м. Возможности поля позволяют заниматься: кулачным мячом, бадминтоном, хоккеем на траве, теннисом, волейболом, баскетболом, корфболом, футболом, гандболом, играми с кеглями и шарами, а также всеми видами, которые упоминаются в полях типов I и II. 5.15 Для общефизической подготовки и физкультурно-оздоровительных занятий в основном используются универсальные или многофункциональные площадки с нестандартным оборудованием. На площадках можно играть в несколько видов спортивных игр (волейбол, гандбол, баскетбол, мини-футбол и др.). Примеры площадок с нестандартным оборудованием для общефизической подготовки тоже многочисленны (рисунки 5.8 и 5.9). В состав открытых плоскостных сооружений для физкультурно-оздоровительных занятий должны входить: комплексная площадка, полоса для преодоления препятствий. Минимальные размеры комплексной площадки и отдельных ее элементов можно принимать согласно таблице 5.4. Рекомендуемое игровое и спортивное оборудование в зависимости от возраста детей приведено в приложении В. Таблица 5.4
5.16 Спортивное оборудование площадок, как правило, предназначено для всех возрастных групп населения, размещается на спортивных, физкультурных площадках либо на специально оборудованных пешеходных коммуникациях («тропы здоровья») в составе рекреаций. Спортивное оборудование в виде специальных физкультурных снарядов и тренажеров может быть как заводского изготовления, так и выполненным из бревен и брусьев со специально обработанной поверхностью, исключающей получение травм (отсутствие трещин, сколов и т.п.). При их выборе следует руководствоваться каталогами сертифицированного оборудования. 5.17 При организации и оснащении детских площадок (чаще всего дворовых, внутриквартальных) должна соблюдаться возможность предоставления детям с самого раннего возраста условий по этапному наращиванию физических нагрузок и динамизма в целях приобретения привычки к активной жизни и спортивным занятиям (рисунок 5.10). Физкультурно-игровые площадки для дошкольников и детей младшего возраста должны оснащаться многообразными элементами и снарядами, закрепляющими поэтапное наращивание у детей физической подготовленности, достигаемое в процессе игр, связанных с преодолением препятствий, разминок на снарядах и пр. Этому способствуют многочисленные типы выпускаемых ныне предметов оснащения типовых детских площадок городов (рисунки 5.11 и 5.12). Многие из них рассчитаны на использование детским контингентом в более широком возрастном диапазоне, включая и детей школьного возраста. 5.18 Игровое оборудование детских площадок должно быть сертифицировано, соответствовать требованиям санитарно-гигиенических норм, охраны жизни и здоровья ребенка, быть удобным в технической эксплуатации и эстетически привлекательным. Рекомендуется применение модульного оборудования, обеспечивающего вариантность сочетаний элементов. 5.19 Требования к материалу игрового оборудования и условиям его обработки следующие: - деревянное оборудование должно быть выполнено из твердых пород дерева со специальной обработкой, имеющей экологический сертификат качества и предотвращающей гниение, усыхание, возгорание, сколы; должно быть отполировано, острые углы закруглены; - металл должен применяться преимущественно для несущих конструкций оборудования, иметь надежные соединения и соответствующую обработку (влагостойкая покраска, антикоррозийное покрытие); рекомендуется применять металлопластик. который не травмирует, не ржавеет, морозоустойчив; - бетонные и железобетонные элементы оборудования должны быть выполнены из бетона марки не ниже 300, морозостойкостью не менее 150, иметь гладкие поверхности; - оборудование из пластика и полимеров должно иметь гладкую поверхность и яркую, чистую цветовую гамму окраски, не выцветающую от воздействия климатических факторов. 5.20 Конструкции игрового оборудования должны исключать острые углы, поручни оборудования должны полностью охватываться рукой ребенка; для оказания экстренной помощи детям в комплексы игрового оборудования при глубине внутреннего пространства более 2 м необходимо предусматривать возможность доступа внутрь в виде отверстий (не менее двух) диаметром не менее 500 мм. 5.21 При размещении игрового оборудования на детских игровых площадках необходимо соблюдать минимальные расстояния безопасности в соответствии с таблицей 5.5. Таблица 5.5 - Минимальные расстояния безопасности при размещении игрового оборудования
В пределах указанных расстояний на участках территории площадки не допускается размещение других видов игрового оборудования, скамей, урн, бортовых камней и твердых видов покрытия, а также веток, стволов, корней деревьев. Требования к параметрам игрового оборудования и его отдельных частей рекомендуется принимать согласно таблице В.2 приложения В. 5.22 Необходимо разделять площадь участка детских физкультурно-игровых сооружений на зоны по возрастным категориям, выделяя места для детей от 1 года до 4 лет. Площадки для детей старшего дошкольного и младшего школьного возраста можно условно разделить с помощью усложняемых игровых устройств на зоны для 5-7, 8-10; 11-12 лет. Территория участка для игр рассчитывается исходя из минимальной площади, необходимой для одного ребенка: 1-4 лет - 5-7 м2; 5-7 лет - 7-10 м2; 8-10 лет - 10-12 м2 (по нормам МГСН 1.02). 5.23 Комплексные игровые площадки для активного досуга детей и длительного пребывания на воздухе компонуются в основном из следующих зон: физкультурно-игровых устройств; игр с водой и с песком; спортивных игр. Комплекс может быть дополнен зонами: для изучения правил дорожного движения; уголками природы с различными растениями и вольерами для животных; тематическими («театр», «цирк», строительные конструкторы, сооружения, имитирующие жилье разных исторических эпох: замки, вигвамы, пещеры и т.п.), но этот набор требует обязательного присутствия инструктора и кладовых для хранения инвентаря. 5.24 Детская физическая активность, осуществляемая в произвольном режиме и в полной самостоятельности, стимулируется у детей старшего возраста также благодаря устройству на детских площадках крупноразмерных элементов, чаще всего природного происхождения. Для этих целей рекомендуется: - сохранение и укрепление имеющихся неровностей естественного рельефа; - сохранение естественных валунов или крупноразмерных каменных обломов смягченных очертаний, пригодных для лазания детей; - закрепление естественных крупноразмерных коряг и стволов, способствующих обучению детей лазанию; - использование имеющихся естественных водотоков (ручейков и пр.); устройство малых открытых бассейнов - «лягушатников», фонтанчиков и т.п. в пределах площадки и т.д. 5.25 Особое значение имеет также строительство велодорожек для катания детей на велосипедах, роликах, досках. Практически у большинства крупных супермаркетов, у вокзалов и других сооружений массового посещения в зарубежных странах рекомендуется организовывать плоские, заасфальтированные площадки для катания детей на роликах под присмотром. 5.26 Необходимые для спортивных занятий в ежедневном досуговом режиме площадки упрощенного типа должны формироваться в ближайшей пешеходной доступности от мест проживания - так же, как и детские площадки, в качестве внутриквартальных сооружений. При этом следует отметить, что простейшая форма, которую можно рекомендовать, - это роликовая площадка для обучения малышей и катания подростков. В отличие от тренировочной площадки она представляет собой небольшую асфальтовую площадку радиусом до 5 м, желательно круглой формы, огражденную скругленным валиком. Ограждение может выполняться из бетона, кладки или в виде земляного валика такой формы, чтобы при устройстве на нем деревянного настила оно служило сиденьями для отдыха детей (при высоте 0,4 м) и взрослых (при высоте 0,45 м) (рисунок 5.13). 5.27 У молодежи популярно катание на роликовых досках - скейтбордах (скейтбординг) и роликовых коньках - роллерах (роллерспорт). Эти виды развлечений могут рассматриваться и как досуговые, и как соревновательные (разного уровня). Занятия по этим видам спорта включают следующие основные виды: массовое катание на роликовых коньках и досках, фристайл, стритстайл, прыжки, скоростной бег на роликовых коньках, слалом (в том числе параллельный), хоккей на роликовых коньках, фигурное катание на роликовых коньках. Конкретный перечень реализуемых дисциплин на каждой физкультурно-спортивной площадке определяется заданием на проектирование. 5.28 Катание на роликовых коньках имеет разнообразные виды, что, соответственно, отражается на требуемых площадках (размеры, конфигурация и т.д.). Катание на открытых площадках. Для досуговых занятий и массового катания на роликах размеры и конструкция площадки для катания не регламентируются. Однако ее площадь для катания не менее 300 м2 в форме круглой или прямоугольной площадки, позволяющей осуществлять «кольцевой» бег. Скоростной бег на роликовых коньках (рисунки 5.14 и 5.15, А). Проводится на дорожках стадионов и на улицах. Соответственно, различают и правила соревнований. Бег на роликовых коньках на стадионе проводится на дистанциях 200 м, 500 м, 1000 м, 3000 м, 10000 м и 20000 м. Длина дорожки может быть 200 м, 3331/3 или 400 м. Дорожка длиной 3331/3 м может применяться также для велоспорта, а длиной 400 м - для бега на коньках (в зимнее время). При новом строительстве дорожки длиной 200 м радиус поворота принимается не менее 15 м. Дорожка должна иметь ширину от 5 до 8 м. В зависимости от числа участников забега она должна быть не менее: а) при 2-х участниках - 2,44 м; б) при 3-х участниках - 3,66 м; в) при 4-х участниках - 4,57 м; г) при 5 участниках - 5,49 м; д) при 6 участниках - 6,10 м. Уклон на повороте может не предусматриваться. Зона безопасности, непосредственно примыкающая к беговой дорожке с внешней стороны, должна быть свободна от препятствий и иметь ширину не менее 1,5 м. С одной стороны спортплощадки по всей длине должен быть проход не менее 3-х м шириной. Фигурное катание и танцы на роликах. Для художественного катания и танцев на роликах правилами международных соревнований предписываются для оздоровительного и показательного бега прямоугольные площадки размером не менее 20×40 м (рисунок 5.15, Б). Немецкий союз роликового спорта рекомендует для художественного катания площадку 25×50 м, а для танцев - площадку с оптимальным размером 30×60 м. Хоккей на роликах (рисунок 5.16). Международные стандартные размеры площадки для хоккея на роликах 20×40 м. По международным правилам допускается также площадка размером 17×34 м. Площадку для хоккея на роликовых коньках допускается также использовать для тренировок и соревнований по фигурному катанию на роликовых коньках. Рекомендуемые габариты площадки для тренировок и соревнований по фристайлу, стрит-стайлу - 15×15 м. Рекомендуемые минимальные габариты площадки для тренировок и соревнований по прыжкам в высоту на роликовых коньках 24×4 м. Длина дорожки разбега - 20 м. Расстояние между стойками планки - 2 м. Рекомендуемые габариты трассы слалома на ровной площадке - 50×7 м. Трассу рекомендуется проектировать с учетом параметров следующих отрезков: - горы разгона высотой 1,0-2,0 м и уклоном 20-30°; - дистанции слалома на ровном полу длиной 40-45 м со слаломными стойками. Расстояние от окончания горы разгона до первой стойки 3 м, от последней стойки до линии финиша 2-3 м. Расстояние между слаломными стойками при слаломе - 1,5-2,0 м, параллельном слаломе - 2,0-4,0 м. 5.29 Катание на скейтбордах осуществляется на любой свободной открытой площадке с различными подъемами и изгибами. Его можно причислить к таким различным дисциплинам, как слалом, прыжки и параллельный бег. Необходимая территория для сооружения скейт-площадки должна быть не менее 15×15 м2 (225 м2). Пригодными площадками являются: а) уже готовые поверхности с соответствующим покрытием: школьные дворы и игровые площадки; катки (площадки под ледяные катки); автостоянки, не примыкающие к дороге; огороженное пространство на рыночных площадках; б) после соответствующей подготовки удобные дорожки для катания в: спортивных центрах; открытых парках и зонах отдыха. Специфика катания на роликовых досках требует создания многих типов сооружений и устройств (переносных и стационарных) разной сложности (рисунки 5.17, 5.18). При выборе места для катания в непосредственной близости от жилого района следует обращать внимание на защиту от шума, поэтому площадки целесообразно размещать, как правило, в парках, зонах отдыха, спортивных комплексах. 5.30 Среди основных спортивных соревнований можно встретить следующие установившиеся виды: параллельный слалом - расстояние дорожки между маркерами времени не менее 30 м и не более 100 м. По условиям безопасности уклон стартовой рампы, с которой производится старт, не должен превышать 20°. Высота стартового стола 100 мм, длина стартового спуска не менее 290 см. Интервал между дорожками на трассе должен быть не менее 1,8 и не более 2,5 м. Как правило, - 1,8 м, а на линии старта - 2 м; прыжки в высоту - максимальная длина составляет 20 м, ширина дорожки 4 м. Планка для прыжков должна быть выделена цветом. Минимальное расстояние между стойками - 2 м; прыжки в длину; фристайл - гладкая ровная площадка для катания должна иметь размеры не менее 15×15 м и не более 25×25 м; фристайл в полутрубе - размеры полутрубы: радиус min 3,0 м, ширина min 6 м; плоская часть трубы min 3,0 м, вертикальная часть стенки min 0,1 м. Вдоль обеих стенок снаружи находится площадка - стол шириной не менее 1,0 м. 5.31 Наиболее целесообразно в современных условиях создавать для молодежных развлечений не типовые площадки, а в каждом конкретном случае оборудовать площадки отдельными планировочными модулями по выбору, создавая многофункциональные комплексы (приложение Д и рисунок 5.19). В составе многофункциональной площадки роллерспорта следует выделять зону «экстрим» площадью от 50 до 200 м2 (с учетом зон безопасности) в зависимости от состава оборудования, определяемого заданием на проектирование. В состав оборудования, размещаемого в экстримзоне, рекомендуется включать: рампу (полутрубу с плоским дном) с радиусом закруглений 1,5-3,0 м, трамплины высотой от 0,35 до 2,0 м, горки высотой от 0,35 до 2,0 м, ступени высотой 0,5 м, «ремешок» (две параллельные металлические трубы) высотой 0,3 м. Для массового катания на роликовых коньках и досках следует предусматривать площадку до 1000 м2 с использованием как гладкой, так и волнистой поверхности. На участке роликдрома при достаточной его площади рекомендуется разместить наклонные спуски для произвольного катания, выполненные из бетона и имеющие навес от дождя. 5.32 Тренировочная площадка (внутриквартальная или в составе спорткомплекса) оборудуется специализированными тренировочными деталями (вогнутые или двояковогнутые плоскости, крутые пандусы и т.д.), лотками (ложбинами), ваннами (корытами), а также различными рампами. Для последних строительная индустрия выпускает готовые элементы из железобетона, полиэстера, стеклофибробетона и дерева. Их можно устанавливать на площадках. Площадки для бега, лотки и бугры могут возводиться из асфальтобетона. Их размеры в зависимости от высот «взлета» занимающегося на роликах подразделяются на стандарт, максимум и экстрим. При устройстве площадок тренировочного типа для подростков принимаются тренировочные элементы класса стандарт. Размеры площадок определяются по месту и варьируются в большом диапазоне. Примеры зарубежных спортсооружений для этого вида спорта приведены на рисунках 5.20 и 5.21. 5.33 Для молодежи целесообразно рекомендовать устройство скалодрома открытого типа с искусственной скальной стенкой, имеющей специальные металлические закладки на ее поверхности (рисунок 5.22). Формообразование скалы и порядок установки закладных элементов должны определяться в зависимости от уровня подготовки занимающихся тренером, работающим с группой скалолазов*. * Консультации по закладке специальных деталей и формированию скальных стенок различных классов при строительстве необходимо осуществлять при участии специалистов Союза альпинистов и скалолазов России и их региональных подразделений. Высота стенки принимается равной от 3 до 9 м. Покрытие стен: - монолитный железобетон, покрытый системой закладных деталей; - шестислойное полимерное покрытие с кварцевым песком (имитация фактуры скал). Особое внимание следует уделять покрытию площадки у скальной стенки. Применяются два варианта покрытия: - грунтовое с поверхностной засыпкой древесной стружкой (разрыхленный грунт - 20 см, стружка - 20 см); - асфальтовое, покрытое прорезиненными спортивными матами, хранящимися между занятиями в специальном помещении. Для защиты от травм размеры площадки со спецпокрытием у скальной стенки принимаются по нормативу: - перед стенкой - высота стенки; - сбоку от стенки - половина высоты стенки; - дополнительно предусматривают спереди и с боков зону безопасности шириной 2 м. Пример организации детского скалодрома приведен на рисунке 5.22, Б. Площадь территории, отводимой под него, не должна быть менее 20 м2. Конфигурация не регламентируется. Покрытие площадки под элементами оборудования может быть: - древесно-стружечный слой (регулярно обновляемый) 15-20 см по песчаному слою (15 см минимум), размещаемому по вскопанному, рыхлому грунту; - синтетическое, ковровое на мягкой основе; - спортивные маты, настилаемые на грунтовое или асфальтовое основание. 5.34 К группе спортивных дорожек, кроме беговых, относятся также «тропы здоровья». «Тропы здоровья» (рисунок 5.23) сооружаются на ровном или естественном рельефе, на естественных тропах и лесных дорожках с искусственными и природными препятствиями (канавами, холмами), а также в городских парках и лесопарках, на спортивных комплексах и в микрорайонах. Протяженность трассы принимается, как правило, от 0,9 до 3 км, ширина не менее 1,5 м. Трасса разбивается на отдельные отрезки до 120-150 м с различными видами упражнений: бег, ходьба, прыжки через препятствия, гимнастические движения, силовая нагрузка на руки и т.п. Для оценки скорости передвижения спортсмена по трассе желательно через каждые 100 м ставить вешки или электронные сигнализаторы. Искусственные (в виде снарядов) или естественные (природные) препятствия размещаются по всей тропе на расстоянии 200-300 м одно от другого. Следует предусмотреть возможность безопасного их преодоления. В начале трассы устанавливается щит со схемой тропы, а около каждого препятствия - схема упражнений на нем. 5.35 Велодорожки сооружаются на ровном или естественном рельефе и на естественных тропах, а также в городских парках и лесопарках, на спортивных комплексах. Велодорожки могут служить целям оздоровительных прогулок, бега трусцой, скоростного тренировочного бега и т.д. Они удовлетворяют требованиям проведения оздоровительных и развлекательных занятий с использованием роликов, велосипедов, скейтов, самокатов, а в зимний период - лыж, саней и пр. При прокладке маршрута велодорожек желательно использовать естественные препятствия (холмы, заглубления рельефа и пр.), если их параметры не нарушают проведение спортивных занятий. Универсальное использование дорожек обусловливает необходимость применения асфальтового покрытия. Протяженность велодорожки не регламентирована и определяется согласно местным природным и другим условиям. Для двустороннего движения, т.е. движения в обе стороны, велодорожка должна иметь ширину не менее 1,0 м. При малой загруженности трассы или финансовых ограничениях ширина велодорожки может быть снижена в пределах допустимого - с исключением столкновений. Кроссовый велоспорт (велоспорт ВMX)* - разновидность велокросса, осуществляемого на велосипедах специального класса - кроссовых велосипедах ВМХ-байках. *ВМХ - Modified Bike X-treme. Комплексы велоспорта ВМХ (кроссового велоспорта) предназначены для проведения учебно-тренировочного процесса и соревнований, а также для самостоятельных физкультурно-оздоровительных занятий населения на специализированных спортивных сооружениях - велодромах ВМХ. Трасса велоспорта ВМХ с комбинацией препятствий и поворотов имеет длину от 270 до 400 м. Для международных соревнований длина трассы равна 300-400 м (рисунок 5.24). Ориентировочный состав спортивных сооружений комплекса велоспорта ВМХ (кроссового велоспорта) представлен в таблице 5.6. Таблица 5.6 - Ориентировочный состав основных сооружений и помещений комплекса велоспорта ВМХ
Трек велоспорта ВМХ включает в себя: закольцованную трассу произвольной конфигурации, предстартовую зону, финишную зону. Предстартовая и финишная зоны должны размещаться вблизи друг друга. Трасса должна иметь не менее трех поворотов. Первый поворот может быть как левый, так и правый. Препятствия на трассе - трамплины и выступы - следует проектировать двух видов: препятствия с передним наклоном; препятствия с задним наклоном. Препятствия на трассе следует располагать одиночно, парами, тройками и в более сложных сочетаниях (4-5 трамплинов и выступов). 6 Открытые плоскостные сооружения, доступные инвалидам6.1 Размеры и пропускную способность отрытых игровых площадок, специализированных для отдельных видов спорта и доступных для инвалидов, следует принимать по таблице 6.1. При проектировании открытых спортивных сооружений следует руководствоваться СНиП 35-01 и Сводами правил к нему (СП 35-101 и СП 35-103). Таблица 6.1
6.2 Существуют виды спорта, которые созданы специально для инвалидов. Это, как правило, спортивные игры (рисунки 6.1 и 6.2). В настоящее время в нашей стране у инвалидов по зрению получили наибольшую популярность следующие спортивные игры: торбол (рисунок 6.1, А), голбол (рисунок 6.1, Б), роллингбол (рисунок 6.2, В). Сейчас у незрячих спортсменов становится популярным голбол. 6.3 На игровых площадках для инвалидов по опыту Германии, зафиксированному в нормах, рекомендуются такие размеры полей и площадок: 68×105 м, 27×45 м, 27×15 м, 5×25 м. Кроме игровых площадок с разметкой поля существуют соревнования для инвалидов по преодолению препятствий (рисунок 6.3, А и Б). 6.4 Перечень легкоатлетических дисциплин, в которых соревнуются инвалиды, приведен в таблице 6.2. Таблица 6.2
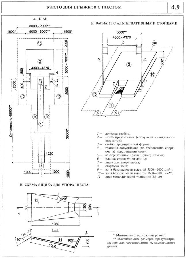
6.5 Открытые сооружения для занятий легкой атлетикой не требуют сложных мероприятий. Но следует иметь в виду, что сооружения могут использоваться как для регулярных учебно-тренировочных занятий инвалидов, так и для соревнований, когда на стадионе может оказаться много инвалидов на колясках, в том числе и зрителей-инвалидов. В первом случае для регулярных занятий необходим горизонтальный доступ к беговой дорожке минимум в двух точках в сочетании с плоским (без ступеней) доступом к раздевальным. Во втором случае, когда на стадионе много инвалидов, перед трибунами вокруг беговой дорожки следует организовать плоское место для спортсменов-инвалидов в колясках, чтобы они могли наблюдать за теми видами соревнований, в которых не участвуют. В барьере вокруг дорожки нужны разрывы во избежание затора. Когда на трибунах и террасах среди зрителей есть инвалиды, нужны широкие площадки, где могут поместиться кресла-коляски зрителей. 6.6 Специальные планировочные мероприятия при занятиях бегом в основном относятся к организации мест занятий инвалидов по зрению. Для слепых и слабовидящих, ориентирующихся по звуку, очень важна защита сооружений от внешнего шума, эха. Для этого целесообразно предусматривать акустические стены, обваловку площадок, использование зеленых насаждений (рисунок 6.4, А). Для ориентации по периметру устраивается двускатная полоса шириной 2 м и высотой в коньке 0,15-0,25 м. Далее - переход непосредственно к покрытию беговой дорожки. Полоса ориентации должна отличаться по материалу от покрытия дорожки для бега или покрытия площадки (газона) для игр: газон - грунт, газон - искусственный материал. 6.7 Минимальная длина дорожки для занятий бегом по кругу - 200 м, ширина (на 2 дорожки - с учетом разделительных полос) - 2,49 м (рисунок 6.4). Для ориентации инвалидов следует предусмотреть: - различный материал дорожки и полосы ориентации; - полосы ориентации шириной 1,2 - 1,5 м; - зоны безопасности по внешнему контуру зон ориентации шириной 1 м; - обозначение поворота сменой покрытия на расстоянии 2,4 м до начала поворота; - виражи на повороте (максимальный уклон 6 %). Повороты беговой дорожки следует обозначать сменой материала и цвета покрытия на расстоянии не менее 2,4 м до начала поворота (рисунок 6.4, Б). 6.8 Дорожка для бега по прямой (длина 75 м, зона старта 5 м, зона финиша 25 м) изолируется от дорожки для бега по кругу. Покрытие зон старта и финиша должно отличаться от покрытия дорожки. Стартовая линия должна быть осязаема. Ширина двух дорожек - 2,24 м и по 0,15 м - на границы и среднюю линию (разных цветов), ширина полос ориентации - 1,2-1,5 м, зон безопасности - 1 м. Обратный путь к старту должен быть отделен от дорожки для бега. Минимальное расстояние между ними - 2,5 м, ширина пути 0,8 - 1,2 м. Основной ориентир - звуковой маяк. 6.9 Размеры места для прыжков в длину для инвалидов по зрению 5-8 м × 9-10 м. Дорожка для разбега длиной 25 м, шириной 1,5-3 м, полосы ориентации 1,2-2 м с каждой стороны (рисунок 6.5, А). Для ориентации за 4 м от края ямы устраивается фактурная полоса: 2,7 м - зона оповещения, 0,8 м - толчковая зона, 0,5 м - мягкое покрытие. За ямой для приземления устанавливается акустический ориентир - звуковой маяк. Обратный путь (ширина пути 1 - 1,3 м) отделяется от дорожки для разбега на расстоянии 2,5 м. При прыжках в длину для инвалидов с ПОДА вместо бруса для отталкивания может устраиваться зона длиной 80 см с расстоянием от передней кромки не более 1 м. 6.10 Для выполнения прыжков в высоту рекомендуется фактурной поверхностью выделить зону разбега. Рейка или матерчатые щиты должны быть цветными, контрастными, для ориентации можно повесить на рейку платок. Толщина подушки приземления 0,5-0,6 м (рисунок 6.5, Б). 6.11 Спортивные площадки должны иметь ровную, хорошо утрамбованную грунтовую, травяную или из синтетических материалов поверхность, ограниченную полосами ориентации шириной 1- 1,5 м с покрытием иной фактуры. Спортивные площадки могут опоясываться ориентационной полосой, имеющей, начиная от края площадки, постепенно повышающийся уклон под углом 10-12°. Ширина полосы должна быть не менее 1,5 м. В этом случае фактуры покрытия полосы и площадки могут быть одинаковыми. 6.12 Для открытых физкультурно-спортивных сооружений в первую очередь надо соблюдать требования по устранению внешних строительных барьеров: поверхности покрытий дорожек для сообщения между открытыми сооружениями должны быть нескользкими и с не слишком грубой фактурой для инвалидных колясок. 6.13 Освещение должно располагаться на высоте уровня глаз инвалида в коляске и быть ровным и достаточно ярким (в расчете на людей с частичной потерей зрения), указатели должны быть четкими и хорошо освещенными по той же причине. Необходимо предусмотреть бортовые камни, перекрестки и пандусы, обеспечить удобный доступ из вспомогательных помещений и с автостоянок. 6.14 Оборудование спортивных площадок должно быть окрашено в яркие цвета и размещаться так, чтобы оно контрастировало с окружающим фоном. В случае использования площадок незрячими спортсменами вокруг поля для игры устанавливается полоса ориентации, аналогичная той, что используется для легкоатлетических сооружений. 6.15 Для физкультурно-игровых занятий детей-инвалидов также создаются специализированные сооружения. Основные требования к организации площадок для слепых и ограниченно зрячих: - игровое пространство должно иметь ограждение высотой 600-900 мм; - пешеходные и беговые дорожки должны быть снабжены направляющими поручнями; - выступы на поручне обозначают конец дорожки; - перепады рельефа отмечаются повышением или понижением направляющего поручня; - повороты дорожек обозначаются изменением качества и фактуры покрытия: твердое - мягкое, гладкое - неровное, с выпуклыми или вогнутыми плитами; - на пешеходных дорожках устанавливается указатель направления движения к площадке со стационарным игровым оборудованием. 7 Вспомогательные помещенияРаздевальные и санитарно-гигиенические помещения7.1 Состав и площади вспомогательных помещений могут уточняться заданием на проектирование с учетом: а) единовременной пропускной способности физкультурно-спортивных площадок и сооружений; б) требований к составу и расчетным показателям площадей вспомогательных помещений и прочих требований настоящего Свода правил; в) общего числа мест для зрителей. Проектировать эти помещения следует по СНиП 2.08.02 и другим нормативам по проектированию общественных зданий и сооружений (таблица 7.1). Таблица 7.1 - Состав и расчетные показатели раздевальных и санитарно-гигиенических помещений
7.2 В зависимости от назначения физкультурно-спортивного сооружения по видам занятий предусматриваются в основном три вида раздевальных: общие раздевальные (раздельные для мужчин и женщин) с хранением домашней одежды в гардеробной с обслуживанием. Они предназначены для спортсменов, занимающихся всеми видами спорта, кроме командных спортивных игр (схема 1 на рисунке 7.1); общие раздевальные (раздельные для мужчин и женщин) с хранением одежды в помещениях раздевальных (в закрытых шкафах); (схема 2 на рисунке 7.1); командные (командно-групповые) раздевальные с хранением одежды в помещениях раздевальных. Они предназначены для мужских и женских команд по спортивным играм или для физкультурно-оздоровительных групп (схемы 3 и 4 на рисунке 7.1). 7.3 Помещения для переодевания, хранения домашней (повседневной) одежды и личной гигиены занимающихся оборудуются необходимой мебелью (скамьи для сидения, шкафы для одежды, вешалки), санитарно-техническими приборами и устройствами (душевые сетки, унитазы, умывальники, мойки для ног). Промышленностью освоен выпуск мебели и оборудования, пригодных для использования в раздевальных, в широком ассортименте. Для ориентировки проектировщиков приводятся габаритные схемы мебели (рисунок 7.2), параметры функциональных зон в раздевальных (на рисунках 7.3, 7.4 и в таблице 7.2), а также примеры планировки сантехнических помещений для обслуживания инвалидов с ПОДА (рисунок 7.5). Таблица 7.2 - Раздевальные для занимающихся. Нормируемые расстояния*
7.4 Выбор планировочной схемы устройства помещений для переодевания, личной гигиены и способов хранения домашней одежды занимающихся зависит от характера видов занятий и организации использования сооружения (объекта). Для индивидуальных видов (легкая атлетика, тренажерная подготовка, ОФП с элементами легкой атлетики, физкультурно-развлекательные занятия) наиболее целесообразным является устройство одной или нескольких пар (при большой численности занимающихся) общих (для мужчин и для женщин) раздевальных суммарной вместимостью на 100 % ЕПС мест для занятий с хранением домашней одежды либо в помещениях раздевальных в закрытых двухъярусных (двухсекционных) шкафах, имеющих 300 % мест для одежды от вместимости раздевальной (примеры - на рисунках 7.6 и 7.7), либо - в гардеробной с обслуживанием при численности мест для одежды на 200 % ЕПС мест для занятий (рисунок 7.8). Последний вариант исключает необходимость наличия дежурного в каждой раздевальной и многочисленных шкафов. Для командных (спортивные игры) или групповых (занятия по ОФП и др., организованные под руководством инструктора) видов спорта предпочтение в планировке отдается командным (командно-групповым) раздевальным с хранением домашней одежды в помещении для переодевания в закрытых шкафах (двухъярусных, если количество раздевальных - по одной паре на каждое место для занятий и соревнований; или одноярусных, если на каждое место для занятий предусматриваются по две пары раздевальных). Примеры планировки командных раздевальных приведены на рисунках 7.9 и 7.10. В последнем случае шкафы для одежды могут отсутствовать (одежда размещается на крючках, вешалках), а команда или группа получает возможность находиться в раздевальной довольно длительное время, потребное для личной гигиены, получения указаний от тренера или инструктора и для отдыха. Данный вариант планировочной организации, естественно, приводит к наибольшему «расходу» строительного объема, но повышает комфортность условий пребывания в помещении и исключает необходимость наличия дежурного в раздевальной. Примеры возможной компоновки блоков вспомогательных и обслуживающих помещений даны на рисунках 7.11, 7.12 и 7.13. Прочие помещения7.5 К вспомогательным помещениям также относятся: - помещения входной группы (гардероб, вестибюль, санузлы вестибюля); - помещения питания; - инструкторские; - помещения методического назначения; - помещения медицинского назначения; - помещения сопутствующих видов обслуживания (игровые, клубные комнаты, помещения культурно-досугового назначения, бытового обслуживания); - помещения административно-хозяйственного назначения и бытового обслуживания персонала; - технические помещения. 7.6 Перечень и расчетные показатели помещений вспомогательного назначения для обслуживания присутствующих на физкультурно-спортивных сооружениях (занимающиеся, зрители, тренеры-инструкторы, рабочие, администрация) приводятся в таблице 7.3. Таблица 7.3 - Состав и расчетные показатели вспомогательных и обслуживающих помещений*
7.7 Буфеты для занимающихся на спортивных и физкультурно-оздоровительных сооружениях следует проектировать стационарными с подогревом пищи, для зрителей - стационарными или передвижными (привозными). Буфеты не предусматриваются: на сооружениях микрорайонов и жилых районов, а также при пропускной способности сооружения менее 48 чел. в смену и при числе зрительских мест менее 500. Число мест в буфетах следует принимать: а) для занимающихся (на открытых плоскостных сооружениях при пропускной способности последних до 75 чел. в смену) - из расчета одно посадочное место на 6 чел. пропускной способности в смену при учебно-тренировочных занятиях; б) для зрителей - из расчета 3 % числа зрительских мест. Буфеты для зрителей должны располагаться не далее 150 м от наиболее удаленного места на трибуне. При использовании территории спортивных комплексов для отдыха населения с размещением на ней ресторанов, кафе, закусочных их вместимость в расчет буфетов спортивных сооружений не входит. 7.8 Среди помещений для медицинского обслуживания и контроля занимающихся на физкультурно-спортивных сооружениях выделяются два функциональных.типа: - на сооружениях, предназначаемых в том числе и для проведения соревнований высокого уровня, - это помещения допинг-контроля (рисунок 7.14, А); - на всех сооружениях, используемых для массовых физкультурно-оздоровительных и спортивных занятий и соревнований, обязательно предусматриваются (хотя бы в минимальном объеме) помещения для оказания первой медицинской помощи и (желательно) проведения врачебно-физкультурных консультаций с занимающимися (рисунок 7.14, Б). Полный состав помещений приведен в СП 31-112-2004 (1), приложение Ж. 7.9 Наличие, состав и количество помещений медико-восстановительного назначения определяются заказчиком (владельцем) объекта в зависимости от местных условий и программы использования сооружений по видам занятий и оказанию оздоровительных услуг населению. 710 На сооружениях, предназначенных для проведения соревнований высокого уровня по легкой атлетике, предусматриваются судейская ложа, размещаемая у финишного створа на отделенном от зрительских мест участке трибуны, и помещения для работы судей и секретариата (рисунок 7.15). 7.11 Смежно с судейской ложей (позади нее или сбоку, на расстоянии не менее 2,5 м, за финишным створом, считая по направлению бега) размещается ложа прессы, отделяемая от судейской ложи и зрительских мест и имеющая удобное сообщение с пресс-центром (рисунок 7.16). 7.12 Здания со вспомогательными помещениями для занимающихся на открытых плоскостных спортивных сооружениях следует размещать не далее чем в 300 м от наиболее удаленной площадки (поля). 7.13 Раздевальные для занимающихся на сезонных открытых катках должны, как правило, размешаться на первом этаже. При необходимости расположения их не на первом этаже допускается осуществление связи с катком по пандусу с уклоном не более 1:10. 7.14 Санитарные узлы для зрителей на открытых плоскостных спортивных сооружениях должны располагаться на расстоянии не более 150 м от наиболее удаленного места на трибуне. 7.15 При наличии зрительских трибун у открытых плоскостных сооружений на участке должны быть запроектированы туалеты из расчета один унитаз на 100 женщин, один унитаз и 5 писсуаров на 330 мужчин. Трибуны для зрителей у открытых спортсооружений могут быть стационарными и сборно-разборными (рисунки 7.17 и 7.18). 7.16 Необходимость служебных помещений для административного и инженерно-технического персонала и бытовых помещений для рабочих определяется заданием на проектирование с учетом численности и состава служащих и рабочих. Состав технических помещений устанавливается в задании на проектирование или в процессе проектирования с учетом инженерного оснащения и действующих норм их расчета и проектирования. 8 Покрытия открытых плоскостных сооруженийКонструкции покрытий8.1 Конструкция полотна площадок, полей и мест для легкой атлетики зависит от выбранного верхнего слоя (покрытия), который может быть искусственным (из различных материалов) или травяным. Для покрытия площадок, полей и дорожек следует применять материалы, рекомендуемые Росспортом и допущенные к применению органами Роспотребнадзора. Искусственные покрытия подразделяются на: 1. Нежесткие: а) неводостойкие - спецсмеси из различных каменных материалов с применением влагоемких вяжущих, подбираемых по принципу оптимальных, грунтовых смесей; б) водостойкие - плотные спецсмеси из различных материалов с применением синтетических и других невлагоемких вяжущих, спецпокрытия из синтетических материалов и упругие спецпокрытия из несвязных сыпучих и волокнистых материалов (органических, полимерных и т.п.); в) новые типы бесшовных разноцветных покрытий упругих и прочных, пропускающих воду, типа «Сэндвич-Гумибо». 2. Жесткие: а) асфальтовое покрытие; б) покрытие из бетона; в) покрытие из пористого бетона. 3. Деревянное - покрытие в виде настила по лагам, уложенным на столбики (антисептированные деревянные, кирпичные, каменные, бетонные). Специальные покрытия (в том числе из синтетических материалов) открытых плоскостных спортивных сооружений должны иметь ровную и нескользкую поверхность, не теряющую несущей способности при переувлажнении. Травяные покрытия могут иметь: а) специально созданный спортивный газон; б) естественный травяной покров. Травяное покрытие (спортивный газон) должно быть низким, густым, устойчивым к вытаптыванию и частой стрижке, а также к засушливой и дождливой погоде. 8.2 В качестве верхнего рабочего слоя открытых плоскостных сооружений, как правило, применяются: два типа неводостойких покрытий - из оптимальной смеси (НВ-1) и спортивный газон (НВ-2); возможно также проведение физкультурно-спортивных и досуговых занятий на естественных грунте и газоне; три типа водостойких покрытий - синтетическое (В-1), асфальтобетонное (В-2) и бетонное (В-3); при этом синтетическое покрытие может быть в идее травяного покрова или гладкое из различных смесей и материалов. Возможно применение и других типов покрытия, например деревянного, для игровых площадок или металлического для городков. 8.3 Тип покрытия следует принимать в зависимости от назначения спортивного плоскостного сооружения: для спортивных полей по таблице 8.1, для спортивных площадок по таблице 8.2, для мест занятий по легкой атлетике по таблице 8.3. В таблицах даются рекомендации по выбору покрытий; при этом покрытия, предпочтительные для соревнований, обозначены «С», покрытия, предназначенные только для тренировок и любительских игр, - «Т». На рисунке 8.1 приведены типы конструкции полотна площадок. Детальное описание состава конструкций полотна дано в приложении Д. Таблица 8.1 - Рекомендация по выбору покрытий открытых плоскостных сооружений (спортивные поля)
Таблица 8.2 - Рекомендация по выбору покрытий открытых плоскостных сооружений (спортивные площадки)
Таблица 8.3 - Рекомендации по выбору покрытий открытых плоскостных сооружений (места занятий по легкой атлетике)
8.4 Главными показателями в оценке покрытий являются их гигиенические свойства и спортивно-технологические характеристики. Гигиенические свойства покрытий из различных материалов проявляются главным образом в их воздействии на тепловой режим площадок и в загрязнении воздуха возможным выделением вредных веществ и запахов при их нагревании летом. По степени воздействия материала покрытия на воздушную среду различают покрытия: благоприятные - газонные; относительно благоприятные (т.е. благоприятные при определенных условиях: в нежаркое время года или дня и т.д.) - из оптимальных смесей, синтетические; неблагоприятные - асфальтобетонные, резинобитумные, из резиновых плит. По спортивно-технологическим качествам наиболее применимы газонные и синтетические покрытия, причем последние более универсальны, так как могут применяться почти для всех видов спорта. 8.5 Неводостойкие покрытия, как правило, являются смесями различных инертных и вяжущих материалов, подбираемых по принципу оптимальной смеси. В качестве инертных материалов используются местные материалы: молотый кирпич (кирпичный бой), черепица, шлак, песок, а из вяжущих - глины и известь (порошкообразные). На основе обобщения практического опыта можно рекомендовать примерные составы спецсмесей: смесь № 1 - крошка кирпичная из кирпича пластического прессования: фракции 1-3 мм - 43 %, фракции 3-5 мм - 43 %, глина порошкообразная - 14 %;. смесь № 2 - глина порошкообразная - 45 %, песок крупнозернистый - 45 %, известь порошкообразная - 10 %. Смесь приготавливается в бетономешалках различной емкости. Для окончательного решения вопроса о качестве спецсмеси до ее укладки рекомендуется устраивать опытную полосу (шириной до 2 м и длиной до 40 м) для опробования покрытия спортсменами, что позволяет при необходимости внести коррективы. Уплотняется смесь различными по весу катками, вначале ручным массой от 250 до 500 кг, а окончательно - моторным катком массой 850-1000 кг. 8.6 Покрытия из синтетических материалов всех видов, включая и отечественные, бывают монолитными (спортан, физблок), рулонными (регупол) и листовыми (Олимпия, рездор, спортпласт, арнал). Для хоккея на траве должно использоваться синтетическое покрытие ворсистого типа (синтетическая «трава»). Покрытия из резинобитумных материалов (выпускаемые отечественной промышленностью) бывают рулонными и листовыми. Синтетические покрытия укладываются на двухслойный асфальтобетон толщиной 9 см (конструкция на рисунке 8.1, тип В-1), от которого зависит качество поверхности покрытия. Исходя из этого следует обращать особое внимание на качество поверхности асфальтобетона, имея в виду, что допустимый просвет под рейкой длиной 3 м не должен быть более 5 мм, а коэффициент уплотнения слоя - 0,98. Резинобитумные покрытия укладываются только на слой крупнозернистого асфальтобетона толщиной 40 мм. Асфальтобетонные покрытия применяются по аналогии с дорожными одеждами капитального типа. Бетонные покрытия - в основном для устройства площадок под кольцо для толкания ядра и метания диска и молота, а также «города» на городошных площадках (рисунок 8.1, тип В-3). 8.7 Спортивный газон может быть создан тремя способами: посевом семян специальных трав, одерновкой или вегетативным размножением столонами (отростками) растений (таблица 8.4, рисунок 8.1, тип НВ-2). Таблица 8.4 - Рекомендуемые травосмеси
Посев трав или вегетативное размножение производят по подготовленной поверхности почвы поля. Для создания спортивного газона рекомендуются травосмеси, состоящие из примерно равных пропорций рыхлокустовых и корневищных злаков. 8.8 При создании травяного покрова одерновкой главным вопросом становится подбор естественной дернины, состоящей по возможности из луговых злаков (мятлик луговой, полевица, овсяница, райграс). При этом необходима помощь местного агронома, хорошо знающего луговые угодья района. В составе луговых злаков допускается примесь белого клевера и дикорастущих трав, но не более 10 %. Дернины нарезаются прямоугольными пластинами размером не более 30×40 см с вертикальными боковыми гранями; толщина дернин не менее 6 см. Дернины укладываются с перевязкой швов на подготовленное основание, предварительно обильно политое водой, и затем прикатываются легким катком. Чтобы травяной покров развивался и имел хорошую корневую систему как средство против вытаптывания, необходимо обращать внимание на подготовку почвенного слоя. Почвенный слой выполняется из грунта, близкого по гранулометрическому составу к легкому суглинку, имеющему слабокислую реакцию (РН = 6,5) и содержащему на 100 г почвы: гумуса - 4-8 %, азота (по Тюрину) - не менее 6 мг, фосфора (по Кирсанову) - не менее 25 мг, калия (по Пейве) - 10-15 мг. 8.9 Примерный состав спецсмесей для неводостойких (нежестких) покрытий и почвенных слоев травяных покрытий (% по объему) следует принимать по таблице 8.5. Таблица 8.5
Таблица 8.6
8.10 Песчаная поверхность площадки из рыхлого песка применяется для пляжного волейбола и пляжного футбола. Конструкции площадок приведены на рисунке 8.2.5. Песок для площадок толщиной слоя не менее 30 см должен иметь следующий состав по зернистости:
Поверхностный водоотводУклоны поверхности открытых плоскостных сооружений 8.11 Чтобы обеспечить поверхностный водоотвод и улучшить условия дренирования, поверхности покрытия придаются уклоны для сброса ливневых вод за пределы сооружения (по рельефу, в водоотводные лотки или дренажные канавки). Для уменьшения объема земляных работ и улучшения условий отвода воды за пределы сооружения рекомендуется полотно сооружения выполнять в насыпи с разницей отметок бровки покрытия и прилегающей территории 10-25 см. 8.12 Величина уклонов поверхности приведена в таблицах 8.7 и 8.8 в зависимости от выбранного типа покрытия и принятой схемы вертикальной планировки поверхности. При применении деревянных, асфальтовых, бетонных и других водостойких покрытий им следует придавать минимальные уклоны (i не более 0,003). Схемы организации поверхностного водоотвода даны на рисунке 8.3. Таблица 8.7 - Уклоны неводостойких покрытий для спортивных площадок
Таблица 8.8 - Уклоны покрытий на игровых полях и местах для легкой атлетики
Отвод воды из конструкции полотна 8.13 Конструкция полотна покрытия спортивной площадки по всей площади сооружения должна иметь одинаковую толщину, поэтому подстилающий грунт должен иметь уклоны, идентичные уклонам поверхности. 8.14 На водопроницаемых подстилающих грунтах строительство системы дренажных устройств не предусматривается. На маловодопроницаемых подстилающих грунтах отвод воды из конструкции полотна осуществляется по уклону подстилающего грунта со сбросом ее в водоотводные лотки, кюветы или дренажные канавки, расположенные вдоль границ сооружения, в направлении, перпендикулярном уклону (рисунок 8.4, А). 8.15 Водоотводные лотки, предусматриваемые главным образом для отвода поверхностных вод и располагаемые за пределами сооружения, могут в зависимости от класса сооружения и местных условий выполняться как закрытыми, так и открытыми (с уклоном 0,003-0,005). Лотки следует выполнять полыми (без заполнения дренирующим материалом). Водоотводные лотки, располагаемые в пределах сооружений (между внутренней бровкой круговой беговой дорожки и полем для футбола на спортивных ядрах, между площадками, сблокированными в два ряда и более и т.п.), выполняют закрытыми (рисунок 8.4, А) с минимально допустимыми сечениями и уклонами (0,0015-0,002). Примечание - В конструкции закрытого лотка, располагаемого по внутреннему периметру беговой дорожки на спортивных ядрах, прилежащая к дорожке стенка лотка может быть совмещена с внутренней материальной бровкой или может служить несущим элементом внутренней бровки. 8.16 Из водоотводных лотков, кюветов или канавок сброс следует предусматривать в ливневую канализацию (или иную водоотводную систему). При отсутствии водоотводной системы сброс воды необходимо предусматривать в закрытые водоприемные колодцы (резервуары). Объем водоприемного колодца определяют исходя из количества выпадающих осадков и размеров осушаемой площади. Конструкция и размещение ливнеприемных устройств должны исключать опасность травмирования. 8.17 При необходимости отвода из конструкции с газонными покрытиями и с покрытиями из неводостойких спецсмесей в условиях маловодопроницаемых подстилающих грунтов водоотводные лотки могут быть углублены для приема воды из дренирующих слоев. 8.18 В качестве верхнего рабочего слоя покрытия футбольного поля предусматривают неводостойкие (спортивный газон НВ-2, грунтовые покрытия из оптимальных смесей НВ-1) и синтетические водостойкие (В-1) покрытия. Поверхность футбольного поля устраивается с уклонами для отвода атмосферной влаги (рисунки 8.3и 8.4). 8.19 Из толщи конструкций покрытия футбольного поля (спортивный газон) атмосферная вода отводится путем устройства дренажа, который бывает двух типов: система собирательных дрен - «елочный» дренаж (рисунок 8.4, Б) или сплошной дренирующий слой, устраиваемый в основании конструкции поля. Собирательные дрены могут быть трубчатыми (асбестоцементные перфорированные трубы диаметром 8-12 см, обсыпанные дренирующим материалом по принципу обратного фильтра, общей высотой до 36 см) или в виде дренажных канав с тем же заполнением. Дрены проектируются по уклону от продольной оси поля к его сторонам. При сплошном дренирующем слое грунт основания должен иметь уклон от продольной оси поля к его продольным сторонам. По слою грунта основания укладывается слой песка средней крупности толщиной 5 см, слой щебня (фракции 20-40 мм) толщиной 10 см и слой мелкого гравия (фракции 5-10 мм) толщиной 5 см. Вдоль поля устраивается трубчатая дрена (асбестоцементная труба диаметром 12-15 см, обсыпанная дренирующим материалом по принципу обратного фильтра), которая и отводит за пределы поля атмосферную воду, поступающую из вышерасположенного дренирующего слоя. 8.20 Для отвода атмосферной воды возможно применение железобетонных водоотводных лотков сборной конструкции. На площадках для спортивных игр с неводостойкими покрытиями они обеспечивают отвод воды как с поверхности, так и из толщи конструкции. Верх лотка, как правило, закрывается решеткой, а в нижней части устраиваются отверстия. При водостойких покрытиях отверстия в нижней части лотка не предусматриваются. 8.21 Для продления срока межсезонной эксплуатации футбольных полей на международном уровне целесообразно применение искусственного подогрева. Основные направления строительства футбольных полей с подогревом приведены в приложении Е и на рисунке 8.5. 9 Обустройство площадок и территории9.1 Место размещения открытых плоскостных физкультурно-спортивных сооружений выбирается с учетом действующих требований санитарного законодательства и нормативной документации по планировке территории. В соответствии с СанПиН 2.2.1./2.1.1.1200 для защиты от шума зрителей на трибунах расстояния от границы жилой застройки до открытых физкультурно-оздоровительных сооружений открытого типа должны составлять: со стационарными трибунами вместимостью свыше 500 мест - 300 м; со стационарными трибунами вместимостью от 100 до 500 мест - 100 м; со стационарными трибунами вместимостью до 100 мест - 50 м. 9.2 Разметка площадок для игр, отдельных беговых дорожек, линий старта и финишной линии на местах для легкой атлетики, а также мест по толканию ядра должна осуществляться нанесением на поверхность покрытия хорошо заметных линий, выполненных клеевой, масляной или синтетической краской, или приклеиванием лент из полимерных материалов. Во всех случаях линии разметки должны лежать в одной плоскости во избежание травм. 9.3 Спортивные площадки в зависимости от вида спорта должны иметь определенные защитные ограждения. Волейбол. Для предотвращения попадания мячей на соседние площадки или задержек в игре из-за выхода мяча далеко за пределы площадки по периметру площадки (или по крайней мере вдоль ее лицевых линий) желательно устраивать ограждения, в том числе древесно-кустарниковое. Выбор ограждения определяется местными условиями. Со стороны стационарных трибун ограждение не предусматривается. Гандбол. Для перехвата мячей, не попавших в ворота, рекомендуется позади ворот (не менее чем в 2 м от лицевых линий) устраивать ограждение высотой не менее 3 м. и шириной не менее длины лицевой линии. Конструкция ограждения выбирается в зависимости от местных условий. В зависимости от окружающего площадку ландшафта за воротами следует предусматривать фоны высотой 3 м и длиной 8 м. При наличии ограждений для перехвата мячей фонами служат эти ограждения. Городки. Позади площадки, где размечены «города», на расстоянии не менее 7 м вдоль всей торцевой части участка оборудуют вал высотой не менее 0,5 м, за которым устанавливают ограждение высотой не менее 3 м для задержания бит и городков. С боковых и задней сторон участка рекомендуется устанавливать барьер высотой около 1 м с калиткой. Теннис. По периметру площадки устанавливают сетчатую ограду (лучше металлическую с ячейкой не более 3×3 см) для задержки мячей. Ограждение площадки для тенниса (или группы этих площадок) следует предусматривать на протяжении не менее 6 м от углов площадки вдоль боковых линий и в торцах высотой 3 м, а в остальной части вдоль боковых линий - 1м. При смежном расположении площадок боковое ограждение между площадками не устанавливается. По торцевым сторонам на ограждение крепят фоны темного цвета или используют зеленые насаждения за оградительной сеткой или вьющиеся по ней. Допускается замена части или всей оградительной сетки глухим забором (стенкой), который одновременно может служить фоном и тренировочной стенкой. Настольный теннис. По торцам площадки необходимо предусматривать фоны темного цвета из ткани или использовать зеленые насаждения, обеспечивающие также достаточную защиту от ветра. При нескольких столах или, если площадка превышает рекомендуемые размеры, по границам следует предусматривать разделительные барьеры высотой 0,6 м. 9.4 Спортивное ядро должно, как правило, иметь ограждение (по внешнему периметру) высотой 0,5 м. При наличии барьера перед первым рядом трибун, заполняемых сверху, ограждение спортивного ядра может не предусматриваться. 9.5 По периметру обособленного земельного участка комплекса открытых спортивных сооружений следует предусматривать ветро- и пылезащитные полосы древесных и кустарниковых насаждений шириной 5 м со стороны проездов местного значения и до 10 м со стороны скоростных магистральных дорог с интенсивным движением транспорта. По периметру отдельных групп открытых плоскостных спортивных сооружений, входящих в комплекс, следует предусматривать полосу кустарниковых насаждений шириной до 3 м. 9.6 При группировке спортивных площадок (полей) их следует объединять по видам спорта. Рекомендуется предусмотреть возможность зимнего использования сблокированных открытых плоскостных сооружений (за исключением площадок и полей с синтетическим и газонным покрытиями) для заливки катка массового катания. Спортивные площадки (или группы площадок) с наибольшей единовременной пропускной способностью, а также площадки (поля), предназначенные в зимнее время для заливки под каток для массового катания, следует располагать в максимально возможной близости к помещениям обслуживания (раздевальным и т.п.). 9.7 Пути передвижения занимающихся из вспомогательных помещений к местам занятий на открытых сооружениях не должны, как правило, пересекаться с путями передвижения зрителей. 9.8 Перед входами на трибуны открытых спортивных сооружений следует предусматривать свободные площадки из расчета 0,5 м2 на одного зрителя, приходящегося на данный выход. Ширина путей движения зрителей по территории спортивного сооружения должна приниматься из расчета 1 м на 500 зрителей. 9.9 Поверхность покрытия на путях движения занимающихся и зрителей не должна быть скользкой (в том числе на открытых сооружениях под влиянием дождя и снега). 9.10 Проезды и пешеходные дорожки следует предусматривать ко всем располагаемым на земельном участке спортивного комплекса сооружениям. Проезды должны иметь усовершенствованное облегченное или капитальное покрытие. Тип покрытия пешеходных дорожек не нормируется. Обособленные участки открытых спортсооружений, размещенные в общественных зонах, должны быть огорожены и иметь не менее двух въездов с устройством дорог с твердым покрытием. Подъезды и проезды следует проектировать в соответствии с требованиями СНиП 2.07.01. Число мест для стоянок личного автотранспорта устанавливается заданием на проектирование, но не менее требуемого в СНиП 2.07.01. Размещаются стоянки от других объектов на расстоянии, нормируемом в СанПиН 2.2.1./2.1.1.1200. 9.11 При наличии на земельном участке спортивного комплекса полей с газонным покрытием в его составе следует предусматривать питомник для выращивания дерна. Площадь питомника следует принимать из расчета 15 % площади газонного покрытия одного поля, а при наличии двух и более полей - 10 % их общей площади. 10 Инженерное обустройство территорииВодоснабжение10.1 Вода для хозяйственно-питьевых и технологических нужд спортивных и физкультурно-оздоровительных сооружений должна удовлетворять требованиям действующего санитарного законодательства. Для полива открытых плоскостных сооружений и территории, а также для создания льда сезонных катков допускается использование источников воды непитьевого качества, отвечающих требованиям ГОСТ 17.1.3.07. 10.2 Горячее водоснабжение предусматривается для обеспечения хозяйственно-бытовых и технологических нужд спортивных сооружений. Горячая вода для хозяйственно-бытовых нужд должна соответствовать требованиям ГОСТ 2874. Подводка горячей воды предусматривается: к душевым, кабинету врача, комнатам медицинской сестры и для оказания первой медицинской помощи, а также к массажным, бытовым помещениям для рабочих, раздевальным для занимающихся, комнатам инструкторского и тренерского состава, а также к другим помещениям в соответствии с технологическим заданием. На технологические нужды горячая вода должна подаваться для подготовки поверхности льда катков, для буфета. 10.3 Устройство хозяйственно-питьевого и противопожарного водопровода и нормы расхода воды в сутки и часы максимального водопотребления, а также устройство канализации должно отвечать требованиям СНиП 2.04.02 с дополнительным учетом норм водопотребления согласно таблице 10.1, а также СНиП 2.04.01. При подсчете суточного и максимального часового расхода учитываются количество смен и продолжительность занятий. Таблица 10.1
10.4 Расчетный расход воды на наружное пожаротушение через гидранты для трибун при открытых спортивных сооружениях: 15 л/с - при вместимости трибун от 5 до 10 тыс. зрителей; 20 л/с - при вместимости трибун св. 10 до 20 тыс. зрителей; 25 л/с - при вместимости трибун св. 20 тыс. зрителей. 10.5 Расход горячей воды определяется согласно требованиям СНиП 2.04.01 с учетом расходов на 1 чел., приведенных в таблице 10.2. Таблица 10.2
10.6 Наружная сеть поливочного водопровода для открытых плоскостных сооружений, используемых в летнее время, а также для полива территории спортивных сооружений и питомника для выращивания дерна укладывается на глубину до 0,5 м с уклоном в сторону выпуска воды (для отключения сети на зимний период). К открытым плоскостным сооружениям, используемым в зимнее время под заливку сезонных катков, а также к открытым каткам с искусственным льдом должна предусматриваться подводка незамерзающей водопроводной сети с установкой на ней пожарных гидрантов. Поливочные краны диаметром 25 мм должны размещаться исходя из радиуса обслуживания не более 30 м, гидранты - 50 м. По верху трибун открытых спортивных сооружений, имеющих 20 рядов и более, следует дополнительно предусматривать устройство поливочной сети (опорожняемой на зимний период) для мытья трибун с установкой кранов диаметром 25 мм на расстоянии не свыше 50 м друг от друга. 10.7 На территории комплексов открытых плоскостных сооружений желательно предусматривать установку питьевых фонтанчиков или питьевых автоматов исходя из радиуса обслуживания не более 75 м. Электроосвещение10.8 Система освещения спортивного сооружения должна обеспечивать: - возможность спортсменам, судьям, обслуживающему персоналу, зрителям на трибунах и телезрителям хорошо видеть спортивную площадку, игровые предметы, ближайшее пространство, окружающее игровую зону; - отсутствие слепящего действия; - освещение проходов и выходов в аварийных ситуациях; - безопасность, как для игроков, так и для зрителей. 10.9 Оптимальные условия освещения спортивных сооружений с точки зрения затрат на электроэнергию, достаточности света, комфортности зрительного восприятия зафиксированы в следующих нормативных документах: СНиП 23-05, МГСН 2.06, а также ВСН 1-73 «Нормы электрического освещения спортивных сооружений». В них регламентируются значения освещенности, а также другие параметры, такие как показатель ослепленности, коэффициент запаса осветительной установки и требования по расположению и ориентированию светильников. Для футбольных стадионов международного уровня освещение полей следует проектировать в соответствии с положениями «Руководства и рекомендаций по освещению для всех соревнований УЕФА». 10.10 Нормы освещенности по отдельным спортивным сооружениям, выраженные в люксах, приведены в таблице 10.3. При многоцелевых спортивных сооружениях электрооборудование должно удовлетворять всем требованиям проводимых в них соревнований. Минимальная освещенность мест для легкой атлетики по III категории электроприемников приведена в таблице 10.4. Таблица 10.3 - Нормы освещенности спортивных площадок и полей
Таблица 10.4 - Показатели минимальной освещенности мест для занятий легкой атлетикой
Уровень минимальной освещенности открытых плоскостных сооружений для физкультурно-оздоровительных занятий, как правило, следует принимать на горизонтальной поверхности открытых плоскостных сооружений 50 лк, а на вертикальной - 30 лк. 10.11 В европейских нормах DIN EN 12193 «Свет и освещение - освещение спортивных сооружений» выделены 3 уровня соревнований: I. Соревнования высшей категории; II. Соревнования среднего уровня; III. Школьный спорт и досуг. Уровни освещенности спортсооружений по аналогии с зарубежными нормами и на основании российских нормативных документов также можно разделить на 3 класса осветительных установок по значимости соревнований: класс I - для проведения международных и национальных соревнований с трибунами на 800 мест и более; класс II - для проведения региональных соревнований (без телевещания) с трибунами менее 800 мест и занятий инвалидов; класс III - для проведения любительских соревнований, тренировок, школьного спорта и досуга. 10.12 Коэффициент равномерности электрического освещения открытых плоскостных спортивных сооружений, выражающий отношение минимальной освещенности к максимальной (Eмин/Eмакс), должен быть не менее 0,33. 10.13 Уровень средней горизонтальной освещенности трибун открытых сооружений - не менее 10 % уровня освещенности, предусмотренной для сооружений по соответствующим видам спорта, и с учетом вместимости трибун. 10.14 При проектировании электрического освещения спортивных сооружений следует вводить коэффициент запаса, учитывающий снижение освещенности в процессе эксплуатации осветительной установки (загрязнение светильников, старение ламп и т.д.). Коэффициент запаса, учитывающий, что чистка осветительных приборов производится не менее 3 раз в год, следует принимать: а) при люминесцентных лампах, лампах ДРЛ и прожекторах - 1,5; б) при лампах накаливания - 1,3. 10.15 Для освещения открытых плоскостных спортивных и физкультурно-оздоровительных сооружений следует применять, как правило, газоразрядные лампы; при этом значения коэффициента пульсации следует принимать согласно таблице 10.5. Таблица 10.5
При необходимости плавного регулирования светового потока, а также в случаях невозможности или технико-экономической нецелесообразности применения газоразрядных источников света допускается, а при уровнях освещенности менее 30 лк следует, как правило, использовать лампы накаливания. 10.16 На освещаемых открытых плоскостных сооружениях, предназначаемых для спортивных игр (кроме спортивных городков), следует предусматривать верхнебоковое освещение (рисунок 10.1). Осветительные приборы верхнебокового освещения для спортивных игр (кроме футбола) должны устанавливаться на высоте не менее 12 м (I кат.) и не менее 8 м (III кат.), обеспечивая выполнение условия, по которому перпендикуляр, опущенный из оптического центра прибора на продольную ось площадки (поля), составит с ее поверхностью угол не менее 27°. На площадках для городков следует предусматривать верхнее освещение «городов» при высоте подвеса светильников не менее 3 м. Высота осветительных приборов теннисных кортов не менее 10 м (III кат.) и на футбольном поле не менее 25 м (III кат.). 10.17 Допускается устройство верхнего освещения при высоте подсвета светильников не менее: 12 м - для волейбола и тенниса; 8м - для бадминтона, баскетбола, гандбола; 6м - для хоккея на траве. Верхнее освещение следует выполнять светильниками с защитным углом не менее 30°. 10.18 При боковом освещении легкоатлетических беговых дорожек светильниками концентрированного светораспределения оптические оси светильников должны иметь наклон в сторону по движению спортсменов. 10.19 Искусственное освещение следует предусматривать на участках территории спортивных и физкультурно-оздоровительных сооружений, предназначаемых для прохода людей и движения транспорта. На других открытых сооружениях искусственное освещение предусматривается, как правило, при наличии трибун. 10.20 На территории комплексов открытых плоскостных спортивных сооружений с пропускной способностью 200 чел. и более в смену и во вспомогательных помещениях открытых сооружений предусматриваются: а) радиофикация от радиотрансляционной сети населенного пункта; б) телефонизация от АТС населенного пункта; в) электрочасификация (при установке не менее десяти электровторичных часов). На спортивных сооружениях, имеющих стационарные трибуны, дополнительно предусматриваются: звуковая передача информации и звуковоспроизведение музыки для зрителей на трибуны, в отдельные помещения и сооружения, а также озвучение отдельных зон территории комплексов открытых плоскостных спортивных сооружений (в том числе перед главным входом на территорию сооружения). При этом отдельные помещения, сооружения и зоны территории, подлежащие раздельному озвучению, определяются заданием на проектирование; звукоусиление стартовых команд в беге на открытых дорожках. Противопожарные требования10.21 При проектировании открытых спортивных сооружений следует обеспечивать пожарную безопасность занимающихся и зрителей с учетом применения спортивного оборудования, трибун для зрителей, строительных конструкций и материалов, а также объемно-планировочных решений вспомогательных помещений. Для этого следует учитывать требования СНиП 21-01, СНиП 2.08.02, ППБ 01-03, ГОСТ 12.1.004. 10.22 В несущих конструкциях трибун при открытых спортивных сооружениях с количеством рядов 20 и менее (независимо от общей вместимости), не имеющих используемого подтрибунного пространства, а также в трибунах, размещаемых на земляном откосе, допускается применение сгораемых материалов. Несущие конструкции трибун с количеством рядов свыше 20 должны быть из несгораемых материалов с пределом огнестойкости не менее R45. 10.23 Сиденья на трибунах любой вместимости на открытых спортивных сооружениях допускается выполнять из сгораемых материалов (в том числе синтетических, не выделяющих при горении токсичных веществ). 10.24 Помещения, располагаемые под трибунами открытых спортивных сооружений, следует проектировать в соответствии с требованиями СНиП 2.08.02 и СНиП 21-01. Эти помещения должны отделяться от трибуны противопожарными преградами с проемами (дверями или люками) для выхода (входа) из подтрибунных помещений на трибуны, снабженными самозакрывающимися дверными полотнами с плотным притвором, которые могут выполняться из сгораемых материалов. Расположение помещений, предназначаемых для хранения сгораемых материалов, под трибунами открытых спортивных сооружений III-V степеней огнестойкости не допускается. 10.25 Места для зрителей на открытых спортивных сооружениях должны быть разделены на блоки. 10.26 Уклон путей эвакуации по лестницам трибун открытых и крытых спортивных сооружений не должен превышать 1:1,6. Допускается увеличение уклона, но не более чем 1:1,4 при условии установки поручней (или иных устройств, заменяющих их) высотой не менее 0,9 м вдоль путей эвакуации по лестницам трибун. При разнице отметок пола смежных рядов свыше 0,55 м вдоль прохода каждого зрительского ряда должно устанавливаться ограждение высотой не менее 0,7 м, не мешающее видимости. 10.27 Расчет ширины путей эвакуации зрителей с трибун открытых спортивных сооружений в зависимости от степени огнестойкости трибун, вида пути эвакуации и с учетом расчетного числа зрителей, приходящихся на 1 м ширины пути эвакуации, следует производить согласно таблице 10.6. Общее число эвакуирующихся зрителей, приходящееся на один эвакуационный люк, как правило, не должно превышать 1500 чел. при I-II степенях огнестойкости трибун. Таблица 10.6 - Расчетное число зрителей на 1 м ширины пути эвакуации с трибун открытых спортивных сооружений, чел.
При III степени огнестойкости трибун число эвакуирующихся зрителей не должно превышать 1000 чел., а при более низких степенях огнестойкости - 750 чел. 10.28 На открытых сооружениях путь эвакуации через люки должен быть горизонтальным или по пандусу (устройство лестниц не допускается). 10.29 Ширина путей эвакуации на трибунах открытых спортивных сооружений должна быть не менее: 1 м - горизонтальных проходов, пандусов и лестниц; 1,5 м - эвакуационных люков с трибун. Поверхность покрытия на путях эвакуации зрителей не должна быть скользкой (в том числе на открытых сооружениях под влиянием дождя и снега). При расчетной ширине проходов (лестниц) блоков зрительских мест или люков на трибунах открытых спортивных сооружений свыше 2,5 м следует предусматривать разделительные поручни высотой не менее 0,9 м. При расчетной ширине люка или лестницы менее 2,5 м допускается устройство люков или лестниц шириной 2,5 м и более, при этом разделительные поручни не предусматриваются. Приложение А
|
|||||||||||||||||||||||||||||||||||||||||||||||||||||||||||||||||||||||||||||||||||||||||||||||||||||||||||||||||||||||||||||||||||||||||||||||||||||||||||||||||||||||||||||||||||||||||||||||||||||||||||||||||||||||||||||||||||||||||||||||||||||||||||||||||||||||||||||||||||||||||||||||||||||||||||||||||||||||||||||||||||||||||||||||||||||||||||||||||||||||||||||||||||||||||||||||||||||||||||||||||||||||||||||||||||||||||||||||||||||||||||||||||||||||||||||||||||||||||||||||||||||||||||||||||||||||||||||||||||||||||||||||||||||||||||||||||||||||||||||||||||||||||||||||||||||||||||||||||||||||||||||||||||||||||||||||||||||||||||||||||||||||||||||||||||||||||||||||||||||||||||||||||||||||||||||||||||||||||||||||||||||||||||||||||||||||||||||||||||||||||||||||||||||||||||||||||||||||||||||||||||||||||||||||||||||||||||||||||||||||||||||||||||||||||||||||||||||||||||||||||||||||||||||||||||||||||||||||||||||||||||||||||||||||||||||||||||||||||||||||||||||||||||||||||||||||||||||||||||||||
|
Игры |
Размеры игрового поля, площадки (ширина×длина) |
Защитная зона, м |
Варианты игрового поля, площадки |
Особенности строительства и оборудования |
|||||||||
|
Ширина |
Длина |
Г |
З |
А |
С |
Т |
И |
Б |
П |
Е |
|||
|
Мяч через веревку |
6,0×12,00 |
1,0 |
1,0 |
X |
X |
X |
X |
X |
X |
|
|
X |
Игровая коробка, опоры для сетки |
|
Бочча |
3,0×24 |
- |
- |
|
X |
|
|
|
|
|
|
X |
Бордюр из деревянного бруса 5 × 20 см; окантовочный камень, покрытый твердой резиной |
|
Игра в шары |
- |
- |
- |
|
X |
|
|
|
|
|
|
X |
Не требуется |
|
«Горячий» мяч |
min 15,0×25,0 max 25,0×45,0 |
2,0 |
2,0 |
X |
X |
X |
X |
X |
X |
|
|
|
То же |
|
Футбол-теннис |
10,0×20,0 |
2,0 |
2,0 |
X |
X |
X |
X |
X |
X |
|
|
|
Маркировка игрового поля |
|
Садовые шахматы |
4,0×4,00 |
|
|
|
|
|
|
|
|
|
X |
|
Белые и черные цементно-пластиковые плитки 50×50 см |
|
Садовая мельница |
4,0×4,00 |
- |
- |
|
|
X |
|
|
|
|
X |
|
Игровое поле маркируется долговечной, погодоустойчивой краской |
|
Бросание подковы |
4,0×10,00 |
- |
- |
X |
X |
X |
|
|
|
X |
X |
X |
Ящик для метания подковы из дерева 1,8×1,6 м. Боковые и задняя стенки высотой 15 см, передняя - 18 см. Целевой кол высотой 43 см в центре ящика с небольшим наклоном, выступающим на 25 см над передней стенкой. Наполнитель ящика: песок, глина, торф |
|
Индиака |
5,5×13,00 |
1,0 |
1,0 |
X |
X |
X |
X |
X |
X |
X |
X |
X |
Игровая коробка. Боковые столбы не ближе 0,5 м от игрового поля |
|
Кегли |
1,7×28,50 |
- |
- |
|
|
X |
|
|
|
|
|
|
Покрытие дорожки из битума. Уловитель шаров: боковые стенки из твердого дерева, пол - резиновое покрытие; устройство для возвращения кеглей - специальное изготовление |
|
Мини-гольф |
500-3000 м2 |
- |
- |
|
|
|
|
|
|
|
|
X |
Специальные дорожки из сборного бетона, этернита-бетона |
|
Крокет |
min 4,0×20,0 max 15,0×20,0 |
- |
- |
X |
X |
|
|
|
|
|
|
|
2 сигнальных столба, 10 ворот |
|
Теннис на платформе |
6,1×13,42 |
1,52 |
2,44 |
|
X |
X |
X |
|
|
|
|
|
Опоры для сетки. Сетка. В малоснежных районах покрытие площадки: З, Б, С. В снежных районах покрытие (платформы) стола из алюминия или деревянных брусьев. Ограждение площадки из металлической сетки, вставленной в рамные конструкции |
|
Преллбол |
8,0×16,00 |
2,0 |
4,0 |
|
X |
X |
X |
|
|
|
|
|
Игровая коробка, опоры для сетки |
|
Пушбол |
45,72×118,00 |
1,0 |
2,0 |
X |
|
|
|
|
|
|
|
|
Не требуется |
|
Ринг-теннис |
ESp. 3,7×12,20 DSp. 5,5×12,20 |
3,0 |
3,0 |
X |
X |
X |
X |
X |
|
|
|
|
Игровая коробка, опоры для сетки |
|
Метание шестом |
5,0×42,00 |
- |
- |
|
|
|
|
|
|
|
|
|
Не требуется |
|
Спиральбол |
ø 6 м |
|
|
|
|
X |
|
|
|
X |
|
|
Обрамленная площадка. Стальная колонна ø 8 мм и высотой 3,6 м, над покрытием у конца колонны свободно закреплен шнур |
|
Настольный теннис |
1,52×2,74 |
2,24 |
4,63 |
|
X |
X |
X |
|
|
X |
X |
|
Основание и поверхность из стандартного монолита; поверхность из зеленого бетона - зашлифованного; разграничитель игровых площадок, окантовка из сетки из погодоустойчивого легированного материала |
|
Народный мяч |
min 10,0×12,0 max 10,0×20,0 |
2,00 |
2,00 |
X |
X |
X |
X |
X |
X |
X |
|
X |
- |
|
Примечания 1 1 Таблица составлена по материалам германских норм (DIN 18035 Sportplatze, Teil 1). 2 Условные обозначения вариантов покрытия: Г - травяной газон; З - земля утрамбованная; А - асфальт; С - синтетическое покрытие; Т - трава синтетическая; И - смеси искусственные; Б - бетон; П - плиточное покрытие; Е - естественная земля с травой. |
|||||||||||||
|
Игровые площадки |
Размеры игровых полей, м |
|||||||||
|
32×45 |
27×45 |
22×44 |
15×30 |
7×14 |
||||||
|
Число маркированных площадок, шт. |
||||||||||
|
Теорети- |
Практи- |
Теорети- |
Практи- |
Теорети- |
Практи- |
Теорети- |
Практи- |
Теорети- |
Практи- |
|
|
Бадминтон |
4 |
3 |
3 |
3 |
3 |
3 |
1 |
- |
- |
1 |
|
Мяч через веревку |
12 |
5 |
9 |
5 |
6 |
3 |
3 |
- |
1 |
1 |
|
Баскетбол |
31 |
2 |
32 |
2 |
33 |
2 |
1 |
- |
- |
- |
|
Пляжный волейбол |
4 |
4 |
4 |
4 |
4 |
4 |
2 |
- |
1 |
1 |
|
Футбол-теннис |
3 |
2 |
3 |
2 |
3 |
24 |
1 |
- |
- |
- |
|
Индиака |
10 |
5 |
6 |
4 |
4 |
4 |
2 |
- |
1 |
1 |
|
Мини-гандбол |
1 |
1 |
1 |
1 |
1 |
1 |
- |
- |
- |
- |
|
Мини-хоккей |
1 |
1 |
1 |
1 |
1 |
1 |
- |
- |
- |
- |
|
Мини-футбол |
1 |
1 |
1 |
1 |
1 |
1 |
- |
- |
|
- |
|
Мини-теннис |
9 |
5 |
5 |
4 |
5 |
4 |
3 |
3 |
1 |
15 |
|
Преллбол |
3 |
3 |
3 |
3 |
3 |
3 |
1 |
1 |
- |
- |
|
Ринг-теннис |
3 |
3 |
3 |
3 |
3 |
3 |
1 |
1 |
- |
- |
|
Теннис6 |
1 |
1 |
1 |
1 |
1 |
1 |
- |
- |
- |
- |
|
Волейбол |
3 |
3 |
3 |
3 |
3 |
3 |
1 |
1 |
- |
- |
|
1При минимальных размерах 12×26 м и сокращении зоны безопасности. 2При минимальных размерах 12×24 м и сокращении зоны безопасности. 3При минимальных размерах 12×20 м и сокращении зоны безопасности. 4При сокращении зоны безопасности короткой стороны площадки. 5При сокращении зоны безопасности длинной стороны площадки. 6Проведение игры возможно при наличии защитных стенок. |
||||||||||
Таблица В.1 - Состав игрового и спортивного оборудования в зависимости от возраста детей
|
Возраст |
Назначение оборудования |
Рекомендуемое игровое и физкультурное оборудование |
|
Дети раннего возраста (1-3 года) |
Для тихих игр, тренировки усидчивости, терпения, развития фантазии |
Песочницы |
|
Для тренировки лазания, ходьбы, перешагивания, подлезания, равновесия |
Домики, пирамиды, гимнастические стенки, бумы, бревна, горки; кубы деревянные 20×40×15 см; доски шириной 15, 20, 25 см, длиной 150, 200 и 250 см; доска деревянная - один конец приподнят на высоту 10-15 см; горка с поручнями, ступеньками и центральной площадкой, длина 240 см, высота 48 см (в центральной части), ширина ступеньки - 70 см; лестница-стремянка, высота 100 или 150 см, расстояние между перекладинами - 10 и 15 см |
|
|
Для тренировки вестибулярного аппарата, укрепления мышечной системы (мышц спины, живота и ног), совершенствования чувства равновесия, ритма, ориентировки в пространстве |
Качели и качалки |
|
|
Дети дошкольного возраста (3-7 лет) |
Для обучения и совершенствования лазания |
Пирамиды с вертикальными и горизонтальными перекладинами; лестницы различной конфигурации, со встроенными обручами, полусферы; доска деревянная на высоте 10-15 см (устанавливается на специальных подставках). Бревно со стесанным верхом, прочно закрепленное, лежащее на земле, длина 2,5-3.5 м, ширина 20-30 см; бум «крокодил», длина 2,5 м, ширина 20 см, высота 20 см; гимнастическое бревно, длина горизонтальной части 3,5 м, наклонной - 1,2 м, горизонтальной части 30 или 50 см, диаметр бревна - 27 см; гимнастическая скамейка - длина 3 м, ширина 20 см, толщина 3 см, высота 20 см. Горка с поручнями, длина 2 м, высота 60 см; горка с лесенкой и скатом, длина 240 см, высота 80 см, длина лесенки и ската - 90 см, ширина лесенки и ската - 70 см. Гимнастическая стенка, высота 3 м, ширина пролетов не менее 1 м, диаметр перекладины - 22 мм, расстояние между перекладинами - 25 см; гимнастические столбики. Стойка с обручами для метания в цель, высота 120-130 см, диаметр обруча 40-50 см; оборудование для метания в виде «цветка», «петуха», центр мишени расположен на высоте 120 см (младшие дошкольники), 150-200 см (старшие дошкольники); кольцебросы - доска с укрепленными колышками высотой 15-20 см, кольцебросы могут быть расположены горизонтально и наклонно; мишени на щитах из досок в виде четырех концентрических кругов диаметром 20, 40, 60, 80 см, центр мишени на высоте 110-120 см от уровня пола или площадки, круги красят в красный (центр), салатовый, желтый и голубой цвета; баскетбольные щиты крепят на двух деревянных или металлических стойках так, чтобы кольцо находилось на уровне 2 м от пола или поверхности площадки |
|
Для обучения равновесию, перешагиванию, перепрыгиванию, спрыгиванию |
||
|
Для обучения вхождению, лазанию, движению на четвереньках, скатыванию |
||
|
Для развития силы, гибкости, координации движений |
||
|
Для развития глазомера, точности движений, ловкости, для обучения метанию в цель |
||
|
Дети школьного возраста |
Для обшего физического развития |
Гимнастическая стенка высотой не менее 3 м, количество пролетов 4-6; разновысокие перекладины, перекладина-эспандер для выполнения силовых упражнений в висе; «рукоход» различной конфигурации для обучения передвижению разными способами, висам, подтягиванию; спортивно-гимнастические комплексы - 5-6 горизонтальных перекладин, укрепленных на разной высоте, к перекладинам могут прикрепляться спортивные снаряды: кольца, трапеции, качели, шесты и др.; сочлененные перекладины разной высоты: 1,5-2,2-3 м, могут располагаться по одной линии или в форме букв «Г», «Т», или змейкой |
|
Дети старшего школьного возраста |
Для улучшения мышечной силы, телосложения и общего физического развития |
Спортивные комплексы; спортивно-игровые комплексы (микроскалодромы, велодромы и т.п.) |
Таблица В.2 - Основные параметры оборудования
|
Игровое оборудование |
Требования |
|
Качели |
Высота от уровня земли до сиденья качелей в состоянии покоя должна быть не менее 350 мм и не более 635 мм. Допускается не более двух сидений в одной рамке качелей. В двойных качелях не должны использоваться вместе сиденье для маленьких детей (колыбель) и плоское сиденье для более старших детей |
|
Качалки |
Высота от земли до сиденья в состоянии равновесия должна быть 550-750 мм. Максимальный наклон сиденья при движении назад и вперед - не более 20°. Конструкция качалки не должна допускать попадания ног сидящего в ней ребенка под опорные части качалки, не должна иметь острых углов, радиус их закругления должен составлять не менее 20 мм |
|
Карусели |
Минимальное расстояние от уровня земли до нижней вращающейся конструкции карусели должно быть не менее 60 мм и не более 110 мм. Нижняя поверхность вращающейся платформы должна быть гладкой. Максимальная высота от нижнего уровня карусели до ее верхней точки составляет 1 м |
|
Горки |
Доступ к горке осуществляется через лестницу, лазательную секцию или другие приспособления. Высота ската отдельно стоящей горки не должна превышать 2,5 м вне зависимости от вида доступа. Ширина открытой и прямой горки не менее 700 мм и не более 950 мм. Стартовая площадка - не менее 300 мм длиной с уклоном до 5°, но, как правило, ширина площадки должна быть равна горизонтальной проекции участка скольжения. На отдельно стоящей горке высота бокового ограждения на стартовой площадке должна быть не менее 0,75 м. Угол наклона участка скольжения не должен превышать 60° в любой точке. На конечном участке ската средний наклон не должен превышать 10°. Край ската горки должен подгибаться по направлению к земле с радиусом не менее 50 мм и углом загиба не менее 100°. Расстояние от края ската горки до земли должно быть не более 100 мм. Высота ограждающего бортика на конечном участке при длине участка скольжения менее 1,5 м - не более 200 мм, при длине участка скольжения более 1,5 м - не более 350 мм. Горка-тоннель должна иметь минимальную высоту и ширину 750 мм |
Отдельные площадки, оборудованные для занятий тем или иным видом современного молодежного спорта, могут иметь минимальный набор этого оборудования для тренировки и соревнований или только для тренировки. Назовем их «мономодули». «Мономодули» могут иметь минимальные параметры в плане и в то же время быть самодостаточными для занятий полюбившимся видом спорта. «Мономодули» могут иметь следующее назначение: фристайл (универсальная площадка для скейтбординга и катания на роликовых коньках), скалодром - площадка для скалолазания, дерт - фрагмент скоростного спуска с трамплином для дертинга - экстремальной езды на велосипеде, мини-гольф - содержащий от 5 до 15 полей, стритбол (уличный мяч) и др.
«Мономодули» в количестве 4-7 типов, размещаемые в жилой застройке в микрорайонах методом мультитиражирования (т.е. когда любые два соседних модуля никогда не совпадают по назначению), обеспечивают возможность 10-минутной доступности до любого из них из любой точки жилой застройки. Иными словами, подростки могут практически каждый день отдыхать и заниматься полюбившимся видом спорта, практически не тратя время на дорогу. На этих площадках не нужно предусматривать раздевалки или камеры хранения, поскольку ребята приходят уже одетыми и со своим снаряжением. Эти площадки следует оборудовать ограждением и скамьями для отдыха и для зрителей. Как правило, скамьи оборудуются непосредственно в конструкции ограждения.
Примеры рекомендуемых планировочных решений «мономодулей»: простые площадки для скейтбордов и роликовых коньков (рисунок 5.13), детский роликодром (рисунок 5.19), площадки и дорожки для мини-гольфа (рисунок 5.4), площадки для нетбола и стритбола (рисунок 5.5), поле для катания на роликовых коньках (рисунок 5.15), площадка для скейтбординга (рисунок 5.18), скалодром (рисунок 5.22), трасса для кроссовых велосипедов ВМХ (рисунок 5.24).
Система микрорайонных « мономодулей » может быть дополнена полифункциональными модулями («полимодулями»), размещаемыми в структуре городских рекреаций (районные и городские парки и скверы, пограничные с жилой застройкой лесопарковые комплексы). «Полимодули», пользование которыми предполагается главным образом по выходным дням, могут использоваться для отработки техники того или иного вида спорта с инструктором-тренером, а также для проведения соревнований и выполнения более разнообразных и сложных упражнений. Например, в таких местах проще предусматривать более протяженные и сложнее устроенные трассы для дерта и фристайлового слалома, а площадки для пейнтбола могут оформляться как сюжетно-стилизованные, например «Джунгли» или «Вестерн-сити».
Эффективно поочередное сезонное использование таких площадок. Например, горный спуск (оборудованный подъемником) может летом использоваться как скейтбордистская или дертовая слаломная трасса, а зимой - для горнолыжного спуска, горнолыжного слалома и сноубординга. Трассы для катания на роликах (роллердром) - для катания на коньках в зимнее время.
«Полимодули» могут сочетать в себе несколько площадок для разных видов спорта: поскольку их придется «вписывать» в сложившуюся планировочную структуру парка или городского сквера, «полимодули» могут формироваться из компактно сгруппированных площадок разного назначения или размещаемых последовательно, образуя так называемую связку. Примером компактного расположения «полимодулей» может послужить кольцевая трасса роллердрома с размещенными в середине скалодромом или площадкой стрит-фитнеса. Площадки для фристайла могут сочетаться с площадкой для стритбола. Пример планировочной организации «полимодуля» представлен на рисунке 5.25.
Последовательное расположение «мономодулей» в «связке» может поддерживаться протяженной трассой для скейтбординга, роллеров и велосипедистов, используемой для сообщения между разными площадками.
«Полимодули» следует оборудовать местами для переодевания, пунктами проката спортивного оборудования (коньков, скейтбордов), камерами хранения, автостоянками.
Вся система «мономодулей» и «пол и модулей» должна быть дополнена максидромами. Максидромы - стадионы международного класса по проведению соревнований по тому или иному экстремальному виду спорта. Максидромы для фристайла, в том числе со слаломными трассами, для дерта, сноубординга могут размещаться где угодно - на заброшенных пустырях, на рекультивированных территориях бывших промзон, в заброшенных поймах рек и т.п. Максидромы для скалолазания, площадки для пейнтбола могут оборудоваться на основе брошенных объектов незавершенного строительства или руин. Эти же площадки могут использоваться для спортивно-ролевых сюжетных игр и соответствующих соревнований. Ненужные старые промздания, склады, водонапорные башни, градирни, ангары, недействующие трансформаторные подстанции, открытые недействующие трубопроводы, сооружения, оборудованные кран-балками, козловыми кранами и т.п., могут выполнить роль прекрасных декораций, а также частично использоваться для организации раздевалок, кафе и т.п.
Максидромы в принципе могут быть универсальными: поочередно оборудуются трассы то для фристайла и слалома, то для дерта, то для мотогонок, картинга или экстремальных автогонок.
Максидромы следует оборудовать стационарными трибунами для зрителей, вспомогательным комплексом для спортсменов (раздевалки с душевыми и туалетами, залы для разминки), предприятиями общественного питания. Важными условиями при размещении максидромов должны быть хорошая транспортная доступность, в том числе общественным транспортом, а также наличие автостоянки.
Трассы и площадки максидромов должны иметь хорошее освещение, допускающее организацию телевизионной трансляции. Кроме проведения соревнований максидромы используются для постоянных тренировок спортсменов, подготовки тренеров, инструкторов, школьных учителей физкультуры.
|
Название типа покрытия |
Описание конструкций полотна |
Рекомендуемые виды спорта |
|
Специальные грунтовые смеси (НВ-1А) |
Полотно с нежестким покрытием из неводостойких размокаемых материалов выполняется, как правило, из трех слоев: нижнего - основания, среднего - промежуточного и верхнего - покрытия. Основание - нижний слой конструкции полотна, воспринимающий основные нагрузки, - должно обладать достаточной несущей способностью, не быть чувствительным к изменению влажности и дренировать грунтовые и поверхностные воды. Основание выполняется из 5-12-сантиметрового слоя каменных материалов различных пород (гравия, щебня), кирпичного боя, шлака и других материалов (с преобладанием фракций 40-70 мм), гравелистого, крупнозернистого песка. Средний - промежуточный слой - придает всей конструкции необходимую упругость и служит для равномерной передачи нагрузок на основание: он также является дренирующим. Промежуточный слой из упругих материалов (шлак, гравий, щебень, кирпичный бой и т.п.) фракциями 10-20 мм делают толщиной 3-4 см. В зависимости от условий водоотвода, количества осадков и выбранного типа покрытия промежуточный слой вместо упругого дренирующего можно выполнять упруго-влагоемким (из мягких органических антисептированных материалов, волокнистого торфа и водоустойчивых упругих материалов: хлопья кордного волокна - отходы регенератных заводов, резиновая крошка, отходы полиэтиленового производства и т.п., отходы химической промышленности). Толщина слоя 1-2 см. Покрытие - верхний слой - выполняется толщиной 5-8 см в зависимости от конструкций в целом, выбранных материалов и состава спецсмесей (составы спецсмессй см. таблицы 8.5 и 8.6) |
Баскетбол, бейсбол, волейбол, гандбол, теннис, бадминтон, легкая атлетика (кроме мест приземления в прыжках), городки (кроме площади «городов»), настольный теннис, футбол, бадминтон, лапта, теннис |
|
Специальные рунтовые смеси НВ-1Б) |
Несвязные сыпучие и волокнистые материалы (крупнозернистый песок, антисептированные древесные опилки, поролон, хлопья кордного волокна, резиновая крошка и т.п.) применяют как покрытие разминочных тренировочных дорожек (тип а), а также накладывают на подстилающий грунт или какую-либо конструкцию в местах приземления для прыжков в высоту (тип б) или используют в качестве заполнителя ям (тип а) для приземления в прыжках в длину и тройном (в случае в допускается применять только песок). В полотно тренировочной разминочной беговой дорожки под слоем покрытия из сыпучих и волокнистых материалов (толщиной 15-20 см) укладывают дренирующий слой, который по составу материалов и толщине идентичен основанию, применяемому в конструкциях полотна с другими нежесткими покрытиями. Толщина слоя из сыпучих и волокнистых материалов в местах приземления должна приниматься не менее 50 см. Места для приземления в прыжках в высоту (особенно в тех случаях, когда это место используется и для прыжков в длину и тройного прыжка) могут выполняться и в виде ям глубиной 0,5 м. Однако уровень заполнителя рекомендуется поднимать над уровнем поверхности сектора (дорожки) для разбега: в прыжках в высоту на 0,5-0,75 м |
Вспомогательные занятия легкой атлетикой |
|
Спортивный газон (НВ-2) |
В зависимости от местных условий конструкция может быть однослойной с укладкой верхнего почвенного слоя на существующий или улучшенный грунт основания, двухслойной с укладкой подпочвенного и верхнего слоев на существующее или улучшенное основание и трехслойной, когда на залегающий в основании грунт последовательно укладывают: промежуточный слой - влагоемкий или дренирующий, подпочвенный слой и верхний почвенный слой. Верхний почвенный слой должен быть связным, способным задержать достаточное количество влаги, необходимой для нормальной жизнедеятельности травостоя, и в то же время свободно пропускать излишнюю влагу в нижележащие слои. Верхний почвенный слой выполняют толщиной 10-15 см. Он должен быть однородным и по механическому, и по химическому составу. Гранулометрический состав его должен быть близок к легкому суглинку; питательная среда верхнего почвенного слоя должна иметь слабокислую реакцию - рН≈6,5 и содержать: гумуса 4-8 %, азота (по Тюрину) более 6 мг на 100 г почвы, фосфора (по Кирсанову) более 25 мг на 100 г почвы, калия (по Пейве) 10-15 мг на 100 г почвы. При одерновке поля почвенный слой уменьшают на толщину укладываемой дернины (6-10 см). Подпочвенный слой также толщиной 10-15 см должен отличаться от верхнего почвенного слоя большим содержанием крупных песчаных фракций (1-2 мм). Промежуточный слой может быть влагоемкий или дренирующий однослойный, или дренирующий двухслойный. Влагоемкий слой делают толщиной 5 см из торфа, хвои, мха и др. Дренирующий однослойный делают толщиной 15-25 см из щебня и гравия, различных шлаков с фракциями 10-77 мм, гравелистых и крупнозернистых песков. Дренирующий двухслойный делают путем послойной укладки на глинистое основание песчаного слоя толщиной 8-10 см и материалов крупных фракций поверх него слоем 7-15 см |
Футбол, теннис, гандбол, хоккей на траве, бейсбол, лапта |
|
Синтетическое покрытие (В-1) |
Полотно с нежестким покрытием из водостойких неразмокаемых материалов выполняется двухслойным или многослойным. Двухслойная конструкция состоит из нижнего слоя - основания, выполняемого аналогично основанию в конструкциях с неводостойкими покрытиями, и верхнего - собственно покрытия, выполняемого из грунтов и каменных материалов фракцией до 4 мм, обработанных битумами, смолами и тому подобными водостойкими вяжущими. В многослойной конструкции на деревянные, бетонные, асфальтовые и тому подобные многослойные основания укладывается бесшовное покрытие (с применением синтетических вяжущих материалов), покрытие из плит-брикетов или рулонное из резинобитумных и синтетических материалов. Толщина слоя покрытия до 2 см Примечания 1 Синтетическое покрытие укладывается сверху мелко - или среднезернистого асфальтобетона. 2 Резинобитумное покрытие укладывается сверху крупнозернистого асфальтобетона, толщина которого в этом случае принимается 40 мм. |
Те же виды, что и в случаях неводостойких покрытий |
|
Асфальтовое покрытие (В-2) |
Асфальтовое покрытие выполняется облегченной конструкции. Основание делают из щебня различных пород или гравия с фракциями 40-70 мм. Промежуточный слой выполняется из биндера толщиной 4 см. Покрытие - песчаный мелкозернистый асфальт толщиной 4 см |
Баскетбол, теннис, настольный теннис, физкультурно-оздоровительные занятия, городки (площадь «городов»), легкая атлетика - площадки (ограниченные кольцом) для толкания ядра, метания диска или молота |
|
Бетонное покрытие (В-3) |
Полотно с бетонным покрытием выполняется трехслойным. Основание выполняется из крупнозернистого гравелистого песка, толщина слоя 10-12 см. Промежуточный слой из щебня или гравия с фракциями 40-70 мм, толщина слоя 10-15 см. Покрытие - из тяжелого бетона, толщина слоя 8-10 см. Покрытие из пористого бетона, хорошо пропускающее воду, может быть рекомендовано в зонах с мягким климатом и большим количеством осадков. Его делают трехслойным из каменных материалов (щебня, гравия). Основание толщиной 15-25 см из материала фракцией 40-70 мм. Промежуточный слой толщиной 6-8 см из материала фракцией 10-20 мм. Верхний слой толщиной 2 см выполняется из материалов (гравия) фракций 2-3 мм |
Легкая атлетика: площадки (ограниченные кольцом) для толкания ядра, метания диска или молота, городки (площадь «городов») |
|
Деревянное покрытие |
Деревянное покрытие представляет собой настил из брусков сечением от 50×70 до 60×80 мм, уложенных вдоль площадки по деревянным лагам сечением 140×170 мм (минимально 120×150 мм). Лаги укладывают на кирпичные, каменные или бетонные столбики, опирающиеся на бетонные подушки (нормативная нагрузка на 1 м2 площади настила 400 кг. коэффициент перегрузки 1,3). Между столбиками и лагами прокладывают рубероид, толь или какой-либо иной листовой гидроизоляционный материал. Конструкция настила должна обеспечивать воздухообмен пространства под настилом с наружным воздухом, для чего за пределами площадки в верхней трети деревянного откоса сверлят сквозные отверстия диаметром 5-10 мм через 20-25 см |
Бадминтон, баскетбол, волейбол, гандбол, мини-футбол, теннис, настольный теннис, городки(площадь «городов») |
|
Песчаное покрытие |
В качестве несущего слоя закладывается гравийная основа не менее 30 см толщиной, имеющая зернистость 0/32 - 0/50. Это основание покрывается геотекстилем. На него насыпается песок толщиной минимум 30 см. Идеальное песочное наполнение должно отвечать следующим требованиям: зернистость песка от 0 до 1 мм, в том числе: зернистость 0,71- 1,0 мм ≤ 7 % зернистость 0,5-0,71 мм ≤ 14 % зернистость 0,09-0,5 мм ≈ 73-95 % зернистость ≤ 0,09 мм ≤ 6 % для песка круглой формы > 85 % загрязненность около 0,5 % по весу содержание кальция (СаСО3) < 0,5 % содержание кварца > 90 % |
Пляжный волейбол, пляжный футбол |
Основание футбольного поля
Основание футбольного поля с искусственным покрытием должно быть ровным и иметь дренаж, исключающий образование луж на поверхности футбольного поля при любых погодных условиях.
Монтаж основания должен обеспечить однородность и равномерность слоев конструкции основания, что дает равномерную усадку основания по всей его площади и исключает возникновение неровных участков на поверхности футбольного поля.
Система водоотвода, являющаяся составной частью конструкции основания, должна обеспечивать отвод воды с поверхности футбольного поля и из конструкции основания по принципу обратного фильтра.
Отвод воды с поверхности футбольного поля обеспечивают высокие дренажные свойства самого искусственного покрытия, имеющего дренажные отверстия, количество и размеры которых определяют его пропускную способность. Дренажные свойства основания зависят от выбора строительного материала, из которого наилучшим материалом является гранитный щебень.
Щебеночное основание
Щебеночное основание, как правило, выполняется трехслойным, где каждый последующий слой расклинивает и частично выравнивает предыдущий. Общая толщина щебеночного основания составляет примерно 18-22 см. Под щебеночное основание часто применяют геотекстиль (синтетический нетканый материал), который монтируется на грунтовое основание. Геотекстиль армирует всю конструкцию в целом, а также предотвращает процесс диффузии слоев, что может вызвать возникновение неровных участков на поверхности футбольного поля.
Устройство дренажа
Отвод воды из конструкции основания осуществляется через дренажные трубы. Величина уклона дренажных труб и их расположение должны обеспечивать быстрый вывод из конструкции основания поступающей воды в местную водоотводную систему. Минимальная величина уклона пластиковых дренажных труб в фильтрующем материале должна составлять примерно 0,2-0,4 %.
На водопроницаемых подстилающих грунтовых слоях устройство дренажа выполняется только по периметру футбольного поля.
При отсутствии местной водоотводной системы сброс воды осуществляется в водоприемные резервуары, которые располагают в нижней части естественного рельефа прилегающей территории. Определение объема резервуара следует осуществлять исходя из количества выпадающих осадков и размеров осушаемой площади.
В отдельных случаях по периметру футбольного поля выполняется открытая система водоотвода. Открытая система водоотвода несет основную функциональную нагрузку в зимний период времени. В зимний период в силу российских климатических условий вертикальный дренаж основания футбольного поля не работает. Влага, образующаяся во время оттепели на поверхности футбольного поля, удаляется в открытую систему водоотвода. Открытая система водоотвода предназначена и для отсечения возможного поступления водяных потоков на футбольное поле с прилегающей территории.
Синтетическая трава
Строительство футбольных полей с искусственным покрытием получило широкое распространение. Футбольные поля с искусственным покрытием успешно применяются для проведения тренировочных занятий и различного ранга национальных соревнований.
Нынешний период строительства футбольных полей характеризуется применением современных искусственных покрытий, которые называют «третьим поколением» искусственных покрытий для футбольных полей, или просто синтетической травой. Конструктивные особенности современных искусственных покрытий состоят в том, что высота синтетического волокна значительно увеличилась - до 6 см и более, а частота расположения синтетического волокна составляет менее 20 стежков на 10 см. При этом засыпной слой состоит не только из дренируемого песка, но и из резинового гранулята.
Моноволокно
Эксплуатациониые характеристики футбольного поля с натуральной травой зависят or качественного состояния самого травяного газона, которое определяют сортовые качества травяного газона. Эксплуатационные характеристики футбольного поля, оснащенного синтетической травой, во многом определяют качественные параметры синтетического волокна, которые всецело зависят от технологии выработки волокна, что является интеллектуальной собственностью каждой компании-производителя.
С понижением температуры синтетические волокна утрачивают упругость и вертикальное положение, что ведет к изменению эксплутационных характеристик футбольного поля и для профессионального футбола является неприемлемым.
Решение проблемы пришло с открытием технологии производства монофиламентного волокна (моноволокна). Моноволокно более устойчиво в вертикальном положении, что сближает качественные характеристики футбольных полей, оснащенных искусственным покрытием, с синтетической травой и с натуральным травяным газоном.
Эластичный слой
Совершенствование искусственных покрытий происходит как в направлении повышения качества синтетического волокна, так и в разработке принципиально новых конструктивных решений.
Одно из этих решений - монтаж эластичного слоя под искусственное покрытие с синтетической травой. Эластичный слой представляет собой склеенный в единый дренирующий слой резиновый гранулят. При этом толщина эластичного слоя имеет обратно пропорциональную зависимость от высоты синтетического волокна - чем больше толщина эластичного слоя, тем меньше высота синтетического волокна и тем меньше толщина засыпного слоя. Диапазон возможных значений толщины эластичного слоя составляет примерно 0,8 - 3,0 см.
Данное конструктивное решение на сегодняшний день является наиболее перспективным.
Искусственный подогрев
В процессе эксплуатации футбольное поле с искусственным покрытием имеет ряд преимуществ перед футбольным полем с натуральным травяным газоном. Основное из них - существенно меньшие эксплуатационные расходы при сохранении высококачественного состояния игровой поверхности футбольного поля в течение всего календарного года. В российских климатических условиях в зимний период времени для достижения этого преимущества необходимо наличие искусственного подогрева футбольного поля.
Системы искусственного подогрева футбольного поля бывают двух типов - система жидкостного искусственного подогрева и электрического. Наибольшее распространение получила система жидкостного искусственного подогрева футбольного поля как экономически более эффективная.
Жидкостный искусственный подогрев
Принципиальная схема жидкостного искусственного подогрева состоит из отопительных труб, распределительной трубы, коллекторной трубы, подводящих труб и индивидуального теплового пункта.
Отопительные трубы располагают непосредственно в основании футбольного поля по всей его площади. Распределительную и коллекторную трубы располагают по краю футбольного поля. Подводящие трубы соединяют распределительную и коллекторную трубы с индивидуальным тепловым пунктом.
В качестве отопительных труб обогрева используют пластиковые трубы, произведенные по специальной технологии, диаметром примерно 20-25 мм. Распределительную, коллекторную и подводящую трубы монтируют из предварительно изолированных стальных труб.
Отопительные трубы обогрева, распределительная, коллекторная и подводящие трубы составляют так называемый вторичный контур, который заполняется специальным незамерзающим теплоносителем - этиленгликолем. Первичным контуром служит контур, запитанный от проходящей поблизости теплотрассы, или контур, запитанный от автономной котельной. Теплопередача из первичного контура во вторичный осуществляется через пластинчатый теплообменник индивидуального теплового пункта. Максимальная проектируемая мощность данной системы - на футбольное поле стандартного размера.
Схема устройства футбольного поля с искусственным подогревом дана на рисунке 8.5.
Материалы искусственного газона должны проходить лабораторное тестирование (таблицы Е.1 и Е.2), а футбольные поля - полевое тестирование (таблицы Е.3 и Е.4) в соответствии с «Концептом качества ФИФА. Руководство по требованиям в отношении искусственных газонов».
Таблица Е.1 - Требования к лабораторным тестам
|
Характеристика |
Метод тестирования |
Условия тестирования |
Требования |
|||
|
Подготовка |
Температура |
Условия |
Рекомендовано ФИФА Две Звезды |
Рекомендовано ФИФА Одна Звезда |
||
|
Вертикальный отскок мяча |
FIFA 01 & FIFA 10 |
Первичная подготовка |
23°С |
Сухо |
0,60 м- 0,85 м |
0,60 м- 1,0 м |
|
Сыро |
- |
|||||
|
Искусственный износ |
23°С |
Сухо |
0,60 м- 1,0 м |
|||
|
Отскок мяча, упавшего под углом |
FIFA 02 |
Первичная подготовка |
23°С |
Сухо |
45 %-60 % |
45 %- 70 % |
|
Сыро |
45 %-80 % |
- |
||||
|
Движение мяча по поверхности |
FIFA 03 |
То же |
23°С |
Сухо |
4 м- |
4 м- |
|
Сыро |
- |
|||||
|
Поглощение удара |
FIFA 04 & FIFA 10 |
» |
23°С |
Сухо |
60 %-70 % |
55 %-70 % |
|
Сыро |
- |
|||||
|
Искусственный износ |
Сухо |
55 %-70 % |
||||
|
Первичная подготовка |
40°С |
» |
- |
|||
|
FIFA 04 1-е воздействие |
- |
-5°С |
Мороз |
45%-70%1 |
- |
|
|
Вертикальная деформация |
FIFA 05 & FIFA 10 |
Первичная подготовка |
23°С |
Сухо |
4 мм- |
4 мм- |
|
Искусственный износ |
23°С |
Сыро |
- |
|||
|
То же |
23°С |
Сухо |
4 мм- |
|||
|
Сопротивление вращению |
FIFA 06 & FIFA 10 |
Первичная подготовка |
23°С |
Сухо |
30 Nm - 45 Nm |
25 Nm-50 Nm |
|
23°С |
Сыро |
- |
||||
|
Искусственный износ |
23°С |
Сухо |
25 Nm-50 Nm |
|||
|
Линейное трение - показатель торможения шипов |
FIFA 07 |
Первичная подготовка |
23°С |
» |
3,0 g- |
3,0 g- |
|
23°С |
Сыро |
- |
||||
|
Линейное трение - показатель скольжения шипов |
То же |
23°С |
Сухо |
130-210 |
120-220 |
|
|
23°С |
Сыро |
|||||
|
Трение кожа/поверхность |
FIFA 08 |
» |
23°С |
Сухо |
0,35-0,75 |
- |
|
Механическое повреждение кожи |
FIFA 09 |
» |
23°С |
Сухо |
±30% |
- |
Имитация воздействия атмосферы (FIFA 11/06-02)
|
Компонент |
Характеристика и метод тестирования |
Требование |
||
|
Рекомендовано ФИФА Две Звезды |
Рекомендовано ФИФА Одна Звезда |
|||
|
Искусственный газон |
Изменение цвета |
EN ISO 20105-A02 |
≥ Серая школа 3 |
|
Окончание таблицы Е. 1
|
Компонент |
Характеристика и метод тестирования |
Требование |
||||
|
Рекомендовано ФИФА Две Звезды |
Рекомендовано ФИФА Одна Звезда |
|||||
|
Волокно |
Предел прочности на разрыв |
EN 13864 |
Процентное изменение от не подвергнутой старению поверхности должно быть не более чем 50 % |
|||
|
Полимерный наполнитель |
Изменение цвета |
EN ISO 20105-А02 |
≥ Серая школа 3 |
|||
|
Сила скрепления: прошитые швы |
Сила скрепления - не подвергнутый старению материал |
EN 12228 Метод 1 |
1000 N/100 mn |
|||
|
Сила скрепления - после погружения в горячую воду |
EN 13744 & EN 12228 Метод 1 |
|||||
|
Сила скрепления: склеенные швы |
Сила скрепления - не подвергнутый старению материал |
EN 12228 Метод 2 |
25N/100 mm |
|||
|
Сила скрепления - после погружения в горячую воду |
EN 13744 & EN 12228 Метод 2 |
|||||
|
Характеристика |
Метод тестирования |
Условия тестирования |
Требования |
|||
|
Рекомендовано ФИФА Две Звезды |
Рекомендовано ФИФА Одна Звезда |
|||||
|
Предел прочности на разрыв прокладки, поглощающей удар, и подложки (e-layers) (если поставляется как часть системы) |
EN 12230 |
Не подвергаются старению |
0,15 МПа |
- |
||
|
Водонепроницаемость |
EN 12616 |
Не подвергаются старению |
> 180 мм/ч |
> 180 мм/ч |
||
|
1 Поверхности, которые не прошли тест на поглощение удара при -5°С, могут быть установлены только на полях, которые имеют систему подогрева поля, или там, где температура не опускается ниже 0°С. Примечание - ФИФА только требует тестирование продукта - Рекомендовано ФИФА Одна Звезда в сухих условиях. Однако когда тестируются поля - Рекомендовано ФИФА Одна Звезда, они тестируются при превалирующих в момент тестирования климатических условиях (сухая или сырая погода). Производители могут, таким образом, захотеть, чтобы их продукты были протестированы в лаборатории при всех условиях. |
||||||
Таблица Е.2 - Тесты по идентификации продукта
|
Компонент |
Характеристика |
Метод тестирования |
Разрешенное варьирование между лабораторным компонентом и декларацией изготовителя |
|
Искусственный газон |
Масса на единицу площади |
ISO 8543 |
≤ + 10 % |
|
Пучки па единицу площади |
ISO 1763 |
≤±10 % |
|
|
Сила выдергивания пучков |
ISO 4919 |
≥ 90 % декларации производителя |
|
|
Длина ворса |
ISO 2549 |
≤±5 % |
|
|
Вес ворса |
ISO 8543 |
≤±10 % |
|
|
Волокно |
Характеристики волокна |
DSC |
Тот же полимер |
|
Наполнитель |
Толщина слоя |
EN 1969 |
≤ ±15% |
|
Активный наполнитель (если поставляется как часть системы) |
Размер гранул |
EN 933 - часть 1 |
≤ ±20 % |
|
Форма гранул |
pr EN 14955 |
Та же форма |
|
|
Плотность заполнения |
EN 1304! |
≤ ±10 % |
|
|
% органики |
Термогравиметрический анализ (для информации) |
- |
|
|
% неорганики |
- |
||
|
Остаточное сжатие и изменение во внешнем виде |
FIFA 12/05-01 |
- |
|
|
Стабилизирующий наполнитель (если поставляется как часть системы) |
Размер гранул |
EN 933 - часть 1 |
≤ ±20 % |
|
Форма гранул |
pr EN 14955 |
Та же форма |
|
|
Плотность заполнения |
EN 13041 |
≤ ±15 % |
|
|
Прокладка, поглощающая удар/подложки (е-layers) (если поставляется как часть системы) |
Поглощение удара |
EN 14808 |
≤ ±5 % уменьшения силы |
|
Толщина |
EN 1969 |
≥ 90 % декларации производителя |
|
|
Незакрепленные суббазы (если тестируются как часть системы) |
Состав |
- |
Тот же состав |
|
Диапазон размера гранул (к отчету по тестированию прикладывается шкала размера гранул) |
EN 933 - часть 1. |
≤ ±20 % |
|
|
Форма гранул |
pr EN 14955 |
Та же форма |
Таблица Е.3 - Требования к полевому тестированию
|
Характеристика |
Метод тестирования |
Требования |
|||
|
Рекомендовано ФИФА Две Звезды |
Рекомендовано ФИФА Одна Звезда |
||||
|
Вертикальный отскок мяча |
FIFA 01 |
60 см - |
60 см- |
||
|
Отскок мяча, падающего под углом |
FIFA 02 |
Сухое поле |
45 %-60 % |
Сухое поле |
45 %-70 % |
|
Мокрое поле |
45 %-80 % |
Мокрое поле |
45 %-80 % |
||
|
Движение мяча по поверхности |
FIFA 03 |
Первоначальная оценка |
4 м- |
|
|
|
Повторные тесты через 12 месяцев |
4 м- |
4 м- |
|||
|
Поглощение удара |
FIFA 04 |
60 %-70 % |
55 %-70 % |
||
|
Вертикальная деформация |
FIFA 05 |
4 мм - |
4 мм- |
||
|
Сопротивление кручению |
FIFA 06 |
30 Nm - 45 Nm |
25 Nm-50 Nm |
||
|
Линейное трение - показатель торможения шипов |
FIFA 07 |
3,0 g- |
3,0 g- |
||
|
Линейное трение - показатель скольжения шипов |
FIFA 08 |
130-210 |
120-220 |
||
|
Водонепроницаемость1 |
EN 12616 |
> 180 мм/ч |
> 180 мм/ч |
||
|
Внешняя регулярность игровой поверхности |
EN 13036 3m Проверочная линейка |
< |
< |
||
|
Наклон |
Маркшейдерский уровень |
≤ 2 % в любой плоскости |
≤ 2 % в любой плоскости |
||
|
1Только для открытых полей. Требуемая ФИФА степень соответствия данному требованию может также варьироваться для полей, находящихся в засушливых частях мира. Данное варьирование применяется на индивидуальной основе, и разрешение должно выдаваться со стороны ФИФА Маркетинг и ТВ на стадии проектирования поля. |
|||||
Таблица Е.4 - Идентификация и структура материала - первое тестирование на местности
|
Компонент |
Характеристика |
Метод тестирования |
Допустимая разница между декларацией производителя и установленными материалами |
|
Искусственный газон |
Масса на единицу площади |
ISO 8543 |
≤ ±10 % |
|
Пучки на единицу площади |
ISO 1763 |
≤ ±10 % |
|
|
Сила выдергивания пучков |
ISO 4919 |
≥ 90 % декларации производителя |
|
|
Длина ворса |
ISO 2549 |
≤ ±5 % |
|
|
Вес ворса |
ISO 8543 |
≤ ±10 % |
|
|
Волокно |
Характеристики волокна |
DSC |
Тот же полимер |
|
Активный наполнитель (если поставляется как часть системы) |
Размер гранул |
EN 933 - часть 1 |
≤ ±20% |
|
Форма гранул |
pr EN 14955 |
Та же форма |
|
|
Плотность заполнения |
EN 13041 |
≤ ±15% |
|
|
Стабилизирующий наполнитель (если поставляется как часть системы) |
Размер гранул |
EN 933 - часть 1 |
≤ ±20% |
|
Форма гранул |
pr EN 14955 |
Та же форма |
|
|
Стабилизирующий наполнитель (если поставляется как часть системы) |
Плотность заполнения |
EN 13041 |
≤ ±15% |
|
Прокладка, поглощающая удар/подложки (c-layers) (если поставляется как часть системы) |
Поглощение удара |
EN 14808 |
≤ +5 % уменьшения силы |
|
Толщина |
EN 1969 |
≥ 90 % декларации производителя |































Рисунок 5.6















Рисунок 5.22
































|
Ключевые слова: игровые плоскостные сооружения, поля для спортивных игр, футбольно-легкоатлетическое спортивное ядро, открытые плоскостные сооружения, доступные инвалидам, конструкции полотна площадок |
|
ГОСТЫ, СТРОИТЕЛЬНЫЕ и ТЕХНИЧЕСКИЕ НОРМАТИВЫ. Некоммерческая онлайн система, содержащая все Российские Госты, национальные Стандарты и нормативы. В Системе содержится более 150000 файлов нормативно-технической документации, действующей на территории РФ. Система предназначена для широкого круга инженерно-технических специалистов. Copyright © www.gostrf.com, 2008 - 2026 |