Крупнейшая бесплатная информационно-справочная система онлайн доступа к полному собранию технических нормативно-правовых актов РФ. Огромная база технических нормативов (более 150 тысяч документов) и полное собрание национальных стандартов, аутентичное официальной базе Госстандарта. GOSTRF.com - это более 1 Терабайта бесплатной технической информации для всех пользователей интернета. Все электронные копии представленных здесь документов могут распространяться без каких-либо ограничений. Поощряется распространение информации с этого сайта на любых других ресурсах. Каждый человек имеет право на неограниченный доступ к этим документам! Каждый человек имеет право на знание требований, изложенных в данных нормативно-правовых актах!

  


 

 

НОРМИРОВАНИЕ,
СТАНДАРТИЗАЦИЯ
И СЕРТИФИКАЦИЯ
В СТРОИТЕЛЬСТВЕ
 

 

 

 

 

 

 

 

 


 

1/2010

ИНФОРМАЦИОННЫЙ БЮЛЛЕТЕНЬ

 

 

 

 

 

ОТКРЫТОЕ АКЦИОНЕРНОЕ ОБЩЕСТВО
«ЦЕНТР   МЕТОДОЛОГИИ   НОРМИРОВАНИЯ   И   СТАНДАРТИЗАЦИИ  В  СТРОИТЕЛЬСТВЕ»

(ОАО «ЦНС»)

ИНФОРМАЦИОННЫЙ  ЦЕНТР  ПО  НОРМИРОВАНИЮ  И  СТАНДАРТИЗАЦИИ  В СТРОИТЕЛЬСТВЕ

 

 

 

НОРМАТИВНО-ТЕХНИЧЕСКАЯ БАЗА

СТРОИТЕЛЬСТВА

 

 

НОВЫЕ СТРОИТЕЛЬНЫЕ НОРМЫ И СТАНДАРТЫ

 

 

Нормативные документы Системы нормативных документов в строительстве

 

Шифр и название документа

Дата утверждения

Дата введения в действие

Примечание

 

КОМПЛЕКС 21

 

1.

ГОСТ 31251-2008 «Стены наружные с внешней стороны. Метод испытаний на пожарную опасность»

26.10.2009

Приказ

Ростехрегулирования

№ 483-ст

01.03.2010

Взамен ГОСТ 31251-2003.

Текст приказа приводится ниже.

 

КОМПЛЕКС 40

 

2.

ГОСТ Р 53630-2009 «Трубы напорные многослойные для систем водоснабжения и отопления. Общие технические условия»

15.12.2009

Приказ

Ростехрегулирования

№ 976-ст

01.06.2010

Введен впервые.

Текст приказа приводится ниже.

 

КОМПЛЕКС 41

 

3.

ГОСТ Р 53583-2009 «Приборы отопительные. Методы испытаний»

15.12.2009

Приказ

Ростехрегулирования

№ 893-ст

01.06.2010

Введен впервые.

Текст приказа приводится ниже.

 

КОМПЛЕКС 50

 

4.

ГОСТ Р 53582-2009 «Грунты. Метод определения сопротивления сдвигу оттаивающих грунтов»

15.12.2009

Приказ

Ростехрегулирования

№ 892-ст

01.06.2010

Введен впервые.

Текст приказа приводится ниже.

 

КОМПЛЕКС 52

 

5.

ГОСТ 31383-2008 «Защита бетонных и железобетонных конструкций от коррозии. Методы испытаний»

15.12.2009

Приказ

Ростехрегулирования

№ 891-ст

01.07.2010

Введен впервые.

Текст приказа приводится ниже.

 

6.

ГОСТ 31384-2008 «Защита бетонных и железобетонных конструкций от коррозии. Общие технические требования»

26.10.2009

Приказ

Ростехрегулирования

№ 482-ст

01.03.2010

Взамен ГОСТ СТ СЭВ 4420-83.

Текст приказа приводится ниже.

 

КОМПЛЕКС 53

 

7.

ГОСТ Р 53628-2009 «Опорные части металлические катковые для мостостроения. Технические условия»

15.12.2009

Приказ

Ростехрегулирования

№ 974-ст

01.07.2010

Введен впервые.

Текст приказа приводится ниже.

 

8.

ГОСТ Р 53629-2009 «Шпунт и шпунт-сваи из стальных холодногнутых профилей. Технические условия»

15.12.2009

Приказ

Ростехрегулирования

№ 975-ст

01.07.2010

Введен впервые.

Текст приказа приводится ниже.

 

9.

ГОСТ Р 53664-2009 «Болты высокопрочные цилиндрические и конические для мостостроения. Гайки и шайбы к ним. Технические условия»

15.12.2009

Приказ

Ростехрегулирования

№ 1029-ст

01.01.2011

Введен впервые.

Текст приказа приводится ниже.

 

КОМПЛЕКС 62

 

10.

ГОСТ 31376-2008 «Смеси сухие строительные на гипсовом вяжущем. Методы испытаний»

15.12.2009

Приказ

Ростехрегулирования

№ 1266-ст

01.07.2010

Введен впервые.

Текст приказа приводится ниже.

 

11.

ГОСТ 31377-2008 «Смеси сухие строительные штукатурные на гипсовом вяжущем. Технические условия»

15.12.2009

Приказ

Ростехрегулирования

№ 1267-ст

01.07.2010

Введен впервые.

Текст приказа приводится ниже.

 

КОМПЛЕКС 66

 

12.

ГОСТ Р 53627-2009 «Покрытие полимерное тонкослойное проезжей части мостов. Технические условия»

15.12.2009

Приказ

Ростехрегулирования

№ 973-ст

01.07.2010

Введен впервые.

Текст приказа приводится ниже.

 

 

 

Приказ Ростехрегулирования от 26.10.2009 г. № 483-ст

«О введении в действие межгосударственного стандарта»

 

 

В соответствии с протоколом от 22 мая 2008 г. N 33 заседания Межгосударственной научно-технической комиссии по стандартизации, техническому нормированию и сертификации в строительстве приказываю:

1. Ввести в действие с 1 марта 2010 г. для добровольного применения в Российской Федерации в качестве национального стандарта Российской Федерации ГОСТ 31251-2008 "Стены наружные с внешней стороны. Метод испытаний на пожарную опасность", который принят взамен ГОСТ 31251-2003.

2. Закрепить принятый стандарт за Управлением технического регулирования и стандартизации.

 

Руководитель Федерального агентства                          Г.И. Элькин

 

 

Приказ Ростехрегулирования от 15.12.2009 г. № 976-ст

«Об утверждении национального стандарта»

 

 

В соответствии с Федеральным законом от 27 декабря 2002 г. № 184-ФЗ «О техническом регулировании»
приказываю:

1. Утвердить для добровольного применения национальный стандарт Российской Федерации ГОСТ Р 53630-2009 «Трубы напорные многослойные для систем водоснабжения и отопления. Общие технические условия» с датой введения в действие 1 июня 2010 г.

Введен впервые.

2. Закрепить утвержденный стандарт за Управлением технического регулирования и стандартизации.

 

Руководитель Федерального агентства                          Г.И. Элькин

 

 

Приказ Ростехрегулирования от 15.12.2009 г. № 893-ст

«Об утверждении национального стандарта»

 

 

В соответствии с Федеральным законом от 27 декабря 2002 г. №184-ФЗ «О техническом регулировании»
приказываю:

1. Утвердить для добровольного применения национальный стандарт Российской Федерации ГОСТ Р 53583-2009 «Приборы отопительные. Методы испытаний» с датой введения в действие 1 июня 2010 г.

Введен впервые.

2. Закрепить утвержденный стандарт за Управлением технического регулирования и стандартизации.

 

Руководитель Федерального агентства                          Г.И. Элькин

 

 

Приказ Ростехрегулированияот 15.12.2009 г. № 892-ст

«Об утверждении национального стандарта»

 

 

В соответствии с Федеральным законом от 27 декабря 2002 г. №184-ФЗ «О техническом регулировании»
приказываю:

1. Утвердить для добровольного применения национальный стандарт Российской Федерации ГОСТ Р 53582-2009 «Грунты. Метод определения сопротивления сдвигу оттаивающих грунтов» с датой введения в действие 1 июня 2010 г.

Введен впервые.

2. Закрепить утвержденный стандарт за Управлением технического регулирования и стандартизации.

 

Руководитель Федерального агентства                          Г.И. Элькин

 

 

Приказ Ростехрегулирования от 15.12.2009 г. № 891-ст

«О введении в действие межгосударственного стандарта»

 

 

В соответствии с протоколом от 10 декабря 2008 г. № 34 заседания Межгосударственной научно-технической комиссии по стандартизации, техническому нормированию и сертификации в строительстве приказываю:

1. Ввести в действие с 1 июля 2010 г. для добровольного применения в Российской Федерации в качестве национального стандарта Российской Федерации ГОСТ 31383-2008 «Защита бетонных и железобетонных конструкций от коррозии. Методы испытаний».

Введен впервые.

2. Закрепить принятый стандарт за Управлением технического регулирования и стандартизации.

 

Руководитель Федерального агентства                          Г.И. Элькин

 

 

Приказ Ростехрегулирования от 26.10.2009 г. № 482-ст

«О введении в действие межгосударственного стандарта»

 

 

В соответствии с протоколом от 10 декабря 2008 г. N 34 заседания Межгосударственной научно-технической комиссии по стандартизации, техническому нормированию и сертификации в строительстве приказываю:

1. Ввести в действие с 1 марта 2010 г. для добровольного применения в Российской Федерации в качестве национального стандарта Российской Федерации ГОСТ 31384-2008 "Защита бетонных и железобетонных конструкций от коррозии. Общие технические требования", который принят взамен СТ СЭВ 4420-83 "Защита от коррозии в строительстве. Общие положения".

2. Закрепить принятый стандарт за Управлением технического регулирования и стандартизации.

 

Руководитель Федерального агентства                          Г.И. Элькин

 

 

Приказ Ростехрегулирования от 15.12.2009 г. № 974-ст

«Об утверждении национального стандарта»

 

 

В соответствии с Федеральным законом от 27 декабря 2002 г. № 184-ФЗ «О техническом регулировании»
приказываю:

1. Утвердить для добровольного применения национальный стандарт Российской Федерации ГОСТ Р 53628-2009 «Опорные части металлические катковые для мостостроения. Технические условия» с датой введения в действие 1 июля 2010 г.

Введен впервые.

2. Закрепить утвержденный стандарт за Управлением технического регулирования и стандартизации.

 

Руководитель Федерального агентства                          Г.И. Элькин

 

 

Приказ Ростехрегулирования от 15.12.2009 г. № 975-ст

«Об утверждении национального стандарта»

 

 

В соответствии с Федеральным законом от 27 декабря 2002 г. №184-ФЗ «О техническом регулировании»
приказываю:

1. Утвердить для добровольного применения национальный стандарт Российской Федерации ГОСТ Р 53629-2009 «Шпунт и шпунт-сваи из стальных холодногнутых профилей. Технические условия» с датой введения в действие 1 июля 2010 г.

Введен впервые.

2. Закрепить утвержденный стандарт за Управлением технического регулирования и стандартизации.

 

Руководитель Федерального агентства                          Г.И. Элькин

 

 

Приказ Ростехрегулирования от 15.12.2009 г. № 1029-ст

«Об утверждении национального стандарта»

 

 

В соответствии с Федеральным законом от 27 декабря 2002 г. №184-ФЗ «О техническом регулировании»
приказываю:

1. Утвердить для добровольного применения национальный стандарт Российской Федерации ГОСТ Р 53664-2009 «Болты высокопрочные цилиндрические и конические для мостостроения. Гайки и шайбы к ним. Технические условия» с датой введения в действие 1 января 2011г.

Введен впервые.

2. Закрепить утвержденный стандарт за Управлением технического регулирования и стандартизации.

 

Руководитель Федерального агентства                          Г.И. Элькин

 

 

Приказ Ростехрегулирования от 15.12.2009 г. № 1266-ст

«О введении в действие межгосударственного стандарта»

 

 

В соответствии с протоколом от 22 мая 2008 г. № 33 заседания Межгосударственной научно-технической комиссии по стандартизации, техническому нормированию и сертификации в строительстве приказываю:

1. Ввести в действие с 1 июля 2010 г. для добровольного применения в Российской Федерации в качестве национального стандарта Российской Федерации ГОСТ 31376-2008 «Смеси сухие строительные на гипсовом вяжущем. Методы испытаний».

Введен впервые.

2. Закрепить принятый стандарт за Управлением технического регулирования и стандартизации.

 

Руководитель Федерального агентства                          Г.И. Элькин

 

 

Приказ Ростехрегулирования от 15.12.2009 г. № 1267-ст

«О введении в действие межгосударственного стандарта»

 

 

В соответствии с протоколом от 22 мая 2008 г. № 33 заседания Межгосударственной научно-технической комиссии по стандартизации, техническому нормированию и сертификации в строительстве приказываю:

1. Ввести в действие с 1 июля 2010 г. для добровольного применения в Российской Федерации в качестве национального стандарта Российской Федерации ГОСТ 31377-2008 «Смеси сухие строительные штукатурные на гипсовом вяжущем. Технические условия».

Введен впервые.

2. Закрепить принятый стандарт за Управлением технического регулирования и стандартизации.

 

Руководитель Федерального агентства                          Г.И. Элькин

 

 

Приказ Ростехрегулирования от 15.12.2009 г. № 973-ст

«Об утверждении национального стандарта»

 

 

В соответствии с Федеральным законом от 27 декабря 2002 г. №184-ФЗ «О техническом регулировании»
приказываю:

1. Утвердить для добровольного применения национальный стандарт Российской Федерации ГОСТ Р 53627-2009 «Покрытие полимерное тонкослойное проезжей части мостов. Технические условия» с датой введения в действие 1 июля 2010 г.

Введен впервые.

2. Закрепить утвержденный стандарт за Управлением технического регулирования и стандартизации.

 

Руководитель Федерального агентства                          Г.И. Элькин

 

 

Федеральное агентство по техническому регулированию и метрологии

НАЦИОНАЛЬНЫЙ СТАНДАРТ
РОССИЙСКОЙ ФЕДЕРАЦИИ

ГОСТ Р

21.1101-2009

 

Система проектной документации для строительства
Основные требования к проектной и рабочей документации

System of design documents for construction
Main requirements for design and working documents
(
Окончательная редакция)

Предисловие

Цели и принципы стандартизации в Российской Федерации установлены Федеральным законом от 27 декабря 2002 г. № 184-ФЗ «О техническом регулировании», а правила применения национальных стандартов Российской Федерации - ГОСТ Р 1.0-2004 «Стандартизация в Российской Федерации. Основные положения»

Сведения о стандарте

1 РАЗРАБОТАН Открытым акционерным обществом «Центр методологии нормирования и стандартизации в строительстве» (ОАО «ЦНС») и Открытым акционерным обществом «ЛЕНМОРНИИПРОЕКТ» по проектированию, изысканиям и научным исследованиям в области морского транспорта (ОАО «ЛЕНМОРНИИПРОЕКТ»)

2 ВНЕСЕН Управлением технического регулирования и стандартизации Федерального агентства по техническому регулированию и метрологии

3 УТВЕРЖДЕН И ВВЕДЕН В ДЕЙСТВИЕ Приказом Федерального агентства по техническому регулированию и метрологии от 30 ноября 2009 г. № 525-СТ

4 В настоящем стандарте реализованы нормы Градостроительного кодекса Российской Федерации, введенного в действие Федеральным законом от 29.12.2004 № 190-ФЗ [1]

5 ВЗАМЕН ГОСТ 21.101-97

Дата введения - 2010-03-01

1 Область применения

Настоящий стандарт устанавливает основные требования к проектной документации объектов капитального строительства и рабочей документации всех видов объектов строительства.

Примечание - В настоящем стандарте понятие «строительство» включает в себя новое строительство, реконструкцию, расширение, техническое перевооружение и капитальный ремонт объектов капитального строительства.

Общие правила выполнения и комплектования графической и текстовой документации, установленные в подразделе 4.1 и в разделах 5 и 8, распространяются также на отчетную техническую документацию по инженерным изысканиям для строительства.

2 Нормативные ссылки

В настоящем стандарте использованы ссылки на следующие стандарты:

ГОСТ Р 6.30-2003 Унифицированные системы документации. Унифицированная система организационно-распорядительной документации. Требования к оформлению документов

ГОСТ Р 21.1001-2009 Система проектной документации для строительства. Общие положения

ГОСТ Р 21.1002-2008 Система проектной документации для строительства. Нормоконтроль проектной и рабочей документации

ГОСТ Р 21.1003-2009 Система проектной документации для строительства. Учет и хранение проектной документации

ГОСТ Р 21.1703-2000 Система проектной документации для строительства. Правила выполнения рабочей документации проводных средств связи

ГОСТ Р 21.1709-2001 Система проектной документации для строительства. Правила выполнения рабочей документации линейных сооружений гидромелиоративных систем

ГОСТ 2.004-88 Единая система конструкторской документации. Общие требования к выполнению конструкторских и технологических документов на печатающих и графических устройствах вывода ЭВМ

ГОСТ 2.051-2006 Единая система конструкторской документации. Электронные документы. Общие положения

ГОСТ 2.101-68 Единая система конструкторской документации. Виды изделий

ГОСТ 2.102-68 Единая система конструкторской документации. Виды и комплектность конструкторских документов

ГОСТ 2.105-95 Единая система конструкторской документации. Общие требования к текстовым документам

ГОСТ 2.106-96 Единая система конструкторской документации. Текстовые документы

ГОСТ 2.109-73 Единая система конструкторской документации. Основные требования к чертежам

ГОСТ 2.113-75 Единая система конструкторской документации. Групповые и базовые конструкторские документы

ГОСТ 2.114-95 Единая система конструкторской документации. Технические условия

ГОСТ 2.301-68 Единая система конструкторской документации. Форматы

ГОСТ 2.302-68 Единая система конструкторской документации. Масштабы

ГОСТ 2.303-68 Единая система конструкторской документации. Линии

ГОСТ 2.304-81 Единая система конструкторской документации. Шрифты чертежные

ГОСТ 2.305-2008 Единая система конструкторской документации. Изображения - виды, разрезы, сечения

ГОСТ 2.306-68 Единая система конструкторской документации. Обозначения графические материалов и правила их нанесения на чертежах

ГОСТ 2.307-68 Единая система конструкторской документации. Нанесение размеров и предельных отклонений

ГОСТ 2.308-79 Единая система конструкторской документации. Указание на чертежах допусков форм и расположения поверхностей

ГОСТ 2.309-73 Единая система конструкторской документации. Обозначение шероховатости поверхностей

ГОСТ 2.310-68 Единая система конструкторской документации. Нанесение на чертежах обозначений покрытий, термической и других видов обработки

ГОСТ 2.311-68 Единая система конструкторской документации. Изображение резьбы

ГОСТ 2.312-72 Единая система конструкторской документации. Условные изображения и обозначения швов сварных соединений

ГОСТ 2.313-82 Единая система конструкторской документации. Условные изображения и обозначения неразъемных соединений

ГОСТ 2.314-68 Единая система конструкторской документации. Указания на чертежах о маркировании и клеймении изделий

ГОСТ 2.315-68 Единая система конструкторской документации. Изображения упрощенные и условные крепежных деталей

ГОСТ 2.316-2008 Единая система конструкторской документации. Правила нанесения надпи­сей, технических требований и таблиц на графических документах. Общие положения

ГОСТ 2.317-69 Единая система конструкторской документации. Аксонометрические проекции

ГОСТ 2.501-88 Единая система проектной документации для строительства. Правила учета и хранения

ГОСТ 21.110-95 Система проектной документации для строительства. Правила выполнения спецификации оборудования, изделий и материалов

ГОСТ 21.113-88 Система проектной документации для строительства. Обозначения характеристик точности

ГОСТ 21.114-95 Система проектной документации для строительства. Правила выполнения эскизных чертежей общих видов нетиповых изделий

ГОСТ 21.302-96 Система проектной документации для строительства. Условные графические обозначения в документации по инженерно-геологическим изысканиям

ГОСТ 21.408-93 Система проектной документации для строительства. Правила выполнения рабочей документации автоматизации технологических процессов

ГОСТ 21.501-93 Система проектной документации для строительства. Правила выполнения архитектурно-строительных рабочих чертежей

Примечание - При пользовании настоящим стандартом целесообразно проверить действие ссылочных стандартов в информационной системе общего пользования - на официальном сайте Федерального агентства по техническому регулированию и метрологии в сети Интернет или по ежегодно издаваемому информационному указателю «Национальные стандарты», который опубликован по состоянию на 1 января текущего года, и по соответствующим ежемесячно издаваемым информационным указателям, опубликованным в текущем году. Если ссылочный стандарт заменен (изменен), то при пользовании настоящим стандартом следует руководствоваться заменяющим (измененным) стандартом. Если ссылочный стандарт отменен без замены, то положение, в котором дана ссылка на него, применяется в части, не затрагивающей эту ссылку.

3 Термины и определения

В настоящем стандарте применены термины по ГОСТ Р 21.1001, ГОСТ Р 21.1002, а также следующие термины с соответствующими определениями:

3.1 основная надпись: Совокупность сведений о проектном документе, содержащихся в графах таблицы установленной формы, помещаемой на листах проектной и рабочей документации.

3.2 марка: Буквенный или буквенно-цифровой индекс, входящий в обозначение рабочей документации и определяющий ее отношение к определенному виду строительно-монтажных работ, или обозначающий основные отличительные особенности строительных конструкций и их элементов.

3.3

спецификация оборудования, изделий и материалов: Текстовый проектный документ, определяющий состав оборудования, изделий и материалов, предназначенный для комплектования, подготовки и осуществления строительства.

[ГОСТ 21.110-95, раздел 3]

3.4

эскизный чертеж общего вида нетипового изделия: Документ, определяющий исходную конструкцию нетипового изделия, содержащий упрощенное изображение, основные параметры и технические требования к изделию в объеме исходных данных (задания), необходимых для разработки конструкторской документации.

[ГОСТ 21.114-95, статья 3.1]

3.5

нетиповое изделие (конструкция, устройство, монтажный блок): Изделие, впервые разработанное и изготовленное, как правило, на месте монтажа (в заготовительной мастерской монтажной организации) технологических, энергетических, санитарно-технических и других систем.

[ГОСТ 21.114-95, статья 3.3]

3.6 полный комплект рабочей документации: Совокупность основных комплектов рабочих чертежей по видам строительных и монтажных работ, дополненных прилагаемыми и ссылочными документами и необходимых для строительства здания или сооружения.

3.7 строительная конструкция: Часть здания или сооружения, выполняющая определенные несущие, ограждающие и (или) эстетические функции.

3.8 строительное изделие: Изделие (как правило, промышленного производства), предназначенное для применения в качестве элемента строительных конструкций, зданий и сооружений.

3.9 элемент строительной конструкции: Составная часть сборной или монолитной конструкции.

3.10

координационная ось: Одна из координационных линий, определяющих членение здания или сооружения на модульные шаги и высоты этажей.

[ГОСТ 28984-91, приложение, статья 13]

4 Общие требования к составу и комплектованию проектной и рабочей документации

4.1 Проектная документация

4.1.1 Состав разделов проектной документации объектов капитального строительства и требования к их содержанию установлены [1], утвержденным Правительством Российской Федерации положением [2] и другими нормативно-правовыми актами.

Проектную документацию комплектуют в тома, как правило, по отдельным разделам, установленным [2]. Наименования и шифры разделов проектной документации приведены в таблицах А.1 и А.2 (приложение А).

При большом объеме раздела допускается разделять его на части, а части, в случае необходи­мости, на книги. Каждую часть и книгу комплектуют отдельно. Всем частям и книгам дают наименования, отражающие содержание частей или книг, и присваивают порядковые номера в пределах, соответственно, раздела или части.

Примечание - Отдельные разделы вместо частей делят на подразделы, установленные [2].

4.1.2 Каждому разделу, части (подразделу) и книге, скомплектованным в том (далее - том), а также каждому текстовому и графическому документу, включенному в том, присваивают самостоятельное обозначение, которое указывают на обложке, титульном листе и/или в основной надписи.

4.1.3 В состав обозначения раздела включают базовое обозначение, устанавливаемое по действующей в проектной организации системе, и, через дефис, - шифр раздела проектной документации. В базовое обозначение включают, например, номер договора (контракта) или/и цифровой код объекта строительства.

Если раздел делят на части, то обозначение части составляют из обозначения раздела, к которому добавляют номер части.

Если часть делят на книги, то обозначение книги составляют из обозначения части, к которому через точку добавляют номер книги.

Примеры

1  2345-ПЗ - Раздел 1 «Пояснительная записка»

2  2345-ПЗУ1 - Раздел 2 «Схема планировочной организации земельного участка». Часть 1. Общие сведения

3  2345-ПЗУ2 - Раздел 2 «Схема планировочной организации земельного участка». Часть 2. Решения по внутреннему железнодорожному транспорту

4  2345-ИОС1 - Раздел 5 «Сведения об инженерном оборудовании, о сетях инженерно-технического обеспечения, перечень инженерно-технических мероприятий, содержание технологических решений». Подраздел 1. Система электроснабжения

Систему обозначения текстовых и графических документов, входящих в состав тома, проектная организация устанавливает самостоятельно.

Примечание - Правила по 4.1.3, 4.2.4 могут быть изменены в соответствии со спецификой проектной организации.

4.1.4 Текстовые и графические материалы, включаемые в том, комплектуют, как правило, в следующем порядке:

- обложка;

- титульный лист;

- содержание тома;

- состав проектной документации;

- текстовая часть;

- графическая часть (основные чертежи и схемы).

Правила оформления обложки, титульного листа, содержания тома и состава проектной документации приведены в разделе 8.

4.1.5 Количество листов, включаемых в том, определяют из необходимости обеспечения удобства работы, но не более 300 листов формата А4 по ГОСТ 2.301 или эквивалентного количества листов других форматов.

4.1.6 Общие требования к выполнению графической документации приведены в разделе 5.

4.1.7 Текстовые части разделов проектной документации и другие текстовые документы выполняют по ГОСТ 2.105 с учетом требований [2] и 5.1, 5.2 настоящего стандарта.

4.1.8 Разрешается выполнять текстовые части разделов проектной документации без основных надписей, дополнительных граф к ним и рамок. В этом случае в текстовой части:

- на первом листе приводят список исполнителей, в котором в порядке, установленном для титульного листа, указывают должности, инициалы и фамилии лиц, принимавших участие в разработке, контроле и согласовании текстовой части, и предусматривают места для подписей и дат подписания. На втором и, при необходимости, на последующих листах помещают содержание (оглавление), включающее в себя номера (обозначения) и наименования разделов, подразделов и приложений, с указанием номеров листов (страниц);

- в верхней части (верхнем колонтитуле) каждого листа указывают обозначение документа: в левом углу (при односторонней печати) или правом углу четных страниц и левом углу нечетных страниц (при двухсторонней печати);

- в нижней части (нижнем колонтитуле) каждого листа указывают: логотип и наименование организации, подготовившей документ, наименование документа, наименование файла, номер листа (страницы) документа (в нижнем правом углу - при односторонней печати, или в левом углу четных страниц и правом углу нечетных страниц - при двухсторонней печати), а также, при необходимости, номер версии документа и другие сведения. Допускается логотип и наименование организации приводить в верхнем колонтитуле;

- данные об изменениях указывают в соответствии с 7.2.

4.1.9 Расчеты конструктивных и технологических решений, являющиеся обязательным элементом подготовки проектной документации, в состав проектной документации не включают. Их оформляют в соответствии с требованиями к текстовым документам и хранят в архиве проектной организации. Расчеты представляют заказчику или органам государственной экспертизы по их требованию.

4.2 Рабочая документация

4.2.1 В состав рабочей документации, передаваемой заказчику, включают:

- рабочие чертежи, предназначенные для производства строительных и монтажных работ, которые объединяют в комплекты (далее - основные комплекты рабочих чертежей) по маркам в соответствии с таблицей Б.1 (приложение Б);

- прилагаемые документы, разработанные в дополнение к рабочим чертежам основного комплекта.

4.2.2 В состав основных комплектов рабочих чертежей включают общие данные по рабочим чертежам, чертежи и схемы, предусмотренные соответствующими стандартами Системы проектной документации для строительства (далее - СПДС).

4.2.3 Основной комплект рабочих чертежей любой марки может быть разделен на несколько основных комплектов той же марки (с добавлением к ней порядкового номера) в соответствии с процессом организации строительных и монтажных работ.

Пример - АР1; АР2; КЖ1; КЖ2

4.2.4 Каждому основному комплекту рабочих чертежей присваивают обозначение, в состав которого включают базовое обозначение, устанавливаемое по действующей в организации системе, и, через дефис, - марку основного комплекта.

Пример - 2345-12-АР,

где 2345-12 - базовое обозначение. В базовое обозначение включают, например, номер договора (контракта) или/и цифровой код объекта строительства, а также номер здания или сооружения по генеральному плану *;

АР - марка основного комплекта рабочих чертежей.

4.2.5 Допускается оформление основных комплектов рабочих чертежей электротехнических марок (ЭО, ЭН, ЭМ, ЭС и др.) и основного комплекта рабочих чертежей автоматизации отдельными документами с присвоением им обозначения, состоящего из базового обозначения, марки основного комплекта с добавлением через точку порядкового номера документа арабскими цифрами.

Пример - 2345-12-ЭО.1;  2345-12-ЭО.2,

где 2345-12 - базовое обозначение;

ЭО - марка основного комплекта рабочих чертежей;

1, 2 - порядковые номера документов основного комплекта рабочих чертежей.

Первым документом при таком оформлении основного комплекта рабочих чертежей являются общие данные по рабочим чертежам.

4.2.6 К прилагаемым документам относят:

- рабочую документацию на строительные изделия;

- эскизные чертежи общих видов нетиповых изделий, выполняемые в соответствии с ГОСТ 21.114;

- спецификацию оборудования, изделий и материалов, выполняемую в соответствии с ГОСТ 21.110;

- опросные листы и габаритные чертежи, выполняемые в соответствии с данными заводов - изготовителей оборудования;

- локальную смету по формам, установленным в методике [3];

- другие документы, предусмотренные соответствующими стандартами СПДС.

Конкретный состав прилагаемых документов и необходимость их выполнения устанавливаются соответствующими стандартами СПДС и заданием на проектирование.

Прилагаемые документы проектная организация передает заказчику одновременно с основным комплектом рабочих чертежей в количестве, установленным для рабочих чертежей.

4.2.7 Каждому прилагаемому документу присваивают обозначение основного комплекта с добавлением через точку шифра прилагаемого документа в соответствии с таблицей В.1 (приложение В).

Пример - 2345-12-ЭО.С,

где 2345-12-ЭО - обозначение основного комплекта рабочих чертежей;

С - шифр спецификации оборудования, изделий и материалов.

4.2.8 В рабочих чертежах допускается применять типовые строительные конструкции, изделия и узлы путем ссылок на документы, содержащие рабочие чертежи этих конструкций и изделий. К ссылочным документам относят:

- чертежи типовых конструкций, изделий и узлов;

- стандарты, в состав которых включены чертежи, предназначенные для изготовления изделий.

Ссылочные документы в состав рабочей документации, передаваемой заказчику, не входят. Проектная организация, при необходимости, передает их заказчику по отдельному договору.

_____________________

* Для рабочих чертежей линейных сооружений, генерального плана, наружных коммуникаций эту часть базового обозначения исключают или заменяют нулями.

4.3 Общие данные по рабочим чертежам

4.3.1 На первых листах каждого основного комплекта рабочих чертежей приводят общие данные по рабочим чертежам, в которые включают:

- ведомость рабочих чертежей основного комплекта, выполняемую по форме 1;

- ведомость ссылочных и прилагаемых документов, выполняемую по форме 2;

- ведомость основных комплектов рабочих чертежей, выполняемую по форме 2;

- ведомость спецификаций (при наличии в основном комплекте нескольких схем расположения), выполняемую по форме 1;

- условные обозначения, не установленные национальными стандартами и значения которых не указаны на других листах основного комплекта рабочих чертежей;

- общие указания;

- другие данные, предусмотренные соответствующими стандартами СПДС.

Формы 1 и 2 с указаниями по их заполнению приведены в приложении Г.

4.3.2 Ведомость рабочих чертежей основного комплекта содержит последовательный перечень листов основного комплекта.

При оформлении основного комплекта рабочих чертежей отдельными документами (см. 4.2.5) вместо ведомости рабочих чертежей основного комплекта в состав общих данных включают ведомость документов основного комплекта по форме 2, а в каждом из последующих документов основного комплекта приводят ссылки на общие данные по рабочим чертежам.

4.3.3 Ведомость ссылочных и прилагаемых документов составляют по разделам:

- ссылочные документы;

- прилагаемые документы.

В разделе «Ссылочные документы» указывают документы согласно 4.2.8. При этом в соответствующих графах ведомости указывают обозначение и наименование серии, и номер выпуска чертежей типовых конструкций, изделий и узлов или обозначение и наименование стандарта.

В разделе «Прилагаемые документы» указывают документы согласно 4.2.6.

4.3.4 Ведомость основных комплектов рабочих чертежей приводят на листах общих данных одного из основных комплектов рабочих чертежей здания или сооружения (по усмотрению главного инженера проекта). Ведомость содержит последовательный перечень основных комплектов рабочих чертежей, входящих в состав полного комплекта рабочей документации по зданию или сооружению.

При наличии нескольких основных комплектов рабочих чертежей одной марки (см. 4.2.3) составляют ведомость комплектов этой марки по форме 2 приложения Г, которую приводят на листах общих данных для каждого из этих комплектов.

4.3.5 В общих указаниях приводят:

- реквизиты документов, на основании которых принято решение о разработке рабочей документации (например, задания на проектирование, утвержденной проектной документации);

- запись о соответствии рабочей документации заданию на проектирование, выданным техническим условиям, требованиям действующих технических регламентов, стандартов, сводов правил, других документов, содержащих установленные требования;

- перечень технических регламентов и нормативных документов (стандартов, сводов правил и т.п.), в соответствии с требованиями которых разработана рабочая документация;

- абсолютную отметку, принятую в рабочих чертежах здания или сооружения условно за нулевую (как правило, приводят на архитектурно-строительных чертежах);

- запись о результатах проверки на патентоспособность и патентную чистоту впервые применяемых в проектной документации технологических процессов, оборудования, конструкций, изделий и материалов, а также номера патентов и заявок, по которым приняты решения о выдаче патентов на используемые в рабочей документации изобретения;

- перечень видов работ, которые оказывают влияние на безопасность здания или сооружения и для которых необходимо составлять акты освидетельствования скрытых работ, ответственных конструкций и участков сетей инженерно-технического обеспечения;

- сведения о том, кому принадлежит данная интеллектуальная собственность (при необходимости);

- эксплуатационные требования, предъявляемые к проектируемому зданию или сооружению (при необходимости);

- другие необходимые указания.

В общих указаниях не следует повторять технические требования, помещенные на других листах основного комплекта рабочих чертежей, и давать описание принятых в рабочих чертежах технических решений.

5 Общие правила выполнения документации

5.1 Общие положения

5.1.1 При выполнении проектной, рабочей документации, а также отчетной технической документации по инженерным изысканиям для строительства следует руководствоваться положениями соответствующих стандартов СПДС, а также стандартов Единой системы конструкторской документации (далее - ЕСКД).

Перечень стандартов ЕСКД, подлежащих учету при выполнении графической и текстовой документации для строительства, приведен в таблице Д.1 (приложение Д).

5.1.2 Документацию, как правило, выполняют автоматизированным способом на бумажном носителе и/или в виде электронного документа.

При выполнении документации в виде электронных документов (ДЭ) и передаче документации на электронных носителях должны соблюдаться требования ГОСТ 2.051. Взаимное соответствие между документами в электронной и бумажной формах обеспечивает разработчик.

5.1.3 При выполнении документации применяют шрифты, используемые средствами вычислительной техники, при обеспечении условий доступности этих шрифтов пользователям документов. При оформлении текстовых частей разделов проектной документации и других документов, содержащих в основном сплошной текст, рекомендуется использовать гарнитуру шрифта Arial или Times New Roman.

5.1.4 При подготовке документации должна быть обеспечена возможность изготовления копий документации надлежащего качества способами репрографии.

5.1.5 Чертежи выполняют в оптимальных масштабах по ГОСТ 2.302 с учетом их сложности и насыщенности информацией.

Масштабы на чертежах не указывают, за исключением чертежей изделий и других случаев, предусмотренных в соответствующих стандартах СПДС.

5.1.6 Содержательная и реквизитная части ДЭ должны соответствовать требованиям стандартов СПДС и ЕСКД.

5.1.7 Структура и состав реквизитов ДЭ должны обеспечивать его обращение в рамках программных средств (отображение, внесение изменений, печать, учет и хранение в базах данных, а также передачу в другие автоматизированные системы) с соблюдением при этом нормативных требований по оформлению документов.

5.1.8 Перечень сокращений слов, допускаемых в основных надписях, технических требованиях, таблицах, чертежах и спецификациях, составлен в дополнение к ГОСТ 2.316 и приведен в таблице Е.1 (приложение Е).

5.2 Основные надписи

5.2.1 Каждый лист графического и текстового документа, как правило, оформляют основной надписью и дополнительными графами к ней. Формы основных надписей и указания по их заполнению приведены в приложении Ж.

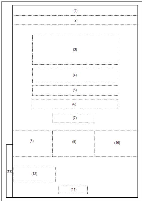
Основную надпись располагают в правом нижнем углу листа.

На листах формата А4 по ГОСТ 2.301 основную надпись располагают вдоль короткой стороны листа.

5.2.2 Содержание, расположение и размеры граф основной надписи, дополнительных граф к ней, а также размеры рамок должны соответствовать:

- на листах основных комплектов рабочих чертежей и листах графической части проектной документации - форме 3;

- на первом листе чертежей строительных изделий - форме 4;

- на первых листах текстовых документов и эскизных чертежей общих видов нетиповых изделий, оформляемых в виде выпуска, - форме 5;

- на последующих листах чертежей строительных изделий, текстовых документов и эскизных чертежей общих видов - форме 6.

Допускается на первом листе чертежа строительного изделия применять основную надпись по форме 5.

Если некоторые документы (спецификацию оборудования, изделий и материалов, эскизные чертежи общих видов нетиповых изделий) выпускают без титульного листа, то в этом случае первый лист документа оформляют основной надписью по форме 3, последующие - по форме 6.

5.2.3 В отчетной технической документации по результатам инженерных изысканий применяют основную надпись:

- на листах графических документов, используемых в проектировании в качестве подосновы, - по форме 3;

- на первых листах других графических и текстовых документов - по форме 5, на последующих листах - по форме 6.

5.2.4 Основную надпись, дополнительные графы к ней и рамки выполняют сплошными толстыми основными и сплошными тонкими линиями по ГОСТ 2.303.

5.2.5 Таблицу изменений в основной надписи (графы 14-19) при необходимости допускается продолжать вверх или влево от основной надписи. При расположении таблицы изменений слева от основной надписи наименования граф 14-19 повторяют.

5.2.6 Расположение основной надписи и дополнительных граф к ней, а также размерных рамок на листах приведены на рисунке И.1 (приложение И).

5.2.7 Расположение и размеры дополнительных граф для идентификации ДЭ проектная организация устанавливает самостоятельно.

5.3 Координационные оси

5.3.1 На изображении каждого здания или сооружения указывают координационные оси, которым присваивают самостоятельную систему обозначений.

Координационные оси наносят на изображения здания, сооружения тонкими штрихпунктирными линиями с длинными штрихами, обозначают арабскими цифрами и прописными буквами русского алфавита (за исключением букв: Ё, З, Й, О, Х, Ц, Ч, Щ, Ъ, Ы, Ь) в кружках диаметром 6-12 мм.

Пропуски в цифровых и буквенных (кроме указанных) обозначениях координационных осей не допускаются.

5.3.2 Цифрами обозначают координационные оси по стороне здания и сооружения с большим количеством осей. Если для обозначения координационных осей не хватает букв алфавита, последующие оси обозначают двумя буквами.

Пример - АА, ББ, ВВ

5.3.3 Последовательность цифровых и буквенных обозначений координационных осей принимают по плану слева направо и снизу вверх в соответствии с рисунком 1а или как показано на рисунках 1б и 1в.

5.3.4 Обозначение координационных осей, как правило, наносят по левой и нижней сторонам плана здания и сооружения.

При несовпадении координационных осей противоположных сторон плана, в местах расхождения дополнительно наносят обозначения указанных осей по верхней и/или правой сторонам.

5.3.5 Для отдельных элементов, расположенных между координационными осями основных несущих конструкций, наносят дополнительные оси, которым присваивают обозначение в виде дроби, в числителе которой указывают обозначение предшествующей координационной оси, а в знаменателе - дополнительный порядковый номер в пределах участка между смежными координационными осями в соответствии с рисунком 1г.

 

Рисунок 1

Допускается координационным осям фахверковых колонн присваивать цифровые и буквенные обозначения в продолжение обозначений осей основных колонн без дополнительного номера.

5.3.6 На изображении повторяющегося элемента, привязанного к нескольким координационным осям, координационные оси обозначают в соответствии с рисунком:

2а - при их количестве не более 3;

2б - при их количестве более 3;

2в - при всех буквенных и цифровых координационных осях.

При необходимости ориентацию координационной оси, к которой привязан элемент, по отношению к соседней оси указывают в соответствии с рисунком 2г.

5.3.7 Для обозначения координационных осей блок-секций жилых зданий применяют индекс «с».

Пример - 1с, 2с, Ас, Бс

На планах жилых зданий, скомпонованных из блок-секций, обозначения крайних координационных осей блок-секций указывают без индекса в соответствии с рисунком 3.

 

Рисунок 2

Рисунок 3

5.4 Нанесение размеров, уклонов, отметок и  надписей

5.4.1 Линейные размеры на чертежах указывают без обозначения единиц длины:

- в метрах с точностью до двух знаков после запятой - на чертежах наружных сетей и коммуникаций, генерального плана и транспорта, за исключением случаев, оговоренных в соответствующих стандартах СПДС;

- в миллиметрах - на всех остальных видах чертежей.

5.4.2 Размерную линию на ее пересечении с выносными линиями, линиями контура или осевыми линиями ограничивают засечками длиной 2-4 мм, наносимыми с наклоном вправо под углом 45° к размерной линии, при этом размерные линии должны выступать за крайние выносные линии на 2-5 мм.

5.4.3 Отметки уровней (высоты, глубины) элементов конструкций, оборудования, трубопроводов, воздуховодов и др. от уровня отсчета (условной «нулевой» отметки) указывают в метрах без обозначения единицы длины с тремя десятичными знаками, отделенными от целого числа запятой, за исключением случаев, оговоренных в соответствующих стандартах СПДС.

Отметки уровней на фасадах, разрезах и сечениях помещают на выносных линиях (или на линиях контура) и обозначают знаком «», выполненным сплошными тонкими линиями с длиной штрихов 2-4 мм под углом 45° к выносной линии или линии контура, в соответствии с рисунком 4; на планах - в прямоугольнике в соответствии с рисунком 5, за исключением случаев, оговоренных в соответствующих стандартах СПДС.

«Нулевую» отметку, принимаемую, как правило, для поверхности какого-либо элемента конструкций здания или сооружения, расположенного вблизи планировочной поверхности земли, указывают без знака; отметки выше нулевой - со знаком «+», ниже нулевой - со знаком «-».

5.4.4 На планах направление уклона плоскостей указывают стрелкой, над которой при необходимости проставляют числовое значение уклона в процентах в соответствии с рисунком 6 или в виде отношения единицы высоты плоскости к соответствующей горизонтальной проекции (например, 1:7).

Допускается при необходимости числовое значение уклона указывать в промилле, в виде десятичной дроби с точностью до третьего знака. На разрезах, сечениях и схемах перед размерным числом, определяющим величину уклона, наносят знак «», острый угол которого должен быть направлен в сторону уклона (кроме крутизны откосов насыпей и выемок).

Обозначение уклона наносят непосредственно над линией контура или на полке линии-выноски.

 

Рисунок 4

Рисунок 5

Рисунок 6

 

5.4.5 Выносные надписи к многослойным конструкциям следует выполнять в соответствии с рисунком 7.

5.4.6 Номера позиций или марки элементов наносят на полках линий-выносок, проводимых от изображений элементов конструкций зданий или сооружений, рядом с изображением - без линии-выноски или в пределах контуров изображенных элементов в соответствии с рисунком 8.

 

 

Рисунок 8

Примечание - Цифрами условно обозначена последовательность расположения слоев конструкций и надписей на полках линий-выносок.

Рисунок 7

 

Линию-выноску, как правило, заканчивают точкой. Если линия-выноска отводится от линии, обозначающей поверхность, то ее заканчивают стрелкой (см. рисунок 7). При мелкомасштабном изображении линии-выноски заканчивают без стрелки и точки.

5.4.7 Размер шрифта для обозначения координационных осей, позиций (марок), наименований и обозначений изображений должен быть на один-два номера больше размера шрифта, принятого для размерных чисел на том же чертеже.

5.5 Изображения (разрезы, сечения, виды, выносные элементы)

5.5.1 В строительных чертежах применяют, как правило, следующие названия видов и разрезов:

- «фасад» - для главного вида здания или сооружения, а также видов справа, слева и сзади;

- «план» - для горизонтальных разрезов здания или сооружения, а также вида сверху;

- «разрез» - для вертикальных разрезов здания или сооружения.

5.5.2 Разрезы здания или сооружения обозначают арабскими цифрами последовательно в пределах основного комплекта рабочих чертежей. Сечения обозначают аналогичным образом.

Допускается самостоятельная нумерация для разрезов и сечений отдельных участков здания, сооружения или установок, все чертежи которых размещены на одном листе или группе листов и если на этих чертежах отсутствуют ссылки на разрезы и сечения, расположенные на других листах основного комплекта рабочих чертежей.

Допускается обозначать разрезы прописными буквами русского алфавита, а сечения - прописными или строчными буквами русского алфавита.

Положение секущей плоскости указывают на чертеже линией сечения (разомкнутой линией по ГОСТ 2.303). При сложном разрезе штрихи проводят также у мест пересечения секущих плоскостей между собой. На начальном и конечном штрихах следует ставить стрелки, указывающие направление взгляда; стрелки должны наноситься на расстоянии 2-3 мм от конца штриха (см. рисунок 9).

Направление взгляда для разреза по плану здания и сооружения принимают, как правило, снизу вверх и справа налево.

5.5.3 Если отдельные части вида (фасада), плана, разреза требуют более детального изображения, то дополнительно выполняют местные виды и выносные элементы - узлы и фрагменты.

5.5.4 На изображении (плане, фасаде или разрезе), откуда выносится узел, соответствующее место отмечают замкнутой сплошной тонкой линией (окружностью, овалом или прямоугольником со скругленными углами) с нанесением на полке линии-выноски обозначения узла арабской цифрой в соответствии с рисунками 10а, 10б или прописной буквой русского алфавита в соответствии с рисунком 10в.

При необходимости ссылки на узел, помещенный в другом основном комплекте рабочих чертежей, или на рабочие чертежи типового строительного узла указывают обозначение и номер листа соответствующего основного комплекта рабочих чертежей в соответствии с рисунком 10б или серию рабочих чертежей типовых узлов и номер выпуска в соответствии с рисунком 10в.

Рисунок 9

Рисунок 10

 

При необходимости ссылку на узел в сечении выполняют в соответствии с рисунком 11.

Над изображением узла указывают в кружке его обозначение в соответствии с рисунками 12а или 12б.

 

Рисунок 11

Рисунок 12

 

Узлу, являющемуся полным зеркальным отражением другого (основного) исполнения, присваивают то же обозначение, что и основному исполнению, с добавлением индекса «н».

5.5.5 Местные виды обозначают прописными буквами русского алфавита, которые наносят рядом со стрелкой, указывающей направление взгляда. Эти же обозначения наносят над изображениями видов.

5.5.6 Для каждого вида изображений (разрезов и сечений, узлов, фрагментов) применяют самостоятельный порядок нумерации или буквенных обозначений.

5.5.7 Фрагменты планов, разрезов, фасадов, как правило, отмечают фигурной скобкой в соответствии с рисунком 13.

Под фигурной скобкой, а также над соответствующим фрагментом наносят наименование и порядковый номер фрагмента.

Допускается ссылку на фрагмент помещать на полке линии-выноски

5.5.8 Изображения до оси симметрии симметричных планов и фасадов зданий и сооружений, схем расположения элементов конструкций, планов расположения технологического, энергетического, санитарно-технического и другого оборудования не допускаются.

5.5.9 Если изображение разреза, сечения, узла, вида или фрагмента помещено на другом листе, то после обозначения изображения указывают в скобках номер этого листа в соответствии с рисунками 9, 10а, 11 и 13.

5.5.10 Изображения допускается поворачивать. При этом в наименованиях изображений на чертежах не приводят условное графическое обозначение «повернуто»  по ГОСТ 2.305, если положение изображения определено однозначно, т.е. ориентировано координационными осями и/или высотными отметками.

Рисунок 13

5.5.11 Если изображение (например, план) не помещается на листе принятого формата, то его делят на несколько участков, размещая их на отдельных листах.

В этом случае на каждом листе, где показан участок изображения, приводят схему целого изображения с необходимыми координационными осями и условным обозначением (штриховкой) показанного на данном листе участка изображения в соответствии с рисунком 14.

 

Примечание - Если чертежи участков изображения помещены в разных основных комплектах рабочих чертежей, то над номером листа указывают полное обозначение соответствующего основного комплекта.

Рисунок 14

5.5.12 Если планы этажей многоэтажного здания имеют небольшие отличия друг от друга, то полностью выполняют план одного из этажей, для других этажей выполняют только те части плана, которые необходимы для показа отличия от плана, изображенного полностью.

Под наименованием частично изображенного плана приводят запись: «Остальное см. план (наименование полностью изображенного плана)».

5.5.13 В наименованиях планов здания или сооружения указывают слово «План» и отметку чистого пола или номер этажа, или обозначение соответствующей секущей плоскости.

Примеры

1  План на отм. 0,000

2  План 2 этажа

3  План 3 - 3

При выполнении части плана в наименовании указывают оси, ограничивающие эту часть плана.

Пример - План на отм. 0,000 между осями 21 - 30 и А - Д

Допускается в наименовании плана этажа указывать назначение помещений, расположенных на этаже.

5.5.14 В наименованиях разрезов здания (сооружения) указывают слово «Разрез» и обозначение соответствующей секущей плоскости по 5.5.2.

Пример - Разрез 1 - 1

Наименованиями сечений являются цифровые или буквенные обозначения секущих плоскостей.

Пример - 5 - 5, Б - Б, а - а

5.5.15 В наименованиях фасадов здания или сооружения указывают слово «Фасад» и крайние оси, между которыми расположен фасад.

Пример - Фасад 1 - 12, Фасад 12 - 1, Фасад А - Г

5.5.16 Наименования изображений на чертежах не подчеркивают.

6 Правила выполнения спецификаций на чертежах

6.1 К схеме расположения элементов сборной конструкции, монолитной железобетонной конструкции, к чертежам расположения технологического оборудования и/или трубопроводов, установок (блоков) технологического, санитарно-технического и другого оборудования составляют спецификацию по форме 7 приложения К.

При выполнении чертежей групповым методом составляют групповые спецификации по форме 8 приложения К.

6.2 Спецификацию помещают, как правило, на листе, где изображены схемы, планы чертежей расположения оборудования и трубопроводов, планы чертежей установок. Допускается выполнять спецификацию на отдельных листах.

6.3 Спецификации строительных изделий составляют по ГОСТ 21.501.

6.4 При заполнении форм спецификаций автоматизированным способом горизонтальные строки допускается не проводить.

7 Правила внесения изменений

7.1 Внесение изменений в рабочую документацию

7.1.1 Общие положения

7.1.1.1 Изменением рабочего документа, ранее переданного заказчику, является любое исправление, исключение или добавление в него каких-либо данных без изменения обозначения этого документа.

Обозначение документа допускается изменять только в случае, если разным документам ошибочно присвоены одинаковые обозначения или в обозначении документа допущена ошибка.

Внесение изменений в расчеты не допускается.

7.1.1.2 Если изменение документа неприемлемо, то должен быть выпущен новый документ с новым обозначением.

7.1.1.3 Любое изменение в документе, вызывающее какие-либо изменения в других документах, должно одновременно сопровождаться внесением соответствующих изменений во все взаимосвязанные документы.

7.1.1.4 Информацию об изменении документа указывают в основной надписи этого документа, в общих данных по рабочим чертежам и на титульном листе (при наличии).

7.1.1.5 Изменения вносят в подлинник документа.

7.1.1.6 При внесении изменений в подлинник электронного документа любое изменение индексируется как новая версия этого документа.

7.1.1.7 Копии листов (измененных, дополнительных и выпущенных вместо замененных листов) рабочей документации направляют организациям, которым ранее были направлены копии документов, одновременно с копиями общих данных соответствующего основного комплекта рабочих чертежей, уточненных в соответствии с 7.1.3.

 

7.1.2 Разрешение на внесение изменений

7.1.2.1 Изменение документа (в том числе его аннулирование) выполняют на основании разрешения на внесение изменений (далее - разрешение), составленного по формам 9 и 9а приложения Л.

7.1.2.2 Разрешение утверждает руководитель организации-разработчика документа или другое уполномоченное должностное лицо.

Разрешение является основанием для получения подлинников документов и внесения в них изменений.

Допускается отправка заказчику вместе с копиями измененной документации копии разрешения.

7.1.2.3 Изменения на каждый документ (например, основной комплект рабочих чертежей, спецификацию оборудования, изделий и материалов) оформляют отдельным разрешением.

Допускается составлять одно общее разрешение на изменения, вносимые одновременно в несколько документов, если изменения взаимосвязаны или одинаковы для всех изменяемых документов.

 

7.1.3 Внесение изменений

7.1.3.1 Изменения обозначают порядковыми номерами (1, 2, 3 и т.д.). Один порядковый номер изменения присваивают всем изменениям, которые вносят в документ по одному разрешению. Его указывают для всего документа, независимо от того, на скольких листах он выполнен.

7.1.3.2 Изменения в подлинники документов вносят зачеркиванием, подчисткой (смывкой) или закрашиванием белым цветом. При этом учитывают физическое состояние подлинника.

7.1.3.3 Изменение документа, выполненного автоматизированным способом, осуществляют заменой (перевыпуском) всего документа в целом или его отдельных листов (страниц), а также добавлением или исключением отдельных листов.

Допускается вносить изменения в этот документ рукописным способом согласно 7.1.3.5-7.1.3.14.

Изменения в сметную документацию осуществляют заменой всего документа.

7.1.3.4 При внесении изменений автоматизированным способом, а также в случаях, когда при внесении изменений рукописным способом недостаточно места для внесения изменений или возможно нарушение четкости изображения при исправлении, изготовляют новый подлинник с учетом вносимых изменений и сохраняют его прежнее обозначение.

Если заменяют или добавляют один или несколько листов подлинника, то на них сохраняют инвентарный номер, присвоенный подлиннику.

При замене всех листов подлинника ему присваивают новый инвентарный номер.

7.1.3.5 После внесения изменений изображения, буквы, цифры, знаки должны быть четкими, толщина линий, величина просветов и т.п. должны быть выполнены по правилам, предусмотренным соответствующими стандартами ЕСКД, при этом должна быть обеспечена возможность изготовления копий документации надлежащего качества способами репрографии.

7.1.3.6 Изменяемые размеры, слова, знаки, надписи и т.д. зачеркивают сплошными тонкими линиями и рядом проставляют новые данные.

7.1.3.7 При изменении изображения (части изображения) его обводят сплошной тонкой линией, образующей замкнутый контур, и крестообразно перечеркивают сплошными тонкими линиями в соответствии с рисунком 15.

Новое изображение измененного участка выполняют на свободном поле листа или на другом листе без поворотов.

Рисунок 15

 

7.1.3.8 Изменяемым, аннулируемым и дополнительным участкам изображения присваивают обозначение, состоящее из порядкового номера очередного изменения документа и через точку порядкового номера изменяемого (аннулируемого, дополнительного) участка изображения в пределах данного листа. При этом новому изображению измененного участка присваивают обозначение изменения замененного изображения.

7.1.3.9 Обозначение изменения наносят в параллелограмме за пределами изображения около каждого изменения (см. рисунок 15), в том числе около изменения, исправленного подчисткой (смывкой) или закрашиванием белым цветом.

От параллелограмма проводят сплошную тонкую линию к измененному участку.

7.1.3.10 Если новое изображение измененного участка размещают на другом листе, то присвоенное ему обозначение изменения сохраняют и в таблице изменений этого листа не учитывают.

7.1.3.11 Близко расположенные друг от друга измененные размеры, слова, знаки, надписи и т.д. обводят сплошной тонкой линией, образующей замкнутый контур, без перечеркивания в соответствии с рисунком 16.

7.1.3.12 Над новым изображением измененного участка помещают в параллелограмме обозначение изменения замененного изображения, а при параллелограмме указывают: «Взамен перечеркнутого».

Если новое изображение измененного участка помещают на другом листе, то при параллелограмме указывают: «Взамен перечеркнутого на листе (номер листа, на котором находится замененное изображение)» в соответствии с рисунком 17, при этом у замененного изображения указывают номер листа, на котором находится новое изображение (см. рисунок 15).

Рисунок 16

Рисунок 17

 

7.1.3.13 Если новое изображение измененного участка помещают около замененного, то их соединяют линиями-выносками с обозначением изменения в соответствии с рисунком 18.

Над дополнительным изображением помещают в параллелограмме обозначение изменения, а при параллелограмме указывают: «Дополнение» в соответствии с рисунком 19.

Рисунок 18

Рисунок 19

 

7.1.3.14 При аннулировании изображения (части изображения) при обозначении изменения указывают: «Аннулировано».

7.1.3.15 При внесении изменений в листы основного комплекта рабочих чертежей в ведомости рабочих чертежей этого комплекта на листах общих данных в графе «Примечание» указывают:

а) при внесении первого изменения - «Изм. 1», последующих изменений - дополнительно очередные номера изменений, отделяя их от предыдущих точкой с запятой.

Пример - Изм. 1; 2; 3

б) на замененных листах при номере изменения - «(Зам.)».

Пример - Изм. 1 (Зам.)

в) на аннулированных листах при номере изменения - «Аннулирован».

Пример - Изм. 1 (Аннулирован)

г) на дополнительных листах при номере изменения - «(Нов.)»

Пример - Изм. 1 (Нов.)

7.1.3.16 Если в основной комплект рабочих чертежей включают дополнительные листы, то им присваивают очередные порядковые номера и записывают в продолжение ведомости рабочих чертежей соответствующего основного комплекта.

При недостатке места в ведомости рабочих чертежей для записи дополнительных листов продолжение ведомости переносят на первый из дополнительных листов. При этом в конце ведомости рабочих чертежей, помещенной в «Общих данных», делают запись: «Продолжение ведомости см. на листе (номер листа)», а над ведомостью на дополнительном листе помещают заголовок: «Ведомость рабочих чертежей основного комплекта (Продолжение)».

Номера и наименования аннулированных листов в ведомости рабочих чертежей зачеркивают.

При изменении наименований листов вносят соответствующие исправления в графу «Наименование».

7.1.3.17 При изменении общего количества листов документа на его первом листе в основной надписи вносят соответствующие исправления в графу «Листов».

7.1.3.18 При внесении изменений в прилагаемые документы, в том числе при выполнении дополнительных и аннулировании ранее выполненных прилагаемых документов, вносят исправления в раздел «Прилагаемые документы» ведомости ссылочных и прилагаемых документов соответствующего основного комплекта рабочих чертежей - аналогично 7.1.3.15.

При замене в рабочих чертежах ссылочных документов (см. 4.2.8) вносят исправления в соответствующий раздел ведомости ссылочных и прилагаемых документов.

7.1.3.19 При выполнении дополнительных и аннулировании ранее выполненных основных комплектов рабочих чертежей вносят исправления в ведомость основных комплектов рабочих чертежей.

7.1.3.20 Изменения, внесенные в подлинник, указывают в таблице изменений, помещенной в основной надписи, а при недостатке места - в дополнительной таблице к ней (см. 5.2.5).

В первой снизу строке таблицы изменений каждого листа нового подлинника допускается приводить запись только о последней замене данного листа.

7.1.3.21 В таблице изменений указывают:

а) в графе «Изм.» - порядковый номер изменения документа;

б) в графе «Кол. уч.» - количество изменяемых участков изображения на данном листе в пределах очередного изменения;

в) в графе «Лист» - на листах, выпущенных вместо замененных, - «Зам.», на листах, добавленных вновь, - «Нов.».

При замене всех листов подлинника (при очередном порядковом номере изменения документа) на первом листе в графе «Лист» указывают «Все». При этом таблицу изменений на других листах этого подлинника не заполняют.

В остальных случаях в графе «Лист» ставят прочерк;

г) в графе «№ док.» - обозначение разрешения;

д) в графе «Подп.» - подпись лица, ответственного за правильность внесения изменения (подпись нормоконтролера проставляют на поле для подшивки листа);

е) в графе «Дата» - дату внесения изменения.

7.1.3.22 В таблицах изменений на листах общих данных не учитывают исправления, внесенные в ведомости общих данных в связи с внесением изменений в листы основного комплекта и прилагаемые документы.

7.1.3.23 Значительные изменения в текстовых документах вносят одним из следующих способов:

- заменой всех или отдельных листов документа;

- выпуском новых дополнительных листов.

При изменении подлинников текстовых документов допускается при добавлении нового листа присваивать ему номер предыдущего листа с добавлением очередной арабской цифры, отделяя ее от предыдущей точкой.

Пример - 3.1

В этом случае на первом листе изменяют общее количество листов.

В текстовых документах, содержащих в основном сплошной текст, допускается при добавлении нового пункта присваивать ему номер предыдущего пункта с добавлением очередной строчной буквы русского алфавита, а при аннулировании пункта - сохранять номера последующих пунктов.

7.1.3.24 При внесении изменений в текстовые документы таблицу изменений заполняют на листах (листе):

- титульном (при наличии);

- первом (заглавном) нового подлинника, изготовленном в целом взамен старого;

- измененных;

- выпущенных вместо замененных;

- добавленных вновь.

Для регистрации изменений в текстовом документе в целом (в том числе в сметной документации) на его титульном листе при внесении изменений размещают таблицу регистрации изменений по форме 10 приложения М.

7.1.3.25 При аннулировании или замене листов документа на всех аннулированных и замененных листах подлинника проставляют штамп «Аннулирован (заменен)» по форме, приведенной в ГОСТ Р 21.1003 (приложение Г), который заполняют согласно указаниям, приведенным там же.

7.2 Внесение изменений в проектную документацию

7.2.1 Изменения в проектную документацию, ранее переданную заказчику, как правило, вносят автоматизированным способом и осуществляют:

- заменой, добавлением или исключением отдельных листов тома;

- заменой (перевыпуском) тома (части, книги) - при его полной переработке;

- выпуском дополнительных частей или книг.

7.2.2 Изменения в проектную документацию вносят, как правило, на основании разрешения на внесение изменений (см. 7.1.2). Основаниями для внесения изменений могут быть замечания заказчика и согласующих органов исполнительной власти, замечания и отрицательные заключения органов негосударственной и государственной экспертизы.

7.2.3 При внесении изменений в проектную документацию следует учитывать положения 7.1.1.1-7.1.1.6  и 7.1.3 (с учетом особенностей комплектования проектной документации).

7.2.4 При полной переработке всего тома в начале текстовой части, входящей в измененный том, рекомендуется приводить сведения о внесенных изменениях:  основание для внесения изменений, краткое описание внесенных изменений.

7.2.5 Если изменения в проектную документацию вносят на основании отрицательного заключения государственной экспертизы, то в раздел «Пояснительная записка» в качестве приложения включают справку по форме, установленной органом государственной экспертизы, с описанием изменений, внесенных в проектную документацию. Справка должна быть подписана главным инженером проекта.

7.2.6 Регистрацию изменений тома в целом производят в таблице регистрации изменений по форме 10 приложения М, которую размещают на его титульном листе и обложке.

Регистрацию изменений в текстовой части проектной документации рекомендуется производить в таблице регистрации изменений по форме 11 приложения М, которую размещают на последнем листе текстовой части при внесении первого и последующих изменений.

Сведения о замене листов графических документов приводят в графе «Примечание» содержания тома, выполняемого в соответствии с 8.6.

Сведения об изменении томов, а также выпуске дополнительных частей томов и книг заносят в ведомость «Состав проектной документации», выполняемую в соответствии с 8.8.

При внесении изменений должны быть соблюдены требования 8.5.

7.2.7 Изменения в утвержденную проектную документацию, связанные с изменением параметров объекта строительства и необходимостью переутверждения проектной документации, вносят по решению заказчика на основе нового задания на проектирование или дополнения к ранее утвержденному заданию на проектирование.

8 Правила оформления сброшюрованной документации

8.1 Копии текстовых и графических материалов проектной документации, а также отчетной технической документации по инженерным изысканиям брошюруют в тома, сложенными на формат А4 по ГОСТ 2.301.

Примечание - Под брошюровкой понимается размещение материалов проектной документации в переплетах или твердых папках с легкоразъемными креплениями (замками).

8.2 Копии документов рабочей документации для передачи заказчику комплектуют в папки полистно, сложенными на формат А4, как правило, отдельно по основным комплектам рабочих чертежей.

Допускается брошюровать копии рабочих документов в тома в соответствии с 8.1 или в альбомы, сложенными на формат А3.

Количество листов, включаемых в папку или альбом, должно соответствовать 4.1.5.

8.3 Каждый документ, том или альбом, предназначенный для брошюровки, а также папку со сложенными в нее документами, оформляют обложкой по форме 12, приведенной в приложении Н (с учетом особенностей заполнения формы для обложки). Обложку не нумеруют и не включают в общее количество листов.

8.4 Первым листом сброшюрованного документа или тома, состоящего из нескольких документов, а также альбома или папки с рабочей документацией, является титульный лист. Титульный лист выполняют по форме 12 приложения Н.  Примеры выполнения титульных листов приведены на рисунках П.1 и П.2 (приложение П).

В томе проектной документации, состоящем из нескольких самостоятельных документов, включая текстовую часть, титульный лист к текстовой части не выполняют.

8.5 Все листы сброшюрованного документа нумеруют сквозной нумерацией листов, начиная с титульного листа *. При этом титульный лист не нумеруют.

Номер листа на листах текстовых и графических документов указывают в правом верхнем углу рабочего поля листа (см. приложение И).

Кроме того, текстовые и графические документы, включенные в том (альбом) и имеющие самостоятельное обозначение, должны иметь порядковую нумерацию листов в пределах документа с одним обозначением (в основной надписи или в соответствии с 4.1.8).

8.6 При комплектовании нескольких документов в виде тома, альбома, а также в папку, после титульного листа приводят содержание тома (альбома, папки), которое является перечнем документов, входящих в том (альбом, папку). Содержание выполняют на листах формата А4 по форме 2 приложения Г.

Документы в содержании записывают в последовательности их комплектования в том, альбом или папку. Обложку и титульный лист в содержание не записывают.

Первый лист содержания тома (альбома, папки) оформляют основной надписью по форме 5 приложения Ж, последующие - по форме 6 приложения Ж. Содержанию присваивают обозначение, состоящее из обозначения тома (альбома, папки) и шифра «С».

______________________

* Требования 8.5 являются обязательными только для документации, подлежащей государственной экспертизе.

 

Пример - 2345-ПЗУ2С;  2345-11-КЖ.ИС;  2345-11-ОВ.ОЛС,  2345-11-ТХ.НС

В графе 5 основной надписи указывают «Содержание тома» или, соответственно, «Содержание альбома» и «Содержание папки»  и далее - номер соответствующего тома, альбома или папки (при наличии).

8.7 Титульные листы томов проектной документации оформляют подписями:

- руководителя или главного инженера организации;

- главного инженера (архитектора) проекта.

Титульный лист технического отчета по инженерным изысканиям дополнительно заверяют печатью организации - исполнителя инженерных изысканий.

Титульные листы рабочих документов оформляют подписью ответственного лица - главного инженера (архитектора) проекта.

8.8 Состав проектной документации согласно 4.1.2, а также состав отчетной технической документации по инженерным изысканиям приводят в ведомости, выполняемой по форме 13 приложения Р на листах формата А4.

В ведомости приводят последовательный перечень томов проектной или отчетной технической документации по инженерным изысканиям.

Первый лист ведомости оформляют основной надписью по форме 5 приложения Ж, последующие - по форме 6 приложения Ж.

Составу проектной документации присваивают обозначение, состоящее из базового обозначения проектной документации и через дефис шифра «СП».

Пример - 2345-СП

Составу отчетной технической документации по инженерным изысканиям присваивают обозначение, состоящее из базового обозначения документации и через дефис шифра «СД».

Пример - 2344-СД

9 Применение типовой проектной документации

9.1 Типовая проектная документация - это любая повторно применяемая проектная документация объектов капитального строительства или модификация типовой проектной документации, в которую внесены изменения, не затрагивающие конструктивных и других характеристик надежности и безопасности.

Критерии отнесения  проектной документации к типовой проектной документации (далее - ТПД), а также к модифицированной типовой проектной документации установлены Положением [4].

9.2 Рабочая документация, входящая в состав ТПД и модифицированной ТПД, подлежит привязке к конкретной площадке строительства. При привязке:

- определяют координаты и отметки частей зданий (сооружений);

- уточняют размеры, глубину заложения и конструктивные решения фундаментов;

- разрабатывают дополнительные мероприятия, необходимые по гидрогеологическим условиям строительной площадки;

- уточняют решения цокольных или подвальных частей зданий, узлов примыкания тоннелей, галерей и других сооружений в зависимости от рельефа площадки строительства;

- разрабатывают узлы примыкания внутренних сетей водоснабжения, канализации, теплоснабжения, электроснабжения и связи к внешним сетям, а также узлы ввода транспортных коммуникаций;

- корректируют, при необходимости, документацию на несущие и ограждающие конструкции, системы отопления и вентиляции, исходя из климатических условий района строительства;

- уточняют объемы работ, а также сметную стоимость строительства.

9.3 На каждом листе привязываемой документации ставят штамп привязки:

- на первом листе - по форме 14 приложения С;

- на последующих листах - по форме 15 приложения С.

9.4 Обложки и титульные листы основных комплектов рабочих чертежей, входящих в состав типовой проектной документации, не привязывают и заказчику не направляют. Взамен них в соответствии с требованиями раздела 8 выполняют новые обложки и титульные листы с реквизитами организации, применившей ТПД, и наименованием объекта капитального строительства, для которого выполнена привязка.

9.5 Штамп привязки наносят на свободное поле листа, предпочтительно над основной надписью или слева от нее.

Допускается не наносить штамп привязки на неизменяемые рабочие чертежи конструкций, изделий и узлов в случае их повторного применения организацией, осуществившей разработку и утверждение этих чертежей. Указанные рабочие чертежи записывают в раздел прилагаемых документов без изменения обозначения.

9.6 Модификацию ТПД осуществляют внесением в нее изменений в соответствии с 7.1.3. с учетом следующих особенностей:

- если изменяемых участков изображения два и более, то им присваивают обозначения в соответствии с 5.5.4 и рисунками 10а-10в;

- над измененным участком указывают обозначение изменяемого участка изображения и надпись «Взамен перечеркнутого». Если новое изображение (часть изображения) помещают на другом листе, то у замененного изображения указывают также номер листа, на котором находится новое изображение (см. рисунок 17);

- таблицы изменений в основных надписях не заполняют;

- графу «Примечание» ведомостей на листах общих данных в связи с внесением изменений не заполняют.

В состав документации, передаваемой заказчику, включают заключение согласно [4].

9.7 Основные надписи на листах привязываемой документации оставляют без изменения.

9.8 Изменения при привязке рекомендуется вносить в один экземпляр документа, являющийся в дальнейшем подлинником, с которого изготовляют копии.

9.9 Аннулированные листы исключают из привязанной документации без изменения общей нумерации листов.

Приложение А
(рекомендуемое)

Шифры разделов проектной документации

А.1 Шифры разделов проектной документации на объекты капитального строительства производственного и непроизводственного назначения приведены в таблице А.1.

Таблица А.1

Номер раздела

Наименование раздела и подраздела проектной документации

Шифр раздела

1

Пояснительная записка

ПЗ

2

Схема планировочной организации земельного участка

ПЗУ

3

Архитектурные решения

АР

4

Конструктивные и объемно-планировочные решения

КР

5

Сведения об инженерном оборудовании, о сетях инженерно-технического обеспечения, перечень инженерно-технических мероприятий, содержание технологических решений

ИОС

6

Проект организации строительства

ПОС

7

Проект организации работ по сносу или демонтажу объектов капитального строительства

ПОД

8

Перечень мероприятий по охране окружающей среды

ООС

9

Мероприятия по обеспечению пожарной безопасности

ПБ

10

Мероприятия по обеспечению доступа инвалидов

ОДИ

11

Смета на строительство объектов капитального строительства

СМ

12

Иная документация в случаях, предусмотренных федеральными законами,  в том числе:

 

 

Перечень мероприятий по гражданской обороне, мероприятий по предупреждению чрезвычайных ситуаций природного и техногенного характера

ГОЧС

 

Мероприятия по противодействию террористическим актам

ПТА

 

Декларация промышленной безопасности опасных производственных объектов

ДПБ

 

Декларация безопасности гидротехнических сооружений

ДБГ

 

Иная документация, установленная законодательными актами Российской Федерации

-

 

А.2 Шифры разделов проектной документации на линейные объекты приведены в таблице А.2.

Таблица А.2

Номер раздела

Наименование раздела проектной документации

Шифр раздела

1

Пояснительная записка

ПЗ

2

Проект полосы отвода

ППО

3

Технологические и конструктивные решения линейного объекта. Искусственные сооружения

ТКР

4

Здания, строения и сооружения, входящие в инфраструктуру линейного объекта *

ИЛО

5

Проект организации строительства

ПОС

6

Проект организации работ по сносу (демонтажу) линейного объекта

ПОД

7

Мероприятия по охране окружающей среды

ООС

8

Мероприятия по обеспечению пожарной безопасности

ПБ

9

Смета на строительство

СМ

10

Иная документация в случаях, предусмотренных федеральными законами,  в том числе:

 

 

Перечень мероприятий по гражданской обороне, мероприятий по предупреждению чрезвычайных ситуаций природного и техногенного характера

ГОЧС

 

Мероприятия по противодействию террористическим актам

ПТА

* Проектную документацию зданий, строений и сооружений в полном объеме разрабатывают в соответствии с составом документации по таблице А.1.

Приложение Б
(рекомендуемое)

Марки основных комплектов рабочих чертежей

Таблица Б.1

Наименование основного комплекта рабочих чертежей

Марка

Примечание

Технология производства

ТХ

-

Технологические коммуникации

ТК

При объединении рабочих чертежей всех технологических коммуникаций

Генеральный план и сооружения транспорта

ГТ

При объединении рабочих чертежей генерального плана и сооружений транспорта

Генеральный план

ГП

-

Архитектурные решения

АР

-

Архитектурно-строительные решения

АС

При объединении рабочих чертежей архитектурных решений и строительных конструкций

Интерьеры

АИ

Рабочие чертежи могут быть объединены с основным комплектом марки АР или АС

Конструкции железобетонные

КЖ

-

Конструкции металлические

КМ

-

Конструкции металлические деталировочные

КМД

-

Конструкции деревянные

КД

-

Водоснабжение и канализация

ВК

-

Отопление, вентиляция и кондиционирование

ОВ

-

Тепломеханические решения котельных

ТМ

-

Воздухоснабжение

ВС

-

Пылеудаление

ПУ

-

Холодоснабжение

ХС

-

Газоснабжение (внутренние устройства)

ГСВ

-

Силовое электрооборудование

ЭМ

-

Электрическое освещение (внутреннее)

ЭО

-

Радиосвязь, радиовещание и телевидение

РТ

-

Пожаротушение

ПТ

-

Пожарная сигнализация

ПС

-

Охранная и охранно-пожарная сигнализация

ОС

-

Гидротехнические решения

ГР

-

Антикоррозионная защита конструкций зданий, сооружений

АЗ

-

Антикоррозионная защита технологических аппаратов, газоходов и трубопроводов

АЗО

-

Тепловая изоляция оборудования и трубопроводов

ТИ

-

Автомобильные дороги

АД

-

Железнодорожные пути

ПЖ

-

Сооружения транспорта

ТР

При объединении рабочих чертежей автомобильных, железных и других дорог

Наружные сети водоснабжения и канализации

НВК

-

Наружные сети водоснабжения

НВ

При разделении основного комплекта марки НВК

Наружные сети канализации

НК

При разделении основного комплекта марки НВК

Тепломеханические решения тепловых сетей

ТС

-

Наружные газопроводы

ГСН

-

Наружное электроосвещение

ЭН

-

Электроснабжение

ЭС

-

Автоматизация комплексная

АК

При объединении рабочих чертежей различных технологических процессов и инженерных систем

Автоматизация… *

-

Наименования основных комплектов и обозначения марок принимают по ГОСТ 21.408 приложение А

Проводные средства связи *

-

Наименования основных комплектов и обозначения марок принимают по ГОСТ Р 21.1703 приложение А

Гидромелиоративные линейные сооружения *

-

Наименования основных комплектов и обозначения марок принимают по ГОСТ Р 21.1709 приложение А

* Приведены общие наименования объектов стандартизации.

Примечание - При необходимости могут быть назначены дополнительные марки основных комплектов рабочих чертежей. При этом в марку рекомендуется включать не более трех прописных букв русского алфавита, соответствующих, как правило, начальным буквам наименования основного комплекта рабочих чертежей.

Приложение В
(рекомендуемое)

Шифры прилагаемых документов

Таблица В.1

Наименование прилагаемого документа

Шифр

Спецификация оборудования, изделий и материалов

С

Эскизный чертеж общего вида нетипового изделия

Н

Рабочий чертеж строительного изделия

И

Опросный лист, габаритный чертеж

ОЛ

Локальная смета

ЛС

Расчеты *

РР

* Расчеты, как правило, в состав рабочей документации не включают, если иное не определено в договоре (контракте) и задании на проектирование.

Примечание - Шифры других видов прилагаемых документов приводятся в соответствующих стандартах СПДС.

Приложение Г
(обязательное)

Ведомости общих данных по рабочим чертежам

Форма 1 - Ведомость рабочих чертежей основного комплекта.

                  Ведомость спецификаций

 

 

Г.1  В ведомости рабочих чертежей основного комплекта указывают:

- в графе «Лист» - порядковый номер листа основного комплекта рабочих чертежей;

- в графе «Наименование» - наименование изображений, помещенных на листе, в точном соответствии с наименованиями, приведенными в основной надписи листа;

- в графе «Примечание» - дополнительные сведения, например, об изменениях, вносимых в рабочие чертежи основного комплекта.

Г.2  В ведомости спецификаций указывают:

- в графе «Лист» - номер листа основного комплекта рабочих чертежей, на котором помещена спецификация;

- в графе «Наименование» - наименование спецификации в точном соответствии с ее наименованием, указанным на чертеже;

- в графе «Примечание» - дополнительные сведения, в том числе об изменениях, вносимых в спецификации.

 

Форма 2 - Ведомость основных комплектов рабочих чертежей.

                  Ведомость ссылочных и прилагаемых документов.

                  Ведомость документов основного комплекта рабочих чертежей.

                  Содержание тома

 

 

Г.3  В ведомости основных комплектов рабочих чертежей указывают:

- в графе «Обозначение» - обозначение основного комплекта рабочих чертежей и, при необходимости, наименование или различительный индекс организации, выпустившей документ;

- в графе «Наименование» - наименование основного комплекта рабочих чертежей;

- в графе «Примечание» - дополнительные сведения, в том числе об изменениях в составе основных комплектов рабочих чертежей.

Г.4  В ведомости ссылочных и прилагаемых документов указывают:

- в графе «Обозначение» - обозначение документа и при необходимости наименование или различительный индекс организации, выпустившей документ;

- в графе «Наименование» - наименование документа в точном соответствии с наименованием, указанным на титульном листе или в основной надписи;

- в графе «Примечание» - дополнительные сведения, в том числе о внесенных изменениях в записанные документы, входящие в состав рабочей документации.

Г.5  В ведомости документов основного комплекта рабочих чертежей указывают:

- в графе «Обозначение» - обозначение документа;

- в графе «Наименование» - наименование документа в точном соответствии с наименованием, указанным в основной надписи;

- в графе «Примечание» - дополнительные сведения, в том числе о внесенных изменениях в записанные документы, входящие в состав рабочей документации.

Г.6  В содержании тома указывают:

- в графе «Обозначение» - обозначение документа;

- в графе «Наименование» - наименование документа в точном соответствии с наименованием, указанным в основной надписи или на титульном листе;

- в графе «Примечание» - номер листа тома по сквозной нумерации листов тома в соответствии с 8.4, с которого начинается документ, а также, при необходимости, сведения об изменениях, вносимых в записанные документы.

Приложение Д
(обязательное)

Перечень стандартов ЕСКД, подлежащих учету при выполнении графической и текстовой документации для строительства

Таблица Д.1

Обозначение и наименование стандарта

Условия применения стандарта

ГОСТ 2.004-88 Единая система конструкторской документации. Общие требования к выполнению конструкторских и технологических документов на печатающих и графических устройствах вывода ЭВМ

-

ГОСТ 2.051-88 Единая система конструкторской документации. Электронные документы

-

ГОСТ 2.101-68 Единая система конструкторской документации. Виды изделий

-

ГОСТ 2.102-68 Единая система конструкторской документации. Виды и комплектность конструкторских документов

С учетом положений ГОСТ 21.501, относящихся к выполнению чертежей строительных изделий

ГОСТ 2.105-95 Единая система конструкторской документации. Общие требования к текстовым документам

С учетом положений разделов 4, 5 и 9 настоящего стандарта

ГОСТ 2.106-96. Текстовые документы

С учетом положений раздела 6 настоящего стандарта и ГОСТ 21.501

ГОСТ 2.109-73 Единая система конструкторской документации. Основные требования к чертежам

С учетом положений ГОСТ 21.501.
Ссылки на ГОСТ 2.106, а также 1.1.11, 1.1.12, 1.3 ГОСТ 2.109 не учитывают

ГОСТ 2.113-75 Единая система конструкторской документации. Групповые и базовые конструкторские документы

С учетом положений ГОСТ 21.501

ГОСТ 2.114-95 Единая система конструкторской документации. Технические условия

С учетом положений 5.2.1, 5.2.2, 5.2.4, 5.2.7 раздела 5 и раздела 8 настоящего стандарта. Пункт 3.7.1 и подраздел 3.8 ГОСТ 2.114 не учитывают

ГОСТ 2.301-68 Единая система конструкторской документации. Форматы

С учетом требований соответствующих стандартов СПДС

ГОСТ 2.302-68 Единая система конструкторской документации. Масштабы

С учетом требований соответствующих стандартов СПДС

ГОСТ 2.303-68 Единая система конструкторской документации. Линии

С учетом требований соответствующих стандартов СПДС

ГОСТ 2.304-81 Единая система конструкторской документации. Шрифты чертежные

С учетом положений 5.1.3 настоящего стандарта

ГОСТ 2.305-2008 Единая система конструкторской документации. Изображения - виды, разрезы, сечения

С учетом положений 5.5 настоящего стандарта

ГОСТ 2.306-68 Единая система конструкторской документации. Обозначения графические материалов и правила их нанесения на чертежах

С учетом положений ГОСТ 21.302, таблицы 4 и 5

ГОСТ 2.307-68 Единая система конструкторской документации. Нанесение размеров и предельных отклонений

С учетом положений 5.4.1-5.4.4 настоящего стандарта

ГОСТ 2.308-79 Единая система конструкторской документации. Указание на чертежах допусков формы и расположения поверхностей

С учетом положений ГОСТ 21.113

ГОСТ 2.309-73 Единая система конструкторской документации. Обозначение шероховатости поверхностей

-

ГОСТ 2.310-68 Единая система конструкторской документации. Нанесение на чертежах обозначений покрытий, термической и других видов обработки

-

ГОСТ 2.311-68 Единая система конструкторской документации. Изображение резьбы

-

ГОСТ 2.312-72 Единая система конструкторской документации. Условные изображения и обозначения швов сварных соединений

-

ГОСТ 2.313-82 Единая система конструкторской документации. Условные изображения и обозначения неразъемных соединений

-

ГОСТ 2.314-68 Единая система конструкторской документации. Указания на чертежах о маркировке и клеймении изделий

-

ГОСТ 2.315-68 Единая система конструкторской документации. Изображения упрощенные и условные крепежных деталей

-

ГОСТ 2.316-2008 Единая система конструкторской документации. Правила нанесения надписей, технических требований и таблиц на графических документах. Общие положения

С учетом положений 5.4.5-5.4.7 настоящего стандарта

ГОСТ 2.317-69 Единая система конструкторской документации. Аксонометрические проекции

-

ГОСТ 2.501-88 Единая система конструкторской документации. Правила учета и хранения

В части формы инвентарной книги, абонентской карточки и указаний по складыванию чертежей

Примечание - Условия применения стандартов ЕСКД классификационной группы 7 определены соответствующими стандартами СПДС.

Приложение Е
(рекомендуемое)

Перечень допускаемых сокращений слов
(дополнение к ГОСТ 2.316)

Таблица Е.1

Полное наименование

Сокращение

Полное наименование

Сокращение

Автомобильная дорога

а.д.

Монтажный

монт.

Альбом

Альб. (ц)

Нормативная нагрузка

норм. нагр.

Антисейсмический шов

а.с.ш. (и)

Оборудование

оборуд.

Архитектор

Арх. (о)

Общий

общ.

Асфальтобетон

асф. бет.

Отметка

отм. (ц)

Бетон, бетонный

бет.

Раздел

разд. (ц)

Ведущий

Вед. (о)

Размер

разм. (ц)

Вентиляционная камера

венткамера

Расчетная нагрузка

расч. нагр.

Вместимость

Вмест. (ц, т)

Санитарно‑технический

сан. техн.

Выпуск

Вып. (ц)

Санитарный узел

сан. узел.

Главный инженер

Гл. инж. (о)

Сборный

сб.

Главный инженер (архитектор) проекта

ГИП (ГАП) (о)

Сектор

сек. (ц)

Скважина

скв. (ц)

Главный специалист

Гл. спец. (о)

Снеговой

снег.

Группа

гр. (т,о)

Температурный шов

т.ш. (и)

Деформационный шов

д.ш. (и)

Технологический

технол.

Диаметр

диам.

Техник

Техн. (о)

Директор

Дир. (о)

Типовой

тип.

Документ

док. (т, о)

Труба

тр.

Допускаемый

допуск.

Уровень головки рельса

ур. г. р. (и)

Железная дорога

ж.д.

Уровень земли

ур. з. (и)

Железнодорожный

ж.-д.

Уровень чистого пола

ур. ч. п. (и)

Железобетон, железобетонный

ж.б.

Участок

уч. (и, ц)

Заведующий

Зав. (о)

Фундаментный

фунд.

Изоляция, изоляционный

изол.

Цемент, цементный

цем.

Институт

Ин-т (о)

Цементобетон

цем. бет.

Количество

Кол.

Часть

Ч. (ц)

Конструкция

констр.

Шаг

ш. (ц, т)

Коэффициент

коэфф.

Штукатурка

штукат.

Коэффициент полезного действия

к.п.д.

Щебень, щебеночный

щеб.

Лестница, лестничный

лестн.

Электрический
Элемент

эл.

эл-т (и, т)

Мастерская (в  проектных организациях)

Маст. (о)

Этаж

эт. (ц)

Масштаб

М (ц)

 

 

Материалы

мат-лы (т)

 

 

Примечание - Сокращения, отмеченные знаком (о), применяют только в основной надписи; (т) - в таблицах; (ц) - с цифрами или шифрами; (и) - на графических изображениях.

Приложение Ж
(обязательное)

Основные надписи и дополнительные графы к ним

Форма 3 - Для листов основных комплектов рабочих чертежей, графических документов разделов проектной документации и графических документов по инженерным изысканиям

Примечание - Для графических документов по инженерным изысканиям запись «Н.контр.» («Нормоконтроль») в основной надписи допускается не приводить.

Форма 4 - Для чертежей строительных изделий (первый лист)

Форма 5 - Для всех видов текстовых документов (первые листы)

Примечание - Основную надпись по форме 5 допускается использовать для графических документов по инженерным изысканиям, не используемых в качестве графической основы.

Форма 6 - Для чертежей строительных изделий и всех видов текстовых документов (последующие листы)

Примечание - Основную надпись по форме 6 допускается использовать для графических документов по инженерным изысканиям, не используемых в качестве графической основы, а также для последующих листов кабельных и кабельно-трубных журналов при выпуске соответствующих основных комплектов отдельными документами.

В графах основной надписи и дополнительных графах к ней (номера граф указаны в скобках) приводят:

- в графе 1 - обозначение документа, в том числе раздела, подраздела проектной документации, основного комплекта рабочих чертежей, чертежа изделия, текстового документа и др.;

- в графе 2 - наименование предприятия, жилищно-гражданского комплекса или другого объекта строительства, в состав которого входит здание (сооружение) или наименование микрорайона;

- в графе 3 - наименование здания (сооружения) и, при необходимости, вид строительства (реконструкция, расширение, техническое перевооружение, капитальный ремонт);

- в графе 4 - наименование изображений, помещенных на данном листе, в точном соответствии с их наименованием на чертеже;

Наименования спецификаций и других таблиц, а также текстовых указаний, относящихся к изображениям, в графе не указывают;

- в графе 5 - наименование изделия и/или наименование документа;

- в графе 6 - условное обозначение вида документации:  П - для проектной документации, Р - для рабочей документации.

Для других видов документации графу не заполняют;

- в графе 7 - порядковый номер листа текстового документа. На документах, состоящих из одного листа, графу не заполняют;

- в графе 8 - общее количество листов документа. Графу заполняют только на первом листе;

- в графе 9 - наименование или различительный индекс организации, разработавшей документ;

- в графе 10 - характер работы, выполняемой лицом, подписывающим документ, в соответствии с формами 3-5. В свободных строках по усмотрению проектной организации приводят должности специалистов и руководителей, ответственных за разработку и проверку документа, и запись «Проверил».

Подписи лица, разработавшего данный документ, и нормоконтролера являются обязательными.

Подписи главного инженера (архитектора) проекта являются обязательными на листах общих данных по рабочим чертежам, наиболее значимых листах рабочих чертежей, графической части проектной и отчетной изыскательской документации;

- в графах 11-13 - фамилии и подписи лиц, указанных в графе 10, и дату подписания.

Подписи других должностных лиц и согласующие подписи размещают на поле для подшивки листа;

- в графах 14-19 - сведения об изменениях, которые заполняют в соответствии с 7.1.3.21;

- в графе 20 - инвентарный номер подлинника;

- в графе 21 - подпись лица, принявшего подлинник на хранение, и дату приемки;

- в графе 22 - инвентарный номер подлинника документа, взамен которого выпущен новый подлинник;

- в графе 23 - обозначение материала детали (графу заполняют только на чертежах деталей);

- в графе 24 - массу изделия, изображенного на чертеже, в килограммах, без указания единицы массы. Массу изделия в других единицах массы приводят с указанием единицы массы.

Пример - 2,4 m;

- в графе 25 - масштаб (проставляют в соответствии с ГОСТ 2.302);

- в графе 26 - обозначение формата листа по ГОСТ 2.301. Для электронного документа указывают формат листа, на котором изображение будет соответствовать установленному масштабу.

Примечание - В графах 19, 21 при указании календарной даты на бумажном носителе год указывают двумя последними цифрами.

Приложение И
(обязательное)

Расположение основной надписи, дополнительных граф к ней и размерных рамок на листах

Примечание - Размер в скобках указан для нижней рамки листов форматов А4 и А3.

Рисунок И.1

Приложение К
(обязательное)

Спецификации

Форма 7 - Спецификация

Форма 8 - Групповая спецификация

В спецификациях указывают:

- в графе «Поз.» - позиции (марки) элементов конструкций, установок;

- в графе «Обозначение» - обозначение основных документов на записываемые в спецификацию элементы конструкций, оборудование и изделия или стандартов (технических условий) на них;

- в графе «Наименование» - наименование элементов конструкций, оборудования, изделий и их марки. Допускается на группу одноименных элементов указывать наименование один раз и его подчеркивать;

- в графе «Кол.» формы 7 - количество элементов.

В графе «Кол.» формы 8 - вместо многоточия записывают «по схеме», «на этаж» и т.п., а ниже - порядковые номера схем расположения или этажей;

- в графе «Масса, ед., кг» - массу в килограммах. Допускается приводить массу в тоннах, но с указанием единицы массы;

- в графе «Примечание» - дополнительные сведения, например, единицу массы.

Приложение Л
(рекомендуемое)

Разрешение на внесение изменений

Форма 9 - Разрешение на внесение изменений (первый лист)

Форма 9а - Разрешение на внесение изменений (последующие листы)

Л.1 В графах разрешения указывают:

- в графе 1 - обозначение разрешения, состоящее из порядкового номера разрешения по книге регистрации разрешений по ГОСТ Р 21.1003 и через дефис - двух последних цифр года.

Пример - 15-09;

- в графе 2 - обозначение документа, в который вносят изменение;

- в графе 3 - наименование объекта строительства;

- в графе 4 - очередной порядковый номер, присваиваемый изменениям, которые вносят в документ по одному разрешению. Его указывают для всего документа, независимо от того, на скольких листах он выполнен. Порядковые номера изменений обозначают арабскими цифрами;

- в графе 5 - номера листов документа, в которые вносят изменения;

- в графе 6 - содержание изменения в виде текстового описания и/или графического изображения;

- в графе 7 - код причины изменения в соответствии с таблицей Л.1. Допускается код причины изменения не указывать. В этом случае в графе ставят прочерк;

Таблица Л.1

Код причины изменения

Причины изменения

1

Введение усовершенствований

2

Изменение стандартов и норм

3

Дополнительные требования заказчика

4

Устранение ошибок

5

Другие причины

 

-  в графе 8 - дополнительные сведения;

- в графах 9-11 - фамилии лиц, подписывающих разрешение, их подписи и даты подписания;

- в графе 12 - наименование проектной организации и подразделения (отдела), составившего разрешение;

- в графах 13-16 - наименование соответствующих подразделений или организаций, должности и фамилии лиц, с которыми в установленном порядке согласовывают разрешение, их подписи и даты подписания, а также подпись нормоконтролера;

- в графе 17 - порядковый номер листа разрешения. Если разрешение состоит из одного листа, графу не заполняют;

- в графе 18 - общее количество листов разрешения.

Л.2 Допускается для последующих листов разрешения использовать форму 9.

Примечания

1  Допускается дополнять форму графами для идентификации разрешения в электронном виде. Расположение и размеры граф проектная организация устанавливает самостоятельно.

2  В графах 11, 16 при указании календарной даты на бумажном носителе год указывают двумя последними цифрами.

Приложение М
(рекомендуемое)

Таблицы регистрации изменений

Форма 10 - Таблица регистрации изменений (титульный лист)

М.1 В графах таблицы регистрации изменений (форма 10) указывают:

- в графе «Изм.» - порядковый номер изменения документа или тома;

- в графе «Подп.» - подпись лица, ответственного за правильность внесения изменения;

- в графе «Дата» - дату внесения изменения.

М.2 При необходимости количество строк может быть увеличено.

М.3 При наличии в томе (документе) обложки таблицу внесения изменений размещают и на обложке.

Форма 11 - Таблица регистрации изменений (текстовый документ)

Таблица регистрации изменений

Изм.

Номера листов (страниц)

Всего листов (страниц) в док.

Номер док.

Подп.

Дата

измененных

замененных

новых

аннулированных

 

 

 

 

 

 

 

 

 

 

 

 

 

 

 

 

 

 

 

 

 

 

 

 

 

 

 

 

 

 

 

 

 

 

 

 

 

 

 

 

 

 

 

 

 

 

 

 

 

 

 

 

 

 

 

 

 

 

 

 

 

 

 

 

 

 

 

 

 

 

 

 

 

 

 

 

 

 

 

 

 

 

М.4 В графах таблицы регистрации изменений (форма 11) указывают:

- в графе «Изм.» - порядковый номер изменения документа;

- в графах «Номера листов (страниц) измененных, замененных, новых, аннулированных» - номера листов (страниц), соответственно измененных, замененных, добавленных и аннулированных  по  данному разрешению.

При замене всех листов подлинника (при очередном порядковом номере изменения документа) в графе «новых» указывают «Все». В остальных графах ставят прочерк;

- в графе «Всего листов (страниц) в док.» - количество листов (страниц) в текстовом документе после внесения изменений;

- в графе «Номер док.» - обозначение разрешения;

- в графе «Подп.» - подпись лица, ответственного за правильность внесения изменения;

- в графе «Дата» - дату внесения изменения.

М.5 Размеры граф таблицы устанавливает разработчик документа.

Приложение Н
(рекомендуемое)

Обложка и титульный лист

Форма 12 - Обложка и титульный лист

Примечание - Размеры титульного листа и обложки принимают в зависимости от формата тома, папки или альбома, к которым они выполняются.

Н.1 На титульном листе приводят следующие реквизиты:

- поле 1 - сокращенное, а при его отсутствии - полное наименование вышестоящей организации (при ее наличии; указывают, как правило, для государственных организаций);

- поле 2 - логотип (не обязательно), полное наименование организации, подготовившей документ;

- поле 3 - наименование объекта капитального строительства и, при необходимости, вид строительства.

Наименование объекта строительства на титульном листе должно соответствовать сведениям, приводимым в графах 2 и 3 основной надписи (см. приложение Ж);

- поле 4 - вид документации;

- поле 5 - наименование  документа;

- поле 6 - обозначение документа;

- поле 7 - номер тома, части, книги (при наличии);

- поле 8 - должности лиц, ответственных за разработку документа;

- поле 9 - подписи лиц, указанных на поле 8, и даты подписания, выполняемые согласно ГОСТ Р 6.30.

Для отчетной изыскательской документации на этом поле проставляют заверяющую печать организации - исполнителя инженерных изысканий;

- поле 10 - инициалы и фамилии лиц, указанных на поле 8;

- поле 11 - год выпуска документа;

- поле 12 - для размещения таблицы внесения изменений по форме 10 приложения М;

- поле 13 - для дополнительных граф основной надписи в соответствии с приложением Ж.

 

Н.2 На обложке приводят следующие реквизиты:

- поля 1-7, 11, 12 - приводят реквизиты, аналогичные реквизитам титульного листа.

- поля 8-10 - для обложки не заполняют;

- поле 13 - не выполняют.

Приложение П
(справочное)

Примеры выполнения титульных листов*

Рисунок П.1 - Пример выполнения титульного листа тома проектной документации

_______________________________

* приведенные примеры являются условными

Рисунок П.2 - Пример выполнения титульного листа тома (папки) рабочей документации

Приложение Р
(обязательное)

Состав проектной документации

Форма 13 - Состав проектной документации.

                    Состав отчетной документации по инженерным изысканиям

В отчетной документации указывают:

- в графе «Номер тома» - порядковый номер тома или номер тома, включающий номер раздела и, при наличии, номер части, книги (см. 4.1.1, 4.1.3), разделенных точками.

Пример - 1,  2.1,  2.2,  5.5.1,  5.5.2;

- в графе «Обозначение» - обозначение документа, указанное на титульном листе, и, при необходимости, наименование или различительный индекс организации, выпустившей документ;

- в графе «Наименование» - наименование документа в точном соответствии с наименованием, указанным на титульным листе;

- в графе «Примечание» - дополнительные сведения, в том числе о внесенных изменениях.

Приложение С
(обязательное)

Штампы привязки

Форма 14 - Штамп привязки (первый лист)

Форма 14 - Штамп привязки (последующие листы)

При заполнении штампов привязки указывают:

- в графе 1 - новое обозначение привязываемого документа;

- в графе 2 - наименование организации, выполнившей привязку;

- в графе 3 - наименование строящегося предприятия, здания или сооружения, для которых выполнена привязка;

- в графах 4-7 - должности и фамилии лиц, ответственных за привязку, а также лица, осуществившего нормоконтроль, их подписи и даты подписания;

- в графе 8 - инвентарный номер, присвоенный привязанному документу;

- в графе 9 - количество листов привязанного документа;

- графах 10, 11 - подпись лица, принявшего привязанный документ на хранение, и дату подписания.

Библиография

[1] Градостроительный Кодекс Российской Федерации (введен в действие Федеральным законом от 29 декабря 2004 года N 190-ФЗ)

[2] Положение о составе разделов проектной документации и требованиях к их содержанию (утверждено Постановлением Правительства Российской Федерации от 16 февраля 2008 г. № 87)

[3] Методические рекомендации. МДС 81-35.2004 Методика определения стоимости строительной продукции на территории Российской Федерации

[4] Положение о критериях отнесения проектной документации к типовой проектной докумен­тации, а также к модифицированной типовой проектной документации, не затра­гивающей конструктивных и других характеристик надежности и безопасности объектов капитального строительства (утверждено Приказом Министерства регионального развития Российской Федерации от 9 июля 2007 г. № 62)

 

УДК 691:002:006.354                         МКС 01.100.30                                  Ж01

Ключевые слова:  проектная документация, рабочая документация, основные требования, основной комплект рабочих чертежей, основная надпись, внесение изменений, титульный лист

 

Национальные и межгосударственные стандарты

 

Номер и название стандарта

Дата введения в действие

Примечание

 

1.

ГОСТ Р 53387-2009 «Лифты, эскалаторы и пассажирские конвейеры. Методология анализа и снижения риска»(MOD).

Код 91.140.90.

01.07.2010

Взамен ГОСТ Р ИСО/ТС 14798-2003.

 

2.

ГОСТ Р 53388-2009 (ИСО 4190-5:2006) «Лифты. Устройства управления, сигнализации и дополнительное оборудование»(MOD).

01.07.2010

Введен впервые.

 

 

Инструктивно-распорядительные и методические документы в области строительства
Министерства регионального развития Российской Федерации (Минрегиона России)

 

Название документа

Дата утверждения

Примечание

1.

«О разъяснениях по вопросам договорных отношений в связи с принятием Правил поставки газа для обеспечения коммунально-бытовых нужд граждан, утвержденных постановлением Правительства РФ от 21 июля 2008 г. № 549»

18.06.2009

Письмо

Минрегиона России

№ 18627-СК/14

Текст письма приводится ниже.

 

2.

«О разъяснениях по вопросам учета газа и расчета за поставленные объемы газа»

18.06.2009

Письмо

Минрегиона России

№ 18631-СК/14

Текст письма приводится ниже.

 

3.

«О размере платы за проведение государственной экспертизы нежилых объектов капитального строительства  и (или) результатов инженерных изысканий»

18.06.2009

Письмо

Минрегиона России

№ 18712-ИМ/08

Текст письма приводится ниже.

 

4.

«Об учете стоимостных показателей работ в сводном сметном расчете стоимости строительства»

23.06.2009

Письмо

Минрегиона России

№ 19281-ИП/08

Текст письма приводится ниже.

 

5.

«О выборе метода составления сметной документации и разработке локальных смет»

01.07.2009

Письмо

Минрегиона России

№ 20224-ИП/08

Текст письма приводится ниже.

 

6.

«Об учете средств на финансирование затрат по строительному контролю»

03.07.2009

Письмо

Минрегиона России

№ 20599-ИП/08

Текст письма приводится ниже.

 

7.

«Об утверждении типовой формы соглашения между ответственными исполнителями регионального инвестиционного проекта и Министерством регионального развития Российской Федерации о предоставлении бюджетных ассигнований Инвестиционного фонда Российской Федерации для реализации регионального инвестиционного проекта»

15.08.2009

Приказ

Минрегиона России

№ 339

Приложение – Типовая форма соглашения между ответственными исполнителями регионального инвестиционного проекта и Министерством регионального развития Российской Федерации о предоставлении бюджетных ассигнований Инвестиционного фонда Российской Федерации для реализации регионального инвестиционного проекта.

 

8.

«О подведомственном федеральном государственном учреждении, уполномоченном на проведение проверки достоверности определения сметной стоимости объектов капитального строительства, строительство которых финансируется с привлечением средств федерального бюджета»

13.10.2009

Приказ

Минрегиона России

№ 474

Подведомственное федеральное госучреждение, уполномоченное на проведение проверки достоверности определения сметной стоимости объектов капитального строительства, строительство которых финансируется с привлечением средств федерального бюджета - ФГУ "Главное управление государственной экспертизы"

 

9.

«О внесении изменений в приказ Министерства регионального развития Российской Федерации от 9 декабря 2008 г. № 274 «Об утверждении Перечня видов работ по инженерным изысканиям, по подготовке проектной документации, по строительству, реконструкции, капитальному ремонту объектов капитального строительства, которые оказывают влияние на безопасность объектов капитального строительства»

21.10.2009

Приказ

Минрегиона России

№ 480

Текст приказа приводится ниже.

 

10.

«О нормативе стоимости 1 квадратного метра общей площади жилья на первое полугодие 2010 года и средней рыночной стоимости 1 квадратного метра общей площади жилья по субъектам Российской Федерации на первый квартал 2010 года»

25.12.2009

Приказ

Минрегиона России

№ 603

Текст приказа с приложением приводится ниже.

 

 

Письмо Министерства регионального развития РФ от 18.06.2009 г. № 18627-СК/14

«О разъяснениях по вопросам договорных отношений в связи с принятием Правил поставки газа для обеспечения коммунально-бытовых нужд граждан, утвержденных постановлением Правительства РФ от 21 июля 2008 г. № 549»

 

 

Министерство регионального развития Российской Федерации в связи с многочисленными обращениями органов исполнительной власти субъектов Российской Федерации, органов местного самоуправления, потребителей и поставщиков газа, в целях формирования единообразной практики применения Правил поставки газа для обеспечения коммунально-бытовых нужд граждан, утвержденных постановлением Правительства Российской Федерации от 21 июля 2008 года N 549 (далее - Правила поставки газа для обеспечения коммунально-бытовых нужд граждан), направляет разъяснения по вопросам договорных отношений с принятием Правил поставки газа для обеспечения коммунально-бытовых нужд граждан и ранее заключенным договорам газоснабжения, порядка и условий договора, приостановления исполнения договора и расторжения договора для обеспечения коммунально-бытовых нужд граждан в судебном порядке поставки газа.

1. Соотношение Правил поставки газа для обеспечения коммунально-бытовых нужд граждан и ранее заключенных договоров газоснабжения

В соответствии с частью 4 статьи 426 Гражданского кодекса Российской Федерации (далее - Гражданский кодекс) в случаях, предусмотренных законом, Правительство Российской Федерации может издавать правила, обязательные для сторон при заключении и исполнении публичных договоров (типовые договоры, положения и т.п.).

Газоснабжение является одной из форм энергоснабжения (часть 1 статья 539 и часть 2 статья 548 Гражданского кодекса). Договор энергоснабжения относится к публичным договорам (часть 1 статья 426 Гражданского кодекса).

Постановление Правительства Российской Федерации от 21 июля 2008 г. N 549 принято в соответствии с Федеральным законом от 31 марта 1999 г. N 69-ФЗ "О газоснабжении в Российской Федерации", согласно статье 8 которого Правительство Российской Федерации утверждает правила поставок газа.

Таким образом, Правила поставки газа для обеспечения коммунально-бытовых нужд граждан являются обязательными как при заключении, так и при исполнении ранее заключенных договоров поставки газа для обеспечения коммунально-бытовых нужд граждан. В соответствии с частью 1 статьи 421 Гражданского кодекса граждане и юридические лица свободны в заключение договора.

Изменение и расторжение договора возможны по соглашению сторон, если иное не предусмотрено Гражданским кодексом, другими законами или договором (часть 1 статья 450 Гражданского кодекса).

Пунктом 2 постановления Правительства Российской Федерации от 21 июля 2008 г. N 549 установлено, что договоры поставки газа, заключенные до вступления в силу Правил поставки газа для обеспечения коммунально-бытовых нужд граждан сохраняют юридическую силу до истечения срока их действия или до их перезаключения.

Таким образом, понуждение абонентов к перезаключению договоров газоснабжения, в том числе договоров, которые считаются заключенными с момента первого фактического подключения абонента в установленном порядке к присоединенной сети (часть 1 статья 540 Гражданского кодекса), является недопустимым.

В то же время, в целях формирования единого правового поля в отношениях по поставкам газа для обеспечения коммунально-бытовых нужд граждан рекомендуем поставщикам газа проводить договорную кампанию, направленную на оформление письменных договоров с абонентами-владельцами жилых помещений.

Органам государственной власти и местного самоуправления рекомендуем оказывать в рамках предоставленных полномочий поставщикам газа информационную и организационную поддержку в проведении договорной компании.

2. Порядок заключения договора

В соответствии с пунктом 3 Правил поставки газа для обеспечения коммунально-бытовых нужд граждан абонентом по договору поставки газа для обеспечения коммунальных услуг гражданам может выступать как физическое лицо, приобретающее газ для удовлетворения личных, семейных, домашних и иных нужд, не связанных с осуществлением предпринимательской деятельности, так и юридическое лицо, являющееся исполнителем коммунальной услуги газоснабжения.

Правила не ограничивают возможность заключения договоров поставки газа между собственниками жилых помещений в многоквартирном доме и поставщиком газа и в том случае, когда управление многоквартирным домом осуществляется юридическим лицом (управляющей организацией, товариществом собственников жилья, жилищно-строительным, жилищным и иным специализированным кооперативом).

В то же время, в соответствии с пунктом 5 статьи 155 Жилищного кодекса Российской Федерации (далее - Жилищный кодекс) члены товарищества собственников жилья либо жилищного кооператива или иного специализированного потребительского кооператива, вносят обязательные платежи и (или) взносы, связанные с оплатой коммунальных услуг, и порядке, установленном органами управления товарищества собственников жилья либо органами управления жилищного кооператива или органами управления иного специализированного потребительского кооператива.

Пунктом 6 статьи 155 Жилищного кодекса предусмотрено, что не являющиеся членами товарищества собственников жилья либо жилищного кооператива или иного специализированного потребительского кооператива собственники помещений в многоквартирном доме, в котором созданы товарищество собственников жилья либо жилищный кооператив или иной специализированный потребительский кооператив, вносят плату за жилое помещение и коммунальные услуги в соответствии с договорами, заключенными с товариществом собственников жилья либо жилищным кооперативом или иным специализированным потребительским кооперативом.

Жилищный кодекс не ограничивает право членов товарищества собственников жилья либо жилищного кооператива или иного специализированного потребительского кооператива установить порядок несения расходов на оплату коммунальных услуг путем заключения индивидуальных договоров с ресурсоснабжающими организациями.

Аналогичные положения могут быть предусмотрены договорами, заключенными лицами, не являющимися членами товарищества собственников жилья либо жилищного кооператива или иного специализированного потребительского кооператива, соответственно с товариществом собственников жилья.

В случае принятия органами управления товарищества собственников жилья либо органами управления жилищного кооператива или органами управления иного специализированного потребительского кооператива указанного механизма внесения платы за коммунальные услуги нормативных препятствий к заключению договоров между поставщиком газа и собственниками жилых помещений в многоквартирном доме нет.

В тех случаях, когда органами управления товарищества собственников жилья либо органами управления жилищного кооператива или органами управления иного специализированного потребительского кооператива принято решение о внесении платы за коммунальные услуги в их адрес, то договор поставки газа для обеспечения коммунально-бытовых нужд граждан должен быть заключен поставщиком газа с товариществом собственников жилья либо жилищным кооперативом или иным специализированным потребительским кооперативом.

При этом необходимо принимать во внимание, что отсутствие подключенного к входящему в состав внутридомового газового оборудования газопроводу коллективного (общедомового) прибора (узла) учета газа, отвечающего установленным для таких приборов требованиям, является основанием для отказа поставщиком газа в заключение договора поставки газа для обеспечения коммунально-бытовых нужд граждан юридическому лицу, приобретающему газ в качестве коммунального ресурса для предоставления гражданам коммунальной услуги по газоснабжению (подпункт "а" пункта 13 Правил поставки газа для обеспечения коммунально-бытовых нужд граждан).

3. Условия договора поставки газа для обеспечения коммунально-бытовых нужд граждан

В соответствии с пунктом 1 статьи 432 Гражданского кодекса договор считается заключенным, если между сторонами, в требуемой в подлежащих случаях форме, достигнуто соглашение по всем существенным условиям договора.

При этом существенными являются условия о предмете договора, которые названы в законе или иных правовых актах как существенные или необходимые для договоров данного вида, а также все те условия, относительно которых по заявлению одной из сторон должно быть достигнуто соглашение.

Пункты 15 и 16 Правил поставки газа для обеспечения коммунально-бытовых нужд граждан прямо не называют перечисленный в нем перечень сведений, подлежащих указанию в договоре, его существенными условиями.

Вместе с тем, содержание названного пункта говорит о том, что предусмотренные им положения носят императивный характер и указывают на необходимость включения в договор соответствующих сведений. 

Пункт 13 Правил поставки газа для обеспечения коммунально-бытовых нужд граждан предусматривает право поставщика газа на отказ от заключения договора в случае непредоставления абонентом при направлении оферты сведений, необходимых для отражения в договоре.

Таким образом, пункты 15 и 16 Правил поставки газа для обеспечения коммунально-бытовых нужд граждан устанавливают перечень существенных условий договора.

В то же время, согласно пункту 2 постановления Правительства Российской Федерации от 21 июля 2008 г. N 549 установлено, что договоры поставки газа, заключенные до вступления в силу Правил поставки газа для обеспечения коммунально-бытовых нужд граждан сохраняют юридическую силу.

В связи с этим, отсутствие в договорах газоснабжения, заключенных до вступления в силу Правил поставки газа для обеспечения коммунально-бытовых нужд граждан, существенных условий, предусмотренных пунктами 15 и 16 Правил поставки газа для обеспечения коммунально-бытовых нужд граждан, не является основанием для признания их незаключенными.

4. Приостановление исполнения договора и расторжение договора в судебном порядке

Пункт 46 Правил поставки газа для обеспечения коммунально-бытовых нужд граждан предусматривает, что до приостановления исполнения поставщиком своих обязательств последний обязан направить абоненту два уведомления (за 40 и за 20 дней до предполагаемой даты приостановления подачи газа).

Как следует из данной нормы, у поставщика газа существует обязанность направить письменное уведомление, но не обеспечить его вручение.

При этом возможно вручение уведомления о предстоящей приостановке подачи газа не непосредственно абоненту, а лицу, зарегистрированному по месту проживания в домовладении.

В соответствии с пунктом 53 Правил поставки газа для обеспечения коммунально-бытовых нужд граждан договор по иску поставщика газа может быть расторгнут в судебном порядке в случае, если абонент в течение 3 месяцев со дня приостановления подачи газа не принял мер по устранению причин, послуживших основанием для приостановления поставки газа, указанных в пункте 45 и подпункте "в" пункта 47 Правил поставки газа для обеспечения коммунально-бытовых нужд граждан.

На практике во многих случаях, когда абонент препятствует (уклоняется) в допуске представителей поставщика газа в жилое помещение либо поставщик газа не имеет фактической возможности в доступе в жилое помещение (отсутствие проживающих в жилом помещении), технически невозможно приостановить газоснабжение по конкретному договору без нарушения прав и законных интересов других абонентов.

В такой ситуации необходимо исходить из того, что трехмесячный срок следует исчислять с даты приостановления, указанной в уведомлении о приостановлении поставки газа.

В то же время, бремя доказывания технической невозможности приостановления газоснабжения по договору без доступа в жилое помещение лежит на поставщике газа.

Документальным подтверждением технической невозможности приостановления подачи газа может служить письменное заключение газораспределительной организации либо акт, фиксирующий выезд представителей поставщика газа и газораспределительной организации для приостановления газоснабжения.

 

С.И. Круглик

 

 

Письмо Министерства регионального развития РФ от 18.06.2009 г. № 18631-СК/14

«О разъяснениях по вопросам учета газа и расчета за поставленные объемы газа»

 

 

Министерство регионального развития Российской Федерации в связи с многочисленными обращениями органов исполнительной власти субъектов Российской Федерации, органов местного самоуправления, потребителей и поставщиков газа, в целях формирования единообразной практики применения Правил поставки газа для обеспечения коммунально-бытовых нужд граждан, утвержденных постановлением Правительства Российской Федерации от 21 июля 2008 года N 549 (далее - Правила поставки газа для обеспечения коммунально-бытовых нужд граждан), направляет разъяснения по вопросам учета газа и расчета за поставленные объемы газа.

В соответствии с подпунктом "г" пункта 21 Правил поставки газа для обеспечения коммунально-бытовых нужд граждан к обязанностям абонента при исполнении договора относится сообщать поставщику газа сведения о показаниях прибора учета в установленный в договоре срок, если иной способ получения поставщиком газа таких сведений не установлен договором.

Согласно пункту 31 Правил поставки газа для обеспечения коммунально-бытовых нужд граждан, в случае, если абонент в установленный договором срок не представил поставщику газа сведения о показаниях прибора учета газа, объем потребленного газа за прошедший расчетный период и до расчетного периода, в котором абонент возобновил представление указанных сведений, определяется в соответствии с нормативами потребления.

Пункт 41 Правил поставки газа для обеспечения коммунально-бытовых нужд граждан содержит общую норму, согласно которой размер платы за потребленный газ рассчитывается как произведение объема потребленного газа по показаниям прибора учета, а при их отсутствии - в порядке, установленном пунктами 32 - 38 Правил поставки газа для обеспечения коммунально-бытовых нужд граждан, и розничных цен на газ, установленных для населения в соответствии с законодательством Российской Федерации.

По отношению к вышеуказанному общему положению, пункт 31 Правил поставки газа для обеспечения коммунально-бытовых нужд граждан, является специальной нормой, предусматривающей применение нормативов для определения объемов потребления и, соответственно, расчета размера платы за газ, в случае, если приборы учета установлены, но абонент в нарушение условий договора не предоставляет поставщику сведения об их показаниях за соответствующий расчетный период.

Данная норма предназначена для установления нейтрального баланса интересов поставщика газа и абонента путем стимулирования последнего к своевременному сообщению объема фактически потребленного и подлежащего оплате газа за месяц (расчетный период).

Норма пункта 31 Правил поставки газа для обеспечения коммунально-бытовых нужд граждан не предназначена для систематического применения и используется только к абонентам, нарушающим условия договора.

При этом использование в качестве условной величины потребления газа абонентом нормативов потребления является наиболее обоснованным, поскольку они утверждаются уполномоченным органом государственной власти на основании принятого Правительством Российской Федерации алгоритма расчета (постановления Правительства Российской Федерации от 23 мая 2006 г. N 306 и от 13 июня 2006 г. N 373).

Действительно, объемы потребленного газа, рассчитанные по нормативам, почти всегда будут отличаться от объема фактически потребленного газа, определенного по показаниям прибора учета.

Но такой механизм расчета платы носит временный характер и рассчитан на период, когда поставщику газа неизвестен объем фактического потребления.

В том случае, если поставщик газа будет иметь документально подтвержденные данные о фактическом потреблении газа (показания исправных приборов учета), абонент вправе потребовать произвести перерасчет стоимости потребленного газа, рассчитанного ему ранее исходя из нормативов потребления. Указанное толкование соответствует смыслу пункта 1 статьи 157 Жилищного кодекса, предусматривающего определение размера платы за коммунальные услуги исходя из объема потребляемых коммунальных услуг, определяемого по показаниям приборов учета, и лишь при их отсутствии исходя из нормативов потребления коммунальных услуг, утверждаемых в установленном порядке.

Учитывая вышеизложенное, применение норматива потребления газа к абонентам, не представившим показания приборов учета, не противоречит положениям гражданского, жилищного законодательства и законодательства о защите прав потребителя.

Нормы Правил поставки газа для обеспечения коммунально-бытовых нужд граждан о применении нормативов должны применяться в установленных случаях нарушения абонентом договорных условий.

Однако при последующем представлении данных о потреблении газа (показаний приборов учета) поставщику газа необходимо по заявлению потребителя произвести перерасчет, исходя из документально подтвержденных показаний исправного прибора учета.

В связи с тем, что действующим законодательством порядок осуществления перерасчета не предусмотрен, то рекомендуем предусмотреть его в договоре. Пунктом 31 Правил поставки газа для обеспечения коммунально-бытовых нужд граждан установлено, что объем потребленного газа рассчитывается по нормативам потребления газа за прошедший расчетный период и до расчетного периода, в котором абонент возобновил представление сведений о показаниях прибора учета.

Определение объема потребляемого газа по показаниям прибора учета газа возобновляется со дня, следующего за днем проведения проверки, осуществляемой поставщиком газа по заявке абонента.

Из положений Правил поставки газа для обеспечения коммунально-бытовых нужд граждан следует, что прошедшим расчетным периодом будет являться период времени с даты последнего получения поставщиком газа сведений от абонента (либо иного последнего получения документально подтвержденных данных организацией относительно количества потребленного газа на конкретную дату) до периода, в котором абонент возобновил представление соответствующих сведений.

Абзац 1 пункта 31 Правил поставки газа для обеспечения коммунально-бытовых нужд граждан указывает на определение объемов потребленного газа по нормативам потребления до того периода, в котором абонент возобновил представление указанных сведений.

В соответствии с абзацем 2 пункта 31 Правил поставки газа для обеспечения коммунально-бытовых нужд граждан, определение объема потребляемого газа по показаниям прибора учета возобновляется со дня, следующего за днем проведения проверки, осуществляемой поставщиком газа по заявке абонента.

В соответствии с подпунктом "ж" пункта 22 Правил поставки газа для обеспечения коммунально-бытовых нужд граждан поставщик газа обязан обеспечивать выполнение заявок абонентов в течение 5 рабочих дней.

Таким образом, определение объема потребляемого газа по показаниям прибора учета возобновляется со дня, следующего за днем проведения проверки поставщиком газа либо на шестой рабочий день с даты поступления поставщику газа заявки от абонента в случае непроведения проверки в срок, предусмотренный подпунктом "ж" пункта 22 Правил поставки газа для обеспечения коммунально-бытовых нужд граждан.

В последнем случае данные абонента о показаниях прибора учета считаются достоверными, пока поставщиком газа не доказано обратное.

Согласно абзацу 4 пункта 31 Правил поставки газа для обеспечения коммунально-бытовых нужд граждан в случае, если абонент заблаговременно уведомил поставщика газа о непредставлении сведений о показаниях прибора учета газа в связи с тем, что все граждане, проживающие в жилом помещении (жилом доме), газоснабжение которого обеспечивается в соответствии с договором, будут отсутствовать по этому месту жительства более 1 месяца, положения пункта 31 не применяются.

Пунктом 40 Правил поставки газа для обеспечения коммунально-бытовых нужд граждан предусмотрено, что внесение абонентом поставщику газа платы за потребленный газ осуществляется ежемесячно, до 10-го числа месяца, следующего за истекшим расчетным периодом, которым является календарный месяц, если договором не установлено иное.

Согласно пункту 41 Правил поставки газа для обеспечения коммунально-бытовых нужд граждан размер платы за потребленный газ рассчитывается как произведение объема потребленного газа и розничных цен на газ.

Из комплексного анализа положений пунктов 31, 40 и 41 Правил поставки газа для обеспечения коммунально-бытовых нужд граждан следует, что под заблаговременным уведомлением поставщика газа, упомянутым в абзаце 4 пункта 31 Правил поставки газа для обеспечения коммунально-бытовых нужд граждан, понимается направление абонентом заявления о неначислении платы за газ до наступления расчетного периода (по общему правилу - календарного месяца), в котором будет отсутствовать потребление по причине выбытия всех граждан, проживающих в жилом помещении (жилом доме).

 

С.И. Круглик

 

 

Письмо Министерства регионального развития РФ от 18.06.2009 г. № 18712-ИМ/08

«О размере платы за проведение государственной экспертизы нежилых объектов капитального строительства и (или) результатов инженерных изысканий»

 

 

Министерством регионального развития Российской Федерации рассмотрено обращение и сообщается следующее.

Согласно пункту 56 Положения об организации и проведении государственной экспертизы проектной документации и результатов инженерных изысканий, утвержденного Постановлением Правительства Российской Федерации от 5 марта 2007 г. № 145 (далее - Положение), размер платы за проведение государственной экспертизы нежилых объектов капитального строительства и (или) результатов инженерных изысканий рекомендуется осуществлять от стоимости проектных и (или) изыскательских работ.

При этом стоимость изготовления проектной документации и (или) материалов инженерных изысканий принимается в размере, не превышающем стоимости, установленной заказчиком при определении начальной (максимальной) цены конкурса (аукциона) на выполнение указанных работ.

 

И.о. директора Департамента регулирования

градостроительной деятельности                                   И.В. Миронов

 

 

Письмо Министерства регионального развития РФ от 23.06.2009 г. № 19281-ИП/08

«Об учете стоимостных показателей работ в сводном сметном расчете стоимости строительства»

 

 

Министерством регионального развития Российской Федерации рассмотрено обращение и сообщается следующее.

Так как составление сводного сметного расчета стоимости строительства (далее - ССР) производится после заключения договора между заказчиком и проектной организацией на выполнение проектно-изыскательских работ, то в главе 12 «Проектные и изыскательские работы» ССР рекомендуется учитывать стоимостные показатели указанных работ, соответствующие показателям, указанным в договоре на их выполнение.

В связи с изложенным требование Главгосэкспертизы о включении в ССР стоимости строительства, стоимости проектно-изыскательских работ, отличных от учтенных в договоре на их выполнение, по мнению Минрегиона России, не правомерно.

При этом необходимо иметь в виду, что базовая стоимость проектно-изыскательских работ определяется в уровне цен, действовавших на 01.01.2001, а сводный сметный расчет стоимости строительства составляется с учетом базовых цен в уровне цен на 01.01.2000.

 

Директор Департамента регулирования

градостроительной деятельности                                   И.В. Пономарев

 

 

Письмо Министерства регионального развития РФ от 01.07.2009 г. № 20224-ИП/08

«О выборе метода составления сметной документации и разработке локальных смет»

 

 

Министерством регионального развития Российской Федерации рассмотрено обращение, и по поставленным вопросам сообщается следующее.

Главным критерием при выборе метода составления сметной документации является метод, с применением которого возможно наиболее точное определение сметной стоимости проектируемого объекта на стадии разработки проектной документации.

Исходя из этого, если на стадии разработки проектной документации, выполненной в соответствии с Постановлением Правительства Российской Федерации от 16 февраля 2008 г. № 87 «О составе разделов проектной документации и требованиях к их содержанию», возможна разработка локальных смет (и их проверка экспертным органом) на весь объект или на отдельные виды работ, конструктивные элементы (например: строительная часть, благоустройство, дороги, электроснабжение и т.д.), Минрегион России рекомендует определение стоимости строительства осуществлять на основании локальных смет.

При этом по конструктивным элементам (системам), по которым невозможна разработка локальных смет, рекомендуется составление локальных сметных расчетов на основании стоимостных показателей ранее запроектированных (построенных) объектов-аналогов.

В случае невозможности составления локальных смет на стадии разработки проектной документации определение стоимости строительства рекомендуется осуществлять на основании сметных расчетов, выполняемых с применением укрупненных сметных нормативов или запроектированных (ранее построенных) объектов-аналогов.

Выбор метода определения стоимости строительства на стадии проектная документация осуществляется заказчиком по согласованию с проектной организацией.

 

Директор Департамента регулирования

градостроительной деятельности                                   И.В. Пономарев

 

 

Письмо Министерства регионального развития РФ от 03.07.2009 г. № 20599-ИП/08

«Об учете средств на финансирование затрат по строительному контролю»

 

 

Министерством регионального развития Российской Федерации рассмотрено обращение и сообщается следующее.

Постановлением Правительства Российской Федерации от 15 апреля 1996 г. № 480 «Об утверждении федеральной целевой программы «Экономическое и социальное развитие Дальнего Востока и Забайкалья на период до 2013 года» с учетом изменений и дополнений, внесенных в текст документа Постановлением Правительства Российской Федерации от 10 января 2009 г. № 15, предусмотрено, что при реализации подпрограммы «Развитие г. Владивостока как центра международного сотрудничества в Азиатско-Тихоокеанском регионе» государственные заказчики могут в установленном порядке на договорной основе делегировать осуществление функций заказчика-застройщика соответствующим государственным учреждениям (дирекциям строящихся объектов). При этом государственный заказчик или заказчик-застройщик может заключать с организацией, определенной в соответствии с законодательством Российской Федерации, договор об оказании услуг по осуществлению строительного контроля на строящихся объектах.

Средства на оплату данных услуг указанной организации должны предусматриваться в сводном сметном расчете стоимости строительства.

Таким образом, в случае, если средства на финансирование затрат по строительному контролю не предусмотрены в сметной документации, Минрегион России рекомендует их учитывать за счет резерва средств на непредвиденные работы и затраты.

В случае осуществления строительного контроля на объектах данной подпрограммы государственным заказчиком или заказчиком-застройщиком собственными силами, без привлечения сторонних организаций, расходы на осуществление таких видов деятельности учитываются в смете доходов и расходов государственного заказчика или заказчика-застройщика как государственных учреждений.

 

Директор Департамента регулирования

градостроительной деятельности                                   И.В. Пономарев

 

 

Приказ Министерства регионального развития РФ от 21.10.2009 г. № 480

«О внесении изменений в приказ Министерства регионального развития Российской Федерации от 9 декабря 2008 г. № 274 «Об утверждении Перечня видов работ по инженерным изысканиям, по подготовке проектной документации, по строительству, реконструкции, капитальному ремонту объектов капитального строительства, которые оказывают влияние на безопасность объектов капитального строительства»

 

 

В целях оптимизации перечня видов работ по инженерным изысканиям, по подготовке проектной документации, по строительству, реконструкции, капитальному ремонту объектов капитального строительства, которые оказывают влияние на безопасность объектов капитального строительства, в соответствии со статьями 48, 52, 53 и 55.8 Градостроительного кодекса Российской Федерации (Собрание законодательства Российской Федерации, 2005, N 1 (часть 1), ст. 16) приказываю:

 

Внести следующие изменения в приказ Министерства регионального развития Российской Федерации от 9 декабря 2008 г. N 274 "Об утверждении Перечня видов работ по инженерным изысканиям, по подготовке проектной документации, по строительству, реконструкции, капитальному ремонту объектов капитального строительства, которые оказывают влияние на безопасность объектов капитального строительства" (зарегистрирован Министерством юстиции Российской Федерации 16 января 2009 г., регистрационный N 13086) (далее - приказ):

 

1. В абзаце первом пункта 2 приказа слова "объектов, проектная документация которых не подлежит государственной экспертизе в соответствии с частью 2 статьи 49 Градостроительного кодекса Российской Федерации, в том числе объектов индивидуального жилищного строительства и предназначенных для проживания не более чем двух семей жилых домов" заменить словами "объектов индивидуального жилищного строительства (отдельно стоящих жилых домов с количеством этажей не более чем три, предназначенных для проживания не более чем двух семей)".

 

2. В Перечне видов работ по инженерным изысканиям, по подготовке проектной документации, по строительству, реконструкции, капитальному ремонту объектов капитального строительства, которые оказывают влияние на безопасность объектов капитального строительства, утвержденном приказом:

а) в пункте 6 раздела I "Виды работ по инженерным изысканиям" Перечня исключить слова ", их строительных конструкций";

б) раздел II "Виды работ по подготовке проектной документации" Перечня дополнить пунктами 13 и 14 следующего содержания:

"13. Работы по обследованию строительных конструкций зданий и сооружений

14. Работы по организации подготовки проектной документации привлекаемым застройщиком или заказчиком на основании договора юридическим лицом или индивидуальным предпринимателем (генеральным проектировщиком)".

в) раздел III "Виды работ по строительству, реконструкции, капитальному ремонту" Перечня дополнить пунктами 36 - 38 следующего содержания:

"36. Работы по осуществлению строительного контроля застройщиком

37. Работы по осуществлению строительного контроля привлекаемым застройщиком или заказчиком на основании договора юридическим лицом или индивидуальным предпринимателем

38. Работы по организации строительства, реконструкции и капитального ремонта привлекаемым застройщиком или заказчиком на основании договора юридическим лицом или индивидуальным предпринимателем (генеральным подрядчиком)".

 

3. Контроль исполнения настоящего приказа возложить на заместителя Министра регионального развития Российской Федерации С.И. Круглика.

 

Министр                            В. Басаргин

 

Зарегистрировано в Минюсте РФ 22 декабря 2009 г.

Регистрационный N 15789

 

 

Приказ Министерства регионального развития РФ от 25.12.2009 г. № 603

«О нормативе стоимости 1 квадратного метра общей площади жилья на первое полугодие 2010 года и средней рыночной стоимости 1 квадратного метра общей площади жилья по субъектам Российской Федерации на первый квартал 2010 года»

 

 

В соответствии с пунктом 3 постановления Правительства Российской Федерации от 21 марта 2006 г. № 153 «О некоторых вопросах реализации подпрограммы «Выполнение государственных обязательств по обеспечению жильем категорий граждан, установленных федеральным законодательством» федеральной целевой программы «Жилище» на 2002-2010 годы» (Собрание законодательства Российской Федерации, 2006, № 13, ст. 1405; 2007, № 43, ст. 5208; 2008, № 15, ст. 1564; 2009, № 20, ст. 2472), приказываю:

1. Утвердить на первое полугодие 2010 года норматив стоимости 1 квадратного метра общей площади жилья (в рублях) по Российской Федерации в размере 28 000 (двадцать восемь тысяч) рублей.

2. Утвердить среднюю рыночную стоимость 1 квадратного метра общей площади жилья (в рублях) по субъектам Российской Федерации, подлежащую применению федеральными органами исполнительной власти, органами исполнительной власти субъектов Российской Федерации для расчета размеров социальных выплат, выделяемых в соответствии с планами на I квартал 2010 года, для всех категорий граждан, которым указанные социальные выплаты предоставляются за счет средств федерального бюджета на приобретение жилых помещений, в размерах согласно приложению.

 

И.о. Министра                              В.А. Токарев

Средняя рыночная стоимость 1 квадратного метра общей площади жилья по субъектам Российской Федерации на первый квартал 2010 года

Центральный федеральный округ

1

Белгородская область

25 700

2

Брянская область

26 850

3

Владимирская область

28 100

4

Воронежская область

24 950

5

Ивановская область

23 750

6

Калужская область

30 000

7

Костромская область

26 900

8

Курская область

22 700

9

Липецкая область

27 700

10

Московская область

42 950

11

Орловская область

24 150

12

Рязанская область

28 550

13

Смоленская область

24 250

14

Тамбовская область

23 450

15

Тверская область

33 300

16

Тульская область

27 800

17

Ярославская область

30 100

18

г. Москва

73 800

Северо-Западный федеральный округ

19

Республика Карелия

33 850

20

Республика Коми

30 200

21

Архангельская область

28 750

22

Вологодская область

28 550

23

Калининградская область

30 800

24

Ленинградская область

31 800

25

Мурманская область

24 000

26

Новгородская область

26 250

27

Псковская область

28 900

28

Ненецкий автономный округ

39 350

29

г. Санкт-Петербург

44 300

Южный федеральный округ

30

Республика Адыгея

19 800

31

Республика Дагестан

22 650

32

Республика Ингушетия

17 150

33

Кабардино-Балкарская Республика

17 400

34

Республика Калмыкия

15 900

35

Карачаево-Черкесская Республика

15 750

36

Республика Северная Осетия - Алания

16 350

37

Чеченская Республика

18 450

38

Краснодарский край

30 450

39

Ставропольский край

21 450

40

Астраханская область

24 700

41

Волгоградская область

29 900

42

Ростовская область

27 300

Приволжский федеральный округ

43

Республика Башкортостан

27 800

44

Республика Марий Эл

26 850

45

Республика Мордовия

26 500

46

Республика Татарстан (Татарстан)

26 200

47

Удмуртская Республика

28 500

48

Чувашская Республика - Чувашия

25 300

49

Пермский край

28 400

50

Кировская область

26 900

51

Нижегородская область

33 000

52

Оренбургская область

26 800

53

Пензенская область

26 250

54

Самарская область

29 450

55

Саратовская область

23 250

56

Ульяновская область

22 400

Уральский федеральный округ

57

Курганская область

26 000

58

Свердловская область

33 600

59

Тюменская область

32 450

60

Челябинская область

26 400

61

Ханты-Мансийский автономный округ - Югра

36 500

62

Ямало-Ненецкий автономный округ

40 750

Сибирский федеральный округ

63

Республика Алтай

31 000

64

Республика Бурятия

23 500

65

Республика Тыва

24 300

66

Республика Хакасия

22 550

67

Алтайский край

25 450

68

Забайкальский край

26 400

69

Красноярский край

30 400

70

Иркутская область

30 500

71

Кемеровская область

26 050

72

Новосибирская область

32 100

73

Омская область

27 500

74

Томская область

31 850

Дальневосточный федеральный округ

75

Республика Саха (Якутия)

29 800

76

Камчатский край

33 150

77

Приморский край

31 800

78

Хабаровский край

31 500

79

Амурская область

25 850

80

Магаданская область

32 050

81

Сахалинская область

41 100

82

Еврейская автономная область

19 450

83

Чукотский автономный округ

30 100

 

НОРМАТИВНЫЕ ДОКУМЕНТЫ ЦЕНТРАЛЬНЫХ ОРГАНОВ ВЛАСТИ РОССИЙСКОЙ ФЕДЕРАЦИИ

 

Название документа

Дата утверждения

Примечание

1.

«О внесении изменений в статью 3.2 Федерального закона «О введении в действие Градостроительного кодекса Российской Федерации» и отдельные законодательные акты Российской Федерации»

25.11.2009

Федеральный закон

№ 273-ФЗ

Текст документа приводится ниже.

 

2.

«Об утверждении единого перечня продукции, подлежащей обязательной сертификации, и единого перечня продукции, подтверждение соответствия которой осуществляется в форме принятия декларации о соответствии»

01.12.2009

Постановление

Правительства РФ

№ 339

Приложение – Единый перечень продукции, подлежащей обязательной сертификации, и единого перечня продукции, подтверждение соответствия которой осуществляется в форме принятия декларации о соответствии.

 

3.

«О плане мероприятий по энергосбережению и повышению энергетической эффективности в РФ, направленных на реализацию Федерального закона «Об энергосбережении и о повышении энергетической эффективности и о внесении изменений в отдельные законодательные акты Российской Федерации»

01.12.2009

Распоряжение

Правительства РФ

№ 1830-р

Приложение – План мероприятий по энергосбережению и повышению энергетической эффективности в РФ, направленных на реализацию Федерального закона «Об энергосбережении и о повышении энергетической эффективности и о внесении изменений в отдельные законодательные акты Российской Федерации.

 

4.

«О распределении средств федерального бюджета, предоставляемых в 2009 г. в виде субсидий бюджетам субъектов РФ на проведение мероприятий по переселению граждан из жилищного фонда, признанного негодным для проживания, и (или) жилищного фонда с высоким уровнем износа»

14.12.2009

Распоряжение

Правительства РФ

№ 1913-р

 

 

5.

«О порядке подключения нефтеперерабатывающих заводов к магистральным нефтепроводам и (или) нефтепродуктопроводам и учета нефтеперерабатывающих заводов в Российской Федерации»

21.12.2009

Постановление

Правительства РФ

№ 1039

Приложение – Порядок подключения нефтеперерабатывающих заводов к магистральным нефтепроводам и (или) нефтепродуктопроводам и учета нефтеперерабатывающих заводов в Российской Федерации.

 

6.

«Технический регламент о безопасности низковольтного оборудования»

27.12.2009

Федеральный закон

№ 347-ФЗ

Вступает в силу по истечении одного года после дня его официального опубликования.

 

7.

«О порядке реализации в 2010 году бюджетных инвестиций в объекты капитального строительства»

29.12.2009

Постановление

Правительства РФ

№ 1105

Приложение – Порядок реализации в 2010 году бюджетных инвестиций в объекты капитального строительства.

 

 

 

 

Федеральный закон Российской Федерации от  25.11.2009 г. № 273-ФЗ

«О внесении изменений в статью 3.2 Федерального закона «О введении в действие Градостроительного кодекса Российской Федерации» и отдельные законодательные акты Российской Федерации»

 

 

Принят Государственной Думой 13 ноября 2009 года

Одобрен Советом Федерации 18 ноября 2009 года

Статья 1

Статью 3.2 Федерального закона от 29 декабря 2004 года N 191-ФЗ "О введении в действие Градостроительного кодекса Российской Федерации" (Собрание законодательства Российской Федерации, 2005, N 1, ст. 17; 2008, N 30, ст. 3604) дополнить частью 3 следующего содержания:

"3. С 1 января 2010 года прекращается действие лицензий (в том числе лицензий, срок действия которых продлен) на осуществление следующих видов деятельности:

1) проектирование зданий и сооружений, за исключением сооружений сезонного или вспомогательного назначения;

2) строительство зданий и сооружений, за исключением сооружений сезонного или вспомогательного назначения;

3) инженерные изыскания для строительства зданий и сооружений, за исключением сооружений сезонного или вспомогательного назначения.".

Статья 2

Внести в Федеральный закон от 8 августа 2001 года N 128-ФЗ "О лицензировании отдельных видов деятельности" (Собрание законодательства Российской Федерации, 2001, N 33, ст. 3430; 2002, N 11, ст. 1020; 2005, N 27, ст. 2719; 2006, N 1, ст. 11; N 31, ст. 3455; 2007, N 1, ст. 15; N 30, ст. 3749, 3750; N 46, ст. 5554; 2008, N 29, ст. 3413; N 30, ст. 3604; 2009, N 1, ст. 15, 17) следующие изменения:

1) первое предложение части первой статьи 8 дополнить словами ", если иное не предусмотрено настоящим Федеральным законом";

2) абзац пятый пункта 6.1 статьи 18 дополнить предложением следующего содержания: "Действие лицензий на осуществление указанных видов деятельности, в том числе лицензий, срок действия которых продлен, прекращается с 1 января 2010 года.".

Статья 3

Внести в Федеральный закон от 21 июля 2005 года N 94-ФЗ "О размещении заказов на поставки товаров, выполнение работ, оказание услуг для государственных и муниципальных нужд" (Собрание законодательства Российской Федерации, 2005, N 30, ст. 3105; 2007, N 17, ст. 1929; N 31, ст. 4015; N 46, ст. 5553; 2008, N 49, ст. 5723; 2009, N 1, ст. 16, 31; N 19, ст. 2283; N 27, ст. 3267; N 29, ст. 3584, 3592) следующие изменения:

1) в статье 10:

а) часть 4 дополнить словами "и осуществляется в соответствии с частью 4.2 настоящей статьи";

б) в части 4.1 слово "аукциона" заменить словами "открытого аукциона в электронной форме";

 в) дополнить частью 4.2 следующего содержания:

"4.2. Размещение заказов на поставки товаров, выполнение работ, оказание услуг для государственных или муниципальных нужд, включенных в указанные в части 4 настоящей статьи перечни товаров, работ, услуг, осуществляется путем проведения открытого аукциона в электронной форме.";

2) в статье 65:

а) дополнить частью 39 следующего содержания:

"39. Правительством Российской Федерации устанавливается перечень товаров, работ, услуг, размещение заказов соответственно на поставки, выполнение, оказание которых для федеральных нужд осуществляется путем проведения открытого аукциона в электронной форме с 1 января 2010 года по 30 июня 2010 года. Проведение аукциона (за исключением открытого аукциона в электронной форме) или конкурса на размещение заказов на поставки таких товаров, выполнение таких работ, оказание таких услуг для федеральных нужд не допускается.";

б) дополнить частью 40 следующего содержания:

"40. До 1 января 2011 года заказчик, уполномоченный орган при размещении заказов на поставки товаров, выполнение работ, оказание услуг, в отношении которых частью 4 статьи 10 настоящего Федерального закона предусмотрено проведение аукциона или частью 4.1 статьи 10 настоящего Федерального закона - открытого аукциона в электронной форме, для нужд субъектов Российской Федерации или муниципальных нужд вправе осуществлять размещение заказов на поставки товаров, выполнение работ, оказание услуг для государственных или муниципальных нужд путем проведения аукциона или открытого аукциона в электронной форме в соответствии с настоящим Федеральным законом.".

Статья 4

1. Настоящий Федеральный закон вступает в силу со дня его официального опубликования, за исключением пункта 1 и подпункта "б" пункта 2 статьи 3 настоящего Федерального закона.

2. Пункт 1 и подпункт "б" пункта 2 статьи 3 настоящего Федерального закона вступают в силу с 1 июля 2010 года.

 

Президент Российской Федерации                                Д. Медведев

 

Москва, Кремль

25 ноября 2009 года

N 273-ФЗ

 

ИНСТРУКТИВНО-РАСПОРЯДИТЕЛЬНЫЕ И МЕТОДИЧЕСКИЕ ДОКУМЕНТЫ ФЕДЕРАЛЬНЫХ ОРГАНОВ ВЛАСТИ

 

Название документа

Дата утверждения

Примечание

Инструктивно-распорядительные, методические и нормативные документы
Министерства экономического развития РФ

 

1.

«Об утверждении формы декларации об объекте недвижимого имущества»

03.11.2009

Приказ

Минэкономразвития РФ № 447

Приложение - Форма декларации об объекте недвижимого имущества.

Приказ Минэкономразвития РФ от 15.08.2006 № 232 утратил силу.

 

Инструктивно-распорядительные, методические и нормативные документы
Федеральной службы по экологическому, технологическому и атомному надзору

 

1.

«Об утверждении и введении в действие Типовой программы инспекции безопасности объектов ядерного топливного цикла»

(РД-06-02-2009)

31.07.2009

Приказ

Ростехнадзора

№ 662

Приложение – Типовая программа инспекции безопасности объектов ядерного топливного цикла (РД-06-02-2009).

РД-05-02-2003 утратил силу

 

2.

«Об организации работы по формированию и направлению в Федеральное агентство водных ресурсов информационных данных о поднадзорных Федеральной службе по экологическому, технологическому и атомному надзору гидротехнических сооружениях»

11.08.2009

Приказ

Ростехнадзора

№ 697

Приложение – форма Заключения о полноте и непротиворечивости информационных данных о гидротехнических сооружениях.

РД 12-02-2004 утратил силу

 

3.

«Об организации и методическом сопровождении внеплановых проверок гидроэлектростанций Российской Федерации»

02.09.2009

Приказ

Ростехнадзора

№ 772

Приложение – Методические рекомендации по проведению проверок гидроэлектростаций.

 

Инструктивно-распорядительные, методические и нормативные документы
Федеральной службы по надзору в сфере защиты прав потребителей и благополучия человека

 

1.

«Об утверждении ГН 2.1.5.2561-09»

(ГН 2.1.5.2561-09 «Предельно допустимые концентрации (ПДК) 2,2’-дихлордиэтилсульфида (иприта) и ипритно-люизитной смеси в воде водных объектов хозяйственно-питьевого и культурно-бытового водопользования районов размещения объектов хранения и уничтожения химического оружия»)

19.10.2009

Постановление

Главного государственного санитарного врача РФ

№ 62

Вводятся в действие с 1 декабря 2009 г.

 

2.

«Об утверждении ГН 2.1.7.2559-09»

(ГН 2.1.7.2559-09 «Предельно допустимые концентрации (ПДК) 2,2’-дихлордиэтилсульфида (иприта) и 2-хлорвинилдихлорарсина (люизита) в почве территорий промплощадок объектов по уничтожению отравляющих веществ кожно-нарывного действия»)

19.10.2009

Постановление

Главного государственного санитарного врача РФ

№ 66

Вводятся в действие с 1 декабря 2009 г.

 

3.

«Об утверждении ГН 2.1.6.2563-09»

(ГН 2.1.6.2563-09 «Ориентировочные безопасные уровни воздействия (ОБУВ) отравляющих веществ кожно-нарывного действия в атмосферном воздухе населенных мест»)

19.10.2009

Постановление

Главного государственного санитарного врача РФ

№ 67

Вводятся в действие с 1 декабря 2009 г.

 

Инструктивно-распорядительные, методические и нормативные документы
Минприроды России

 

1.

«Об утверждении квалификационных требований к специалистам, включаемым в состав экспертных комиссий по проведению государственной экспертизы деклараций безопасности гидротехнических сооружений» 

30.10.2009

Приказ

Минприроды России

№ 358

Приложение - Квалификационные требований к специалистам, включаемым в состав экспертных комиссий по проведению государственной экспертизы деклараций безопасности гидротехнических сооружений

 

Инструктивно-распорядительные, методические и нормативные документы
Федерального агентства по недропользованию

 

1.

«О выдаче разрешений на строительство и ввод в эксплуатацию объектов, строительство, реконструкция или капитальный ремонт которых планируется в целях выполнения работ, связанных с пользованием недрами»

02.09.2009

Приказ

Федерального агентства по недропользованию
№ 826

Приложение - Временные методические рекомендации по организации рассмотрения Федеральным агентством по недропользованию материалов по выдаче разрешений на строительство, капитальный ремонт, реконструкцию или на ввод в эксплуатацию объектов, связанных с пользованием недрами в соответствии с лицензией на пользование недрами

 

Инструктивно-распорядительные, методические и нормативные документы
Федеральной службы по тарифам (ФСТ России)

 

1.

«Об утверждении Методических указаний по определению размера платы за технологическое присоединение к электрическим сетям»

21.08.2009

Приказ

Федеральной

службы по тарифам

№ 201-э/1

Вступил в силу с 1 ноября 2009 г.

Приказ ФСТ России от 23.20.2007 № 277-э/7 утратил силу

 

 

Инструктивно-распорядительные, методические и нормативные документы
Федеральной службы государственной статистики

 

1.

«Об утверждении Указаний по заполнению формы федерального статистического наблюдения № 22-ЖКХ (сводная) «Сведения о работе жилищно-коммунальных организаций в условиях реформы»

20.11.2009

Приказ

Федеральной

службы государственной статистики

№ 269

Приложение – Указания по заполнению формы федерального статистического наблюдения № 22-ЖКХ (сводная) «Сведения о работе жилищно-коммунальных организаций в условиях реформы».

 

 

НОРМАТИВНО-МЕТОДИЧЕСКИЕ ДОКУМЕНТЫ СУБЪЕКТОВ РОССИЙСКОЙ ФЕДЕРАЦИИ

 

Название документа

Дата утверждения

Примечание

Нормативные правовые и методические документы города Москвы

 

1.

«Об утверждении предельных цен на техническое обслуживание лифтового оборудования, установленного в жилых домах»

24.11.2009

Распоряжение

Департамента

 экономической

политики и развития

г. Москвы № 29-р

Распоряжение Департамента экономической политики и развития г. Москвы от 21.10.2008 № 35-р утратило силу с 01.01.2010 г.

 

2.

«Об утверждении предельных цен на техническое обслуживание и ремонт инженерно-технического и специального оборудования защитных сооружений гражданской обороны»

24.11.2009

Распоряжение

Департамента

 экономической

политики и развития

г. Москвы № 31-р

Распоряжение Департамента экономической политики и развития г. Москвы от 24.12.2007 № 78-р утратило силу с 01.01.2010 г.

 

3.

«О ценах на услуги по техническому обслуживанию запирающих устройств, установленных в подъездах жилых домов»

08.12.2009

Постановление

Правительства Москвы

№ 1343-ПП

Постановление Правительства Москвы от 16.12.2008 № 1158-ПП утратило силу с 01.01.2010 г.

 

4.

«Об установлении коэффициента пересчета восстановительной стоимости строений, помещений и сооружений, принадлежащих гражданам на праве собственности, для целей налогообложения в 2010 году»

08.12.2009

Постановление

Правительства Москвы

№ 1353-ПП

Постановление Правительства Москвы от 16.12.2008 № 1135-ПП утратило силу с 01.01.2010 г.

 

5.

«О мерах по дальнейшему совершенствованию системы управления многоквартирными домами в городе Москве и внесении изменений в некоторые правовые акты города Москвы»

08.12.2009

Постановление

Правительства Москвы

№ 1357-ПП

Постановление Правительства Москвы от 14.02.2006 № 90-ПП утратило силу с 01.01.2010 г.

 

6.

«Об утверждении Положения о порядке предоставления из бюджета города Москвы субсидий на промышленную переработку твердых бытовых отходов, образуемых населением города Москвы»

22.12.2009

Постановление

Правительства Москвы

№ 1425-ПП

Приложение – Положение о порядке предоставления из бюджета города Москвы субсидий на промышленную переработку твердых бытовых отходов, образуемых населением города Москвы.

 

7.

«О формировании начальной (максимальной) цены государственного контракта при размещении заказа на строительство, реконструкцию, капитальный ремонт объектов капитального строительства, финансируемых за счет средств бюджета города Москвы»

29.12.2009

Постановление

Правительства Москвы

№ 1440-ПП

Постановление Правительства Москвы от 25.07.2006 № 563-ПП утратило силу.

 

Нормативные правовые и методические документы
Московской области

 

1.

«Об отзыве Главгосстройнадзором Московской области своей подписи на ранее подписанном совместно с Центральным управлением Ростехнадзора письме от 18.11.2009 № ИК-2482/04/09»

10.12.2009

Письмо

Главгосстройнадзора Московской области

№ ИК-2730/04-09

Текст письма приводится ниже

 

2.

«О Концепции развития малоэтажного жилищного строительства на территории Московской области»

26.11.2009

Постановление

Правительства

Московской области

№ 1028/50

Приложение – Концепция развития малоэтажного жилищного строительства на территории Московской области.

 

Нормативные правовые и методические документы Санкт-Петербурга

 

1.

«Об утверждении Сборника территориальных сметных норм и территориальных единичных расценок на работы по содержанию искусственных сооружений Санкт-Петербурга, осуществляемые за счет средств бюджета Санкт-Петербурга»

26.10. 2009

Распоряжение

Комитета экономического развития,

промышленной политики и торговли

Санкт-Петербурга

№ 788-р

Приложение - Сборник территориальных сметных норм и территориальных единичных расценок на работы по содержанию искусственных сооружений Санкт-Петербурга, осуществляемые за счет средств бюджета Санкт-Петербурга.

 

2.

«О Перечне утвержденных территориальных строительных норм и методических документов Санкт-Петербурга для применения при проектировании и строительстве»

05.11. 2009

Письмо

Комитета экономического развития,

промышленной политики и торговли

Санкт-Петербурга

№ 09/17298

Приложение – Перечень утвержденных территориальных строительных норм и методических документов Санкт-Петербурга для применения при проектировании и строительстве.

 

 

 

Письмо Главгосстройнадзора Московской области от 10.12.2009 № ИК-2730/04-09

«Об отзыве Главгосстройнадзором Московской области своей подписи на ранее подписанном совместно с Центральным управлением Ростехнадзора письме от 18.11.2009 № ИК-2482/04/09»

 

 

Главное управление государственного строительного надзора Московской области информирует о том, что ранее подписанное совместно с Центральным управлением Ростехнадзора письмо от 18.11.2009 № ИК-2482/04/09 о положениях законодательства о промышленной безопасности опасных производственных объектов при строительстве и вводе в эксплуатацию систем газораспределения и газопотребления, являющихся опасными производственными объектами, вызвало многочисленные вопросы и обращения от заказчиков, застройщиков и лиц, осуществляющих строительство объектов газораспределительных систем.

Наибольшее количество данных обращений и вопросов касались реализации требований пункта 10.6.1 СНиП 42-01-2002 «Газораспределительные системы», в части включения в состав приемочных комиссий по приемке объектов газораспределительных систем представителя Ростехнадзора по подконтрольным ему объектам.

Несмотря на то, что указанные требования СНиП 42-01-2002 и Приложение Б данных СНиП носят обязательный для исполнения характер, в соответствии задаваемыми вопросами, имеется определенное противоречие данных требований федеральному законодательству, в частности части 7 статьи 54 Градостроительного кодекса РФ, в разрезе объектов, не являющихся особо опасными или уникальными. Также в обращениях указывается на аналогичные противоречия Градостроительному кодексу РФ и в ряде других федеральных нормативных документов. В частности, это касается требований Постановления Правительства РФ от 17.05.2002 № 317 «Об утверждении Правил пользования газом и предоставления услуг по газоснабжению в Российской Федерации», в части касающейся участия федерального надзорного органа в выдаче разрешений на пуск газа и приемки газоиспользующего оборудования на строящихся объектах газопотребления, не являющихся особо опасными или уникальными.

Указанные противоречия и разночтения, очевидно, являются следствием несвоевременного приведения федерального законодательства и подзаконных нормативных актов, в соответствие вновь принятым федеральным законом и, в частности, Градостроительному кодексу РФ (Федеральный закон от 29.12.2004 № 190-ФЗ). Данное обстоятельство порождает создание неопределенности и разночтения в реализации требований различных нормативных документов и федеральных законов.

В связи с вышеизложенным, Главгосстройнадзор Московской области принял решение об отзыве своей подписи на ранее подписанном совместно с Центральным управлением Ростехнадзора письме от 18.11.2009 № ИК-2482/04/09, начиная с 10 декабря 2009 г.

 

Начальник Главного управления                                    Н.В. Чернов

 

 

 

С О Д Е Р Ж А Н И Е

 

НОВЫЕ СТРОИТЕЛЬНЫЕ НОРМЫ И СТАНДАРТЫ

Нормативные документы Системы нормативных документов в строительстве

Приказ Ростехрегулирования от 26.10.2009 г. № 483-ст «О введении в действие межгосударственного стандарта»

Приказ Ростехрегулирования от 15.12.2009 г. № 976-ст «Об утверждении национального стандарта»

Приказ Ростехрегулирования от 15.12.2009 г. № 893-ст «Об утверждении национального стандарта»

Приказ Ростехрегулированияот 15.12.2009 г. № 892-ст «Об утверждении национального стандарта»

Приказ Ростехрегулирования от 15.12.2009 г. № 891-ст «О введении в действие межгосударственного стандарта»

Приказ Ростехрегулирования от 26.10.2009 г. № 482-ст «О введении в действие межгосударственного стандарта»

Приказ Ростехрегулирования от 15.12.2009 г. № 974-ст «Об утверждении национального стандарта»

Приказ Ростехрегулирования от 15.12.2009 г. № 975-ст «Об утверждении национального стандарта»

Приказ Ростехрегулирования от 15.12.2009 г. № 1029-ст «Об утверждении национального стандарта»

Приказ Ростехрегулирования от 15.12.2009 г. № 1266-ст «О введении в действие межгосударственного стандарта»

Приказ Ростехрегулирования от 15.12.2009 г. № 1267-ст «О введении в действие межгосударственного стандарта»

Приказ Ростехрегулирования от 15.12.2009 г. № 973-ст «Об утверждении национального стандарта»

Национальные и межгосударственные стандарты

Инструктивно-распорядительные и методические документы в области строительства Министерства регионального развития Российской Федерации (Минрегиона России)

Письмо Министерства регионального развития РФ от 18.06.2009 г. № 18627-СК/14 «О разъяснениях по вопросам договорных отношений в связи с принятием Правил поставки газа для обеспечения коммунально-бытовых нужд граждан, утвержденных постановлением Правительства РФ от 21 июля 2008 г. № 549»

Письмо Министерства регионального развития РФ от 18.06.2009 г. № 18631-СК/14 «О разъяснениях по вопросам учета газа и расчета за поставленные объемы газа»

Письмо Министерства регионального развития РФ от 18.06.2009 г. № 18712-ИМ/08 «О размере платы за проведение государственной экспертизы нежилых объектов капитального строительства и (или) результатов инженерных изысканий»

Письмо Министерства регионального развития РФ от 23.06.2009 г. № 19281-ИП/08 «Об учете стоимостных показателей работ в сводном сметном расчете стоимости строительства»

Письмо Министерства регионального развития РФ от 01.07.2009 г. № 20224-ИП/08 «О выборе метода составления сметной документации и разработке локальных смет»

Письмо Министерства регионального развития РФ от 03.07.2009 г. № 20599-ИП/08 «Об учете средств на финансирование затрат по строительному контролю»

Приказ Министерства регионального развития РФ от 21.10.2009 г. № 480 «О внесении изменений в приказ Министерства регионального развития Российской Федерации от 9 декабря 2008 г. № 274 «Об утверждении Перечня видов работ по инженерным изысканиям, по подготовке проектной документации, по строительству, реконструкции, капитальному ремонту объектов капитального строительства, которые оказывают влияние на безопасность объектов капитального строительства»

Приказ Министерства регионального развития РФ от 25.12.2009 г. № 603 «О нормативе стоимости 1 квадратного метра общей площади жилья на первое полугодие 2010 года и средней рыночной стоимости 1 квадратного метра общей площади жилья по субъектам Российской Федерации на первый квартал 2010 года»

НОРМАТИВНЫЕ ДОКУМЕНТЫ ЦЕНТРАЛЬНЫХ ОРГАНОВ ВЛАСТИ РОССИЙСКОЙ ФЕДЕРАЦИИ

Федеральный закон Российской Федерации от  25.11.2009 г. № 273-ФЗ «О внесении изменений в статью 3.2 Федерального закона «О введении в действие Градостроительного кодекса Российской Федерации» и отдельные законодательные акты Российской Федерации»

ИНСТРУКТИВНО-РАСПОРЯДИТЕЛЬНЫЕ И МЕТОДИЧЕСКИЕ ДОКУМЕНТЫ ФЕДЕРАЛЬНЫХ ОРГАНОВ ВЛАСТИ

НОРМАТИВНО-МЕТОДИЧЕСКИЕ ДОКУМЕНТЫ СУБЪЕКТОВ РОССИЙСКОЙ ФЕДЕРАЦИИ

Письмо Главгосстройнадзора Московской области от 10.12.2009 № ИК-2730/04-09 «Об отзыве Главгосстройнадзором Московской области своей подписи на ранее подписанном совместно с Центральным управлением Ростехнадзора письме от 18.11.2009 № ИК-2482/04/09»

© ОАО «ЦНС», 2010

 

ИНФОРМАЦИОННЫЙ БЮЛЛЕТЕНЬ

"Н О Р М И Р О В А Н И Е,

С Т А Н Д А Р Т И З А Ц И Я

И  С Е Р Т И Ф И К А Ц И Я
В С Т Р О И Т Е Л Ь С Т В Е"

 

    РЕДАКЦИОННЫЙ

    КОЛЛЕКТИВ:

    Иванов В.И., Фомичева Т.С.,
    Черняк Т.В., Довгеля Е.Г.,
    Ульянова Г.В., Григорьева М.А.
 Художественное

 оформление обложки - Пескова Н.Г.

   Периодичность - шесть номеров в год

   Издатель - ОАО «ЦНС»

Адрес редакции: 125057, Москва,

Ленинградский проспект, д.63, а/я 63

Тел./факс: 8-499-157-22-33

E-mail: snip01@mail.ru

Web-сайт: www.gpcns.ru

 Свидетельство о регистрации СМ

 № 018402 от 06.01.1999 г.

 выдано Госкомитетом РФ по печати

ПОДПИСНОЙ ИНДЕКС

в каталоге «Роспечать» (каталог «Газеты и журналы». Раздел «Строительство»)

79262

Стоимость подписки - 2400 рублей

 



*  Приведенные примеры являются условными

 




ГОСТЫ, СТРОИТЕЛЬНЫЕ и ТЕХНИЧЕСКИЕ НОРМАТИВЫ.
Некоммерческая онлайн система, содержащая все Российские Госты, национальные Стандарты и нормативы.
В Системе содержится более 150000 файлов нормативно-технической документации, действующей на территории РФ.
Система предназначена для широкого круга инженерно-технических специалистов.

Рейтинг@Mail.ru Яндекс цитирования

Copyright © www.gostrf.com, 2008 - 2026