Крупнейшая бесплатная информационно-справочная система онлайн доступа к полному собранию технических нормативно-правовых актов РФ. Огромная база технических нормативов (более 150 тысяч документов) и полное собрание национальных стандартов, аутентичное официальной базе Госстандарта. GOSTRF.com - это более 1 Терабайта бесплатной технической информации для всех пользователей интернета. Все электронные копии представленных здесь документов могут распространяться без каких-либо ограничений. Поощряется распространение информации с этого сайта на любых других ресурсах. Каждый человек имеет право на неограниченный доступ к этим документам! Каждый человек имеет право на знание требований, изложенных в данных нормативно-правовых актах!

  


 

ГОСУДАРСТВЕННЫЙ СТАНДАРТ СОЮЗА ССР

ОБОРУДОВАНИЕ ПРОТИВОВЫБРОСОВОЕ

ТИПОВЫЕ СХЕМЫ, ОСНОВНЫЕ ПАРАМЕТРЫ И
ТЕХНИЧЕСКИЕ ТРЕБОВАНИЯ К КОНСТРУКЦИИ

ГОСТ 13862-90

(СТ СЭВ 6149-87, СТ СЭВ 6913-89,
СТ СЭВ 6914-89, СТ СЭВ 6916-89)

ГОСУДАРСТВЕННЫЙ КОМИТЕТ СССР ПО УПРАВЛЕНИЮ
КАЧЕСТВОМ ПРОДУКЦИИ И СТАНДАРТАМ

Москва

ГОСУДАРСТВЕННЫЙ СТАНДАРТ СОЮЗА ССР

ОБОРУДОВАНИЕ ПРОТИВОВЫБРОСОВОЕ

Типовые схемы, основные параметры и
технические требования к конструкции

Blow-out preventer equipment. Standard schemes, basic parameters and technical requirements for design

ГОСТ
13862-90

(СТ СЭВ 6149-87,
СТ СЭВ 6913-89,
СТ СЭВ 6914-89,
СТ СЭВ 6916-89)

Срок действия 01.01.92

до 01.01.97

Настоящий стандарт распространяется на вновь разрабатываемое или модернизируемое противовыбросовое оборудование (далее - ОП), предназначенное для герметизации устья нефтяных и газовых скважин в процессе их строительства и ремонта с целью обеспечения безопасного ведения работ, предупреждения выбросов и открытых фонтанов, охраны недр и окружающей среды.

Стандарт определяет типовые схемы, основные параметры ОП и его составных частей и устанавливает взаимосвязь между ними.

Стандарт не распространяется на специальные виды ОП для скважин с избыточным давлением на устье, морских скважин с подводным расположением устья и т.п., а также на составные части, дополнительно включаемые в стволовую часть ОП (герметизаторы, разъемный желоб, надпревенторная катушка и др.).

Термины, применяемые в настоящем стандарте, и их пояснения приведены в приложении 1.

1. ТИПОВЫЕ СХЕМЫ И ОСНОВНЫЕ ПАРАМЕТРЫ

1.1. Устанавливаются десять типовых схем ОП (черт. 1 - 10):

черт. 1 и 2 - с механическим (ручным) приводом;

черт. 3 - 10 - с гидравлическим приводом.

В ОП для ремонта - привод механический или гидравлический, для бурения - гидравлический.

Типовые схемы устанавливают минимальное количество необходимых составных частей превенторного блока и манифольда, которые могут дополняться в зависимости от конкретных условий строящейся или ремонтируемой скважины.

Применяемость схем - по приложению 2.

1.2. Основные параметры ОП и его составных частей должны соответствовать указанным в табл. 1.

Таблица 1

Условный проход ОП, мм

Рабочее давление Рр, МПа

Условный проход манифольда, мм

Номинальное давление станции гидропривода (для схем 3 - 10), МПа**

Наибольший диаметр трубы, проходящей с трубодержателем (подвеской) через ОП, мм

для бурения*

для ремонта

100

14

80

50; 65; 80

16; 25; 32; 40

-

21

35

70

180

14

127

21

35

70

105

230

35

146

70

280

21

194

35

70

105

350

21

273

35

70

425

21

346

35

476

35

377

70

540

14

426

21

680

7

560

14

* Допускается в ОП для бурения уменьшение условного прохода линий, соединяемых с дросселями, и линий глушения до 50 мм, увеличение условного прохода линий дросселирования до 100 мм. При этом условный проход боковых отводов устьевых крестовин должен быть не более условного прохода подсоединяемой линии манифольда.

** Допускается применять станции гидропривода с номинальным давлением из следующего ряда: 10,5; 14; 21; 35 МПа.

1.3. Условное обозначение ОП - по приложению 3.

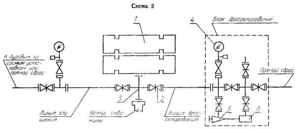
Схема 1

1 - плашечный превентор; 2 - задвижка с ручным управлением; 3 - устьевая крестовина; 4 - манометр с запорным и разрядным устройствами и разделителем сред; 5 - регулируемый дроссель с ручным управлением; 6 - гаситель потока

Черт. 1

Примечание. Типовые схемы 1 - 10 не определяют расположение блоков, их составных частей и магистральных линий в пространстве.

1 - плашечный превентор; 2 - задвижка с ручным управлением; 3 - устьевая крестовина; 4- манометр с запорным и разрядным устройствами с разделителем сред; 5 - регулируемый дроссель с ручным управлением; 6 - гаситель потока

Черт. 2

1 - плашечный превентор; 2 - задвижка с гидравлическим управлением; 3 - устьевая крестовина; 4 - манометр с запорным и разрядным устройствами; 5 - кольцевой превентор; 6 - дроссель регулируемый с ручным управлением; 7 - задвижка с ручным управлением; 8 - гаситель потока; 9 - вспомогательный пульт; 10 - станция гидропровода; 11 - обратный клапан

Черт. 3

1 - плашечный превентор; 2 - задвижка с гидравлическим управлением; 3 - устьевая крестовина; 4 - манометр с запорным и разрядным устройствами и разделителем сред; 5 - дроссель регулируемый с ручным управлением; 6 - задвижка с ручным управлением; 7 - гаситель потока; 8 - вспомогательный пульт; 9 - станция гидравлического управления; 10 - обратный клапан

Черт. 4

1 - плашечный превентор; 2 - задвижка с гидравлическим управлением; 3 - устьевая крестовина; 4 - манометр с запорным и разрядным устройствами и разделителем сред; 5 - кольцевой превентор; 6 - дроссель регулируемый с ручным управлением; 7 - задвижка с ручным управлением; 8 - гаситель потока; 9 - вспомогательный пульт; 10 - станция гидропривода; 11 - обратный клапан

Черт. 5

1 - плашечный превентор; 2 - задвижка с гидравлическим управлением; 3 - устьевая крестовина; 4 - манометр с запорным и разрядным устройствами и разделителем сред; 5 - кольцевой превентор; 6 - дроссель регулируемый с ручным управлением; 7 - задвижка с ручным управлением; 8 - гаситель потока; 9 - вспомогательный пульт; 10 - станция гидропривода; 11 - обратный клапан; 12 - регулируемый дроссель с гидравлическим управлением; 13 - пульт управления гидроприводным дросселем

Черт. 6

1 - плашечный превентор; 2 - задвижка с гидравлическим управлением; 3 - устьевая крестовина; 4 - манометр с запорным и разрядным устройствами и разделителем сред; 5 - кольцевой превентор; 6 - дроссель регулируемый с ручным управлением; 7 - задвижка с ручным управлением; 8 - гаситель потока; 9 - вспомогательный пульт; 10 - станция гидропривода; 11 - обратный клапан; 12 - регулируемый дроссель с гидравлическим управлением; 13 - пульт управления гидроприводным дросселем

Черт. 7

1 - плашечный превентор; 2 - задвижка с гидравлическим управлением; 3 - устьевая крестовина; 4 - манометр с запорным и разрядным устройствами и разделителем сред; 5 - кольцевой превентор; 6 - дроссель регулируемый с ручным управлением; 7 - задвижка с ручным управлением; 8 - гаситель потока; 9 - вспомогательный пульт; 10 - станция гидропривода; 11 - обратный клапан; 12 - регулируемый дроссель с гидравлическим управлением; 13 - пульт управления гидроприводным дросселем

Черт. 8

1 - плашечный превентор; 2 - задвижка с гидравлическим управлением; 3 - устьевая крестовина; 4 - манометр с запорным и разрядным устройствами и разделителем сред; 5 - кольцевой превентор; 6 - дроссель с ручным управлением; 7 - задвижка с ручным управлением; 8 - гаситель потока; 9 - вспомогательный пульт; 10 - станция гидропривода; 11 - обратный клапан; 12 - регулируемый дроссель с гидравлическим управлением; 13 - пульт управления гидроприводным дросселем

Черт. 9

1 - плашечный превентор; 2 - задвижка с гидравлическим управлением; 3 - устьевая крестовина; 4 - манометр с запорным и разрядным устройствами и разделителем сред; 5 - кольцевой превентор; 6 - дроссель регулируемый с ручным управлением; 7 - задвижка с ручным управлением; 8 - гаситель потока; 9 - вспомогательный пульт; 10 - станция гидропривода; 11 - обратный клапан; 12 - регулируемый дроссель с гидравлическим управлением; 13 - пульт управления гидроприводным дросселем

Черт. 10

2. ТЕХНИЧЕСКИЕ ТРЕБОВАНИЯ К КОНСТРУКЦИИ ОП И ЕГО СОСТАВНЫХ ЧАСТЕЙ

2.1. ОП в общем случае должно обеспечивать герметизацию устья строящихся и ремонтируемых скважин с находящейся в ней колонной труб или при ее отсутствии, при проворачивании, расхаживании колонны труб между замковыми и муфтовыми соединениями, а также протаскивание колонны бурильных труб с замковыми соединениями (с фасками по обе стороны замкового соединения под углом 18°), а также позволять производить циркуляцию промывочной жидкости с противодавлением на пласт.

2.2. Комплекс ОП должен состоять из:

превенторного блока ОП;

манифольда ОП;

станции гидропривода ОП.

2.3. По требованию потребителя комплекс ОП должен дополняться сепаратором или трапно-факельной установкой, а также обеспечивать размещение замкового соединения бурильной колонны между трубными плашками двух плашечных превенторов.

2.4.* ОП конструктивно должно быть выполнено в виде блоков, удобных для эксплуатации, монтажа и транспортирования. Допускается конструктивное объединение составных частей, не изменяющее типовой схемы и не ухудшающее эксплуатационных свойств ОП (например, сдвоенные превенторы; плашечный превентор и крестовина, совмещенные в одном корпусе в виде превентора с боковыми отводами и др.).

* Пункт является рекомендательным.

2.5. Прочность корпусных деталей ОП, воспринимающих давление скважинной среды, должна обеспечивать возможность их опрессовки пробным давлением, кратным рабочему давлению Рр, указанному в табл. 2.

Таблица 2

Условный проход ОП, мм

Пробное давление, МПа, при Рр

7

14

21

35

70

105

До 350 включ.

2,0 Рр

1,5 Рр

Св. 350

1,5 Рр

2,0 Рр

2.6. Стволовые проходы составных частей ОП должны быть соосны и обеспечивать беспрепятственное прохождение контрольного шаблона в соответствии с нормативно-технической документацией на ОП.

2.7. В ОП, предназначенном для бурения в условиях коррозионной среды, а по требованию потребителя, для морских и других ответственных скважин, должен быть предусмотрен превентор с перерезывающими плашками.

2.8. Требования безопасности ОП и его составных частей - по ГОСТ 12.2.115.

2.9. Требования к превенторам

2.9.1. Кольцевой превентор (далее ПК) должен обеспечивать расхаживание, проворачивание и протаскивание бурильных труб с замковыми соединениями, а также герметизацию устья скважины при давлении Рр при закрытии уплотнителя на любой части бурильной колонны, обсадных или наоосно-компрессорных труб или при отсутствии колонны труб.

2.9.2. Плашечный превентор (далее - ПП) должен обеспечивать расхаживание труб между замковыми соединениями, а также герметизацию устья скважины при давлении Рр при закрытии трубных плашек на цилиндрической части неподвижной трубы или глухих плашек при отсутствии колонн.

Превентор с перерезывающими плашками должен обеспечивать перерезание бурильной трубы в соответствии с нормативно-технической документацией на ОП.

2.9.3. Плашки плашечного превентора должны обеспечивать возможность подвешивания бурильной колонны длиной, равной проектной глубине скважины.

Основные параметры и размеры превенторов приведены в приложении 4.

2.10. Требования к манифольдам

2.10.1. Длина линий дросселирования и глушения должна обеспечивать размещение блоков дросселирования и глушения за пределами подвышечного основания буровой установки или рабочей площадки подъемной установки для ремонта скважин.

2.10.2. Запорные устройства манифольда должны быть полнопроходными.

2.10.3. Конструкция регулируемых дросселей должна обеспечивать замену дроссельной пары (наконечник-насадка) без демонтажа корпуса и соединенных с корпусом составных частей манифольда.

2.10.4. Обратный клапан на линии глушения должен иметь условный проход не менее условного прохода линии манифольда.

Допускается регулируемый дроссель с гидравлическим управлением снабжать дублирующим ручным управлением.

2.11. Требования к станции гидропривода

2.11.1. Станция гидропривода ОП должна состоять из следующих составных частей:

насосно-аккумуляторной станции;

пульта (пультов), расположенного на подвышечном основании и на насосно-аккумуляторной станции;

комплекта трубопроводов для обеспечения соединений насосно-аккумуляторной станции с пультом (пультами) управления и гидроприводными частями ОП.

2.11.2. Основные параметры станции гидропривода ОП должны выбираться из рядов, приведенных с табл. 3.

Таблица 3

Наименование показателя

Значение

Число самостоятельных гидросистем, управляемых с пульта, шт.

4; 5; 6; 7; 8; 9

Номинальный объем гидравлической жидкости, подаваемый пневмогидроаккумуляторами, дм3

160; 200; 250; 320; 400; 500; 630; 800; 1000; 1250

Примечание. Допускаются отклонения номинальных подаваемых объемов жидкости в пневмогидроаккумуляторе до ±12%.

2.11.3.* Станция гидропривода должна иметь аварийный дублирующий привод для зарядки пневмогидроаккумуляторов при отключении электроэнергии.

2.11.4.* Секции жестких трубопроводов должны иметь шарнирные соединения для подсоединения к стволовой части ОП.

* Пункты являются рекомендательными.

2.11.5. Номинальный подаваемый объем гидравлической жидкости должен обеспечивать закрытие - открытие - закрытие всех гидравлически управляемых составных частей ОП.

2.11.6. Номинальные вместимости пневмогидроаккумуляторов - по ГОСТ 12448-80 в зависимости от требуемого номинального объема подаваемой гидравлической жидкости.

ПРИЛОЖЕНИЕ 1

Справочное

ТЕРМИНЫ, ПРИМЕНЯЕМЫЕ В СТАНДАРТЕ, И ИХ ПОЯСНЕНИЯ

Термин

Пояснения

Стволовая часть ОП

Совокупность составных частей ОП, оси стволовых проходов которых совпадают с осью ствола скважины, последовательно установленных на верхнем фланце колонной обвязки (включает превенторы, устьевые крестовины, надпревенторную и другие дополнительно устанавливаемые катушки, разъемный желоб и герметизатор)

Превенторный блок ОП

Часть стволовой части ОП, включающая превенторы и устьевые крестовины ОП

Условный проход ОП

Условный проход стволовой части ОП

Манифольд ОП

Система трубопроводов, соединенных по определенной схеме и снабженных необходимой арматурой (включает линии дросселирования и глушения, конструктивно выполненных в виде блоков, соединенных с превенторным блоком ОП магистральными линиями)

ЧПРИЛОЖЕНИЕ 2

Рекомендуемое

ПРИМЕНЯЕМОСТЬ ТИПОВЫХ СХЕМ ОП

Условный проход ОП, мм

Рабочее давление ОП, МПа

Типовая схема ОП (по п. 1.1)

1

2

3

4

5

6

7

8

9

10

100

14

Х

 

 

 

 

 

 

 

 

 

21

Х

 

 

 

 

 

 

 

 

 

35

Х

 

 

 

 

 

 

 

 

 

70

 

Х

 

 

 

 

 

 

 

 

180

14

Х

 

 

 

 

 

 

 

 

 

21

Х

Х

 

 

 

 

 

 

 

 

35

Х

Х

 

 

 

 

 

 

 

 

70

 

Х

Х

 

Х

Х

Х

Х

Х

 

105

 

 

 

 

Х

Х

Х

Х

Х

Х

230

35

 

 

Х

 

Х

Х

Х

Х

Х

 

70

 

 

 

 

Х

Х

Х

Х

Х

Х

280

21

 

 

Х

 

Х

 

 

 

 

 

35

 

 

 

 

Х

Х

Х

Х

Х

 

70

 

 

 

 

Х

Х

Х

Х

Х

Х

105

 

 

 

 

 

 

Х

Х

Х

Х

350

21

 

 

Х

 

Х

 

 

 

 

 

35

 

 

 

 

Х

Х

Х

Х

Х

 

70

 

 

 

 

Х

Х

Х

Х

Х

Х

425

21

 

 

Х

Х

Х

 

 

 

 

 

35

 

 

Х

Х

Х

Х

Х

 

 

 

476

35

 

 

Х

Х

 

 

 

 

 

 

70

 

 

Х

Х

Х

Х

Х

Х

 

 

540

14

 

 

Х

Х

 

 

 

 

 

 

21

 

 

Х

Х

 

 

 

 

 

 

680

7

 

 

Х

Х

 

 

 

 

 

 

14

 

 

Х

Х

 

 

 

 

 

 

Примечания:

1. Знак «Х» обозначает предпочтительное применение данной схемы для конкретного типоразмера ОП.

2. В ОП для ремонта с рабочим давлением 35, 70 и 105 МПа и для бурения с рабочим давлением 70 и 105 МПа допускается применение кольцевого превентора с рабочим давлением, соответственно, 21, 35 и 70 МПа с переходной фланцевой катушкой или с присоединительным фланцем, размеры которого должны соответствовать фланцу на рабочее давление ОП.

3. Схемы 1 и 2 предназначены для ремонта скважин с некоррозионной скважинной средой.

ПРИЛОЖЕНИЕ 3

Обязательное

УСЛОВНОЕ ОБОЗНАЧЕНИЕ ОП

Условное обозначение ОП должно состоять из слова «Оборудование», шифра, построенного по приведенной ниже схеме, и обозначения нормативно-технического документа на поставку.

 

ОП

Х

-

Х/Х

´

XX

-

Х

 

Обозначение типовой схемы ОП по п. 1.1 (При наличии в превенторном блоке превентора с перерезывающими плашками к обозначению типовой схемы добавляется буква «С»)

 

 

 

 

 

 

 

Условный проход ОП, мм

 

 

 

 

 

 

 

Условный проход манифольда, мм

 

 

 

 

 

 

 

Рабочее давление, МПа

 

 

 

 

 

 

 

Обозначение исполнения изделия в зависимости от условий применения (скважинной среды) в соответствии с нижеприведенной таблицей обозначения коррозионностойкого исполнения

 

 

 

 

 

 

 

Обозначение модификации, модернизации (при необходимости)

 

 

 

 

 

Обозначение коррозионностойкого исполнения ОП

Обозначение исполнения

Параметры скважинной среды

K1

Среда с объемным содержанием СО2 до 6%

К2

Среда с объемным содержанием СО2 и H2S до 6%

К3

Среда с объемным содержанием СО2 и H2S до 25%

Пример условного обозначения ОП по схеме 6 на рабочее давление 35 МПа с условным проходом превенторного блока 280 мм и манифольдом с условным проходом 80 мм:

Оборудование ОП6-280/80 ´ 35 ГОСТ 13862-90

То же, для ОП по схеме 9 на рабочее давление 70 МПа с условным проходом превенторного блока 350 мм с превентором с перерезывающими плашками и условным проходом манифольда 80 мм:

Оборудование ОП9с-350/80 ´ 70 ГОСТ 13862-90

То же, для ОП по схеме 10 для скважинной среды с содержанием СО2 и H2S до 6%:

Оборудование ОП10с-350/80 ´ 70К2 ГОСТ 13862-90


ПРИЛОЖЕНИЕ 4

Справочное

ОСНОВНЫЕ ПАРАМЕТРЫ И РАЗМЕРЫ ПРЕВЕНТОРОВ

Условный проход, мм

Рабочее давление Рр, МПа

Диаметр прохода, мм

Нагрузка на плашки, кН, не менее

Диаметр труб, уплотняемых плашками, мм

Высота превенторов, мм, не более

Масса превенторов, кг, не более

от давления скважины

от веса колонны

ПК

ПП

ПК

ПП

180

21

180

160

560

Oт 26,4 до 139,7

850

500

1500

1000

35

280

900

1100

500

2200

1300

70

560

1600

1300

650

6000

1700

105

850

1800

-

-

-

-

230

2,1

230

280

710

От 60,3 до 177,8

1105

380

3000

1100

35

450

1100

1180

550

3025

1500

70

800

2700

1500

700

9500

2900

105

1330

2700

2000

1000

17500

4000

280

21

280

320

900

От 60,3 до 219,1

1100

550

3000

2100

35

560

1600

1500

600

4500

2500

70

1100

2500

1730

800

14000

3000

105

1600

2800

2000

1000

17500

4000

350

21

346

320

900

От 60,3 до 273,0

1250

600

4900

2500

35

560

1600

1600

700

7900

4400

70

1100

2500

1950

900

18000

5000

105

1600

2800

-

1100

-

10000

425

14

425

220

560

От 60,3 до 339,7

-

500

-

3000

21

320

900

1500

600

7600

4000

35

560

 

1700

800

12000

6000

70

1100

2500

-

900

-

9500

540

14

540

220

560

От 60,3 до 406,4

1700

800

10000

4000

21

527

320

900

1750

900

15000

5000

35

540

560

1600

2085

1000

22020

6500

70

540

1100

2500

-

1300

-

13000

680

14

680

220

560

От 60,3 до 508,0

 

950

 

6000

21

320

900

1850

1200

17000

8800

Примечания:

1. Значение высоты и массы превенторов ПП относится к исполнению с бесфланцевым корпусом.

2. Типоразмеры с условным проходом 230 мм на рабочие давления 70 и 105 МПа для модернизации и нового проектирования не должны применяться.


ИНФОРМАЦИОННЫЕ ДАННЫЕ

1. РАЗРАБОТАН И ВНЕСЕН Министерством тяжелого машиностроения СССР

РАЗРАБОТЧИКИ

Н.Г. Курбанов; А.Г. Дозорцев, канд. техн. наук; Б.О. Френкель, канд. техн. наук; Ю.А. Самойлов; И.М. Нисенбаум

2. УТВЕРЖДЕН И ВВЕДЕН В ДЕЙСТВИЕ Постановлением Государственного комитета СССР по управлению качеством продукции и стандартам от 28.06.90 № 1967

3. Срок проверки - 1995 г. Периодичность проверки - 5 лет

4. В стандарт введены СТ СЭВ 6149-87, СТ СЭВ 6913-89, СТ СЭВ 6914-89, СТ СЭВ 6916-89 (в части основных параметров)

5. ВЗАМЕН ГОСТ 13862-80

6. ССЫЛОЧНЫЕ НОРМАТИВНО-ТЕХНИЧЕСКИЕ ДОКУМЕНТЫ

Обозначение НТД, на который дана ссылка

Номер пункта, подпункта

ГОСТ 12.2.115-86

2.8

ГОСТ 12448-80

2.11.6

СОДЕРЖАНИЕ

 

 




ГОСТЫ, СТРОИТЕЛЬНЫЕ и ТЕХНИЧЕСКИЕ НОРМАТИВЫ.
Некоммерческая онлайн система, содержащая все Российские Госты, национальные Стандарты и нормативы.
В Системе содержится более 150000 файлов нормативно-технической документации, действующей на территории РФ.
Система предназначена для широкого круга инженерно-технических специалистов.

Рейтинг@Mail.ru Яндекс цитирования

Copyright © www.gostrf.com, 2008 - 2026