Крупнейшая бесплатная информационно-справочная система онлайн доступа к полному собранию технических нормативно-правовых актов РФ. Огромная база технических нормативов (более 150 тысяч документов) и полное собрание национальных стандартов, аутентичное официальной базе Госстандарта. GOSTRF.com - это более 1 Терабайта бесплатной технической информации для всех пользователей интернета. Все электронные копии представленных здесь документов могут распространяться без каких-либо ограничений. Поощряется распространение информации с этого сайта на любых других ресурсах. Каждый человек имеет право на неограниченный доступ к этим документам! Каждый человек имеет право на знание требований, изложенных в данных нормативно-правовых актах!

  


 

ГОСТ 9411-91

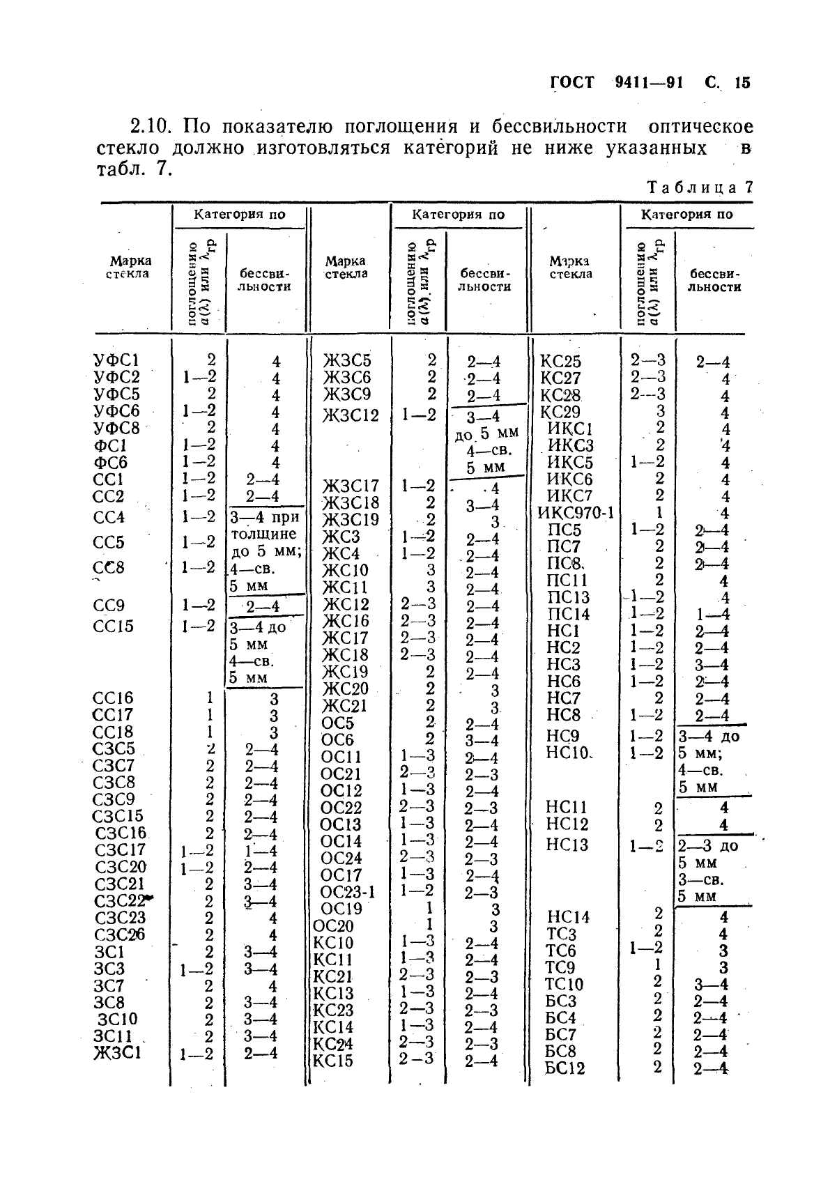
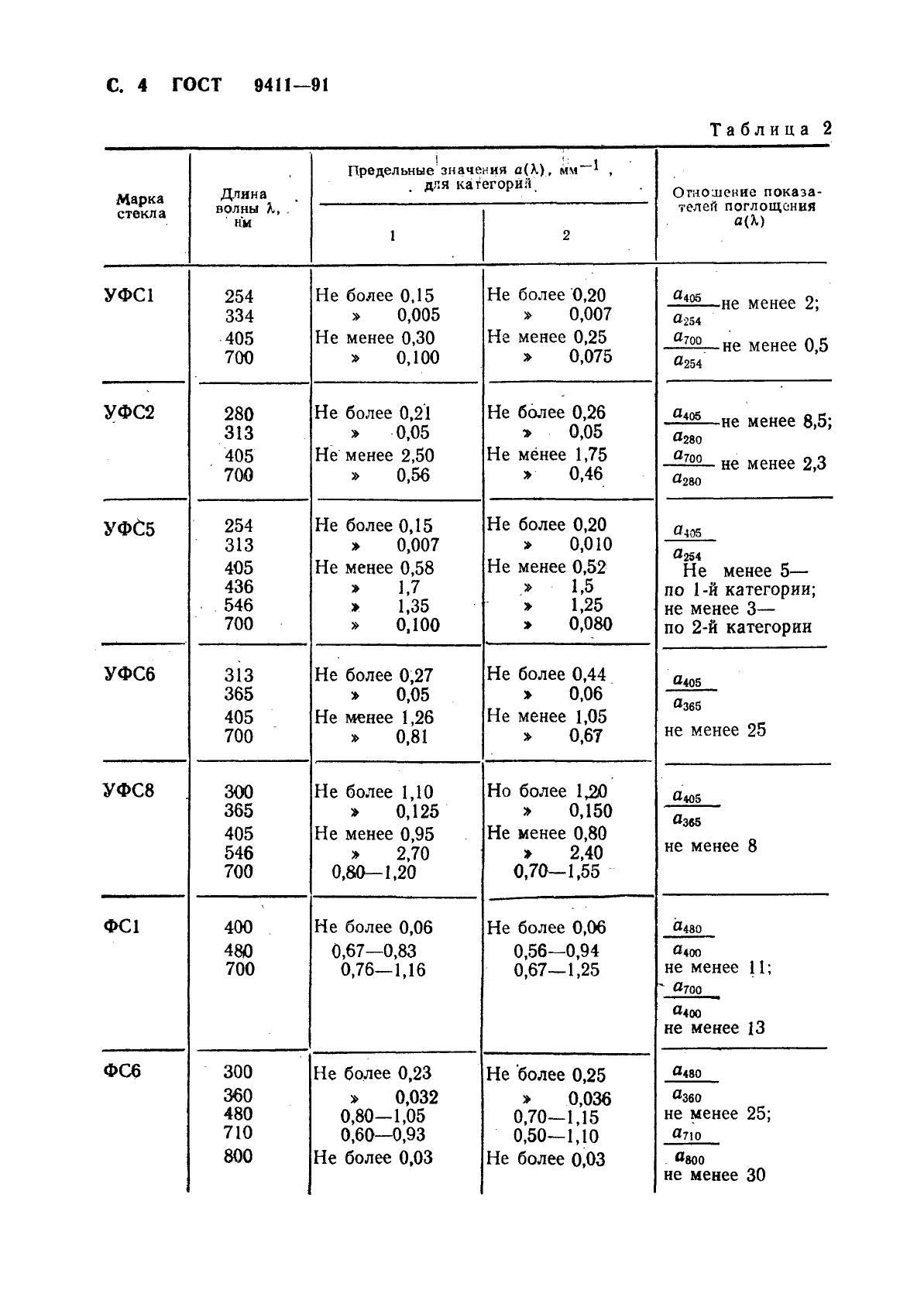
Стекло оптическое цветное. Технические условия

Обозначение:ГОСТ 9411-91
Текущий статус документа: действующий
Название документа рус.:Стекло оптическое цветное. Технические условия
Название документа англ.:Colored optical glass. Specifications
Дата актуализации текста:01.12.2013
Дата издания:25.03.1992
Дата введения:01.01.1993
Дата последнего изменения:22.05.2013
Область применения:Настоящий стандарт распространяется на оптическое цветное неорганическое стекло для светофильтров, выпускаемое в заготовках размеров (диаметром или с наибольшей стороной) не более 400 мм для всех стекол, кроме окрашенных сульфоселенидами или сульфидами металлов (с размером заготовки не более 360 мм), для нужд народного хозяйства и экспорта
ГОСТ 9411-91ГОСТ 9411-91ГОСТ 9411-91ГОСТ 9411-91ГОСТ 9411-91ГОСТ 9411-91ГОСТ 9411-91ГОСТ 9411-91ГОСТ 9411-91ГОСТ 9411-91ГОСТ 9411-91ГОСТ 9411-91ГОСТ 9411-91ГОСТ 9411-91ГОСТ 9411-91ГОСТ 9411-91ГОСТ 9411-91ГОСТ 9411-91ГОСТ 9411-91ГОСТ 9411-91ГОСТ 9411-91ГОСТ 9411-91ГОСТ 9411-91ГОСТ 9411-91ГОСТ 9411-91ГОСТ 9411-91ГОСТ 9411-91ГОСТ 9411-91ГОСТ 9411-91ГОСТ 9411-91ГОСТ 9411-91ГОСТ 9411-91ГОСТ 9411-91ГОСТ 9411-91ГОСТ 9411-91ГОСТ 9411-91ГОСТ 9411-91ГОСТ 9411-91ГОСТ 9411-91ГОСТ 9411-91ГОСТ 9411-91ГОСТ 9411-91ГОСТ 9411-91ГОСТ 9411-91ГОСТ 9411-91ГОСТ 9411-91ГОСТ 9411-91ГОСТ 9411-91ГОСТ 9411-91
 




ГОСТЫ, СТРОИТЕЛЬНЫЕ и ТЕХНИЧЕСКИЕ НОРМАТИВЫ.
Некоммерческая онлайн система, содержащая все Российские Госты, национальные Стандарты и нормативы.
В Системе содержится более 150000 файлов нормативно-технической документации, действующей на территории РФ.
Система предназначена для широкого круга инженерно-технических специалистов.

Рейтинг@Mail.ru Яндекс цитирования

Copyright © www.gostrf.com, 2008 - 2026