Крупнейшая бесплатная информационно-справочная система онлайн доступа к полному собранию технических нормативно-правовых актов РФ. Огромная база технических нормативов (более 150 тысяч документов) и полное собрание национальных стандартов, аутентичное официальной базе Госстандарта. GOSTRF.com - это более 1 Терабайта бесплатной технической информации для всех пользователей интернета. Все электронные копии представленных здесь документов могут распространяться без каких-либо ограничений. Поощряется распространение информации с этого сайта на любых других ресурсах. Каждый человек имеет право на неограниченный доступ к этим документам! Каждый человек имеет право на знание требований, изложенных в данных нормативно-правовых актах!

  


 

ГОСТ 6732.3-89

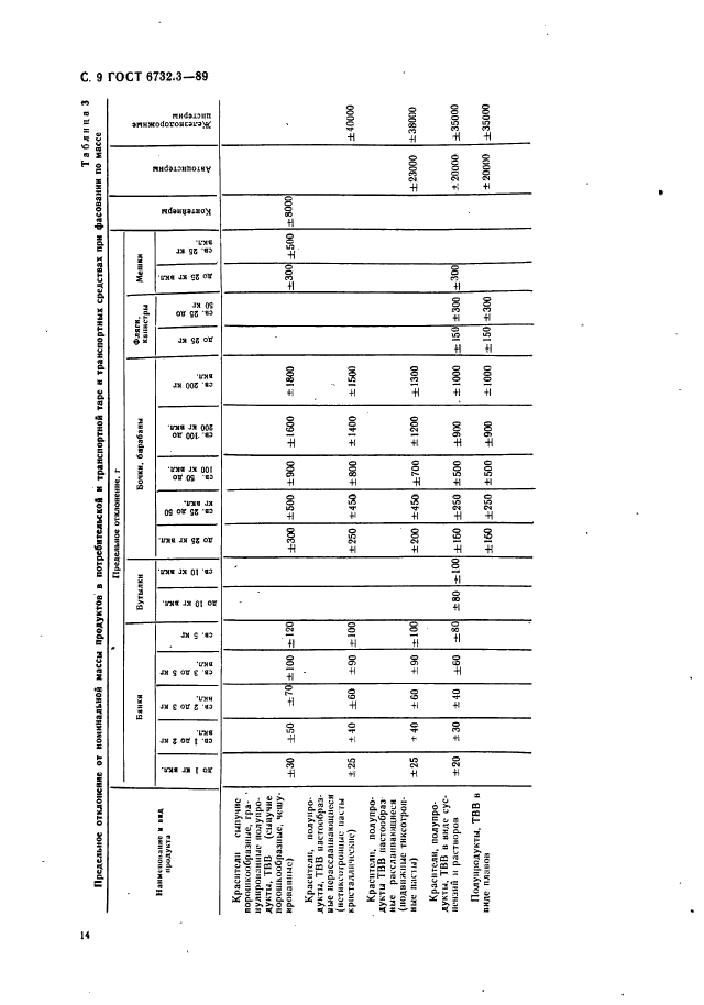
Красители органические, продукты промежуточные для красителей, вещества текстильно-вспомогательные. Упаковка

Обозначение:ГОСТ 6732.3-89
Текущий статус документа: действующий
Название документа рус.:Красители органические, продукты промежуточные для красителей, вещества текстильно-вспомогательные. Упаковка
Название документа англ.:Organic dyes, intermediates for dyes, auxiliary compounds for textiles. Packing
Дата актуализации текста:01.12.2013
Дата издания:01.08.1993
Дата введения:01.01.1991
Дата последнего изменения:22.05.2013
Переиздание:переиздание
Взамен в части: в части разд. 3
Область применения:Настоящий стандарт распространяется на органические красители, промежуточные продукты для красителей, текстильно-вспомогательные вещества и устанавливает требования к упаковке продукции
ГОСТ 6732.3-89ГОСТ 6732.3-89ГОСТ 6732.3-89ГОСТ 6732.3-89ГОСТ 6732.3-89ГОСТ 6732.3-89ГОСТ 6732.3-89ГОСТ 6732.3-89ГОСТ 6732.3-89ГОСТ 6732.3-89ГОСТ 6732.3-89
 




ГОСТЫ, СТРОИТЕЛЬНЫЕ и ТЕХНИЧЕСКИЕ НОРМАТИВЫ.
Некоммерческая онлайн система, содержащая все Российские Госты, национальные Стандарты и нормативы.
В Системе содержится более 150000 файлов нормативно-технической документации, действующей на территории РФ.
Система предназначена для широкого круга инженерно-технических специалистов.

Рейтинг@Mail.ru Яндекс цитирования

Copyright © www.gostrf.com, 2008 - 2026