Крупнейшая бесплатная информационно-справочная система онлайн доступа к полному собранию технических нормативно-правовых актов РФ. Огромная база технических нормативов (более 150 тысяч документов) и полное собрание национальных стандартов, аутентичное официальной базе Госстандарта. GOSTRF.com - это более 1 Терабайта бесплатной технической информации для всех пользователей интернета. Все электронные копии представленных здесь документов могут распространяться без каких-либо ограничений. Поощряется распространение информации с этого сайта на любых других ресурсах. Каждый человек имеет право на неограниченный доступ к этим документам! Каждый человек имеет право на знание требований, изложенных в данных нормативно-правовых актах!

  


 

ГОСТ 10791-2004

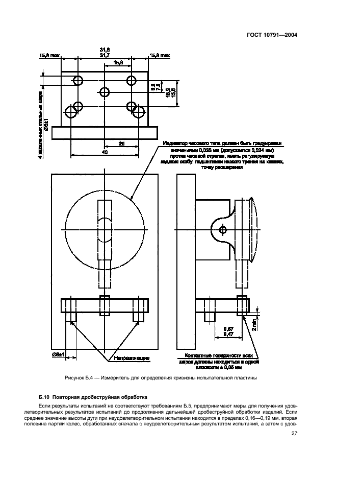
Колеса цельнокатаные. Технические условия

Обозначение:ГОСТ 10791-2004
Текущий статус документа: заменён
Название документа рус.:Колеса цельнокатаные. Технические условия
Название документа англ.:All-rolled wheels. Specifications
Дата актуализации текста:01.12.2013
Дата издания:01.08.2006
Дата введения:30.06.2005
Дата последнего изменения:22.05.2013
Дата окончания срока действия:01.01.2012
Переиздание:переиздание с поправкой
Область применения:Настоящий стандарт распространяется на цельнокатаные колеса исполнения УХЛ по ГОСТ 15150 для колесных пар грузовых и пассажирских тележек вагонов локомотивной тяги, пассажирских, маневровых и грузовых локомотивов, путевых машин, немоторных вагонов электро- и дизель-поездов магистральных железных дорог колеи 1520 мм
Список изменений:№0 от 22.06.2005 (рег. 22.06.2005) «Дата введения перенесена»
Приложение №1:Поправка к ГОСТ 10791-2004
ГОСТ 10791-2004ГОСТ 10791-2004ГОСТ 10791-2004ГОСТ 10791-2004ГОСТ 10791-2004ГОСТ 10791-2004ГОСТ 10791-2004ГОСТ 10791-2004ГОСТ 10791-2004ГОСТ 10791-2004ГОСТ 10791-2004ГОСТ 10791-2004ГОСТ 10791-2004ГОСТ 10791-2004ГОСТ 10791-2004ГОСТ 10791-2004ГОСТ 10791-2004ГОСТ 10791-2004ГОСТ 10791-2004ГОСТ 10791-2004ГОСТ 10791-2004ГОСТ 10791-2004ГОСТ 10791-2004ГОСТ 10791-2004ГОСТ 10791-2004ГОСТ 10791-2004ГОСТ 10791-2004ГОСТ 10791-2004ГОСТ 10791-2004ГОСТ 10791-2004ГОСТ 10791-2004

Поправка к ГОСТ 10791-2004

Обозначение:Поправка к ГОСТ 10791-2004
Дата введения:22.06.2005


Поправка к ГОСТ 10791-2004
 




ГОСТЫ, СТРОИТЕЛЬНЫЕ и ТЕХНИЧЕСКИЕ НОРМАТИВЫ.
Некоммерческая онлайн система, содержащая все Российские Госты, национальные Стандарты и нормативы.
В Системе содержится более 150000 файлов нормативно-технической документации, действующей на территории РФ.
Система предназначена для широкого круга инженерно-технических специалистов.

Рейтинг@Mail.ru Яндекс цитирования

Copyright © www.gostrf.com, 2008 - 2026