Крупнейшая бесплатная информационно-справочная система онлайн доступа к полному собранию технических нормативно-правовых актов РФ. Огромная база технических нормативов (более 150 тысяч документов) и полное собрание национальных стандартов, аутентичное официальной базе Госстандарта. GOSTRF.com - это более 1 Терабайта бесплатной технической информации для всех пользователей интернета. Все электронные копии представленных здесь документов могут распространяться без каких-либо ограничений. Поощряется распространение информации с этого сайта на любых других ресурсах. Каждый человек имеет право на неограниченный доступ к этим документам! Каждый человек имеет право на знание требований, изложенных в данных нормативно-правовых актах!

  


 

ГОСУДАРСТВЕННЫЙ СТАНДАРТ СОЮЗА ССР

НАКОНЕЧНИКИ КАБЕЛЬНЫЕ КОЛЬЦЕВЫЕ

КОНСТРУКЦИЯ И РАЗМЕРЫ

ГОСТ 9688-82

ГОСУДАРСТВЕННЫЙ КОМИТЕТ СССР ПО УПРАВЛЕНИЮ
КАЧЕСТВОМ ПРОДУКЦИИ И СТАНДАРТАМ

Москва

ГОСУДАРСТВЕННЫЙ СТАНДАРТ СОЮЗА ССР

НАКОНЕЧНИКИ КАБЕЛЬНЫЕ КОЛЬЦЕВЫЕ

Конструкция и размеры

Ring cable thimbles.
Design and dimensions

ГОСТ
9688-82

Срок действия  с 01.01.84

до 01.01.94

Несоблюдение стандарта преследуется по закону

1. Настоящий стандарт устанавливает конструкцию и размеры кабельных кольцевых штампованных наконечников, предназначенных для оконцевания опрессовкой кабелей и проводов с медными жилами классов 2-6 по ГОСТ 22483-77 сечением от 1,0 до 2,5 мм2.

2. Конструктивное и климатическое исполнение наконечников, материал и покрытие должны соответствовать указанным в табл. 1.

Таблица 1

Конструктивное исполнение по ГОСТ 23981-80

Климатическое исполнение и категория размещения по ГОСТ 15150-69

Материал

Покрытие по ГОСТ 9.306-85

К

ОМ1

Медь марки M1 или М2 по ГОСТ 495- 77

О-С(60)3. опл.

П

УХЛ3, Т2

Латунь марки Л63 по ГОСТ 931-78 и ГОСТ 2208-75

09

Примечание. Допускается по согласованию с потребителем изготовлять наконечники с другим видом покрытия, для исполнения УХЛ3 - без покрытия.

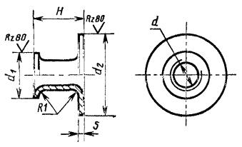
3. Конструкция, обозначения, коды ОКП, размеры и масса наконечников должны соответствовать указанным на черт. 1, 2 и в табл. 2, 3.

Наконечник исполнения К

Черт. 1

Наконечник исполнения П

Черт. 2

1-3. (Измененная редакция, Изм. № 1).

4. Указания по закреплению наконечников на жилах кабелей и проводов приведены в приложении 1 и ГОСТ 10434-82.

5. Структура условного обозначения наконечников приведена в приложении 2.

Примеры условных обозначений

Наконечник номинальным сечением 1,5 мм2, для контактного стержня М3, конструктивного исполнения К, климатического исполнения ОМ1:

Наконечник 1,5-3-К ОМ1 ГОСТ 9688-82

Таблица 2

Размеры, мм

Обозначение

Код ОКП

Сечение жилы, мм2

Диаметр контактного стержня

d

d1

r

H

h

s

Расчетная масса 1000 шт., кг

Номин.

Пред. откл.

1,5-3-К ОМ1

34 4982 0621

1,0; 1,2; 1,5

М3

3,4

7,9

0,8

4,5

+0,3

1,5

0,3

0,30

1,5-4-К ОМ1

34 4982 0641

М4

4,5

8,9

0,35

1,5-5-К ОМ1

34 4982 0661

М5

5,5

9.9

0,39

2,5-3-К ОМ1

34 4982 0671

2,0; 2,5

М3

3,4

9,3

1,1

6,8

+0,3

1,8

0,4

0,58

2,5-4-К ОМ1

34 4982 0681

М4

4,5

10,5

0,62

2,5-5-К ОМ1

34 4982 0691

М5

5,5

11,5

0,87

2,5-6-К ОМ1

34 4982 0701

М6

6,4

12,5

1,1

Таблица 3

Размеры, мм

Обозначение

Код ОКП

Сечение жилы, мм2

Диаметр контактного стержня

d

d1

r

H

h

s

Номин.

Пред. откл.

1,5-3-ПУХЛ3

34 4981 0021

1,0; 1,2; 1,5

М3

3,4

5,6

7,5

4,5

+0,3

0,5

0,20

1,5-3-ПТ2

34 4981 0022

М3

3,4

5,6

7,5

0,3

0,20

1,5-4-ПУХЛ3

34 4981 0041

М4

4,5

6,6

8,5

0,21

1,5-5-ПУХЛ3

34 4981 0061

М5

5,5

7,6

9,5

0,22

2,5-3-ПУХЛ3

34 4981 0071

2,0; 2,5

М3

3,4

5,1

9,5

5,3

+ 0,3

0,4

0,23

2,5-3-ПТ2

34 4981 0072

М3

3,4

5,1

9,5

0,23

2,5-4-ПУХЛ3

34 4981 0081

М4

4,5

6,1

10,8

0,24

2,5-5-ПУХЛ3

34 4981 0091

М5

5,5

7,1

11,8

0,25

2,5-6-ПУХЛ3

34 4981 0101

М6

6,4

8,1

12,8

0,26

Наконечник номинальным сечением 1,5 мм2, для контактного стержня М3, конструктивного исполнения П, климатического исполнения Т2:

Наконечник 1,5-3-П Т2 ГОСТ 9688-82

6. Остальные требования - по ГОСТ 23981-80.

(Введен дополнительно, Изм. № 1).

ПРИЛОЖЕНИЕ 1

Обязательное

ТЕХНИЧЕСКИЕ УКАЗАНИЯ К ЗАКРЕПЛЕНИЮ КАБЕЛЬНЫХ НАКОНЕЧНИКОВ НА ЖИЛАХ ПРОВОДОВ И КАБЕЛЕЙ

Закрепление кабельных наконечников на жилах проводов и кабелей должно выполняться при помощи специальных клещей.

Требования к подготовке контактных поверхностей по ГОСТ 10434-82.

Основные размеры рабочих частей матриц и пуансонов указаны на черт. 1-4 и в табл. 1-4. Предельные отклонения размеров: отверстий - Н7, валов - h6, остальных - js12.

Основные размеры рабочей части матрицы для обжатия наконечников типа К (табл. 1)

Черт. 1

Основные размеры рабочей части пуансона для обжатия наконечников типа К (табл. 2)

Черт. 2

Основные размеры рабочей части матрицы для обжатия наконечников типа П (табл. 3)

Черт. 3

Основные размеры рабочей части пуансона для обжатия наконечников типа П (табл. 4)

Черт. 4

Таблица 1

мм

Обозначение

d

d1

d2

r

1,5-3-К ОМ1

3,4

8,4

5,7

1,1

1,5-4-К ОМ1

4,5

9,4

6,7

1,5-5-К ОМ1

5,5

10,4

7,7

2,5-3-К ОМ1

3,4

10,0

6,5

1,5

2,5-4-К ОМ1

4,5

11,0

7,5

2,5-5-К ОМ1

5,5

12,0

8,5

2,5-6-К ОМ1

6,4

13,0

9,5

Таблица 2

мм

Обозначение

d

d1

d2

r

h

1,5-3-К ОМ1

3

7,9

5,7

1,1

3,8

1,5-4-К ОМ1

4

8,9

6,7

1,5-5-К ОМ1

5

9,19

7,7

2,5-3-К ОМ1

3

9,5

6,5

1,5

4,2

2,5-4-К ОМ1

4

10,5

7,5

2,5-5-К ОМ1

5

11,5

8,5

2,5-6-К ОМ1

6

12,5

9,5

Таблица 3

мм

Обозначение

d

d1

r

r1

h

B

1,5-3-П УХЛ3

3,2

7,0

0,90

2,15

0,90

3,5

1,5-4-П УХЛ3

4,5

8,0

1,5-5-П УХЛ3

5,5

9,0

2,5-3-П УХЛ3

3,4

8,6

1,25

2,30

1,25

4,0

2,5-4-П УХЛ3

4,5

9,6

2,5-6-П УХЛ3

5,5

10,6

2,5-6-П УХЛ3

6,4

11,6

Таблица 4

мм

Обозначение

d

d1

d2

r

r1

h

B

1,5-3-П УХЛ3

3,2

7,0

3,2

0,90

2,15

0,90

3,5

1,5-4-П УХЛ3

4,5

8,0

4,2

1,5-5-П УХЛ3

5,5

9,0

5,2

2,5-3-П УХЛ3

3,2

8,6

3,2

1,25

2,30

1,25

4,5

2,5-4-П УХЛ3

4,5

9,6

4,2

2,5-6-П УХЛ3

5,5

10,6

5,2

2,5-6-П УХЛ3

6,4

11,6

6,2

(Измененная редакция, Изм. № 1).

ПРИЛОЖЕНИЕ 2

Обязательное

Структура условного обозначения наконечников

ИНФОРМАЦИОННЫЕ ДАННЫЕ

1.  РАЗРАБОТАН И ВНЕСЕН Министерством монтажных и специальных строительных работ СССР

ИСПОЛНИТЕЛИ

Коротков Н. И., Ивановская Г. Н., Алексеенко В. Н., Яковенко Г. И.

2. УТВЕРЖДЕН И ВВЕДЕН В ДЕЙСТВИЕ Постановлением Государственного комитета СССР по стандартам от 09.11.82 № 4218

3. Периодичность проверки - 5 лет

4. ВЗАМЕН ГОСТ 9688-76

5. ССЫЛОЧНЫЕ НОРМАТИВНО-ТЕХНИЧЕСКИЕ ДОКУМЕНТЫ

Обозначение НТД, на который дана ссылка

Номер пункта, приложения

ГОСТ 9.306-85

2

ГОСТ 495-78

2

ГОСТ 931-78

2

ГОСТ 2208-75

2

ГОСТ 10434-82

4, Приложение 1

ГОСТ 15150-69

2

ГОСТ 22483-77

1

ГОСТ 23981-80

2, 6

6. ПЕРЕИЗДАНИЕ (июль 1989 г.) с Изменением № 1, утвержденным в июне 1988 г. (ИУС 11-88)

7. Проверен в 1988 г. Срок действия продлен до 01.01.94 (Постановление Государственного комитета СССР по стандартам от 27.06.88 № 2368)

 




ГОСТЫ, СТРОИТЕЛЬНЫЕ и ТЕХНИЧЕСКИЕ НОРМАТИВЫ.
Некоммерческая онлайн система, содержащая все Российские Госты, национальные Стандарты и нормативы.
В Системе содержится более 150000 файлов нормативно-технической документации, действующей на территории РФ.
Система предназначена для широкого круга инженерно-технических специалистов.

Рейтинг@Mail.ru Яндекс цитирования

Copyright © www.gostrf.com, 2008 - 2026