Крупнейшая бесплатная информационно-справочная система онлайн доступа к полному собранию технических нормативно-правовых актов РФ. Огромная база технических нормативов (более 150 тысяч документов) и полное собрание национальных стандартов, аутентичное официальной базе Госстандарта. GOSTRF.com - это более 1 Терабайта бесплатной технической информации для всех пользователей интернета. Все электронные копии представленных здесь документов могут распространяться без каких-либо ограничений. Поощряется распространение информации с этого сайта на любых других ресурсах. Каждый человек имеет право на неограниченный доступ к этим документам! Каждый человек имеет право на знание требований, изложенных в данных нормативно-правовых актах!

  


 

Открытое акционерное общество

Проектно-конструкторский и технологический
институт промышленного строительства
ОАО ПКТИпромстрой

УТВЕРЖДАЮ

Генеральный директор, к.т.н.

____________ С.Ю. Едличка

«28» июля 2003 г.

ТЕХНОЛОГИЧЕСКАЯ КАРТА
ГЕРМЕТИЗАЦИЯ СТЫКОВ
НАРУЖНЫХ ОГРАЖДАЮЩИХ КОНСТРУКЦИЙ

44-03 ТК

Главный инженер

_________________ А.В. Колобов

Начальник отдела

_________________ Б.И. Бычковский

2003

В технологической карте приведена технология герметизации стыков наружных ограждающих конструкций из керамзитобетонных наружных панелей с горизонтальной и вертикальной разрезкой зданий, возводимых из изделий номенклатуры МТСК-2 «Сборные бетонные, железобетонные, керамзитобетонные, гипсобетонные конструкции», 2000 г.

В карте приведена технология производства работ по герметизации стыков «закрытого» типа с материалами, данными в каталоге МТСК-3 «Материалы», 2000 г.

В карте представлены схемы стыков наружных стен здания и организация работ по устройству их герметизации; освещены вопросы качества работ и безопасности труда, экологической и пожарной безопасности работ, приведены указания по организации рабочего места, дана потребность в материально-технических ресурсах, приведены технико-экономические показатели.

Карта может применяться самостоятельно, а также в составе проекта производства работ в качестве технологического документа при производстве работ по герметизации стыков наружных ограждающих конструкций на строительных объектах. Настоящая карта разработана сотрудниками ОАО ПКТИпромстрой:

- Холопов В.Н. - разработка карты;

- Савина О.А. - компьютерная обработка и графика;

- Черных В.В. - общее технологическое сопровождение;

- Бычковский Б.И. - техническое руководство, нормоконтроль, корректура разработки;

- к.т.н. Едличка С.Ю. - общее руководство разработкой технологической документации.

Авторы будут признательны за предложения и возможные замечания по составу и содержанию данной карты.

Контактный телефон (095) 214-14-72.

Факс (095) 214-95-53.

E-mail: pkti@co.ru

www/co.ru/-pkti

СОДЕРЖАНИЕ

1 ОБЛАСТЬ ПРИМЕНЕНИЯ

1.1 Технологическая карта разработана на герметизацию стыков керамзитобетонных наружных панелей горизонтальной полосовой разрезки для зданий, возводимых из изделий номенклатуры МТСК-2, а также для одноэтажных промышленных зданий.

1.2 Конструкции горизонтальных и вертикальных стыков, представленных на рисунках 1, 2, 3, 4 и 5, приняты в соответствии с альбомом типовых решений ДС-47-87, разработанным институтом «Моспроект-1», а для одноэтажных промышленных зданий - конструкции, представленные на рисунке 6, в соответствии с альбомом серии 1.030.1-1 «Стены наружные из однослойных панелей для каркасных общественных зданий, производственных и вспомогательных зданий промышленных предприятий».

Примечание - цифрами в кружках обозначены варианты конструкций стыков наружных стеновых панелей

Рисунок 1 - Фрагмент фасада каркасного многоэтажного здания

Примечание - номера позиций соответствуют названиям материала, данным в таблице 1

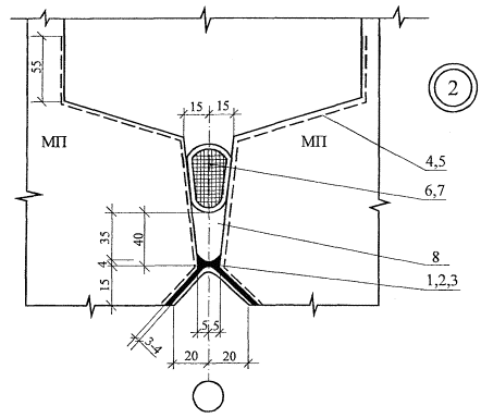
Рисунок 2 - Конструкция вертикального рядового стыка панелей. Вариант 1.

Примечание - номера позиций соответствуют названиям материала, данным в таблице 1

Рисунок 3 - Конструкция вертикального стыка простеночных панелей у температурного шва. Вариант 2.

Рисунок 4 - Конструкция горизонтального стыка панелей. Вариант 3.

Рисунок 5 - Конструкция горизонтального стыка панелей. Вариант 4.

Примечание - Номера позиций соответствуют названиям материала, данных в таблице 1

Рисунок 6 - Конструкция стыков одноэтажных промышленных зданий

1.3 В настоящей карте представлена технология герметизации горизонтальных и вертикальных стыков с обязательной укладкой уплотняющей прокладки, нанесением строительной нетвердеющей мастики и затем вулканизирующей.

1.4 В работе по герметизации стыков используются следующие материалы, представленные в таблице 1.

Таблица 1 - Материалы, используемые при герметизации стыков

№ п/п

Наименование материалов

ГОСТ или ТУ

1

Мастика вулканизирующая тиоколовая АМ-05

ТУ 84-246-85

2

Клей-герметик вулканизирующий кремнийорганический «Эластосил- 1106»

ТУ 6-02-775-73

3

Мастика герметизирующая вулканизирующая «Тиопрол-2»

ТУ 400-1-411-99-85

4

Герметик высыхающий 51-Г-18

ТУ 400-1-137-78

5

Состав латексный грунтовочный ЛСГ-905

ТУ 400-1-209-80

6

Прокладки резиновые пористые уплотняющие ПРП-40

ГОСТ 19177-81

7

Прокладки пенополиэтиленовые уплотняющие марки «Вилатерм-СП»

ТУ 6-05-2049-87

8

Мастика герметизирующая нетвердеющая строительная

ГОСТ 14791-79

9

Пакля смоляная

 

10

Цементно-песчаный раствор марки 100

 

2 ОРГАНИЗАЦИЯ И ТЕХНОЛОГИЯ ВЫПОЛНЕНИЯ РАБОТ

2.1 Работы по герметизации стыков наружных стеновых панелей для зданий, возводимых из изделий номенклатуры МТСК-2 «Сборные бетонные, железобетонные, керамзитобетонные, гипсобетонные конструкции» следует осуществлять в соответствии с типовыми проектами, требованиями СНиП 3.03.01-87 «Несущие и ограждающие конструкции» и настоящей технологической картой.

2.2 До начала работ по герметизации стыков с наружной стороны здания должны быть выполнены следующие подготовительные работы:

- проверка наличия огрунтовки стыковых наружных стен;

- монтаж наружных стеновых панелей на всем здании;

- сварка закладных деталей и их антикоррозионная защита;

- укладка в процессе монтажа уплотняющих прокладок в горизонтальные стыки;

- завоз всех необходимых материалов для производства работ и обеспечение надежного складирования;

- навеска люлек и подготовка их к работе;

- проведение мероприятий по безопасности и охране труда и противопожарной безопасности;

- проверка исправности механизмов.

2.3 Поверхностные повреждения бетонных панелей в месте устройства стыков (трещины, раковины, сколы) должны быть устранены с применением полимерцементных составов.

Стыкуемые поверхности наружных стеновых панелей, поступающих на объект, должны быть предварительно огрунтованы клеем-герметиком 51-Г-18 или ЛСГ-905. В случае поставки на строительный объект панелей с непрогрунтованными кромками производитель работ обязан организовать обмазку кромок грунтовочным составом сразу же после доставки панелей на объект и проконтролировать исполнение до окончания рабочей смены.

2.4 Кромки панелей и устье стыка, покрытые грунтовочными составами перед герметизацией, должны быть очищены от наплывов раствора и пыли, а в зимнее время - от снега и льда.

2.5 При герметизации стыков их внутренние поверхности должны быть сухими. Запрещается наносить герметик и клеящие материалы на мокрые поверхности, а также производить эти работы во время дождя и снега. После дождя и снегопада перед производством работ грани стыка со слоем грунтовки следует протереть сухими чистыми обтирочными концами.

2.6 Работы по герметизации стыков выполняют в следующей технологической последовательности:

- производят приклейку уплотняющей прокладки ПРП-40 или Вилатерм-СП с перекрытия в горизонтальные стыки панелей с их наружной стороны, при этом прокладки ПРП-40 необходимо выдержать при температуре +20 °С не менее 4-х часов;

- производят герметизацию вертикальных стыков уплотняющими прокладками с наружной стороны здания;

- производят герметизацию горизонтальных и вертикальных стыков строительной нетвердеющей мастикой (Бутепрол);

- производят герметизацию по строительной мастике вулканизирующими мастиками АМ-0,5 или «Тиопрол-2».

2.7 Перед наклейкой уплотняющей прокладки в горизонтальные стыки панелей необходимо осуществить очистку соответственно верхнего гребня нижележащей панели, затем покрывают поверхность гребня клеем ЛСГ-905 или 51-Г-18 (кистью), наклеивают прокладки, которые сверху снова покрывают клеем.

Обжатие прокладок, установленных в стыках, должно составлять не менее 20 % диаметра их поперечного сечения. Устанавливают уплотняющую прокладку без разрывов. В местах соединения концы уплотняющих прокладок обрезают «на ус», склеивают клеем ЛСГ-905 или 51-Г-18 и обматывают изоляционной лентой.

Уплотняющие прокладки вертикальных швов укладываются после монтажа панелей.

В точке пересечения горизонтального и вертикального швов в горизонтальных уплотняющих прокладках вырезают пазы, и стык прокладок склеивают, при этом вертикальная прокладка должна располагаться ближе к фасадной поверхности.

Наращивать прокладки по длине следует на расстоянии не менее 0,5 м от места пересечения горизонтальных и вертикальных стыков.

2.8 Герметизацию стыков панелей с наружной стороны здания производят с самоподъемных электрифицированных люлек. Запас материалов в люльке должен быть предусмотрен не менее чем на 3 - 4 часа работы.

Люльку подвешивают в рабочее положение, устанавливая консоли на крыше здания. Весь объем по герметизации стыков выполняют звеном из 2-х человек с одной люльки.

Передвигаясь сверху вниз по высоте здания и обратно, рабочие выполняют следующие операции:

- герметизацию вертикального стыка уплотняющими прокладками ПРП-40 или «Вилатерм»;

- ремонт сколов, трещин полимерцементным раствором;

- герметизацию вертикального и горизонтального стыков нетвердеющей строительной мастикой (Бутепрол) и ее уплотнение с помощью расшивки;

- герметизацию стыков вулканизирующей мастикой АМ-0,5 или «Тиопрол-2».

По окончанию работ на захвате люльку переставляют на следующую позицию и операции повторяются.

2.9 В вертикальный стык панелей уплотняющие прокладки вводят «насухо» с помощью деревянной конопатки с наружной стороны.

2.10 В вертикальные и горизонтальные стыки нетвердеющую строительную мастику вводят по уложенной уплотняющей прокладке с помощью электрогерметизатора «Стык-20». Для хорошего заполнения зазора стыка, надежного прилипания к кромкам панелей и обеспечения нормальной производительности электрогерметизатора температура мастики в брикетах при подаче их на рабочее место должна быть в пределах 15 - 20 °С независимо от температуры наружного воздуха. Зимой разогрев брикетов с мастикой производится в электрошкафах, которые должны быть установлены в будках герметчиков. При работе электрогерметизатора зимой подключают электрообогревающую насадку герметизатора для того, чтобы температура мастики, нагнетаемой в стык, была в пределах 35 - 40 °С.

2.11 При герметизации стыков двухкомпонентной вулканизирующей мастикой АМ-0,5 или «Тиопрол-2» следует руководствоваться рекомендациями НИИМосстроя.

Приготовление таких мастик производят на месте работ небольшими порциями. Смешивается основная паста АМ-0,5 (белого цвета) с отверждающей пастой № 3 (черного цвета) в весовой дозировке в соотношении 5:1, а «Тиопрол-2» - в соотношении 2:1. Перемешивание компонентов производят в ведре с помощью машины сверлильной электрической ИЭ-1035, оборудованной смесительной насадкой для получения однородной по цвету массы. Приготовленную мастику используют в течение 1 - 3 часов. Запрещается перемешивать герметик вручную и разбавлять его растворителями. Герметик АМ-0,5 или «Тиопрол-2» наносят на поверхность стыков шпателем или пневмошприцем с точным соблюдением профиля, указанного в проекте. После нанесения мастики ее поверхность следует выровнять и загладить шпателем. Температура мастики АМ-0,5 или «Тиопрол-2» независимо от температуры наружного воздуха должна быть 15 - 20 °С. Зимой подогрев вулканизирующей мастики производят в электрошкафах, которые должны быть установлены в будках герметчиков. Температура в электрошкафах не должна превышать 30 °С.

2.12 На рисунке 7 приведена технологическая схема герметизации стыков каркасно-панельных зданий. На листе 28 представлен календарный план производства работ при герметизации стыков. В качестве примера принято девятиэтажное каркасно-панельное здание с высотой этажа 3,3 м с размерами наружных стен 5900×1540 мм и 2500×1840 мм.

2.13 Герметизацию стыков одноэтажных промышленных зданий осуществляют уплотняющими прокладками и мастикой АМ-0,5. Укладку уплотняющей прокладки в горизонтальный стык производят в процессе монтажа панелей, а в вертикальный стык - после окончания монтажа.

На приобъектном складе верхнюю грань панели очищают от грязи и наплывов бетона, а зимой - от снега и наледи. Затем наносят клей 51-Г-18 и приклеивают уплотняющую прокладку. После окончания монтажа с самоподъемной люльки в вертикальный стык вводят «насухо» уплотняющую прокладку, а затем герметизируют все стыки вулканизирующей мастикой АМ-0,5. Операции осуществляют в соответствии с п. 2.7 ÷ 2.11 настоящей карты.

На рисунке 8 приведена технологическая схема герметизации стыков одноэтажного промышленного здания и график производства работ.

Рисунок 7 - Технологическая схема герметизации стыков каркасных зданий

Рисунок 8 - Технология и организация работ по герметизации стыков одноэтажных промышленных зданий

2.14 На рисунках 9 ÷ 14 приведены схемы организации рабочего места и приемы труда при герметизации стыков.

1 - люлька ЛЭ-100-300; 2 - компрессор СО-7А; 3 - пневмошприц; 4 - электрогерметизатор «Стык-20»; 5 - уплотняющие прокладки; 6 - ящик с мастикой нетвердеющей, строительной; 7 - емкость с мастикой АМ-0,5; 8 - ящик с сухой ветошью; 9 - ящик с инструментами; 10 - наружные стены; 11 - вертикальный стык; 12 - горизонтальный стык;

- рабочие-монтажники

- направление перемещения рабочих-монтажников

Рисунок 9 - Организация рабочего места

Приемы труда

Рисунок 10 - Очистка поверхности стыка

Монтажники М1 и М2, находясь в подвесной люльке, очищают поверхность стыка с помощью металлической щетки и шпателя от наплывов бетона, набрызга раствора, снега; влажные поверхности протирают концами или ветошью.

Рисунок 11 - Укладка уплотняющей прокладки в стык (рисунки 2, 3 - поз. 6, 7)

М1 и М2 с помощью деревянной конопатки вводят «насухо» уплотняющую прокладку в паз шва. Заглубляют его, не допуская растягивания, следят за тем, чтобы уплотняющая прокладка в стыках была обжата на 30 - 50 %. В местах соединения в прокладках вырезается паз и стык шнуров склеивают.

Рисунок 12 - Нанесение нетвердеющей строительной мастики (Бутепрол) (рисунки 2, 3, 4, 5 поз. 8)

Монтажник М1 заправляет электрогерметизатор «Стык-20» разогретой мастикой, вводит наконечник электрогерметизатора в стык панелей, нажимает на пусковой рычаг и наносит валик мастики, равномерно перемещая герметизатор вдоль стыка со скоростью, обеспечивающей его полную герметизацию. Толщина валика мастики должна быть не менее 20 мм и не иметь разрывов и наплывов.

Рисунок 13 - Нанесение мастики АМ-0,5 или «Тиопрол-2» (рисунок 2, 3, 4, 5 поз. 1, 2, 3)

Монтажник М1 с помощью пневмошприца наносит на мастику «Бутепрол» тиоколовый герметик АМ-0,5 или «Тиопрол-2». Монтажник М2, пользуясь деревянной расшивкой, уплотняет герметик до толщины не менее 4 мм и разравнивает его так, чтобы он заходил на кромки панелей не менее 20 мм.

Рисунок 14 - Разравнивание и уплотнение герметика

Монтажник М2 расшивкой уплотняет и разравнивает ее так, чтобы слой мастики был ровный, без разрывов и плотно прилегал к кромке стыка.

3 ТРЕБОВАНИЯ К КАЧЕСТВУ И ПРИЕМКЕ РАБОТ

3.1 Требования к материалам.

3.1.1 Все материалы, применяемые для герметизации стыков, должны отвечать требованиям действующих ГОСТ и технических условий (ТУ) на эти материалы.

Материалы для уплотнения стыков должны применяться только те, которые указаны в проекте, замена их без согласования с проектной организацией не допускается.

Материалы после истечения установленного стандартами или ТУ срока хранения перед применением подлежат контрольной проверке в строительной лаборатории.

Панели наружных стен должны поставляться на объект с огрунтованными поверхностями под уплотняющие прокладки, грунтовка должна образовывать сплошную пленку.

3.1.2 Обмазочные, твердеющие мастики (рисунки 2, 3, 4, 5 поз. 1, 2, 3):

- Мастика вулканизирующая тиоколовая АМ-0,5 - приготавливается в соответствии с ТУ 84-246-85, - двухкомпонентный материал на основе полисульфидного каучука (тиокола), пастообразный перед перемешиванием и резиноподобный после вулканизации (через 4 - 8 часов), светло-серого цвета.

Компоненты тиоколовой мастики - герметизирующая паста А-0,5 белого цвета и отверждающая паста № 30 черного цвета поставляются заводом-изготовителем комплектно в весовой дозировке согласно паспорту на каждую партию герметика. Нарушать дозировку, приведенную в паспорте, запрещается.

По физико-механическим показателям мастика должна соответствовать нормам, указанным в таблице 2.

Таблица 2 - Физико-механические показатели тиоколовой мастики

№ п/п

Наименование показателей

Норма

1

Передел прочности при разрыве, МПа (кг/см2)

1,0 (10,0)

2

Относительное удлинение, %, не менее

150

3

Температура хрупкости, °С, не выше

-40

4

Сохранение основных свойств (жизнеспособность), час, не менее

5

- Мастика герметизирующая вулканизирующая «Тиопрол-2» - двухкомпонентный материал на основе синтетического каучука ТПМ-полимера, цвет светло-серый. Компоненты мастики «Тиопрол-2», герметизирующая паста светлого цвета и отверждающая паста темного цвета, поставляются заводом-изготовителем комплектно.

По физико-механическим показателям мастика «Тиопрол-2» должна соответствовать нормам, указанным в таблице 3.

Таблица 3 - Физико-механические показатели мастики «Тиопрол-2»

№ п/п

Наименование показателей

Норма

1

Условная прочность в момент разрыва, МПа (кг/см2)

0,15 (1,5)

2

Относительное удлинение в момент разрыва, %, не менее

150

3

Жизнестойкость при температуре от +18 °С до +30 °С, не менее

2 часа

Применяется при температуре наружного воздуха не ниже -20 °С для герметизации стыков элементов наружных стен.

3.1.3 Герметик высыхающий 51-Г-18 (ТУ 400-1-137-78) - жидкий материал на основе дивинилстирольного термоэластопласта ДСТ-30, инденкумароновой смолы, наполнителей, растворителей. Применяется для грунтовки стыкуемых поверхностей наружных стеновых панелей (рисунки 2, 3, 4, 5 поз. 4).

Состав латексной грунтовочной марки ЛСГ-905 (ТУ 400-1-204-80) - жидкий воднодисперсный материал на основе синтетических каучуков (рисунки 2, 3, 4, 5 поз. 5). Применяется для грунтовки стыкуемых поверхностей наружных стеновых панелей.

3.1.4 Резиновые пористые уплотняющие прокладки ПРП-40 (рисунки 2, 3, 4, 5 поз. 6) получают на основе синтетических каучуков. Их применяют в условиях эксплуатации с температурным интервалом от -40 до +70 °С. Прокладки выпускают круглого сечения диаметром 40 мм и длиной 3000 мм.

Прокладки должны иметь сплошную поверхностную планку без трещин и разрывов. На поверхности прокладок не допускаются бугорки или углубления, завулканизированные складки высотой (глубиной) более 3 мм, отслаивание поверхностной пленки от прокладки длиной более 50 мм в количестве более 1 шт. на 1 м длины, пузыри размером более ¼ наименьшего размера сечения прокладки.

Предельные отклонения в размерах прокладок ПРП-40 представлены в таблице 4.

Таблица 4 - Предельные отклонения прокладок ПРП-40

Наименование показателей

Прокладки ПРП-40

Высшей категории качества

I категории качества

1

2

3

Средняя плотность прокладок, кг/м3, не более, для групп:

 

 

300

300

300

400

400

400

500

500

500

600

-

600

Сопротивление сжатию, МПа (кгс/см2), не более:

 

 

при температуре: (20 ± 5) °С

0,15 (1,5)

0,20 (0,20)

(-20 ± 2) ° С

0,25 (2,5)

Остаточная деформация при сжатии, %, не более

25

40

Водопоглощение, %, не более

3,0

5,0

Температура хрупкости, °С

- 30

Пенополиэтиленовые ВСН 14-95 уплотняющие прокладки марки «Вилатерм-СП» (рисунки 2, 3, 4, 5 поз. 7) получают экструзией полиэтилена высокого давления (низкой плотности) с физическим вспенивающим агентом.

Прокладки «Вилатерм-СП» белого цвета имеют профиль круглого сечения диаметром 30, 40, 50 мм с отверстием внутри, толщина стенки 10 мм, длина прокладки не менее 5 м.

Прокладки «Вилатерм-СП» должны иметь сплошную поверхностную пленку без трещин и разрывов. Физико-механические свойства представлены в таблице 5.

Таблица 5 - Физико-механические свойства прокладок «Вилатерм-СП»

№ п/п

Наименование показателей

Норма

1

Овальность, % от величины диаметра

15

2

Кажущаяся плотность, кг/м3

3

Водопоглощение за 24 часа, % не более

3,0

4

Относительная остаточная деформация, %, не более, при сжатии:

 

 

на 25 %

7,5

 

на 50 %

15,0

На стройплощадку прокладки ПРП-40 поставляются в бухтах или пачках массой не более 50 кг, а прокладки «Вилатерм-СП» - в контейнерах, уложенными в расправленном виде.

Транспортную маркировку производят по ГОСТ 14192-96*. На каждую упаковку прикрепляют этикетку из плотного картона или фанеры, в которой указывают:

- наименование организации, в подчинении которой находятся предприятие-изготовитель;

- наименование и адрес предприятия-изготовителя или его товарный знак;

- наименование и условное обозначение прокладок;

- номер партии и дату изготовления, качество;

- гарантийный срок хранения.

Каждая партия прокладок должна сопровождаться документом, в котором кроме сведений, указанных на этикетках, должны содержаться показатели качества прокладок.

Прокладки перевозят всеми видами крытых транспортных средств.

Прокладки следует хранить в вентилируемых помещениях или под навесами при температуре не выше +30 °С в условиях, исключающих попадание прямых солнечных лучей и веществ, разрушающих резину (масла, растворители, кислоты, щелочи - для ПРП-40). Прокладки следует хранить в штабелях высотой не более 2 м при упаковке в бухты и не более 1 м при упаковке в пачке или складировании в контейнерах.

Срок хранения прокладок ПРП-40 и «Вилатерм-СП» - один год со дня изготовления при условии соблюдения правил хранения. По истечении гарантийного срока хранения прокладки перед применением должны быть проверены на соответствие требованиям ГОСТ или ТУ.

3.1.5 Мастика герметизирующая нетвердеющая строительная ГОСТ 14791-79 (рисунки 2, 3, 4, 5 поз. 8) - вязкая однородная масса на основе полиизобутиленового, этиленпропиленового, изопренового и бутилового каучуков, наполнителей и пластификаторов. Цвет мастики - от светло-серого до коричневого.

По внешнему виду мастика должна быть однородной, при этом не допускается на поперечном сечении брикета более двух включений диаметром свыше 1 мм.

Мастика поступает на стройплощадку в брикетах прямоугольной формы сечением 60×30 мм и длиной до 500 мм, обернутых в полиэтиленовую пленку толщиной 40 мкм.

По физико-механическим показателям мастика должна соответствовать нормам, указанным в таблице 6.

Таблица 6 - Физико-механические свойства мастики герметизирующей нетвердеющей

Наименование

Норма

высшая категория качества

I категория качества

Предел прочности при растяжении, кгс/см2 (МПа)

0,10 - 0,15 (0,01 - 0,015)

0,08 - 0,10 (0,008 - 0,01)

Относительное удлинение при максимальной нагрузке, %, не менее

45

35

Водопоглощение, %, не более

0,2

0,4

Консистенция, мм

7 - 11

7 - 11

Стекание мастики при 70 °С (теплостойкость), мм, не более

1,0

2,0

Относительное удлинение при температуре 50 °С, %, не менее

7,0

7,0

Брикеты упаковывают в деревянные или картонные ящики, деревянные бочки. Масса «брутто» одного тарного места должна составлять не более 50 кг.

Срок хранения строительной мастики - 1 год со дня изготовления.

3.1.6. Каждая партия герметизирующих и клеящих мастик снабжена инструкцией по применению и документом, в котором должно быть указано:

- наименование организации, в подчинении которой находится предприятие-изготовитель;

- наименование и адрес предприятия-изготовителя или его товарный знак;

- наименование материала;

- номер партии и дата изготовления;

- масса «нетто» упакованного места;

- результаты физико-механических испытаний;

- обозначение ГОСТ, ТУ;

- на этикетках мастик КН-2 и КН-3 должны быть крупные надписи «ОГНЕОПАСНО» и «ВЗРЫВООПАСНО».

Документ должен быть подписан лицом, ответственным за технический контроль предприятия-изготовителя.

3.1.7 Герметизирующие мастики следует хранить в вентилируемых помещениях или под навесами при температуре не выше +30 °С в условиях, исключающих попадание прямых солнечных лучей и веществ, разрушающих материалы.

3.1.8 Растворные смеси, применяемые для зачеканки стыков, должны отвечать требованиям СП 82-101-98 «Приготовление и применение растворов строительных».

3.2 Контроль качества выполнения работ.

3.2.1 Производственный контроль качества по герметизации стыков наружных ограждающих конструкций производят в соответствии с требованиями СНиП 3.03.01-87 «Несущие и ограждающие конструкции» под руководством технического персонала строительной организации и периодическим контролем лаборатории.

3.2.2 Производственный контроль включает в себя входной контроль наружных стыков панелей, эксплуатационных материалов, операционный контроль отдельных производственных операций и приемочный контроль требуемого качества загерметизированных стыков.

3.2.3 При входном контроле наружные стеновые панели и герметизирующие материалы проверяют внешним осмотром, их соответствие нормативным и проектным требованиям, а также наличие и содержание паспортов, сертификатов и других сопроводительных документов.

При операционном контроле проверяют все операции по герметизации швов в соответствии с требованиями СНиП, зачеканку прокладок в вертикальные и горизонтальные швы, величину обжатия прокладок, нанесение мастик на уплотняющие прокладки.

При приемочном контроле проверяют качество устройства загерметизированных стыков. Результаты производственного контроля качества работ должны заноситься в журнал производства работ.

Основными документами при производственном контроле является настоящая технологическая карта и указанные в карте нормативные документы, перечни операций, контролируемых производителем работ (мастером), данные о составе, сроках и способах контроля, как показано в таблице 7.

Таблица 7 - Состав и содержание производственного контроля качества

Кто контролирует

Прораб или мастера

Операции, подлежащие контролю

Операции при входном контроле

Операции при операционном контроле

Операции при приемочном контроле

Состав контроля

Проверка наличия сертификатов и паспортов на материалы и изделия, соответствия марок материалов и сроков их хранения требованиям проекта, ГОСТов, технических условий

Проверка огрунтовки граней панелей образующих стык. Очистка и просушка стыков. Определение фактического размера стыка

Наклейка уплотняющей прокладки на верхние грани ранее смонтированных панелей. Зачеканка прокладок в вертикальные стыки.

Проверка величины обжатия прокладки в рабочем состоянии

Нанесение мастики на уплотняющие прокладки. Нанесение защитного покрытия.

Зачеканка горизонтальных стыков цементно-песчаным раствором (или смоляной паклей)

Соответствие готового загерметизированного шва требованиям проекта

Метод контроля

Визуально

Визуально, газовая горелка, метр металлический

Визуально

Визуально, метр металлический

Визуально, метр металлический

 

Визуально, метр металлический

Время контроля

До герметизации

 

 

 

 

 

После окончания работ

Кто привлекается к контролю

Лаборатория

 

 

 

 

 

Технадзор

Наличие акта на скрытые работы (+)

 

+

 

+

 

 

4 ТРЕБОВАНИЯ ТЕХНИКИ БЕЗОПАСНОСТИ И ОХРАНЫ ТРУДА, ЭКОЛОГИЧЕСКОЙ И ПОЖАРНОЙ БЕЗОПАСНОСТИ

4.1 При производстве работ по герметизации и теплоизоляции стыков панелей должны соблюдаться требования СНиП 12-03-2001 «Безопасность труда в строительстве. Часть 1. Общие требования», СНиП 12-04-2002 «Безопасность труда в строительстве. Часть 2. Строительное производство», ППБ 01-93** «Правила пожарной безопасности в Российской Федерации», «Правил устройства и безопасной эксплуатации строительных подъемников» и требования настоящей технологической карты.

4.2 К выполнению работ по герметизации стыков панелей допускаются рабочие мужского пола не моложе 18 лет, не имеющие медицинских противопоказаний для работы на высоте, прошедшие обучение согласно ГОСТ 12.0.004-90, сдавшие экзамены и имеющие удостоверение на право производства работ, прошедшие вводный инструктаж и первичный инструктаж на рабочем месте по безопасности и охране труда.

4.3 Лица, допускаемые к работам по герметизации, должны иметь профессиональную подготовку (в том числе по безопасности труда), соответствующую характеру работ, квалификационную группу по электробезопасности (не ниже II для лиц, допускаемых к управлению оборудованием с электроприводом, и лиц, допускаемых к управлению ручными электрическими машинами).

4.4 Администрация строительного (специализированного) управления обязана организовать разработку и после согласования с профсоюзной организацией утвердить инструкцию по безопасности и охране труда для рабочих, выполняющих работы по герметизации стыков панелей, и осуществлять контроль за соблюдением ее требований.

4.5 Перед допуском к работе рабочие должны быть ознакомлены с требованиями указанной инструкции и данной технологической картой.

4.6 В целях предупреждения и своевременного выявления профессиональных заболеваний или отравлений рабочие должны проходить предварительный и периодические медицинские осмотры.

4.7 Для герметизации стыков наружных стеновых панелей на фасадах следует пользоваться по окончании монтажных операций самоподъемными люльками.

4.8 Перед началом работ по герметизации и теплоизоляции стыков на рабочих местах должны быть вывешены плакаты и предупредительные надписи, разъясняющие безопасные способы выполнения работ.

4.9 Герметчики и теплоизолировщики должны:

- быть обучены безопасным и прогрессивным приемам выполнения соответствующих операций технологического цикла;

- иметь наряд-допуск на производство этих работ, а до их начала быть проинструктированы по технике безопасности на рабочем месте;

- допускаться к работе с герметиками и лентами, содержащими токсичные и легко летучие огнеопасные вещества, только после специального обучения, и также инструктажа о свойствах материалов и мерах пожарной безопасности.

4.10 Оборудование для герметизации стыков должно быть инвентарным и находиться в исправном состоянии:

- у компрессора должен быть отрегулирован предохранительный клапан, проверена правильность показаний манометра;

- перед разогревом нетвердеющей строительной мастики (Бутепрол) в электрошкафах должны быть проверены исправность терморегулятора, изоляция проводов, заземление корпуса электрошкафа. Температура в электрошкафу не должна превышать +20 ÷ 30 °С.

4.11 Электрооборудование будки герметчиков должно быть заземлено. Включать и выключать его разрешается только дежурному электрику.

4.12 Приготовление мастик АМ-0,5 или «Тиопрол-2» (дозирование составов) должно производиться в вентилируемом помещении или температуре не ниже 20 °С.

4.13 При производстве работ должны соблюдаться следующие правила:

- герметизация мастиками стыков панелей в зоне монтажных работ запрещается;

- запрещается оставлять приспособления и инструмент у краев перекрытия или на рабочем настиле люлек и площадок;

- рабочие настилы на навесных площадках и люльках зимой должны тщательно очищаться от снега и наледи.

4.14 При работе с электрогерметизатором запрещается:

- устранять неисправности без обесточивания системы электропитания;

- поправлять рукой брикет с мастикой в загрузочном окне электрогерметизатора.

4.15 Рабочие, занятые смешением и нанесением тиоколовой мастики АМ-0,5 или «Тиопрол-2» и грунтовочных составов, должны быть обеспечены резиновыми перчатками, профилактическими мазями для смазывания кожи рук перед работой, пятипроцентным раствором гипосульфита или десятипроцентным раствором бисульфита натрия для мытья рук по окончании работы или рабочей смены.

4.16 К работам, связанным с эксплуатацией самоподъемных электрифицированных люлек, должны допускаться рабочие, обученные по специальной программе и сдавшие технический минимум.

4.17 Установка люльки и ее эксплуатация производятся в соответствии с инструкцией и паспорта на люльку, а также правилами безопасности труда.

4.18 После монтажа и проверки всех механизмов перед началом работ следует произвести пробный подъем люльки на полную высоту с нагрузкой 300 кг с остановками на 1 - 2 минуты через каждые 8 - 10 м подъема. Если люлька работает нормально и закреплена устойчиво, можно приступать к работе по герметизации стыков панелей.

4.19 При эксплуатации до начала работ ежедневно бригадир должен внимательно осматривать грузовые предохранительные канаты, а механик участка не менее одного раза в декаду - производить запись в журнале о техническом состоянии канатов.

4.20 Вход и выход на люльку производить только с земли. Вход и выход на люльку с оконных проемов категорически запрещается.

4.21 Работа с люлек при силе ветра более 6 баллов запрещается.

4.22 Запрещается совместная работа люлек при расстоянии между ними (по горизонтали) менее 5 метров.

4.23 Работа на люльках разрешается только в предохранительных поясах и касках, а также при наличии наряда-допуска на особо опасные работы.

4.24 Запрещается пользоваться открытым огнем и курить в местах, где проводится розлив, дозировка и перемешивание клеев, растворителей и жидких компонентов.

4.25 Для предотвращения искрообразования категорически запрещается вскрывать металлическую тару с клеем КН-2, другими видами клея, ударяя по ним стальными предметами. Открывать тару следует неискрящими бронзовыми ключами или деревянной конопаткой.

4.26 Пустую тару от клея запрещается оставлять на перекрытии или в будке герметчиков ввиду ее взрыво- и пожароопасности.

4.27 Герметчики и теплоизолировщики должны быть обеспечены спецодеждой из брезента, рукавицами, резиновыми перчатками, профилактическими мазями для смазывания кожи рук перед началом работы.

4.28 Строительная площадка должна быть обеспечена противопожарным оборудованием и инвентарем согласно действующим нормам.

Все работающие должны быть проинструктированы по правилам пожарной безопасности.

В каждой схеме должен быть назначен ответственный за противопожарную безопасность.

Для соблюдения экологических норм необходимо предусмотреть емкость для воды, предназначенную для промывки инструмента и механизмов.

Запрещается сжигание строительного мусора на стройплощадке, его необходимо собирать в контейнеры и вывозить в установленные места.

5 ПОТРЕБНОСТЬ В МАТЕРИАЛЬНО-ТЕХНИЧЕСКИХ РЕСУРСАХ

5.1 Потребность в машинах, оборудовании и механизмах приведена в таблице 8 с учетом выполняемых работ и технических характеристик.

Таблица 8 - Ведомость потребности машин, инструмента и оборудования

№ п/п

Наименование

Тип, марка, ГОСТ

Технические характеристики

Назначение

Количество на звено, шт.

1

2

3

4

5

6

1

Люлька самоподъемная

ЛЭ-100-300

Грузоподъемность, кг

300

Подъем рабочих и материалов для герметизации горизонтальных и вертикальных стыков «закрытого» типа с наружной стороны здания

1

Высота подъема, м

100

Габаритные размеры, мм:

 

длина

4435

ширина

935

высота

1815

Масса, кг

415

2

Передвижная компрессорная установка

СО-7А

Производительность, м3/мин

0,50

Для подачи воздуха в пневмошприцы

1

Давление, МПа (кг/см2)

0,6 (6)

Мощность, кВт

4

Габаритные размеры, мм:

 

длина

1000

ширина

485

высота

820

Масса, кг

140

3

Электрогерметизатор

Стык-20

Производительность:

 

Для нанесения нетвердеющей мастики «Бутепрол» во внутренние и наружные стыки

1

подача мастики, л/мин

1,0

стыка, м/ч

20 - 25

Мощность, кВт

0,86

Габаритные размеры, мм:

 

длина

510

ширина

130

высота

280

Масса, кг

6,5

4

Пневмошприц для вулканизирующихся мастик

 

Габаритные размеры, мм:

 

Для укладки вулканизирующихся мастик в стык

1

длина

560

диаметр

132

Масса (с заряженной мастикой), кг

1,7

5

Шприц заправочный

-

Габаритные размеры, мм:

 

Для нанесения мастики

1

длина с вытянутым поршнем

827

длина шприца

445

ширина

100

диаметр

70

6

Машина сверлильная электрическая с насадкой для перемешивания

ИЭ-1035

Частота вращения шпинделя, с-1

10

Для механического перемешивания мастики

1

Потребляемая мощность, кВт

0,42

Частота питающей сети, Гц

200

Напряжение, В

220

Масса, кг

2,50

Диаметр сверла, мм

14

7

Столик-стремянка

-

Габаритные размеры, мм:

 

Герметизация вертикальных стыков внутри здания

1

длина

850

ширина

480

высота

925

Масса, кг

14

8

Шпатель стальной

ШД-45

Габариты, мм:

 

Зачистка стыков

1

длина

210

ширина

45

Масса, кг

0,12

9

Щетка волосяная

 

Габаритные размеры, мм:

300×90×75

Зачистка стыков

1

Масса, кг

0,4

10

Сменные гильзы

 

Диаметр, мм:

 

Для замены использованных гильз

1

наружный

88

внутренний

85

Длина, мм

215

Масса, кг

0,7

11

Контейнер для гильз

 

Размеры, мм

390×210×165

Для хранения гильз

1

Масса, кг

1,6

12

Преобразователь частоты тока

ИЭ-9403

Мощность, кВа:

 

Подача напряжения на «Стык-20» и электрическую сверлильную машину ИЭ-1035

1

отдаваемая

1,2

потребляемая

2,0

Род тока - переменный трехфазный

 

Напряжение, В:

 

первичное

380/220

вторичное

42

Частота тока, Гц:

 

первичная

50

вторичная

200

Габаритные размеры, мм:

 

диаметр

335

высота

256

Масса, кг

39

13

Электрошкаф

-

Напряжение, В

42

Для подогрева мастики

1

Частота тока, Гц

50

 

 

 

Температура нагрева мастики, °С

60 ÷ 70

 

 

Габаритные размеры, мм:

 

длина

795

ширина

500

высота

700

Масса, кг

25

14

Большой заправщик жгута

 

Производительность при укладке и обмазке жгута клеящим раствором, м/мин:

1,0 - 1,5

Для укладки уплотняющих прокладок

2

Наибольшая высота укладки жгута, м

3

Длина заправщика, мм

900

Масса заправщика, кг

0,85

15

Конопатка деревянная

 

Длина общая, мм

250

Для укладки уплотняющих прокладок

2

Ширина рабочей части, мм

40

Масса, кг

0,3

16

Кисть-ручник

КР-50

Габаритные размеры, мм:

290×50

Нанесение клея-герметика 51-Г-18 или ЛСГ-0,05

2

Масса, кг

0,096

17

Кельма штукатурная

КШ

Габаритные размеры, мм:

320×150×70

Для нанесения и разравнивания раствора

2

Масса, кг

0,3

18

Терка деревянная

 

Габаритные размеры, мм:

200×120×68

Для затирки раствора в стыках

1

19

Ведро

ГОСТ 20558-82*

Емкость, л

10

Для воды и раствора

 

20

Ящик деревянный

 

Габаритные размеры, мм:

600×250×600

Для переноски и хранения инструмента

1

Масса, кг

2

21

Нож кровельный

 

Габаритные размеры, мм:

190×20×80

Для резки уплотняющих прокладок

2

Масса, кг

0,12

5.2 Рабочие, занятые на работах по герметизации стыков панелей, обеспечиваются спецодеждой и спецобувью в соответствии с действующими отраслевыми нормами, как указано в таблице 9.

Таблица 9 - Средства индивидуальной защиты работающих

№ п/п

Наименование

Тип, марка, ГОСТ

Технические характеристики

Назначение

Количество на звено, шт.

1

2

3

4

5

6

1

Пояс предохранительный монтажный

 

 

При работе на высоте

2

2

Перчатки резиновые технические

 

 

Для защиты рук

2

3

Рукавицы брезентовые

ГОСТ 12.4.087-84

Срок носки 1 мес.

Для защиты рук

2

4

Каска строительная

ГОСТ 12.4.087-84

 

Для защиты головы

2

5

Костюм хлопчатобумажный

 

Срок носки 12 мес.

 

2

6

Ботинки кожаные

 

Срок носки 12 мес.

 

2

7

Куртка хлопчатобумажная на утепляющей прокладке

 

 

В зимний период

2

8

Брюки хлопчатобумажные на утепляющей прокладке

 

 

В зимний период

2

9

Валенки

 

 

В зимний период

2

6 ТЕХНИКО-ЭКОНОМИЧЕСКИЕ ПОКАЗАТЕЛИ

6.1 В качестве единицы измерения для составления калькуляции затрат труда и машинного времени, календарного плана производства работ принято 100 м стыка каркасно-панельного здания.

6.2 Затраты труда и машинного времени на устройство стыков каркасно-панельных зданий подсчитаны по «Единым нормам и расценкам на строительные, монтажные и ремонтно-строительные работы», введенным в действие в 1987 г., и представлены в таблице 10.

6.3 Продолжительность работ на устройство герметизации стыков каркасно-панельного здания определяется календарным планом работ, представленным в таблице 11.

Таблица 10 - Калькуляция трудовых затрат на производство работ по герметизации стыков

Измеритель - 100 м стыка каркасно-панельного здания

№ п/п

Обоснование (ЕниР и др. нормы)

Наименование технологических процессов

Ед. изм.

Объем работ

Норма времени

Затраты труда

рабочих, чел.-ч

машинистов, чел.-ч (работа машин, маш.-ч)

рабочих, чел.-ч

машинистов, чел.-ч (работа машин, маш.-ч)

1

Е 4-1-27 № 2, № 3

Укладка прокладки ПРП-40 или «Вилатерм-СП» насухо в вертикальные стыки с наружной стороны здания с изготовлением

10 м шва

10,0

2,51

-

25,1

-

2

Е 4-1-27 № 7, № 8

Герметизация горизонтальных и вертикальных стыков наружных стеновых панелей нетвердеющей строительной мастикой («Бутепрол»)

10 м шва

10,0

2,99

-

29,9

-

3

Е 4-1-27 № 7, № 8

Герметизация горизонтальных и вертикальных стыков наружных панелей вулканизирующей мастикой АМ-0,5 или «Тиопрол-2»

10 м шва

10,0

2,99

-

29,9

-


Таблица 11 - Календарный план производства работ на герметизацию стыков каркасно-панельного здания

Измеритель - 100 м стыка

* Графиком предусматриваются работы в одну смену


6.3 Технико-экономические показатели приведены в таблице 11.

Таблица 11 - Технико-экономические показатели герметизации стыков

№ п/п

Наименование

Ед. изм.

Герметизация стыков в каркасно-панельном здании

1

Затраты труда

чел.-ч

84,9

2

Выработка на 1 рабочего в смену

м

19

3

Расход электроэнергии в смену

КВт

19,68

7 ПЕРЕЧЕНЬ ИСПОЛЬЗОВАННОЙ ЛИТЕРАТУРЫ

1 СНиП 3.01.01-85* «Организация строительного производства»;

2 СНиП 3.03.01-87 «Несущие и ограждающие конструкции»;

3 СНиП 12-03-2001 «Безопасность труда в строительстве. Часть 1. Общие данные»;

4 СНиП 12-04-2002 «Безопасность труда в строительстве. Часть 2. Строительное производство»;

5 ГОСТ 12.0.004-90 «ССБТ. Организация обучения безопасности труда. Общие положения»;

6 ГОСТ 12.4.011-89 «ССБТ. Средства защиты работающих. Общие требования и классификация»;

7 ГОСТ 12.4.087-84 «ССБТ. Строительство. Каски строительные. Технические условия»;

8 ГОСТ 14791-79 «Мастика герметизирующая нетвердеющая строительная. Технические условия»;

9 ГОСТ 19177-81 «Прокладки резиновые пористые уплотняющие. Технические условия»;

10 ГОСТ 24064-80 «Мастики клеевые каучуковые»;

11 ППБ 01-93** Правила пожарной безопасности в Российской Федерации.

12 Правила устройства и безопасной эксплуатации строительных подъемников. Госгортехнадзор, М., 2002 г.

13 ВСН 19-95 Инструкция по технологии заделки стыковых соединений панелей наружных стен жилых домов и зданий соцкультбыта;

14 Альбом ДС-47-87 Стены каркасных зданий наружные керамзитобетонные с горизонтальной разрезкой. Стыки;

15 Альбом 1.030-1-1 Выпуск 3-3. Монтажные узлы стен одноэтажных промышленных зданий;

16 ЕНиР. Единые нормы и расценки на строительно-монтажные и ремонтно-строительные работы. Сборник Е 4. Выпуск 1. Здания и промышленные сооружения;

17 ТУ 6-05-2049-87 Прокладки пенополиэтиленовые уплотняющие марки «Вилатерм СП».

 




ГОСТЫ, СТРОИТЕЛЬНЫЕ и ТЕХНИЧЕСКИЕ НОРМАТИВЫ.
Некоммерческая онлайн система, содержащая все Российские Госты, национальные Стандарты и нормативы.
В Системе содержится более 150000 файлов нормативно-технической документации, действующей на территории РФ.
Система предназначена для широкого круга инженерно-технических специалистов.

Рейтинг@Mail.ru Яндекс цитирования

Copyright © www.gostrf.com, 2008 - 2026